历史上的今天
今天是:2024年09月23日(星期一)
2021年09月23日 | 基于NCL35076或NCL30076的可调光LED照明降压方案
2021-09-23
基于NCL35076或NCL30076的高能效、高精度、高可靠性的可调光LED照明降压方案
本文主要介绍安森美 (onsemi)的基于NCL35076连续导通模式 (CCM) DC-DC 降压控制器的75 W方案和基于NCL30076准谐振(QR)降压控制器的100 W及240 W方案。两款方案的典型应用是LED照明系统、模拟/PWM可调光LED驱动器,模拟调光范围宽,从1%到100%。
安森美专有的LED电流计算技术和内部检测及反馈放大器的零输入电压偏移,在整个模拟调光范围内进行精确的稳流,稳流精度在满载时<±2%,在1%的负载时<±20%。卓越的调光特性可根据负载情况在CCM (NCL35076)或QR (NCL30076)和非连续导通模式 (DCM) 间切换,从而确保低的LED电流纹波,以提供更高能效,如重载时工作在CCM (NCL35076)或QR (NCL30076),轻载时工作在DCM。待机模式下待机功耗低。还提供PWM调光以保持恒定的LED色温。NCL3X076软启动功能实现稳态启动而无过冲。VDD过压保护 (OVP)、LED短路保护 (SLP)、过流保护、热关断保护 (TSD)等各种保护特性确保高的系统可靠性。其中,NCL35076 CCM 75 W方案具有小外形的优势。而NCL30076 QR 100 W方案,在高压输入时的能效高。

图1:NCL35076 CCM 75 W方案典型应用电路图
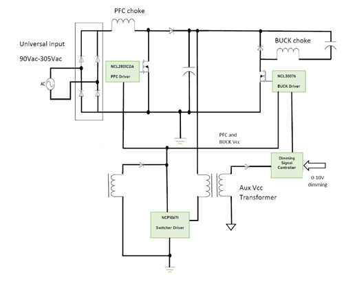
图2所示的NCL30076 QR 240W方案采用了安森美的NCL2801CDA PFC驱动器,NCL30076降压驱动器,NCP10671开关驱动器和一个调光信号控制器。NCL2801CDA是一款电流模式 CrM 升压PFC控制器,利用安森美的总谐波失真(THD) 增强技术可在更宽的工作范围内提供同类最佳的THD 性能。谷计数频率折回 (VCFF) 方法优化能效和待机功耗。NCP10671 集成固定频率电流模式控制器与 700 V MOSFET,集成度高,包括软启动、频率抖动、短路保护、跳周期、斜坡补偿和动态自供电(省去辅助绕组)。在标称负载运行期间,NCP10671 以可用频率之一(60 或 100 kHz)进行切换。当输出功率需求减少时,IC 会自动进入跳周期模式以降低待机功耗。保护功能包括:检测过载或短路事件的计时器,具有自动恢复功能的过压保护。NCP10671具有优化的待机性能,连接辅助绕组或从输出为 IC 供电,停止 DSS 工作,并帮助将高压时的输入功耗降低到 15 mW 以下。

图2:NCL2801 +NCL30076 QR 240 W方案典型应用框图
精确的稳流和宽模拟调光
另外,NCL35076 CCM 75 W评估板和NCL30076 QR 100 W评估板的稳流精度及模拟调光范围测试条件及结果如下:
NCL35076 CCM 75 W评估板:
VOUT (50/30/10 V),电感值为典型值±20%,温度 (-10/25/90 ºC),测试了27条调光曲线,稳流精度在满载时为± 1.5% ,在1%负载时为±10% ,模拟调光范围<1% 。
NCL30076 QR 100 W评估板:
VOUT (300/200/100 V),电感值为典型值±15%,温度 (-10/25/90 ºC),测试了27条调光曲线,稳流精度在满载时为± 2% ,在1%负载时为±14% ,模拟调光范围<1% 。
能效测试


评估板测试条件和能效曲线如下。NCL35076 CCM 75 W评估板在10 V、30 V、50 V的能效可高达92%、96%、超过98%,NCL30076 QR 100 W评估板在100 V、200 V、300 V的能效可分别超过96%、97%和接近98%。

图3:评估板能效测试曲线
热性能测试
我们测试了输入电压Vin 60 V,Vout 50 V,Iout 1.5 A,NCL35076 CCM 75 W评估板在工作30分钟时,热性能表现佳。输入电压Vin 400 V,Vout 300 V,Iout 0333 A,NCL30076 QR 100 W评估板在工作30分钟时也表现出很好的热性能。
总结
安森美的基于NCL35076或NCL30076的可调光LED照明降压方案具有高能效、高精度、高可靠性的优势,模拟调光范围低至1%,专有的LED电流计算技术和内部检测及反馈放大器的零输入电压偏移使得稳流精度在满载时<±2%,在1%的负载时<±20%,也提供PWM调光以保持恒定的LED色温。丰富的保护特性确保高的系统可靠性。高能效、智能的LED照明是安森美智能电源的组成部分,将助力实现可持续发展。
史海拾趣
|
现在coding不再做了,连架构都不做了,专职于做管理还有一些客户交流以及跟公司老总的交流问题,慢慢的,很多技术上的问题就疏远了,都在担心以后技术会不会慢慢就退化了!要跳槽如果没有manager该怎么办呢… 查看全部问答> |
|
当电子工程师也是十余年了,不算有出息,环顾四周,也没有看见几个有出息的!回顾工程师生涯,感慨万千,愿意讲几句掏心窝子的话,也算给咱们师弟师妹们提个醒,希望他们比咱们强! [1]职业规划很重要,好好规划自己的路,不要跟着感觉走!根据 ...… 查看全部问答> |
|
我们的设备上采用的是2G的NAND FLASH外加一个SD卡,三星提供的BSP和相关文档上说设备作为MASS STORAGE时,同时只能将其中一个作为MASS STORAGE连接到PC上,我们想连接PC的时候同时显示这两个存储空间,目前的候选方案是在应用程序上进行一些设置, ...… 查看全部问答> |
|
我是初次接触这个软件,英文版的有点看不懂,有没有高手能帮忙搞一个,将不胜感激!或者是只要兼容vista系统的版本都可以。急求!!!!!!!!!… 查看全部问答> |
|
本帖最后由 dontium 于 2015-1-23 13:26 编辑 正在做一个DSP--PCI的驱动,应用程序调试时出现如下: ----- damned.pjt - Debug ----------------------------- [async_pci.cdb] \\"E:\\\\CCStudio_v3.1\\\\plugins\ ...… 查看全部问答> |
|
可能看到我帖子的人,会有些失望,这么久了才提交个led循闪烁的程序,是不太应该,其实这几天都是在看M4的驱动编程,一直在归纳总结自己在M4学习中Keil软件方面的问题,大家也许看看我的文档,就能不这么责怪我了呵 ...… 查看全部问答> |
|
以下是在使用MSP430中的一些总结: 1.系统时钟问题: 系统默认使用DCO,使用外部高速晶振XT2时必须自己开启XT2,并延时50us等待XT2起振,然后手工清除IFG1中的OFIFG位 !!!!一定要注意操作顺序:打开XT2->等待XT2稳定->切换系统时钟为XT2 若 ...… 查看全部问答> |




