历史上的今天
今天是:2024年09月27日(星期五)
2021年09月27日 | 变频器常用参数设置方法
2021-09-27 来源:elecfans
变频器基本参数的设置
1)按“MENU”键,控制盘显示屏出现“-99-”字样。
2)按“ENTER”键,控制盘显示屏出现“-9902-”字样。再按“ENTER”键,显示屏显示SET、LWD闪烁,同时显示控制参数控9902的数值,反复按“UP/DOWN”键(上/下),找到需要的控制参数的数值,同时显示屏SET闪烁。再按“ENTER”键,参数设置完毕。再按两次“MENU”键,控制盘显示输出电压的频率。
3)在控制盘出现参数“9902”后,反复按“UP/DOWN”键,从控制参数集找到需要设置的参数, (参数从0102~9908,每个参数表示的意义参看用户手册)按照前面介绍的方法设置每个参数数值。

2.完整参数的设置
完整参数提供变频器特殊功能的参数,用以实现变频器特殊控制要求。设置的方法如下:
1)按控制盘“MENU”键,控制盘显示屏出现“-99-”字样。
2)反复按“UP”或“DOWN”键,直到显示屏出现“-LG-”字样。
3)按住“ENTER”键,直到显示屏出现“=LC=”字样。
4)按“DOWN”’键,显示屏出现“=99=”字样。
5)按“UP”或“DONW”键,找出需要设置的参数
变频器常用参数设置方法
变频器的设置菜单分为一级菜单、二级菜单等,菜单后面是参数。Altivar31变频器一级菜单的访问如左图所示,参数的设置如右图所示。

右图是待机(准备运行)状态开始,将FUn-PSS-SP2参数设定为15Hz,然后又返回到待机状态的操作过程。
在实际设置时,可能从中间某一步开始。若还有其它的参数需要设置,不需要返回到待机状态,只要返回到相应的一级继续设置即可。全部参数设置完毕需要返回到待机状态准备开车。有些参数还可以在变频器有些过程中进行设置。

错误的设置可能损坏变频器!没有弄清楚的参数不要随意设置!
常用参数是经常使用的一些参数,主要包括以下内容(以AlTIvar31变频器为例):

1、上限频率(高速)SEt-HSP与下限频率(低速)SEt-LSP
上限频率是最大给定所对应的频率,下限频率是最小给定所对应的频率。上下限频率的设定是为了限制电动机的转速,从而满足设备运行控制的要求。
2、加速时间(加速斜坡时间)SEt-ACC与减速时间(减速斜坡时间)SEt-dEC
加速时间是变频器从0Hz加速到额定频率(通常为50Hz)所需的时间,加速斜坡类型由FUn—rPC-rPt设置。减速时间是变频器从额定频率减速到0Hz所需的时间。设定加、减速时间必须与负载的加、减速相匹配。电机功率越大,需要的加、减速时间也越长。一般11kW以下的电机,加、减速时间可设置在10s以内。

对于大容量的电机,若设置加速时间太短,可能会使变频器过流跳闸;设置减速时间太短,可能会使变频器过压跳闸。对于多电机同步运行的情况,若设置加速时间太短,可能会使变频器过流跳闸,设置加速时间太长,会使开车 时同步性能变坏;设置减速时间太短,可能会使变频器过压跳闸,设置减速时间太长,由于各电机功率不同,负载差异较大,可能会使各电机不能同时停转,造成下次开车困难。
因此,多电机同步运行时,需要精确设置加、减速时间,这也是设备调试的主要项目之一。
3、保存配置drC(或I-O、CtL、FUn)—SCS
对于经常使用的设置或经现场调试可行的设置,可以保存起来,在需要的时候可以恢复。但保存配置只能保存一次,再次保存时,原来保存的设置就被新保存的设置所替代。
SCS参数一被保存,就自动变为nO。

4、返回出厂设置/恢复配置drC(或I-O、CtL、FUn)—FCS
变频器在调试期间,可能出现由于操作不当等原因,偶尔发生功能、数据紊乱等现象,遇到这种情况可以恢复配置(FCS参数设置为rECI)或者返回出厂设置(FCS参数设置为InI),然后重新设置参数。

FCS参数一被保存,就自动变为nO。
5、电机缺相检测FLt-OPL
电机缺相检测是变频器的基本功能,也是实际使用时必需的。但在济南星科的实验台中,由于配备的电机功率太小且空载,电机电流几乎等于零,变频器检测不到电机电流,认为没有接电机。所以,在实验室必须把OPL参数设置为nO(电机缺相不检测),否则变频器无法运行。但实际使用时一定把OPL参数设置为yES(电机缺相检测)。

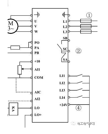
通用变频器的功能很多,菜单及参数也很多,AlTIvar31变频器的一级菜单有8个,分别是设置菜单SEt-、电机控制菜单drC-、I-O菜单I-O-、控制菜单CtL-、应用功能菜单FUn—、故障菜单FLt-、通信菜单COM-、显示菜单SUP-。
史海拾趣
|
索尼公司今天宣布,已经成功开发出“全球首个毫米波内部连接无线技术”,可在电视机等电子设备中用高 速无线连接,替代电路板上的有线连接,降低芯片和其他零部件尺寸和成本,从而令最终产品更加轻薄、可靠而廉价。当今的各种电子设备功能越来越强 ...… 查看全部问答> |
|
【参与有分】EBoot升级Image时会用到带有"N000FF"的Image文件,这种文件怎么得到? **************************问题描述******************************* 使用MS的EBoot升级Image的时候,代码上依次会走下面的流程: OEMPlatformInit( )----初始化板上设备(初始化显示、RTC、OAL与eboot共享参数、打印用户菜单、网 ...… 查看全部问答> |
|
如下所示,EBOOT已经把NK调度到内存,并且已经跳到NK去执行。为什么NK还要初始化FLASH,并且要花十几秒的时间去读FLASH? Windows CE Kernel for ARM (Thumb Enabled) Built on Feb 8 2007 at 23:36:51 ProcessorType=0920 &nbs ...… 查看全部问答> |
|
我想学单片机,现在准备买设备。大家帮忙推荐几个好点的东西。 编程器我想买多功能编程器,不知道有哪些?还有其他的配件大家也帮帮忙推荐一下,我现在对这方面还不懂。 我学过c,8086汇编,模拟电路,数字电路 微机原理 verilog等课程。欢迎大 ...… 查看全部问答> |




