历史上的今天
今天是:2024年09月28日(星期六)
2021年09月28日 | 波形轨迹为何有时显示较粗?
2021-09-28 来源:eefocus
有时候,使用ZDS2022示波器与泰克或者安捷伦的示波器同时观测波形,ZDS2022示波器捕捉到的波形水平轨迹看起来相对较粗,如图3.1所示,这是否是ZDS2022示波器本身的噪声引起的呢?

图3.1波形轨迹较粗
答案是否定的。这个波形的水平轨迹看起来比较粗,外部包络着淡淡的一层波形轨迹,是因为信号本身噪声较大,在ZDS2022示波器高达33万次/秒的波形刷新率下,多帧叠加显示的结果。如果波形刷新率低的话,由于叠加的样本不多,看到的波形轨迹相对就会平滑细腻一些,但那并不是波形的真实本质。
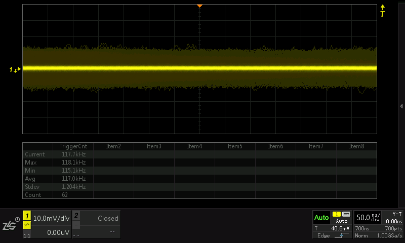
通过调大触发释抑,可降低波形刷新率,波形刷新率可以通过自动测量功能中的【触发计数器】测量查看。如图3.2、图3.3所示是调节触发释抑降低波形刷新率测量同一信号的测量效果。可以看到,如图3.2所示,在700帧/秒的波形刷新率下,波形轨迹细腻平滑;而图3.3中,在117,000帧/秒的波形刷新率下,波形轨迹相对来说就比较粗。也就说,低波形刷新率会丢失波形细节,造成测量错误。
波形刷新率是示波器的重要技术指标,直接体现示波器捕获波形细节的能力。ZDS2022示波器标配高于33万次/秒的波形刷新率, 如图3.4所示是显示原理,图中的数字仅为参考。高波形刷新率可以减少死区时间,提高异常信号的捕捉概率。如图3.1中红色圈标示的亮度较暗的波形,就是ZDS2022示波器捕捉到的概率很低的异常信号,而低波形刷新率的示波器难以捕捉到此类信号。

图3.2低波形刷新率(700帧/秒)

图3.3高刷新率(117,000帧/秒)

图3.4高波形刷新率的显示原理
下一篇:IIC协议触发相关问题
史海拾趣
|
各位大哥大姐好,我想问一下怎样判断发光二极管是否烧毁。还有就是测量发光二极管的阻值时,为什么用不同的档位测量会有不同的结果,而且结果相差很大。希望各位大哥大姐指点下,小弟先谢谢你们了!!!… 查看全部问答> |
|
以下是uart的芯片说明书 ARM registers UART registers are accessible only by the ARM. ■ Block name: UART1/2/3 ? UART1: – Offset = CHIP_BASE + 0x4000; MAX = CHIP_BASE + 0x40FC ? UART2: – Offset = CHIP_BASE + 0x4100; MAX = C ...… 查看全部问答> |
|
我的目的是要绘制波形曲线,之前是用GDI做的,结果显示太慢,又耗内存.所以现在用DirectX 最好能提供一些源码提示 分不够可以再加 … 查看全部问答> |
|
裸奔2440,在SDRAM中调试程序。下载一个图片转换成的大数组到SDRAM,数组是unsigned short型的,总共320×240×2 = 153600个字节,总提示错误如下,无法下载,是怎么回事?而且每次提示的错误地址都不一样。 … 查看全部问答> |
|
本次招聘为春季社招 将会在2月底在全国各大城市组织面试 招聘职位: 嵌入式软件方向 招聘要求: 211院校以毕业学生,非211学校毕业学生需要本三硕二工作经验 专业技能方面要求熟悉C 或责C+ ...… 查看全部问答> |




