历史上的今天
今天是:2024年11月02日(星期六)
2021年11月02日 | CS8683单声道120W大功率D类功放IC解决方案
2021-11-02 来源:EEWORLD
D类音频功率放大器的市场需求每年以约50%的速度增长,以高性能设备为目标应用。D类音频放大器的高能效和低热性等特点支持轻薄时尚的产品设计,大功率电源还可节省成本。D类放大器满足小尺寸、低功耗、高音频输出的市场主流需求,从而成为音频类产品的中坚力量。2020年一场突如其来的新冠疫情打乱了整个电子行业供应链的平衡,国内电子行业闹起芯慌。从2020年9月份起,50W以上的D类功放IC价格被炒到20-30元还一片难求。
因为封装工艺的原因,中大功率的音频功放芯片一直垄断在国外芯片公司的手中。常见的如TSSOP-28/TSSOP-24/ESOP-16等散热片在底部的贴片封装,依赖芯片本身及PCB散热很难支持60W以上持续功率输出。要实现更大功率的输出,需芯片封装支持外接散热器。
深圳市永阜康科技有限公司大力推广最新的一款模拟输入120W单声道D类音频功率放大器-CS8683H,以充分满足户外拉杆音箱、功放机、声霸音箱系统、车载音频系统等大功率的使用需求。该CS8683H具有业界最高的开关速率与4.7V-45V最宽泛的供电,可实现高质量、高效率的音频输出;业界最佳RDS(on)比同类竞品低,高效率支持低阻抗提高功率;采用EQB-32封装(国内首创贴片封装散热片在顶部,支持外接散热器),良好的散热性能保证超大功率输出,可实现无失真的清晰音频。
1.CS8683H概要
CS8683H是一款120W单声道高效D类音频功率放大电路.先进的EMI抑制技术使得在输出端口采用廉价的铁氧体磁珠滤波器就可以满足EMC要求。CS8683H单通道音频功率放大器是为需要输出高质量音频功率的系统设计的,它采用采用EQB-32封装(散热片在顶部),良好的散热性能保证超大功率输出,使系统具备高质量的音频输出功率。
CS8686H内置了过流保护,短路保护和过热保护,有效的保护芯片在异常的工作条件下不被损坏。,供电电压在22V以内,可以驱动低至2Ω负载的扬声器 ,最高可提供80W的连续功率 ;在供电电压30V以内,可以驱动低至4Ω负载的扬声器,提供120W的连续功率具有高达94%的效率。CS8683H提供纤小的封装形式供客户选择,可以为客户节省可观的PCB面积,其额定的工作温度范围为-40℃至85℃。
2. CS8683H描述
●输出功率: 120W PO at 10% THD+N, VDD = 28V@RL = 4Ω
75W PO at 10% THD+N, VDD = 24V@RL = 4Ω
80W PO at 1% THD+N, VDD = 24V@RL = 3Ω
100W PO at 10% THD+N, VDD = 20V@RL = 2Ω
●效率高达94%
●多重开关频率可选,具有AM干扰抑制功能
●高可靠性设计,宽泛的单电源电压范围4.7V~45V
●静音功能控制
●扬声器保护包括可调功率限制器加直流保护
●输出管脚方便布线布局
●良好短路保护和具备自动恢复功能的温度保护
●良好的失真和防噗声功能
●三级增益可调
●差分输入
●EQB-32封装
3. CS8683H与3116输出功率对比

4. CS8683H应用场合
户外拉杆蓝牙音箱、功放机、车载音频系统等产品
5. CS8683H应用信息
(1). CS8683H脚位图

(2).CS8683H管脚说明

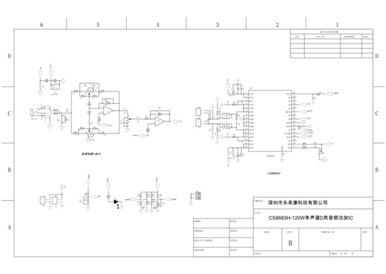
(3).CS8683HDEMO板原理图

(4).CS8683HDEMO板PCB顶层设计图

(5). CS8683HDEMO板PCB底层设计图

(6).CS8683HDEMO板贴片图

(7).CS8683HDEMO板物料清单

(8).CS8683HDEMO板实物图

史海拾趣
|
长虹SF2115彩电伴音小,将音量开至最大位置(数码100)也只能听见微弱的声音 对于伴音小的故障快速的修理方法是AV输入法,即输入AV信号确认故障范围,若输入AV信号声音正常说明故障在中放电路(包括图像中放和伴音解调电路),若输入AV信号声音还是不正常,说明故障在功放电路或TV/AV切 换电路。 基于以上的检修思路,首先输 ...… 查看全部问答> |
|
哪位大虾能告知下:1、天线RF在PCB中如何画封装啊? 2、我下载了啊蓝牙芯片ROK101008 PDF,但是看不懂它的封装是什么样的,哪位大虾能详细解答一下吗? 谢谢!… 查看全部问答> |
|
如题, 大家别拿contents里面的内容截过来一贴就结束了。那里面我也看过了,就是不不知道怎么编译进去。 我现在是照着contents里面的内容做的 里面提到 in the %_WINCEROOT%\\Public\\Ie\\Oak\\Lib\\ folders. To add the IESimple application ...… 查看全部问答> |
|
嵌入式开发时,为目标机编译linux内核,因为本人个人水平实在有限,总是出错,除了大力加强硬件知识,各位大虾有什么速成的办法,可以临时解决我嵌入式系统开发时的问题?… 查看全部问答> |
|
芯片AU1500系列 64-128内存 时钟模块 IDE硬盘接口 带J调试 外围接口 双10-100M网卡 USB1.0一个 打印口 四层板 BOM成本在700以内 板卡面积:很小,巴掌大 支持板载闪存,最大32M 可用于:路由,NAS等产品 全套LINUX系统,WEB,F ...… 查看全部问答> |
|
看到很多C语言的例子程序都是采用的所谓的裸机C程序,即要在调用Main()(采用其他名字也行)前用汇编代码进行一些搬移的工作,然后B Main; 我想问下如何使用ADS库中的main()函数写程序 我写了个简单的C语言程序,用到了main()函数,调试的时候能 ...… 查看全部问答> |




