历史上的今天
今天是:2024年11月05日(星期二)
2021年11月05日 | 申矽凌大力推数字温度传感器新型产品
2021-11-05 来源:爱集微
近日申矽凌凭借其在热管理这一细分领域的技术积累,推出了总线式脉冲计数接口数字温度传感器芯片产品CT1721,其输出的脉冲支持连续输出、单次输出两种模式,满足高中低端MCU尤其是低成本MCU对于脉冲中断技术的处理。
在系统存在多点控温的系统中,如果采用通常的I2C温度传感器挂载到I2C/SMBus总线上,就需要多个器件地址去区分不同的温度传感器。这会导致硬件驱动的开发找不到合适的器件地址的空间地址,而令项目开发受阻。或者减少温度监测点,但系统的性能得不到稳定的提高。如果使用不同的器件地址,软件开发和硬件的器件筛选都受限。
为此,申矽凌于2020年3月17日申请了一项名为“寄存器地址可配置的温度传感器”的发明专利(申请号:202010188598.7),申请人为上海申矽凌微电子科技有限公司。

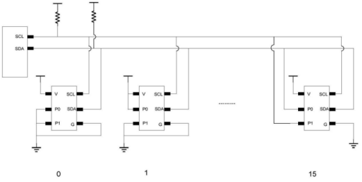
图1 寄存器地址可配置的温度传感器连接示意图
图1为本发明提出的寄存器地址可配置的温度传感器连接示意图,传感器包括模拟数字转换电路、可配置寄存器地址电路、数字接口电路和寄存器组电路。模拟数字转换电路又包括:内部二极管阵列、模拟电流源、ADC转换电路和数字码流控制。数字接口电路包括:接口start检测、寄存器地址匹配电路、器件地址检测、寄存器地址检测、读操作和写操作。寄存器组电路包括:温度寄存器、配置寄存器、状态寄存器、温度高阈值寄存器、温度低阈值寄存器和温度比较电路。可配置寄存器地址电路包括:延时电路和编码电路。
模拟电流源控制内部二极管阵列的开通和断开,流过二极管阵列的电流与温度相关,ADC转换电路将此电流转换成数字码流,数字码流控制将此数字码流再转换成12bit或14bit或16bit的温度值。寄存器组电路接受数字码流控制输出的温度值,存放在温度寄存器中。数字接口电路可以读取或修改配置寄存器、温度高阈值寄存器和温度低阈值寄存器。温度寄存器和状态寄存器仅可以读,不可以写。温度比较电路根据温度寄存器、高低阈值寄存器设定状态寄存器的位。
数字接口电路的接口start检测电路检测出I2C、SMBus的开始信号。同时检测出来器件地址,如果主机发送的器件地址和温度传感器的内部地址不同,后续命令不响应。如果器件地址是正确的,温度芯片将接受寄存器地址。如果接收的寄存器地址和外部引脚配置的寄存器地址不匹配,那么后续的读写命令不相应。如果匹配,那么就会接收后续的读寄存命令和写寄存器命令。可配置寄存器地址电路在SMBus或I2C的开始命令处,检测经过延时电路的电平和跳变,从而判断出外部引脚的连接,是连接到电源、地线、SCL线或SDA线。
简而言之,申矽凌的温度传感器专利,通过使同样的寄存器在并行连接中只有一个温度传感器得到访问,有效地节省了器件地址的资源,在需要多点测温的系统中更方便使用,有效地提升系统的性能,具有较大的经济价值。
申矽凌微电子是一家专注于设计、开发、制造和销售环境传感器IC产品的半导体科技公司,创新地把新颖的传感器技术与较成熟的集成电路工艺设计技术结合在一起。申矽凌未来将成为环境传感器的领先者
史海拾趣
|
我正在开发一个键盘,我使用51单片机 控制像机和云台的,上面有一些按键和一个摇杆。功能按键的功能如数字键、控制摄像机变焦等功能键、还有如调预至位、复位等功能。摇杆就是控制云台转动的方向,可以上下左右等水平360度波动,这样可以控制云台水 ...… 查看全部问答> |
|
VC代码移植到EVC4.0.编译没问题,但画面不能正常显示。图形在ONDRAW函数里画的,2万行左右。 于是我一点点的添加,开始是正常的,后来就不正常了,有行数限制? 有时候多初始化一个矩形就不行,有时候把矩形初始化赋值的代码注释起来,就能继续添 ...… 查看全部问答> |
|
不是很熟啊,小问题请教一下 制作元器件 用SpreadSheet放置管脚 Top和Right方向管脚序号 左到右,上到下顺序,如何改成右到左和下到上啊。没查到。 谢谢。… 查看全部问答> |
|
调试目标C2000,可以进入DEBUG模式,可以进行正常调试,但是,退出就不行了,一点退出(就是那个红方块)就死着不动。只有关闭了。 每次这样很麻烦。且,原来编译时的状态不保存。… 查看全部问答> |
|
module UART ( rst,clk50M,send_en,rev_en,TXD,TXD_data,RXD,RXD_data); input rst,clk50M,RXD,send_en,rev_en; input [7:0] TXD_data; output TXD; reg TXD; reg [7:0] TXD_cnt; output [7:0] RXD_data; reg [7:0] RXD_data; reg [7:0] RXD_cnt; ...… 查看全部问答> |




