历史上的今天
今天是:2024年12月03日(星期二)
2021年12月03日 | 适用微型电机驱动应用的快速反应、光学编码器反馈系统
2021-12-03 来源:EEWORLD
摘要
本文介绍工业自动化领域的设计人员在设计用于电机控制的位置检测接口时面临的常见问题,即:能在速度更快、尺寸更小的应用中检测位置。利用从编码器捕获的信息以便精确测量电机位置对于自动化和机器设备的成功运行很重要。快速、高分辨率、双通道同步采样模数转换器(ADC)是此系统的重要组件。
简介
位置、速度和方向之类的电机旋转信息必须准确,以为各种新兴应用生产精准的驱动器和控制器,例如,将微型组件装配到空间有限的PCB区域中的装配机器。近来,电机控制开始走向微型化,使得医疗健康行业出现新的外科手术机器人应用,航空航天和防务领域出现新无人机应用。体积更小的电机控制器还导致工业和商业装配领域涌现新的应用。对设计人员而言,挑战在于:满足高速应用中的位置反馈传感器的高精度要求,同时将所有组件集成到有限的PCB区域内,以安装到微型封装内部,例如机械手臂。

图1.闭环电机控制反馈系统
电机控制
电机控制环路(如图1所示)主要由电机、控制器和位置反馈接口组成。电机转动旋转轴,带动机械手臂跟着移动。电机控制器管控电机何时施加力道、何时停止,或者继续转动。环路中的位置接口向控制器提供转速和位置信息。对于装配微型表贴PCB的装配机器来说,这些数据是其正常运行的关键。这些应用都需要获取关于旋转对象的准确位置测量信息。
位置传感器的分辨率必须非常高,足以准确检测电机轴的位置,拿取对应的微型组件,并将组件放置到板上的对应位置。此外,电机转速越高,所需的环路带宽越高,延迟越低。
位置反馈系统
在低端应用中,使用增量传感器和比较器可能就能够实施位置检测,但在高端应用中,则需要更加复杂的信号链。这些反馈系统包含位置传感器,之后是模拟前端信号调理、ADC,以及ADC驱动器,数据先经过它们,之后再进入数字域。其中最精确的位置传感器就是光学编码器。光学编码器由LED光源、连接到电机轴的标记圆盘和光电探测器组成。圆盘包含不透明和透明的掩码区域,可以阻隔光线或让光线通过。光电探测器检测这些光线,开/关光信号则转换为电子信号。
随着圆盘转动,光电探测器(与圆盘的模式配合)生成小的正弦和余弦信号(mV或µV等级)。这种系统是绝对位置光学编码器采用的典型系统。这些信号进入模拟信号调理电路(一般由分立式放大器或模拟PGA组成,用于获取高达1 V峰峰值范围的信号),通常是为了让ADC输入电压范围匹配最大动态范围。每个放大的正弦和余弦信号之后都被同步采样ADC的驱动放大器捕捉。
ADC的每个通道都必须支持同步采样,以便同时获取正弦和余弦数据点,由这些数据点组合提供轴的位置信息。ADC转换结果会发送给ASIC或微控制器。电机控制器在每个PWM周期中查询编码器位置,然后根据接收的指令使用该数据来驱动电机。过去,为了集成到有限的板空间中,系统设计人员必须牺牲ADC速度或通道数。

图2.位置反馈系统
优化位置反馈
随着技术不断发展,导致需要实施高精度位置检测的电机控制应用不断创新。光学编码器的分辨率可能由圆盘上精细光刻的槽数决定,通常有几百或几千个。将这些正弦和余弦信号插入到高速、高性能ADC中之后,无需对编码器圆盘实施系统变更,即可创建出分辨率更高的编码器。例如,以更低的速率对编码器的正弦和余弦信号采样时,只会捕捉到少数信号值,具体如图3所示;这会限制位置电容的精度。在图3中,当ADC以更快速率采样时,可以获取更详细的信号值,从而更精准地确定位置。ADC的高速采样速率支持过采样,进一步改善噪声性能,消除了一些数字后处理需求。与此同时,可以降低ADC的输出数据速率;也就是说,支持较慢的串行频率信号,因此简化了数字接口。电机位置反馈系统安装在电机总成上,在某些应用中,总成可能非常小巧。所以,能否装入编码器模块面积有限的PCB区域中,尺寸大小是关键。在单个微型封装中集成多个通道组件非常有利于节省空间。

图3.采样速率
光学编码器位置反馈设计示例
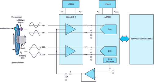
图4所示为适合光学编码器位置反馈系统的优化解决方案示例。此电路很容易和绝对类型的光学编码器连接,然后电路很容易捕捉来自编码器的差分正弦和余弦信号。ADA4940-2前端放大器属于双通道、低噪声全差分放大器,用于驱动AD7380,后者属于双通道、16位全差分4 MSPS同步采样SAR ADC,采用3 mm × 3 mm小型LFCSP封装。片内2.5 V基准电压源允许此电路采用最少数量的组件。ADC的VCC和VDRIVE,以及放大器驱动器的电源轨道可由LDO稳压器供电,例如LT3023 和LT3032。当这些参考设计相互连接时(例如,使用一个1024槽光学编码器,在一个编码器圆盘周期中生成1024个正弦和余弦周期),16位AD7380在216个代码的各编码器槽中采样,将编码器的整体分辨率提高到26位。4 MSPS吞吐速率确保捕捉到正弦和余弦周期的详细信息,以及最新的编码器位置信息。高吞吐速率支持实施片内过采样,从而缩短数字ASIC或微控制器将精确的编码器位置反馈给电机时的时间延迟。AD7380片内过采样的另一个好处是:可以额外增加2位分辨率,可以和片内分辨率增强功能配合使用。分辨率增强功能可以进一步提升精度,最高可以达到28位。应用笔记AN-2003详细介绍了AD7380的这个过采样和分辨率增强功能。

图4.经过优化的反馈系统设计
结论
电机控制系统需要更高的精度、更高的速度,以及更高程度的微型化。光学编码器被用作电机位置检测器件。所以,在测量电机位置时,光学编码器信号链必须具备高精度。高速度、高吞吐速率ADC准确捕捉信息,然后将电机位置数据发送给控制器。AD7380的速度、密度和性能可以满足行业要求,同时在位置反馈系统中实现更高的精度,并对系统实施优化。
作者
Jonathan Colao
Jonathan Colao是ADI公司精密转换器技术部的产品应用工程师。他于2006年加入ADI公司担任产品工程师,工作地点位于菲律宾甲米地。他毕业于菲律宾卡加延德奥罗泽维尔大学,获电子工程学士学位。
史海拾趣
|
作为后PC时代及后网络时代的新秀,嵌入式系统凭借其在网络安全、智能家电、车载电子、消费类电子、工业控制、医疗电子等领域内日益广泛地应用和发展,已无疑成为后PC时代的擎天之柱,现在的电子技术俨然已成为嵌入式系统技术的天下。 2010年 ...… 查看全部问答> |
|
我在工程的Header Files里添加了miracl.h和mirdef.h两个头文件,还添加了ms32.lib文件,但在编程中使用otnum()等等miracl库中的函数时仍提示错误。 Repw.obj : error LNK2019: unresolved external symbol \"int __cdecl otnum(struct bigtype *,v ...… 查看全部问答> |
|
小弟由于想转入到嵌入式开发的领域中来,所以需要一些最基本的了解,以便有一个更清晰的学习开端,请多多指教: 问题1:在网上查了下嵌入式开发的理解,但越看越晕,一会儿是嵌入式开发,一会儿是linux嵌入 ...… 查看全部问答> |
|
(1)430默认的是关闭中断嵌套的,除非你在一个中断程序中再次开总中断EINT。(2)当进入中断程序时,只要不在中断中再次开中断,刚总中断是关闭的,此时来中断不管是比当前中断的优先级高还是低都不执行。(3)若在中断A中开了总中断,刚可以响应 ...… 查看全部问答> |




