历史上的今天
今天是:2024年12月07日(星期六)
2021年12月07日 | STM32F4学习笔记13——ADC part1
2021-12-07 来源:eefocus
ADC 简介
12 位 ADC 是逐次趋近型模数转换器。它具有多达 19 个复用通道,可测量来自 16 个外部 源、两个内部源和 VBAT 通道的信号。这些通道的 A/D 转换可在单次、连续、扫描或不连续 采样模式下进行。ADC 的结果存储在一个左对齐或右对齐的 16 位数据寄存器中。
ADC 具有模拟看门狗特性,允许应用检测输入电压是否超过了用户自定义的阈值上限或下限。
ADC 主要特性
● 可配置 12 位、10 位、8 位或 6 位分辨率
● 在转换结束、注入转换结束以及发生模拟看门狗或溢出事件时产生中断
● 单次和连续转换模式
● 用于自动将通道 0 转换为通道“n”的扫描模式
● 数据对齐以保持内置数据一致性
● 可独立设置各通道采样时间
● 外部触发器选项,可为规则转换和注入转换配置极性
● 不连续采样模式
● 双重/三重模式(具有 2 个或更多 ADC 的器件提供)
● 双重/三重 ADC 模式下可配置的 DMA 数据存储
● 双重/三重交替模式下可配置的转换间延迟
● ADC 转换类型(参见数据手册)
● ADC 电源要求:全速运行时为 2.4 V 到 3.6 V,慢速运行时为 1.8 V
● ADC 输入范围:VREF— VIN VREF+
● 规则通道转换期间可产生 DMA 请求
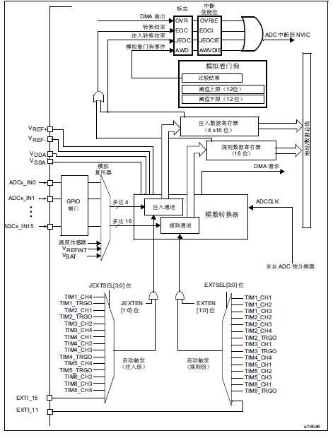
图 34 显示了 ADC 的框图。
注意:VREF— 如果可用(取决于封装),则必须将其连接到 VSSA
ADC 功能说明


ADC 开关控制
可通过将 ADC_CR2 寄存器中的 ADON 位置 1 来为 ADC 供电。首次将 ADON 位置 1 时, 会将 ADC 从掉电模式中唤醒。
SWSTART 或 JSWSTART 位置 1 时,启动 AD 转换。
可通过将 ADON 位清零来停止转换并使 ADC 进入掉电模式。在此模式下,ADC 几乎不耗电 (只有几 μA)。
ADC 时钟
ADC 具有两个时钟方案:
● 用于模拟电路的时钟:ADCCLK,所有 ADC 共用
此时钟来自于经可编程预分频器分频的 APB2 时钟,该预分频器允许 ADC 在 fPCLK2/2、/4、/6 或 /8 下工作。有关 ADCCLK 的最大值,请参见数据手册。
● 用于数字接口的时钟(用于寄存器读/写访问)
此时钟等效于 APB2 时钟。可以通过 RCC APB2 外设时钟使能寄存器 (RCC_APB2ENR)分别为每个 ADC 使能/禁止数字接口时钟。
通道选择
有 16 条复用通道。可以将转换分为两组:规则转换和注入转换。每个组包含一个转换序列, 该序列可按任意顺序在任意通道上完成。例如,可按以下顺序对序列进行转换:ADC_IN3、ADC_IN8、ADC_IN2、ADC_IN2、ADC_IN0、ADC_IN2、ADC_IN2、ADC_IN15。
● 一个规则转换组最多由 16 个转换构成。必须在 ADC_SQRx 寄存器中选择转换序列的规
则通道及其顺序。规则转换组中的转换总数必须写入 ADC_SQR1 寄存器中的 L[3:0] 位。
● 一个注入转换组最多由 4 个转换构成。必须在 ADC_JSQR 寄存器中选择转换序列的注入
通道及其顺序。注入转换组中的转换总数必须写入 ADC_JSQR 寄存器中的 L[1:0] 位。
如果在转换期间修改 ADC_SQRx 或 ADC_JJSQR 寄存器,将复位当前转换并向 ADC 发送一个新的启动脉冲,以转换新选择的组。
温度传感器、VREFINT 和 VBAT 内部通道
● 对于 STM32F40x 和 STM32F41x 器件,温度传感器内部连接到通道 ADC1_IN16。
内部参考电压 VREFINT 连接到 ADC1_IN17。
● 对于 STM23F42x 和 STM32F43x 器件,温度传感器内部连接到与 VBAT 共用的通道ADC1_IN18。一次只能选择一个转换(温度传感器或 VBAT)。同时设置了温度传感器和 VBAT 转换时,将只进行 VBAT 转换。
内部参考电压 VREFINT 连接到 ADC1_IN17。
VBAT 通道连接到通道 ADC1_IN18。该通道也可转换为注入通道或规则通道。
注意:温度传感器、VREFINT 和 VBAT 通道只在主 ADC1 外设上可用。
单次转换模式
在单次转换模式下,ADC 执行一次转换。CONT 位为 0 时,可通过以下方式启动此模式:
● 将 ADC_CR2 寄存器中的 SWSTART 位置 1(仅适用于规则通道)
● 将 JSWSTART 位置 1(适用于注入通道)
● 外部触发(适用于规则通道或注入通道)
完成所选通道的转换之后:
● 如果转换了规则通道:
— 转换数据存储在 16 位 ADC_DR 寄存器中
— EOC(转换结束)标志置 1
— EOCIE 位置 1 时将产生中断
● 如果转换了注入通道:
— 转换数据存储在 16 位 ADC_JDR1 寄存器中
— JEOC(注入转换结束)标志置 1
— JEOCIE 位置 1 时将产生中断
然后,ADC 停止。
连续转换模式
在连续转换模式下,ADC 结束一个转换后立即启动一个新的转换。CONT 位为 1 时,可通过外部触发或将 ADC_CR2 寄存器中的 SWSTRT 位置 1 来启动此模式(仅适用于规则通道)。
每次转换之后:
● 如果转换了规则通道组:
— 上次转换的数据存储在 16 位 ADC_DR 寄存器中
— EOC(转换结束)标志置 1
— EOCIE 位置 1 时将产生中断
注意:无法连续转换注入通道。连续模式下唯一的例外情况是,注入通道配置为在规则通道之后自动转换(使用 JAUTO 位),请参见自动注入一节。
时序图
ADC 在开始精确转换之前需要一段稳定时间 tSTAB。ADC 开始转换并经过 15 个 时钟周期后,EOC 标志置 1,转换结果存放在 16 位 ADC 数据寄存器中。

模拟看门狗
如果 ADC 转换的模拟电压低于阈值下限或高于阈值上限,则 AWD 模拟看门狗状态位会置 1。这些阈值在 ADC_HTR 和 ADC_LTR 16 位寄存器的 12 个最低有效位中进行编程。可以 使用 ADC_CR1 寄存器中的 AWDIE 位使能中断。
阈值与 ADC_CR2 寄存器中的 ALIGN 位的所选对齐方式无关。在对齐之前,会将模拟电压 与阈值上限和下限进行比较。
下表介绍了应如何配置 ADC_CR1 寄存器才能在一个或多个通道上使能模拟看门狗。


扫描模式
此模式用于扫描一组模拟通道。
通过将 ADC_CR1 寄存器中的 SCAN 位置 1 来选择扫描模式。将此位置 1 后,ADC 会扫描 在 ADC_SQRx 寄存器(对于规则通道)或 ADC_JSQR 寄存器(对于注入通道)中选择的 所有通道。为组中的每个通道都执行一次转换。每次转换结束后,会自动转换该组中的下一个通道。如果将 CONT 位置 1,规则通道转换不会在组中最后一个所选通道处停止,而是再 次从第一个所选通道继续转换。
如果将 DMA 位置 1,则在每次规则通道转换之后,均使用直接存储器访问 (DMA) 控制器将 转换自规则通道组的数据(存储在 ADC_DR 寄存器中)传输到 SRAM。
在以下情况下,ADC_SR 寄存器中的 EOC 位置 1:
● 如果 EOCS 位清零,在每个规则组序列转换结束时
● 如果 EOCS 位置 1,在每个规则通道转换结束时
从注入通道转换的数据始终存储在 ADC_JDRx 寄存器中。
注入通道管理
触发注入
要使用触发注入,必须将 ADC_CR1 寄存器中的 JAUTO 位清零。
1.通过外部触发或将 ADC_CR2 寄存器中的 SWSTART 位置 1 来启动规则通道组转换。
2. 如果在规则通道组转换期间出现外部注入触发或者 JSWSTART 位置 1,则当前的转换 会复位,并且注入通道序列会切换为单次扫描模式。
3. 然后,规则通道组的规则转换会从上次中断的规则转换处恢复。
如果在注入转换期间出现规则事件,注入转换不会中断,但在注入序列结束时会执行规则序列。图 37 显示了相应的时序图。
注意:使用触发注入时,必须确保触发事件之间的间隔长于注入序列。例如,如果序列长度为 30 个 ADC 时钟周期(即,采样时间为 3 个时钟周期的两次转换),则触发事件的最小间隔不能 小于 31 个 ADC 时钟周期。
自动注入
如果将 JAUTO 位置 1,则注入组中的通道会在规则组通道之后自动转换。这可用于转换最 多由 20 个转换构成的序列,这些转换在 ADC_SQRx 和 ADC_JSQR 寄存器中编程。
在此模式下,必须禁止注入通道上的外部触发。
如果 CONT 位和 JAUTO 位均已置 1,则在转换规则通道之后会继续转换注入通道。
注意:不能同时使用自动注入和不连续采样模式。

不连续采样模式
规则组
可将 ADC_CR1 寄存器中的 DISCEN 位置 1 来使能此模式。该模式可用于转换含有 n (n 8) 个转换的短序列,该短序列是在 ADC_SQRx 寄存器中选择的转换序列的一部分。可通过写 入 ADC_CR1 寄存器中的 DISCNUM[2:0] 位来指定 n 的值。
出现外部触发时,将启动在 ADC_SQRx 寄存器中选择的接下来 n 个转换,直到序列中的所 有转换均完成为止。通过 ADC_SQR1 寄存器中的 L[3:0] 位定义总序列长度。
示例:
n = 3,要转换的通道 = 0、1、2、3、6、7、9、10
第 1 次触发:转换序列 0、1、2
第 2 次触发:转换序列 3、6、7
第 3 次触发:转换序列 9、10 并生成 EOC 事件
第 4 次触发:转换序列 0、1、2
注意:在不连续采样模式下转换规则组时,不会出现翻转。
转换完所有子组后,下一个触发信号将启动第一个子组的转换。在上述示例中,第 4 次触发 重新转换了第 1 个子组中的通道 0、1 和 2。
注入组
可将 ADC_CR1 寄存器中的 JDISCEN 位置 1 来使能此模式。在出现外部触发事件之后,可 使用该模式逐通道转换在 ADC_JSQR 寄存器中选择的序列。
出现外部触发时,将启动在 ADC_JSQR 寄存器中选择的下一个通道转换,直到序列中的所 有转换均完成为止。通过 ADC_JSQR 寄存器中的 JL[1:0] 位定义总序列长度。
示例:
n = 1,要转换的通道 = 1、2、3
第 1 次触发:转换通道 1 、2、3
第 2 次触发:转换通道 2
第 3 次触发:转换通道 3 并生成 EOC 和 JEOC 事件
第 4 次触发:通道 1
注意:转换完所有注入通道后,下一个触发信号将启动第一个注入通道的转换。在上述示例中,第 4 次触发重新转换了第 1 个注入通道。
不能同时使用自动注入和不连续采样模式。
不得同时为规则组和注入组设置不连续采样模式。只能针对一个组使能不连续采样模式。
数据对齐
ADC_CR2 寄存器中的 ALIGN 位用于选择转换后存储的数据的对齐方式。可选择左对齐和 右对齐两种方式,如图 38 和图 39 所示。
注入通道组的转换数据将减去 ADC_JOFRx 寄存器中写入的用户自定义偏移量,因此结果可 以是一个负值。SEXT 位表示扩展的符号值。
对于规则组中的通道,不会减去任何偏移量,因此只有十二个位有效。
特例:采用左对齐时,数据基于半字进行对齐,除了分辨率设置为 6 位时。分辨率设置为 6 位 时,数据基于字节进行对齐,如图 40 所示。

可独立设置各通道采样时间
ADC 会在数个 ADCCLK 周期内对输入电压进行采样,可使用 ADC_SMPR1 和 ADC_SMPR2 寄存器中的 SMP[2:0] 位修改周期数。每个通道均可以使用不同的采样时间进行采样。
总转换时间的计算公式如下:
Tconv = 采样时间 + 12 个周期
示例:
ADCCLK = 30 MHz 且采样时间 = 3 个周期时:
Tconv = 3 + 12 = 15 个周期 = 0.5 μs(APB2 为 60 MHz 时)
外部触发转换和触发极性
可以通过外部事件(例如,定时器捕获、EXTI 中断线)触发转换。如果 EXTEN[1:0] 控制位 (对于行规转换)或 JEXTEN[1:0] 位(对于注入转换)不等于“0b00”,则外部事件能够 以所选极性触发转换。表 50 提供了 EXTEN[1:0] 和 JEXTEN[1:0] 值与触发极性之间的对应 关系。



可通过将 ADC_CR2 寄存器中的 SWSTART(对于规则转换)或 JSWSTART(对于注入转 换)位置 1 来产生软件源触发事件。
可通过注入触发中断规则组转换。
注意:可以实时更改触发选择。不过,当更改触发选择时,会在 1 个 APB 时钟周期的时间范围内禁 止触发检测。这是为了避免在转换期间出现意外检测。
快速转换模式
可通过降低 ADC 分辨率来执行快速转换。RES 位用于选择数据寄存器中可用的位数。每种 分辨率的最小转换时间如下:
● 12 位:3 + 12 = 15 ADCCLK 周期
● 10 位:3 + 10 = 13 ADCCLK 周期
● 8 位:3 + 8 = 11 ADCCLK 周期
● 6 位:3 + 6 = 9 ADCCLK 周期
使用 DMA
由于规则通道组只有一个数据寄存器,因此,对于多个规则通道的转换,使用 DMA 非常有 帮助。这样可以避免丢失在下一次写入之前还未被读出的 ADC_DR 寄存器中的数据。
在使能 DMA 模式的情况下(ADC_CR2 寄存器中的 DMA 位置 1),每完成规则通道组中的 一个通道转换后,都会生成一个 DMA 请求。这样便可将转换的数据从 ADC_DR 寄存器传输 到用软件选择的目标位置。
尽管如此,如果数据丢失(溢出),则会将 ADC_SR 寄存器中的 OVR 位置 1 并生成一个中 断(如果 OVRIE 使能位已置 1)。随后会禁止 DMA 传输并且不再接受 DMA 请求。在这种 情况下,如果生成 DMA 请求,则会中止正在进行的规则转换并忽略之后的规则触发。随后 需要将所使用的 DMA 流中的 OVR 标志和 DMAEN 位清零,并重新初始化 DMA 和 ADC, 以将需要的转换通道数据传输到正确的存储器单元。只有这样,才能恢复转换并再次使能数据传输。注入通道转换不会受到溢出错误的影响。
在 DMA 模式下,当 OVR = 1 时,传送完最后一个有效数据后会阻止 DMA 请求,这意味着 传输到 RAM 的所有数据均被视为有效。
在最后一次 DMA 传输(DMA 控制器的 DMA_SxRTR 寄存器中配置的传输次数)结束时:
● 如果将 ADC_CR2 寄存器中的 DDS 位清零,则不会向 DMA 控制器发出新的 DMA 请求
(这可避免产生溢出错误)。不过,硬件不会将 DMA 位清零。必须将该位写入 0 然后
写入 1 才能启动新的传输。
● 如果将 DDS 位置 1,则可继续生成请求。从而允许在双缓冲区循环模式下配置 DMA。
要在使用 DMA 时将 ADC 从 OVR 状态中恢复,请按以下步骤操作:
1.重新初始化 DMA(调整目标地址和 NDTR 计数器)
2. 将 ADC_SR 寄存器中的 ADC OVR 位清零
3. 触发 ADC 以开始转换。
在不使用 DMA 的情况下管理转换序列
如果转换过程足够慢,则可使用软件来处理转换序列。在这种情况下,必须将 ADC_CR2 寄 存器中的 EOCS 位置 1,才能使 EOC 状态位在每次转换结束时置 1,而不仅是在序列结束 时置 1。当 EOCS = 1 时,会自动使能溢出检测。因此,每当转换结束时,EOC 都会置 1, ᅠ ᅠ
并且可以读取 ADC_DR 寄存器。溢出管理与使用 DMA 时的管理相同。
要在 EOCS 位置 1 时将 ADC 从 OVR 状态中恢复,请按以下步骤操作:
1.将 ADC_SR 寄存器中的 ADC OVR 位清零
2. 触发 ADC 以开始转换。
在不使用 DMA 和溢出检测的情况下进行转换
ADC 在转换一个或多个通道时不是每次都读取数据的情况下,这可能会很有用(例如,存在 模拟看门狗时)。为此,必须禁止 DMA (DMA = 0) 并且仅在序列结束 (EOCS = 0) 时才将 ᅠ ᅠ ᅠ ᅠ
EOC 位置 1。在此配置中,溢出检测已禁止。
史海拾趣
|
摘 要:随着科技的不断向前发展,汽车电子化程度也越来越高,半导体技术也随之崛起。本文详尽的描述了硅技术的进步,微控制器在汽车应用上的发展以及硅产品在汽车网络所发挥的巨大潜力。最后作者希望汽车制造商和半导体生产商能够密切合作为 ...… 查看全部问答> |
|
湘潭钢铁集团公司(以下简称湘钢)煤气调度系统在改造前使用的都是 型淘汰仪表,截至改造前安装的 /0 块仪表因!电缆等原因已全部瘫痪。“六五”以来湘钢经过几次大的改造煤气用户大量增加,煤气测量点由原来的 12 多点已增至近/22 点,显然现有的煤 ...… 查看全部问答> |
|
最近买了个usb接口键盘,老是要重插才能用,按照网上所说把设备管理-》usb room hub-》电源管理-》允许计算机关闭设别以节约电源停掉了。好像也不是qq冲突问题,在qq目录中找不到网上所说的的那两个文件。如果我把液晶显示其关掉,让机器开着, ...… 查看全部问答> |
|
sysAuxClkRateSet(int rate)函数中,rate只能设成(2,4,8,16,32,64,128,..,1024等等),我想精确定时到1ms或5ms、10ms该怎么办,或者有其它方法吗,请大家帮忙!… 查看全部问答> |
|
大家好。本人对于UCOS还是新手。想找UCOS的系统移植到C51上,遇到一些问题。希望大家来帮忙解决一下。 (在网上下载了一个移植实例有些看不太明白) 问题一:实例代码如下 ;定义重定位段 ...… 查看全部问答> |
|
近日小弟准备用两组MC3486/MC3487实现数据通讯,但不知道MC3486/3487该怎么使用,接口电路怎么画?是否需要进行阻抗匹配?是否需要光藕隔离? 还望各位大哥小弟们赐教.谢谢~~~~~… 查看全部问答> |




