历史上的今天
今天是:2024年12月20日(星期五)
2021年12月20日 | 基于模型的设计有助于促进BMS嵌入式软件开发
2021-12-20 来源:EEWORLD

由于电池的非线性特性和内部环境评估,估算电池荷电状态(SoC)既困难又复杂。神经网络和恩智浦的基于模型的设计工具箱(MBDT)有助于简化估算电池SoC算法的开发。
现代电池管理系统(BMS)确保电池组在电动汽车、电源、智能手机、MP3播放器和大多数电池驱动设备的各种解决方案中安全高效地运行。计算电池的荷电状态(SoC)是现代电池管理系统最关键的一个功能,该系统评估电池荷电状态,就像手机中显示的电池百分比一样。准确估算SoC可保护电池,防止放电/过充电并提高其寿命;它还允许解决方案执行节能控制策略。
传统上,工程师需要建立一个非常精确的电池模型才能得到合理的估算,但这往往很难描述。这个问题促使人们寻找一种替代方案,人工智能在其中发挥了作用。电池电源管理开发人员开始使用自适应系统,如神经网络(相当简单的网络),来创建电池的数据驱动模型,并评估电压、电流和环境温度的历史记录,使用这些模型来获得非常准确的SoC估算。
基于模型的救援
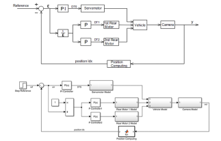
估算电池SoC具有挑战性和复杂性,因为电池配置是非线性的(很难正确建模),而且内部环境很难评估(类比实验室条件和现实世界条件),因此增加了电池的不稳定性。基于模型的算法是目前估算锂离子电池SoC研究最多的技术。工程师们在基于模型的研究中发现,设计和部署稳健解决方案的范式发生了变化。基于模型的设计(MBD)意味着将实现特定功能的图形元素放在一起,以设计应用。使用MBD构建解决方案相对简单,应用逻辑图被转录到基于模型的软件环境中,可实现控制算法。

在基于模型的软件环境(MathWorks®提供的Simulink®)上,通过摄像头输入及其转换算法控制汽车的示例图
在这些MBD环境中开发应用有助于实现以下功能:
模拟:在与硬件交互之前验证算法可以节省时间和金钱
自动生成代码:避免许多手写代码问题,同时提高设计稳定性/误差稳健性
重用:一旦模型准备就绪并经过彻底测试,就可以在任何其他模型中重用该功能
聚焦应用本身:查看表示应用(算法、逻辑…)的图表,而不是研究大量代码行,搜索嵌入的注释以理解其含义——不纠缠于次要细节,而是以应用/模型为中心
使用MBD观点有助于弥补现代应用日益增加的复杂性。它还利用了嵌入式设计开发中常用的软件抽象层(硬件优化的设备驱动程序,加上实现特定功能的中间件和库),同时增强了驱动程序的代码优化和可重用性。
典型的开发工作流程是编写(C代码)应用算法,并将其与特定硬件函数调用集成,与之相比,代码是在MBD开发中从模型自动生成的。此外,它还可以与必要的硬件专用软件配合使用,将编程转换为模块参数配置。

MATLAB和基于模型的设计工具箱
此外,我们提供 S32 Design Studio IDE,在该IDE中,通过构建、调试和配置嵌入式工具执行编程(允许以图形化方式设置和初始化设计中使用的驱动程序、中间件和库)。除了经典的调试器选项外,我们还提供FreeMASTER,这是恩智浦的数据可视化工具,支持实时应用调试,可验证系统行为是否具有强制性能。FreeMASTER的功能包括写入和读取变量、内存位置以及监控嵌入式目标上的所需信号等选项。
模型在环(MiL)
MBD应用可以在Simulink生态体系中使用其模拟功能进行验证,而测试和验证可以从需求定义阶段开始执行,也可以设计和模拟简单的模型来验证算法的高级行为。之后,人们可以在更详细的水平上对设计的某些功能和子系统进行独立建模、测试和模拟;还可以显示和分析结果——所有这些都可以在支持PC的环境中检查此想法的可行性。
软件在环(SiL)
在模拟结果满足所施加的系统行为后,可以在主机PC上生成和执行代码,进行设计。SiL提供了将实现的逻辑转录成代码的想法,应用在目标系统上运行之前,为代码优化和效率改进创建背景。
处理器在环(PiL)
应用的各种模型或部分部件可以直接在目标上进行测试。PiL提供与所选硬件运行开发的应用逻辑的能力相关的信息。工程师可以比较在所有这些阶段获得的结果,支持在每个开发阶段测试设计。
MCU最终应用
MBDT简化了从先前测试和验证的模块构建应用,并将其部署为最终解决方案。工程师可在任何阶段使用MBDT来利用其功能:数学函数模拟、代码生成和MCU驱动器配置与控制。

MATLAB和基于模型的设计工具箱
除了强大的MBDT功能和特性,我们的MBDT团队还提供了一个广泛的在线工程支持网络社区,其中包含代码示例、论坛答案、快速入门指南、101个教程和更多资源,用于开始设计、验证和部署嵌入式应用:MBDT网络社区。他们还开发了一系列在线研讨会,从初级到高级,展示电机控制 (指导如何从头开始构建PMSM或BLDC应用程序,逐步完成开发过程)或电池管理系统应用(包括使用MathWorks将基于深度学习的荷电状态估算算法部署到NXP S32K3 MCU培训中)
使用基于模型的设计工具箱(MBDT)可以简化电池荷电状态(SoC)估算算法的开发,有助于电池管理系统(BMS)的嵌入式软件开发。MBDT利用软件抽象层从SoC算法模型自动生成代码,轻松地将编程转换为模块参数配置。

电动汽车锂离子电池荷电状态(SoC)估算的当前趋势

各种电流模式下基于模型的电荷状态估算算法
作者:

Irina Costachescu和Razvan Chivu
恩智浦半导体基于模型的设计工具箱(MBDT)团队
Irina是基于模型的设计工具箱(MBDT)团队的软件工程师。Irina参与了从框架设计到外设支持等所有MBDT开发阶段。Irina还为MBDT创设了相关的网络研讨会、视频和培训课程。Irina拥有罗马尼亚布加勒斯特理工大学自动控制和系统工程学士学位和复杂系统硕士学位。
Razvan一直在半导体行业工作,其工作重点是汽车工具。他目前是罗马尼亚布加勒斯特基于模型的设计工具箱(MBDT)团队的工程经理。Razvan拥有布加勒斯特理工大学的计算机科学学士学位和工程硕士学位。
史海拾趣
|
本帖最后由 paulhyde 于 2014-9-15 09:47 编辑 关于2008年电子设计竞赛有关问题的通知 发表日期:2008年8月8日 山东省 “2008‘ZLG杯’山东省大学生电子设计竞赛”日期为:2008年9月12日(周五)8时至9月15日(周一)20时。竞赛题目由 ...… 查看全部问答> |
|
市场上有S3C,TI,Freescale等不同品牌的产品,但是那一款比较适合做消费电子产品,下面我给大家做个分析。S3C的开发板产品价格相对较低,受到很多高校的钟爱,但是,要知道作为工程师必须使用和了解高端的产品,像这种给高校用来做基础教育的产品 ...… 查看全部问答> |
|
书上说: RS232接口:是数据传送设备与传输线之间的物理接口。计算机通过RS232接口与调制解调器连接,调制解调器与网络连接。 网卡:用来连接网络传输介质,控制信息的收发。 (1)我的理解是: 计算机通过RS232接 ...… 查看全部问答> |
|
交通灯控制系统 设计内容及要求: 通过汇编程序通过8255A控制交通灯的状态,通过8259A控制紧急情况下交通灯的状态,具体要求如下: 1、初始状态0为东西红灯,南北红灯。 2、然后转状态1南北绿灯通车,东西红灯。 3、过一段时间转状态2,南北 ...… 查看全部问答> |
|
小弟,有个问题,就是使用JATG在线调试程序的时候,如果目标板卡上有高速的数据流进行接受,比如串口115200拨特率时候,如果在开发环境中,经常的使用刷新功能,会不会影响数据的正常的接受哪?串口数据通过中断接受! ...… 查看全部问答> |
|
在2440\\src\\inc\\oemaddrtab_cfg.inc里面,有一个g_oalAddressTable,定义的是系统虚拟地址的使用分配,那么在config.bib里面,我们定义的虚拟地址所占用的地址段跟这个表的会不会冲突?如果不会冲突,那么该怎么理解这两个虚拟地址之间的相互覆盖和交 ...… 查看全部问答> |
|
我的两根线是一样的,今天随便拿出一根接到51单片机学习板上发现数码管显示不正常,换一根后又显示正常了,猜想这两根线不一样,不知道有什么区别,希望高手指点指点,我是初学者! 谢谢了… 查看全部问答> |




