历史上的今天
今天是:2024年12月27日(星期五)
2021年12月27日 | 解密RF信号链—第2部分:基本构建模块
2021-12-27 来源:EEWORLD
RF Signal Chain Discourse—Part 2: Essential Building Blocks
解密RF信号链—第2部分:基本构建模块
分立式和集成式组件是构成各个应用领域的RF信号链的基础功能性构建模块。在本系列文章的第一部分,我们讨论了用于表征系统的主要特性和性能指标。然而,为了达到期望的性能,RF系统工程师还必须对各类RF器件有充分的了解,RF器件的选择将决定最终应用中完整RF信号链的整体性能。
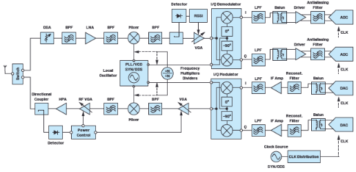
第2部分将概述典型RF信号链中使用的不同器件的主要类型,如图1所示。我们的讨论将限于最常见的RF集成电路(IC),并依赖于与系统级信号链定义相关的分类标准。该评估包括RF放大器、频率产生IC、倍频器和分频器、混频器、滤波器和开关,以及衰减器和检波器。本文可以作为RF系统设计人员为目标应用选择合适构建模块的指南。

图1.一个通用RF信号链
RF放大器
放大器的主要功能是提高输入信号的功率水平以在输出端产生更大的信号。任何RF放大器的主要特性就是其增益,它描述了输出功率与输入功率之比。然而,最优放大器设计总是其增益、噪声、带宽、效率、线性度和其他性能参数的权衡结果。将这些特性作为主要分类标准,我们可以区分各种类型的放大器,从而为具体应用场景提供优化的性能。
低噪声放大器(LNA)经过优化,旨在提高低功率信号的电平而不引入显著的噪声。良好LNA在亚GHz范围内的噪声系数(NF)可以小于1 dB,在较高频率下为几个dB。信号链的整体噪声系数由前几级主导,因此LNA常常用在接收器的前端以使其灵敏度最大化。相反,功率放大器(PA)通常用于发射信号链的输出级。其针对功率处理进行了优化,以高效率提供高输出功率,同时保持低发热量。
高IP3或高线性度放大器具有与PA相似的特性,提供高动态范围性能。然而,这种类型的放大器针对线性度进行了优化,在使用高峰均功率比的信号的应用中优于PA。例如,在依赖矢量调制信号的通信系统中,高线性度放大器可以使失真最小化,这对于实现低误码率至关重要。
可变增益放大器(VGA)也是针对高动态范围应用,但能支持宽范围的信号电平。VGA通过增益调节来控制发射信号幅度或调整接收信号幅度,从而适应信号变化。如果数据总线可提供控制参数,并且逐步增益调整对于应用不那么重要,那么应选择数字控制VGA。当没有数字控制数据可用或应用不能容忍阶跃干扰时,模拟控制VGA是首选解决方案。VGA常常用于自动增益控制(AGC),或用于补偿其他元器件的温度或特性变化所导致的增益漂移。
如果LNA、PA、VGA和其他类型的RF放大器设计为在宽频率范围(高达数个倍频程)内工作,那么这些放大器也可以归类为宽带放大器。此类放大器提供宽带放大和中等增益,常常用于宽带应用中主信号路径的前端级。宽带放大器常常依赖于分布式放大器电路设计,并提供大增益带宽积,但通常要付出效率和噪声方面的代价。
有些RF放大器也属于一般类别的驱动放大器(或者就是驱动器)。驱动器是用于控制信号链中的另一器件(如第二放大器、混频器、转换器或其他元件)的放大器。驱动放大器的主要功能是调节某些工作参数,以确保相连器件拥有最佳工作条件。驱动放大器不一定要设计为驱动特定器件,但如果其用途是完成某种驱动功能,则任何RF放大器都可以被视为驱动器。类似地,我们还有一般类别的缓冲放大器(或者就是缓冲器),其用于防止信号源受负载影响。例如,缓冲放大器常用于将本振与负载隔离,以使负载阻抗变化对振荡器性能的不利影响最小化。
考虑经典的超外差架构,在宽泛的RF放大器中,我们还可以区分出本振(LO)放大器和中频(IF)放大器。这些放大器的主要区别是其在信号链中的功能目的。LO放大器用于LO路径,以确保混频器(通常被称为LO驱动器或LO缓冲器)具有所需的LO驱动电平,而IF放大器则设计为较低频率工作,因而是信号链中频级的首选解决方案。
增益模块是另一种一般类型的放大器,可用于RF、IF或LO信号路径,能够提供良好的增益平坦度和回波损耗。其设计常常包含内部匹配和偏置电路,因而只需极少的外部元件便可集成到信号链中,集成工作得以简化。增益模块放大器可以满足一般用途和特殊用途需要,覆盖各种频率、带宽、增益和输出功率水平。
RF放大器的多样性当然不限于本文中讨论的那些。基于放大器特性,我们还有许多其他类型的RF放大器,其提供不同的性能特征组合,这里仅举几个例子:限幅放大器在宽输入功率范围内提供稳定的压缩输出功率,低相位噪声放大器针对高信号完整性应用进行了优化,对数放大器本质上就是实现RF检波功能的RF-DC转换器(参见“RF检波器”部分)。表1总结了我们所讨论的主要放大器类型。
表1.RF放大器的一些主要类型总结

RF放大器还可以基于其他标准进行分类,例如特性、工作模式(放大器类别)、装配或工艺技术,其完整分类超出了本文的范围。但是,本节从RF信号链架构定义出发,讨论了行业中采用的一些最常见类型的RF放大器。
频率产生IC
频率产生器件可以服务于RF信号链中的各种不同功能,包括频率转换、波形合成、信号调制和时钟信号产生。根据IC的目标使用场景,有一些性能指标决定了其选择,包括输出频率范围、频谱纯度、稳定性和调谐速度。针对不同使用场景,有广泛的频率产生器件可供选择,其中包括电压控制振荡器(VCO)、锁相环(PLL)、集成频率合成器、转换环路和直接数字频率合成(DDS) IC。
电压控制振荡器(VCO)产生输出信号,其频率由外部输入电压控制。VCO的内核可以是基于不同类型的谐振器。使用高质量谐振器的单核VCO可在有限频率范围内提供低相位噪声性能,而较低质量的振荡器以宽带操作为目标,噪声特性很一般。使用多个切换式高质量谐振器电路的多频段VCO是一种替代解决方案,既支持宽带操作,又能提供低相位噪声性能,但其代价是调谐速度较慢,因为切换不同的核需要时间。VCO通常与锁相环配合使用。
锁相环(PLL)或PLL频率合成器可确保许多频率合成和时钟恢复应用所需的VCO输出频率稳定。如图2a所示,PLL包含鉴相器,其将VCO频率的N分频与参考频率进行比较,并使用该差值输出信号调节施加于VCO调谐线路的DC控制电压。这使得任何频率漂移都能得到即时校正,因而振荡器能够保持稳定操作。典型的PLL IC包含误差检测器——带电荷泵的鉴频鉴相器(PFD)——和反馈分频器(参见图2a中的虚线区域),另外还需要外部环路滤波器、参考频率和VCO以构成一个完整的反馈系统,从而产生稳定的频率。使用集成VCO的频率合成器IC可以大大简化该系统的实现1。
集成VCO的频率合成器将PLL和VCO组合在单个封装中,只需要外部参考和环路滤波器就能实现所需的功能。集成式PLL频率合成器是一种多功能解决方案,具有广泛的数字控制设置,支持产生精确频率。它常常包含集成功率分路器、倍频器、分频器和跟踪滤波器,频率覆盖范围超越了VCO的基频范围,达到数个倍频程。所有这些元件的内在参数决定了输出频率范围、相位噪声、抖动、锁定时间和其他表示频率合成电路总体性能的特性。
转换环路是基于PLL概念的另一类频率合成器,但采用不同的方法实现。如图2b所示,其反馈环路中使用的是集成下变频混频级,而不是N分频器,环路增益设置为1,带内相位噪声极小。转换环路IC(参见图2b中的虚线区域)专为对抖动高度敏感的应用而设计,并与外部PFD和LO组合使用,以紧凑的尺寸实现完整的频率合成解决方案,提供仪表级性能。
直接数字频率合成(DDS) IC是集成PLL频率合成器的替代方案,采用不同的原理实现。基本DDS架构的原理图如图2c所示。它是一种数字控制系统,包括表示时钟信号的高精度参考频率、创建目标波形数字版本的数字控制振荡器(NCO)以及提供最终模拟输出的数模转换器(DAC)。DDS IC提供快速跳频、精细的频率和相位分辨率以及低输出失真,因此特别适合于出色噪声性能和高频率捷变性至关重要的应用2。

图2.(a) 锁相环、(b) 转换环路、(c) 直接数字频率合成器的简化框图
频率产生器件广泛用于对性能有不同要求的应用。例如,通信系统需要低带内噪声以维持低误差矢量幅度(EVM),频谱分析仪依赖于具有快速锁定时间的本振来实现快速频率扫描,高速转换器需要低抖动时钟以确保高SNR性能。
倍频器
当基频振荡器不能覆盖所需频率范围时,使用倍频器可以产生更高的频率。这些器件利用其元件的非线性特性来产生输出信号,其频率是输入信号的谐波。根据目标输出谐波的阶数,我们可以区分出二倍频器、三倍频器和四倍频器,以及更高阶的倍频器。
用于实现频率倍增的非线性元件有不同类型,因而我们可以区分出依赖于二极管电路的无源倍频器和使用晶体管的有源倍频器。有源倍频器需要外部直流偏置,但相对于无源器件,它有若干明显优势,包括转换增益、较低的输入驱动电平和更好的基波与杂散频率抑制。
倍频器IC常常与VCO一起广泛用于PLL频率合成器设计中或作为本振信号路径的一部分,提供简单且廉价的频率倍增解决方案。然而,所有类型的倍频器都存在一个相同的缺点:相位噪声性能会随着倍频系数N而恶化至少20log(N) dB。例如,二倍频器会使相位噪声水平增加至少6 dB,这在高速转换器时钟和其他对相位噪声与抖动敏感的应用中可能很严重3。
分频器和预分频器
分频器将较高输入频率变为较低输出频率。如今,大部分此类器件是使用二进制计数器或移位寄存器实现的数字电路。它们广泛包含于时钟分配电路和PLL频率合成器设计中,应用众多。分频器可以有固定的分频比(这种分频器也称为预分频器)或可编程的分频比。将频率N分频可以使输出信号的相位噪声改善20log(N) dB。然而,这种改善受分频器本身的加性相位噪声(源于其有源电路且会增加到其输出端)限制。良好的分频器具有低加性相位噪声和低谐波成分,这些都是其关键特性。
RF混频器
基本形式的RF混频器是一个3端口器件,使用非线性或时变元件产生一个包含两个输入信号的
和频率与差频率的输出信号。RF混频器可以一般地区分为无源混频器和有源混频器。无源混频器使用二极管元件,或将FET晶体管用作开关,而有源混频器依赖于晶体管电路来实现变频。无源混频器可以提供宽带宽和高线性度性能,不需要外部直流偏置,而且噪声系数一般优于有源混频器。但是,无源混频器存在转换损耗,并且需要高LO输入功率,而有源混频器能提供增益,所需的LO驱动电平要低得多。实现下变频器或上变频器的替代设计可以将无源混频器核和有源电路结合以提供转换增益,而不会损害NF和线性度4。
混频器IC有很多不同设计,最基本的是单端(或不平衡)。基于二极管的单端混频器的概念拓扑如图3a所示。单端混频器仅使用一个非线性元件来实现频率转换,这种解决方案很简单,但性能有限,因为端口和高杂散之间的隔离很差。平衡式混频器设计利用其电路的对称性来克服上述限制。根据对称程度,平衡式混频器可以分为单平衡、双平衡和三平衡混频器。单平衡混频器(参见图3b)由两个以90°或180°混合方式结合的不平衡混频器组成。此类混频器提供高LO-RF隔离,可抑制RF或LO信号以及输出端的偶数次LO谐波。使用各类双平衡混频器可以进一步改善性能。图3c显示了一个常见例子,其四环配置使用了四个肖特基二极管,RF和LO端口均放置有混合元件。双平衡混频器提供高整体性能和良好的端口间隔离,能够抑制RF和LO频率以及所有偶数次RF和LO谐波,因而是广泛使用的一类RF混频器IC5。三平衡混频器可以实现更高的隔离度和线性度。此类混频器将两个双平衡设计组合起来,形成更高程度的对称性以优化变频过程,但代价是电路复杂度显著提高。

图3.(a) 单端、(b) 单平衡、(c) 双平衡和 (d) 镜像抑制混频器的概念拓扑
同相正交(I/Q)混频器是单独的一类平衡设计。I/Q混频器利用相位抵消来消除干扰镜像信号,而无需外部滤波。普通I/Q混频器在下变频模式(参见图3d)下通常可以用作镜像抑制混频器(IRM),在上变频模式下可以用作单边带(SSB)混频器。集成缓冲器和驱动放大器的I/Q混频器仅针对两种工作模式中的一种而设计,因而可以将其区分为I/Q下变频器和I/Q上变频器。这些混频器与另一类频率转换IC密切相关,称为I/Q调制器和I/Q解调器。I/Q调制器和I/Q解调器提供一个配合数据转换器使用的高阻抗差分基带接口,因而非常适合于直接变频收发器应用。具体而言,它们构成了现代高集成度RF收发器IC的核心6。
我们还要简要提及的一类常见混频器是次谐波混频器。它采用次谐波泵本振,为使用较低LO频率而无外部倍频器的高频RF设计提供一种简单的解决方案。
还有许多其他类型的RF混频器实现依赖于有源和无源技术。RF混频器IC可以使用复杂的架构,其在一个封装中集成各种元件,包括PLL/VCO、放大器、倍频器、衰减器和检波器,并提供数字接口以控制其功能。
RF滤波器
RF滤波器IC几乎在每种RF应用中都有使用,它能在频谱(通常还包括非线性信号链内产生的干扰杂散成分和源自外部的带外信号)中选择所需的频率。因此,这种滤波器的关键功能是为目标通带频率提供最小衰减,并为阻带频率提供最大衰减以抑制不需要的信号。图4显示了常见类型的滤波器频率响应,包括低通滤波器(LPF)、高通滤波器(HPF)、带通滤波器(BPF)和阻带滤波器(如果阻带较窄,也称为陷波滤波器)。
大多数RF应用需要跨多个频段滤波,这可以利用开关式滤波器库实现。此类解决方案在一个模块中包含开关和固定带宽滤波器,可以在阻带抑制、线性动态范围和切换速度方面提供出色的性能。然而,传统开关式滤波器库的频段选择能力有限,而且通常很大且昂贵。具有连续模拟或数字调谐功能的紧凑型可调滤波器IC克服了这些限制,对于许多应用中的多频段操作,它是开关式固定滤波器库的有吸引力的替代方案。模拟可调滤波器提供电压控制来调整中心和/或截止频率,而数字可调滤波器的期望特性可以通过数字控制接口来配置。可调谐滤波器可以提供优异的通带特性、良好的阻带抑制、宽调谐范围和快速建立时间,满足当今广泛RF应用的苛刻要求。

图4.滤波器频率响应:(a) 低通滤波器,(b) 高通滤波器,(c) 带通滤波器,(d) 带阻滤波器
RF开关
RF开关是用于路由高频信号通过信号链的控制器件。其关键功能可以利用不同类型的开关元件实现,包括PIN二极管、FET晶体管或微机械悬臂梁。根据开关元件的布置方式,开关设计可以有不同数量的“刀”(由开关控制的单独电路)和“掷”(开关可以为每个“刀”使用的单独输出路径)。单刀n掷(SPnT)开关将信号从一个输入路由到n个输出。例如,单刀单掷(SPST)开关将一个输入连接到一个输出,提供简单的开关功能;单刀双掷(SPDT)开关将一个输入连接到两个输出(参见图5a);单刀四掷(SP4T)开关将输入信号路由到四个输出路径(参见图5b)。RF开关还可以有多个“刀”,此类开关称为转换开关(参见图5c)。最常见的例子是双刀双掷(DPDT)配置,其具有两个单独的电路,这些电路可以连接到两个输出路径中的一个。
RF开关设计可以有更复杂的拓扑结构,其将多个较低阶的开关组合在一起。此类IC称为开关矩阵或交叉点开关,可在多个输入和多个输出之间提供灵活的RF信号路由。

图5.RF开关示例:(a) 吸收式SPDT、(b) 反射式SP4T和 (c) 控制转换开关及真值表示例。
(注意:RFC = RF公共端口,CTRL = 控制电压端口)。
无论开关配置如何,我们都可以区分出反射式开关和吸收式开关(也称为非反射式或端接开关)。其主要区别在于,吸收式开关包含一个匹配负载,用于端接关断状态下的输出端口,以使电压驻波比(VSWR)最小(参见图5a)。此特性使得吸收式开关在两种开关模式下均能保持良好的回波损耗,这是反射式开关所不能提供的。然而,与反射式开关相比,吸收式开关的这个优点的代价是功率处理能力较低且电路复杂性较高。
RF开关IC可以采用多种不同技术实现,包括硅基半导体CMOS和SOI、化合物半导体GaAs和GaN以及微机电系统(MEMS)7,8。每种技术在频率范围、功率处理能力、隔离、插入损耗、开关速度、建立时间等关键性能规格方面都有自己的优缺点。例如,GaAs的高温性能更优越,GaN广泛用于高功率应用,硅基工艺在建立时间、集成能力、低频特性和高ESD鲁棒性等方面胜出7。替代性MEMS技术在很小的芯片级封装中提供微机械继电器,独特地支持直流精度性能,具有高线性度和功率,而开关速度、有限周期寿命和热切换限值方面较差。
RF衰减器
RF衰减器可降低RF信号的强度,实现与放大器相反的功能。它是用于调整信号链中的增益和平衡信号电平的控制器件。RF衰减器IC通常是吸收式(传输型)器件。我们可以一般地区分出固定衰减器(具有不变的衰减水平)和可变衰减器(支持调整衰减水平)。具有一组离散衰减水平的可变衰减器IC称为数字步进衰减器(DSA),其通常用于信号粗略校准,受预定衰减步长的限制。电压可变衰减器(VVAS)用于控制精细信号。与DSA相反,VVA支持连续调整衰减水平,可以将其设置为给定范围内的任何值。所有类型的RF衰减器在工作频率范围内都应以良好的VSWR提供平坦的衰减性能,而DSA还必须确保无故障操作以减少状态转换期间的信号失真7。
RF检波器
基本形式的集成式RF检波器是一个2端口器件,提供与施加于输入端的RF信号功率成比例的输出电压信号。与基于二极管的分立检波器实现相反,集成式RF检波器提供多种开箱即用的优势,包括宽温度范围内的稳定输出电压、更容易的器件校准和用于与ADC直接接口的缓冲输出9。最常见RF检波器IC是各类需要测量RF信号功率幅度的应用中使用的标量检波器。标量检波器的主要类型包括RMS功率检波器、对数检波器和包络检波器。
RMS功率检波器提供施加于RF输入的实际信号功率的精确rms表示。有线性响应rms检波器,其rms输出是线性响应的直流电压,还有线性dB响应的对数rms检波器,实际RF输入功率每改变1 dB,其输出电压也改变相同的量。这两类rms检波器非常适合不需要快速响应时间的应用,测量复数调制信号(其高波峰因数随时间而变化)的波形无关功率。它们通常用于平均功率监测、发射信号强度指示(TSSI)、接收信号强度指示(RSSI)和自动增益控制(AGC)。
对数检波器(也称为对数放大器)将输入RF信号转换为精确的对数线性直流输出电压。对数检波器提供非常高的动态工作范围。这是利用连续压缩方法实现的,依赖于一系列耦合到检波器的级联限幅放大器,其输出在级联拓扑结构的输出级加总。随着输入功率增加,连续放大器逐渐进入饱和,从而生成对数函数近似值。对数检波器非常适合于高动态范围应用,包括RSSI和RF输入保护。
连续检波对数视频放大器(SDLVA)是一种特殊类型的对数检波器,提供平坦的频率响应和优越的上升/下降与延迟时间,因而是要求超高速性能的应用(包括瞬时频率测量、方向查找接收器和电子智能应用)的首选解决方案。
包络检波器(也称为峰值检波器或AM检波器)提供与RF输入信号的瞬时幅度成比例的基带输出电压。包络检波器IC通常利用快速切换肖特基二极管实现,因而是需要非常快速响应时间的较低动态范围应用的理想解决方案。包络检波器的典型应用包括PA偏置控制中的效率增强包络跟踪、PA线性化、快速过大RF功率保护、高分辨率脉冲检测和I/Q调制器的LO泄漏校正。
除了标量检波器外,还有一种称为矢量功率测量IC的集成检波器。它们提供超出标量功率测量功能的扩展能力10 。矢量功率测量检波器可以测量信号的多个参数,包括幅度、相位和沿着传输路径的行进方向(前向或反向)。 在无线发射器中的天线调谐、模块化系统中的内置测试和材料分析等应用中,此类器件是在线测量散射参数的理想解决方案。
结论
在RF信号链系列的第二部分中,我们讨论了代表典型RF信号链的基本构建模块的一些主要RF IC,并进行了分类。但是,在此概述中,我们仅触及了各种类型和形式的RF器件的皮毛。越来越复杂的RF系统需要更完整的信号链解决方案,这导致了将多个功能模块整合在同一封装中或一个芯片上的众多IC设计的发展。这些器件可以集成混频器、PLL、VCO、放大器、检波器和其他器件,以紧凑的外形尺寸提供高度先进的功能,并提供更简单的设计、更低的功耗、更低的成本和更短的开发周期。
ADI公司提供业界最广泛的RF集成电路产品组合,涵盖从DC到超出100 GHz的完整频谱,适合信号链中的几乎所有功能模块11 。ADI公司广泛的产品矩阵覆盖放大器、混频器、滤波器和其他标准IC器件,一直到混合信号模拟前端和系统化封装(SIP)解决方案——它们是经过全面测试和验证的完整子系统。 ADI产品提供一流的性能,可满足广泛RF应用——从通信和工业系统一直到测试测量设备和航空航天系统——的最苛刻要求。为了支持RF工程师开发这些应用,ADI公司不仅提供RF IC,还提供一个完整的生态系统,包括设计工具、快速原型平台、Circuits from the Lab®参考设计、EngineerZone®技术论坛和一流的技术支持。
参考资料
1Ian Collins和David Mailloux。“频率合成技术的变革和发展:PLL/VCO技术如何提升性能、减小尺寸并简化设计周期”。ADI公司,2020年1月。
2Jim Surber和Leo McHugh。“单芯片直接数字频率合成与模拟PLL”。《模拟对话》,第30卷第3期,1996年7月。
3Hittite Microwave Corp. “简化频率合成器的有源倍频器和分频器”。Microwave Journal,2002年11月。
4Thomas Schiltz、Bill Beckwith、Dong Wang和Doug Stuetzle。“在下变频器应用中无源混频器相比于有源混频器可提高增益并降低噪声”。ADI公司,2010年10月。
5David M. Pozar。Microwave Engineering(微波工程),第4版,Wiley,2011年。
6Abhishek Kapoor和Assaf Toledano。“混频器面貌之变迁”。ADI公司,2016年9月。
7Bilge Bayrakci。“采用硅技术的射频和微波控制产品”。ADI公司,2016年3月。
8Eric Carty、Padraig Fitzgerald和Padraig McDaid。“ADI公司的革命性MEMS开关技术基本原理”。ADI公司,2016年11月。
9Eamon Nash。“理解、操作基于二极管的集成式RF检波器并与之接口”。ADI公司,2015年11月。
10Eamon Nash和Eberhard Brunner。“带两个RMS检波器的集成双向桥,用于测量RF功率和回波损耗”。《模拟对话》,第52卷第2期,2018年5月。
11“2020年RF、微波和毫米波产品选型指南”。ADI公司,2020年8月。
作者简介
Anton Patyuchenko于2007年获得慕尼黑技术大学微波工程硕士学位。毕业之后,Anton曾在德国航空航天中心(DLR)担任科学家。他于2015年加入ADI公司担任现场应用工程师,目前为ADI公司战略与重点客户提供现场应用支持,主要负责RF应用。联系方式:anton.patyuchenko@analog.com。
史海拾趣
|
功能:把键盘输入的数据存入显示缓存区 displaybuf ,然后显示缓存区的内容, 调试的结果不对,显示很乱~ 不知道什么原因? #include #define uchar unsigned char #define uint unsigned int sbit ledk=P2^5; //锁存口 sbit d ...… 查看全部问答> |
|
WinCE系统下如何识别 以太网网口的状态---即有没有与其他电脑相连接 WinCE系统下如何识别 U盘的状态----是否有U盘插到usb host口上 WinCE系统下如何识别 USB电缆的状态----是否有USB电缆连接到USB device上… 查看全部问答> |
|
我在www.pudn.com下载的AT91RM9200(DKEK)VxWorksBSP.RAR,但下载下来才知道只是一份开发者指南,不是源码。我现在准备上AT91RM9200,也准备买一块评估板,但都没有VxWorks的BSP,大家能送我一份吗?我们可以交换源码的。 谢谢! … 查看全部问答> |
|
1 单点 接地,为许多在一起的电路提供公共电位参考点,由于只有一点接地,所以构成不了地回路的问题,因此就几乎不存在干扰的问 题,在通信速率低于1000KHZ时,选用一点接地效果比较好。 2 ...… 查看全部问答> |




