历史上的今天
今天是:2026年02月01日(星期日)
2023年02月01日 | 通过嵌入式Linux和S3C2440处理器实现无线监控报警系统的设计
2023-02-01 来源:elecfans
随着计算机网络技术、移动通信技术、多媒体技术的快速发展,无线监控系统以其便捷、实用、安装方便等优点被广泛应用于军事、工业、农业等场合,更走进了人们的日常生活,给人们的生活带来了便捷的信息化服务。文中设计实现了一种基于ARM9的室内无线监控报警系统,实现了室内环境信息监控、智能家居控制、图像信息采集存储及与用户实时远程信息交互的功能,并可在紧急情况下报警。在智能楼宇、智能家居、农业大棚、养殖等领域有广泛的应用和发展前景。
1、 硬件设计
1.1 系统总体架构
无线监控报警系统以ARM9为核心,主要实现室内环境信息采集、智能家居控制、图像信息采集、远程无线监控报警等功能。系统的总体架构如图1所示,由7个主要模块构成。其中室内信息采集模块实现室内环境信息的采集,由不同的传感器完成,温湿度传感器用于采集室内温湿度、红外传感器探测是否有人闯入、烟雾传感器探测是否有火灾发生、气敏传感器探测是否有煤气泄漏。室内家居控制模块根据用户手机发回的指令或采集到的室内信息来控制家电的开关。CMOS摄像头用于拍摄室内状况,当有盗贼闯入室内时可抓拍其头像发送给手机并存入SD卡。SD卡用于保存摄像头拍摄的图片及室内环境状态的历史信息。蜂鸣器在室内环境发生异常时响起,可用于唤醒用户,在盗贼闯入时还可起到威慑作用。触摸屏用于显示人机交互界面,配置报警系统,观测室内状态,查看历史信息等。GPRS模块可实现无线监控,用户通过发送短信给系统以查询室内状态及控制室内家居,在室内出现异常时,监控系统会发送远程告警信息及图片给用户。

1.2 ARM9核心控制模块
系统核心控制由三星公司的ARM9处理器S3C2440完成,S3C2440是一款高性能32位RISC微处理器,采用ARM920T内核,0.13μm的CMOS标准宏单元和存储器单元,主频可达400 MHz。设计中采用友善之臂的最小系统Micro2440,其包含基本电源电路、复位电路、标准JTAG调试口、用户调试指示灯、CPU和存储单元等。其中存储单元有64 MB的SDRAM、64 MB的NAND Flash及2 MB的NOR Flash,另外它的U型接口拓展了各种常用总线、LCD及CAMERA接口、GPIO等。
1.3 室内信息采集模块
温湿度传感器采用Sensirion公司的数字传感器SHT11,采用CMOSens技术将湿敏感元件、测温元件、14位A/D和串行接口电路集成在一起,具有响应速度快、抗干扰强、性价比高的优点。设计中采用GPIO口模拟其串口协议实现传感器数据的读写。红外探测器采用探测距离达10 m的ZT-7225,由12 V供电,继电器输出。气敏传感器采用对甲烷及天然气敏感的MQ-4传感器,随着气体浓度的升高,其内阻变小。设计电路如图2所示,其中可变电阻可设定不用的报警阈值,烟雾传感器采用对烟雾敏感的MQ-2。设计中将红外、气敏及烟雾传感器的输出通过与门产生中断信号送至处理器。

1.4 室内家居控制模块
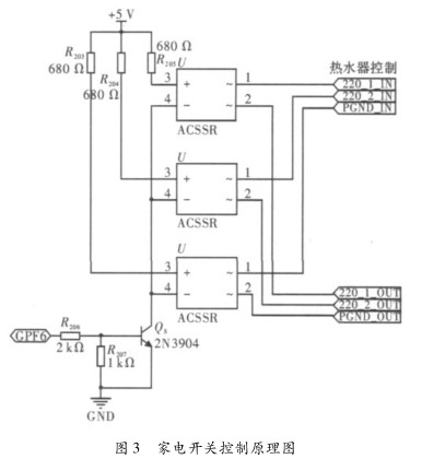
室内家居控制模块实现了系统或用户对家电的控制,设计采用交流固态继电器实现弱电对强电的控制,交流固态继电器无触点、可靠性好、寿命长、使用方便,文中选用的继电器负载电压24~380 V、控制电压3~24 V、控制电流3~25 mA,对家电的控制原理如图3所示,ARM通过GPIO口输出高电平开启供电,输出低电平关断供电。

1.5 CMOS摄像头模块
系统处理器采用S3C2440,自带CMOS摄像头接口,设计中将其通过接口引出,接口引脚分配如图4所示。摄像头选用友善之臂的CAM130摄像头模块,包含一个转接板和ZT130G2摄像头。

1.6 GPRS模块
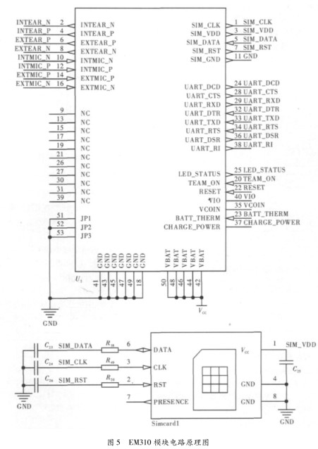
GPRS网络是一种覆盖范围广,性能完善的无线网络,通信速度快、抗干扰能力强、通信误码率低,并且完全利用现有移动通信网络,无建设和运行成本。用GPRS实现的监控系统,实时性高、安全可靠、通信成本低。文中采用华为EM310模块实现GPRS通信。EM310的工作频段是EGSM900/GSM1800,兼容GSM/GPRS Phase2/2+协议,支持一个UART接口,设计中EM310模块正是通过此接口与ARM9通信,其电路原理如图5所示。系统可通过此模块发送短信给用户上报告警信息,或者接收用户短信指令响应用户远程操作。

2 、软件设计
2.1 系统主程序
嵌入式Linux操作系统是一款性能优良、源码公开、可移植、可固化、可裁剪及占先式的实时多任务嵌入式操作系统,被广泛应用于中小型控制系统,具有占用空间小、执行效率高、实时性能好和可扩展性强等特点。系统软件设计部分包括嵌入式Linux操作系统的移植与裁剪、系统应用程序开发和使用Qt/Embedded设计图形用户界面3个主要部分。嵌入式Linux操作系统的移植与裁剪主要分5步:分别是搭建Lin ux开发环境并建立交叉编译环境;配置和编译bootloader;配置和编译Linux内核;安装Linux嵌入式操作系统。完成上述步骤后,开始嵌入式操作系统上应用程序的开发,即本系统的核心控制程序,其流程如图6所示。程序开始运行时,首先对ARM9内部的缓冲区及一些变量进行初始化,然后对串口、定时器、中断及外围设备设备初始化,接着读取SIM卡中是否有客户发来的指令信息,若有指令则执行用户指令;否则程序开始采集室内各个传感器的数据,并根据采集到的数据控制相应家电。若有烟雾或煤气浓度过高等异常信息,则通过GPRS模块向用户发送短信告警;若是红外传感器检测到室内有人,则控制摄像头拍摄一帧图像并通过彩信发送给客户。为防止用户没能及时看到信息,在发送信息后30 s后拨打用户手机进行提醒。

程序设计完成后,通过交叉编译,下载到ARM9中运行;另外本系统还使用Qt/Embedded设计了良好的人机交互界面,可用于设置家电的控制模式及报警模式,还可手动设置家电的开启与关闭。
2.2 GPRS模块子程序
GPRS模块子程序涉及GPRS模块初始化,短信服务中心地址设置,短消息格式设置,报警帧/控制帧/应答帧信息的装配与解析,短彩信收发和拨打电话等,基本流程如图7所示。若需发送彩信,则通过GPRSModem拨号上网,和彩信网关建立链接,然后将图片、文字封装到彩信数据包,再通过GPRS网络将彩信数据包提交到彩信网关,从而实现彩信的发送。发送短信及拨号则用一套专门对GPRS模块控制的AT指令实现,这些指令通常以“AT”开头,以回车符结尾。系统主要使用的AT指令如下:模块唤醒:“AT\r”;短消息信息格式设置:“AT+CMGF=1\r”;短信服务中心地址设置:“AT+CSCA=\“+8613800250500\”\r”;-南京短信中心号码;短消息读取:“AT+CMGL=\“ALL\”\r”;-读取所有短消息;短消息发送:“AT+CMGS=\“15105187703\”\r”;-用户号码;拨打电话:“ATD15105187703;\r”。

3、 结束语
文中以ARM9为核心控制器,通过摄像头、触摸屏、外围传感器、GPIO管脚及GPRS模块实现了一个智能家居式的无线监控报警系统。它不仅能监控室内温湿度、烟雾、有害气体,还能控制家电及监控室内安全,在有人闯入时可通过摄像头拍下闯入者的头像信息;另外还可以通过GPRS模块实现无线报警和用户远程控制的功能,并从硬件和软件两方面描述了系统的实现过程,系统有良好的人机交互界面,整个系统成
本低、稳定性好、响应速度快且适用范围广,不仅适用于家庭和楼宇,通过一定的改造在农业、养殖业等领域也有广泛的发展前景。
史海拾趣
|
无论在人山人海的热门旅游景点、展览中心,拥挤的集市上,声音吵杂的工厂,还是在环境安静的博物馆、公司单位、会场、教室, 无线龙无线导游系统都可以让您清晰的听到导游、演说者的一字一句,您不用担心因为注意力分散而掉队,或听不清领导的指示 ...… 查看全部问答> |
|
请教ATmega16使用EEPROM存储数据时遇到的现象??? 以下是我做实验的一段小程序: #include #include void port_init(void) { PORTA = 0xFF; DDRA = 0xFF; PORTB = 0x00; DDRB = 0x00; PORTC = 0x00; //m103 output only DDRC = 0x00; PORTD = ...… 查看全部问答> |
|
最近要把原来写过的IDE接口的硬盘读写程序改成SATA的,用到1F0~1F7和3F6~3F7这些I/O映射地址对硬盘控制芯片的寄存器进行寻址,现在我需要知道用SATA接口时,这些I/O地址应该是什么,只要知道对SATA操作的I/O端口地址就能解决所有问题了,请 ...… 查看全部问答> |
|
原理图中CC2530很多引脚都是连接到插座上,想请教下这些插座的作用以及插座上几个焊盘接gnd或者VCC的原因。另外一个问题就是可不可以改变插座引脚的位置以更方便自己PCB布局。我画的是2层板布局。… 查看全部问答> |




