历史上的今天
今天是:2026年03月23日(星期一)
2023年03月23日 | STM32CubeMX系列 | ADXL345传感器
2023-03-23 来源:zhihu
1. ADXL345传感器简介
ADXL345是ADI公司推出的基于iMEMS技术的3轴、数字输出加速度传感器。该传感器有最高13位的分辨率、具有±2/4/8/16g可变的测量范围、能测量不到1.0°的倾斜角度变化等特点。ADXL345支持标准的I2C或SPI数字接口,自带32级FIFO存储,并且内部有多种状态检测和灵活的中断方式等特性,ADXL345的检测轴如下图示:

当ADXL345沿检测轴正向加速时,它对正加速度进行检测。在检测重力时需要注意当检测轴的方向与重力的方向相反时检测到的是正加速度。下图列出了ADXL345在不同摆放方式时的输出对重力的影响:

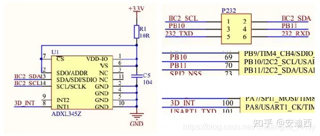
ADXL345支持SPI和I2C两种通讯方式,本例程采用的是I2C方式连接,官方推荐的I2C连接电路如下图示:从图中可以看出ADXL345的连接比较简单,外围器件只需要2个电容。若SDO/ALTADDRESS接地,则ADXL345的地址为0x53(不含最低位);若SDO/ALTADDRESS接高,则ADXL345的地址为0x1D(不含最低位);
ADXL345的初始化步骤为:上电 --> 等待1.1ms --> 初始化命令序列 --> 结束,ADXL345正常工作;初始化序列最简单的只需要配置3个寄存器(如下图示),发送下图中的序列给ADXL345后,ADXL345即开始正常工作

ADXL345寄存器地址映射表:

2. 硬件设计
D1指示灯用来提示系统运行状态,K_UP按键用来自动校准,TFTLCD模块用来显示传感器检测的三个方向加速度值和角度值
D1/D2指示灯
K_UP按键
USART1
TFTLCD模块
ADXL345
从电路图中可以看到ADXL345芯片的ADDR地址线接在3.3V上,所以ADXL345的器件地址是:0x1D(不包含最低位),因此写入为:0x3A,读取为:0x3B

3. 软件设计
3.1 STM32CubeMX设置
RCC设置外接HSE,时钟设置为72M
PC0/PC1设置为GPIO推挽输出模式、上拉、高速、默认输出电平为高电平
PA0设置为GPIO输入模式、下拉模式
PA8设置为GPIO输入模式、下拉模式
USART1选择为异步通讯方式,波特率设置为115200Bits/s,传输数据长度为8Bit,无奇偶校验,1位停止位
激活I2C2,选择标准传输模式,选择7位寻址地址,其余默认设置

激活FSMC,详细请参考TFTLCD显示章节的设置
输入工程名,选择工程路径(不要有中文),选择MDK-ARM V5;勾选Generated periphera initialization as a pair of ‘.c/.h’ files per IP ;点击GENERATE CODE,生成工程代码
3.2 MDK-ARM编程
添加按键驱动文件key.c和key.h,参考按键输入例程
添加TFTLCD驱动文件tftlcd.c 和tftlcd.h,参考TFTLCD显示例程
添加ADXL345芯片驱动文件adxl345.c和adxl345.h
/*ADXL345初始化函数:成功返回0,失败返回1*/
uint8_t ADXL345_Init(void){
uint8_t id,val;
HAL_I2C_Mem_Read(&hi2c2,ADXL_READ,DEVICE_ID,I2C_MEMADD_SIZE_8BIT,&id,1,0xff);
if(id ==0XE5){ //读器件ID,ADXL345的器件ID为0XE5
val = 0x2B; //低电平中断输出,13位全分辨率,输出数据右对齐,16g量程
HAL_I2C_Mem_Write(&hi2c2,ADXL_WRITE,DATA_FORMAT,I2C_MEMADD_SIZE_8BIT,&val,1,0xFF);
val = 0x0A; //数据输出速度为100Hz
HAL_I2C_Mem_Write(&hi2c2,ADXL_WRITE,BW_RATE,I2C_MEMADD_SIZE_8BIT,&val,1,0xFF);
val = 0x28; //链接使能,测量模式
HAL_I2C_Mem_Write(&hi2c2,ADXL_WRITE,POWER_CTL,I2C_MEMADD_SIZE_8BIT,&val,1,0xFF);
val = 0x00; //不使用中断
HAL_I2C_Mem_Write(&hi2c2,ADXL_WRITE,INT_ENABLE,I2C_MEMADD_SIZE_8BIT,&val,1,0xFF);
HAL_I2C_Mem_Write(&hi2c2,ADXL_WRITE,OFSX,I2C_MEMADD_SIZE_8BIT,&val,1,0xFF);
HAL_I2C_Mem_Write(&hi2c2,ADXL_WRITE,OFSY,I2C_MEMADD_SIZE_8BIT,&val,1,0xFF);
HAL_I2C_Mem_Write(&hi2c2,ADXL_WRITE,OFSZ,I2C_MEMADD_SIZE_8BIT,&val,1,0xFF);
return 0;
}
return 1;
}
/*读取ADXL345三个轴的数据*/
void ADXL345_RD_XYZ(short *x,short *y,short *z){
uint8_t buf[6];
HAL_I2C_Mem_Read(&hi2c2,ADXL_READ,DATA_X0,I2C_MEMADD_SIZE_8BIT,&buf[0],1,0xFF);
HAL_I2C_Mem_Read(&hi2c2,ADXL_READ,DATA_X1,I2C_MEMADD_SIZE_8BIT,&buf[1],1,0xFF);
HAL_I2C_Mem_Read(&hi2c2,ADXL_READ,DATA_Y0,I2C_MEMADD_SIZE_8BIT,&buf[2],1,0xFF);
HAL_I2C_Mem_Read(&hi2c2,ADXL_READ,DATA_Y1,I2C_MEMADD_SIZE_8BIT,&buf[3],1,0xFF);
HAL_I2C_Mem_Read(&hi2c2,ADXL_READ,DATA_Z0,I2C_MEMADD_SIZE_8BIT,&buf[4],1,0xFF);
HAL_I2C_Mem_Read(&hi2c2,ADXL_READ,DATA_Z1,I2C_MEMADD_SIZE_8BIT,&buf[5],1,0xFF);
*x=(short)(((uint16_t)buf[1]<<8)+buf[0]); //DATA_X1为高位有效字节
*y=(short)(((uint16_t)buf[3]<<8)+buf[2]); //DATA_Y1为高位有效字节
*z=(short)(((uint16_t)buf[5]<<8)+buf[4]); //DATA_Z1为高位有效字节
}
/*读取ADXL345的数据并做滤波处理,读times次再取平均值*/
void ADXL345_Read_Average(short *x,short *y,short *z,uint8_t times){
uint8_t i;
short tx,ty,tz;
*x=0; *y=0; *z=0;
if(times){
for(i=0;i *x+=tx; *y+=ty; *z+=tz; HAL_Delay(5); } *x/=times; *y/=times; *z/=times; } } /*ADXL345自动校准函数*/ void ADXL345_AUTO_Adjust(char *xval,char *yval,char *zval){ short tx,ty,tz; uint8_t i, val; short offx=0,offy=0,offz=0; val = 0x00; //先进入休眠模式 HAL_I2C_Mem_Write(&hi2c2,ADXL_WRITE,POWER_CTL,I2C_MEMADD_SIZE_8BIT,&val,1,0xFF); HAL_Delay(100); val = 0x2B; //低电平中断输出,13位全分辨率,输出数据右对齐,16g量程 HAL_I2C_Mem_Write(&hi2c2,ADXL_WRITE,DATA_FORMAT,I2C_MEMADD_SIZE_8BIT,&val,1,0xFF); val = 0x0A; //数据输出速度为100Hz HAL_I2C_Mem_Write(&hi2c2,ADXL_WRITE,BW_RATE,I2C_MEMADD_SIZE_8BIT,&val,1,0xFF); val = 0x28; //链接使能,测量模式 HAL_I2C_Mem_Write(&hi2c2,ADXL_WRITE,POWER_CTL,I2C_MEMADD_SIZE_8BIT,&val,1,0xFF); val = 0x00; //不使用中断 HAL_I2C_Mem_Write(&hi2c2,ADXL_WRITE,INT_ENABLE,I2C_MEMADD_SIZE_8BIT,&val,1,0xFF); HAL_I2C_Mem_Write(&hi2c2,ADXL_WRITE,OFSX,I2C_MEMADD_SIZE_8BIT,&val,1,0xFF); HAL_I2C_Mem_Write(&hi2c2,ADXL_WRITE,OFSY,I2C_MEMADD_SIZE_8BIT,&val,1,0xFF); HAL_I2C_Mem_Write(&hi2c2,ADXL_WRITE,OFSZ,I2C_MEMADD_SIZE_8BIT,&val,1,0xFF); HAL_Delay(12); for(i=0;i<10;i++){ ADXL345_Read_Average(&tx,&ty,&tz,10); offx+=tx; offy+=ty; offz+=tz; } offx/=10; offy/=10; offz/=10; *xval=-offx/4; *yval=-offy/4; *zval=-(offz-256)/4; HAL_I2C_Mem_Write(&hi2c2,ADXL_WRITE,OFSX,I2C_MEMADD_SIZE_8BIT,(uint8_t *)xval,1,0xFF); HAL_I2C_Mem_Write(&hi2c2,ADXL_WRITE,OFSY,I2C_MEMADD_SIZE_8BIT,(uint8_t *)yval,1,0xFF); HAL_I2C_Mem_Write(&hi2c2,ADXL_WRITE,OFSZ,I2C_MEMADD_SIZE_8BIT,(uint8_t *)zval,1,0xFF); } /*计算ADXL345角度,x/y/表示各方向上的加速度分量,dir表示要获得的角度*/ short ADXL345_Get_Angle(float x,float y,float z,uint8_t dir){ float temp; float res=0; //弧度值 switch(dir){ case 0: //0表示与Z轴的角度 temp=sqrt((x*x+y*y))/z; res=atan(temp); break; case 1: //1表示与X轴的角度 temp=x/sqrt((y*y+z*z)); res=atan(temp); break; case 2: //2表示与Y轴的角度 temp=y/sqrt((x*x+z*z)); res=atan(temp); break; } return res*180/3.14; //返回角度值 } /*屏幕显示数字函数:x/y表示LCD显示的坐标位置*/ void ADXL_Show_num(uint16_t x,uint16_t y,short num,uint8_t mode){ uint8_t valbuf[3]; FRONT_COLOR=RED; if(mode==0){ //mode为0,表示显示加速度值 if(num<0){ //num表示要显示的数据 num=-num; LCD_ShowString(x,y,tftlcd_data.width,tftlcd_data.height,16,(uint8_t *)"-"); } else{ LCD_ShowString(x,y,tftlcd_data.width,tftlcd_data.height,16,(uint8_t *)" "); } valbuf[0]=num/100+0x30; valbuf[1]=num%100/10+0x30; valbuf[2]=num%100%10+0x30; LCD_ShowString(x+10,y,tftlcd_data.width,tftlcd_data.height,16,valbuf); } else{ //mode为1,表示显示角度值 if(num<0){ num=-num; LCD_ShowString(x,y,tftlcd_data.width,tftlcd_data.height,16,(uint8_t *)"-"); } else{ LCD_ShowString(x,y,tftlcd_data.width,tftlcd_data.height,16,(uint8_t *)" "); } valbuf[0]=num/10+0x30; valbuf[1]='.'; valbuf[2]=num%10+0x30; LCD_ShowString(x+10,y,tftlcd_data.width,tftlcd_data.height,16,valbuf); } } /*数据处理函数*/ void data_pros(){ short x,y,z; short xang,yang,zang; uint8_t key; ADXL345_Read_Average(&x,&y,&z,10); ADXL_Show_num(60,120,x,0); ADXL_Show_num(60,140,y,0); ADXL_Show_num(60,160,z,0); xang=ADXL345_Get_Angle(x,y,z,1); yang=ADXL345_Get_Angle(x,y,z,2); zang=ADXL345_Get_Angle(x,y,z,0); ADXL_Show_num(60,180,xang,1); ADXL_Show_num(60,200,yang,1);
史海拾趣
|
图附件电路:IC为控制电路,Q端输出控制信号3V左右,控制三极管的导通。工作电压5--24V, K为24V继电器。 主要意图:24V电源供电,当Q没有输出时,继电器不工作,但有漏电流。当Q端有输出时,三极管导通,继电器工作。电路目前问题是:三极管导通 ...… 查看全部问答> |
|
各位兄弟姐妹大家好,小弟这两天正在苦心学习verilog,书中看到一段话不太明白: 简单的十进制数格式的整数代表一个有符号的数,负数可使用两种补码形式表示。因此32在5位的二进制形式中为10000,在6位二进制形式中为110001;-15在5位的二进制形式 ...… 查看全部问答> |
|
关于dsp的开发工具 CCStudio v3.3 的帮助问题! 为什么我打开help|content 而后在index栏输入 需要查找的内容 如输入stm,sym,mpy等等都没相关主题,倒是有一些不相关的内容!难道是我的东西没安装完全吗!如果是怎样把他安装完全!我的安装程序一共635MB,从网 ...… 查看全部问答> |
|
我要通过GPRS猫发送彩信,有几个问题请教大家: 1、看网上说可以通过Http post发送,是什么意思?是将HTTP post封装到WSP PDU中吗?还是指得HTTP post通过Internet发送? 2、因为我的GPRS猫没有继承MMS模块,所以各层的协议要自己实现,由低到高 ...… 查看全部问答> |
|
我用40G硬盘,分成1个fAT区,2G,其他的为其它的分区。 启动后,存储管理器可以到该硬盘。但是没有挂接上。 我的操作: 1、添加ATAPI PCI/IDE Storage Block Driver 2、添加FAT File System 3、添加CD/UDFS File System 请问是否需要更改注册 ...… 查看全部问答> |
|
请教一个问题,代码如下: sbit int_1 = P1^2; sbit int_2 = P1^3; sbit int_3 = P3^7; uchar code drive_1[4] = {0xff,0x00,0xff,0x00}; uchar code drive_2[4] = {0x00,0xff,0x00,0xff}; int main() { uchar i = 0; & ...… 查看全部问答> |
|
Cannot open include file: 'icmpapi.h': No such file or directory 我编程(参考别人的)的时候, 需要这个文件,可是怎么也找不到 fatal error C1083: Cannot open include file: \'icmpapi.h\': No such file or directory 到哪里找这个文件… 查看全部问答> |
|
DriverStudio开发IRP_MJ_DEVICE_CONTROL的routine时设置OutBuffer的问题 请问,我在写自定义的某个IRP_MJ_DEVICE_CONTROL的CODE的时候,采用了METHOD_BUFFERED的方式,发现设置不了输出缓冲中的内容。书上说BUFFERED方式输出缓冲与输入缓冲都是IO MANAGER分配的系统内存,传进来的时候是in buffer,传出动是out buffer, ...… 查看全部问答> |




