历史上的今天
今天是:2026年03月23日(星期一)
2023年03月23日 | STM32CubeMX系列 | 外部SRAM
2023-03-23 来源:zhihu
1.外部SRAM简介
本例程使用的STM32F103ZET6本身有64K字节的SRAM,一般应用已经足够;不过在一些对内存要求高的场合,比如跑算法或者GUI等,就需要外扩SRAM来满足大内存使用的需求。这里我们使用了一颗256K字节容量的SRAM芯片:IS62WV12816,利用STM32F1的FSMC控制该SRAM芯片,实现对该SRAM芯片的访问控制
IS62WV12816是一种16位宽128K(128*2,即256K字节)容量的CMOS静态内存芯片,它有高速访问、低功耗、兼容TTL电平接口、全静态操作(不需要刷新和时钟电路)、三态输出和字节控制(支持高/低字节控制)等特点
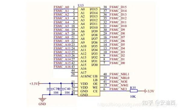
IS62WV12816的引脚以及对应的引脚功能如下图示:

A0 ~ A16为地址线,总共17根地址线(可访问 217 = 128K字节空间);I/O0 ~ I/O15为数据线,总共16根数据线;CS1(低电平有效)和CS2(高电平有效)都是片选信号;WE为输入使能信号(写信号);OE为输出使能信号(读信号);UB和LB分别是高字节和低字节控制信号
FSMC的相关介绍可参考TFTLCD显示例程中的FSMC介绍部分
2. 硬件设计
D1指示灯用来提示系统运行状态,按键用来控制IS62WV12816数据读写,TFTLCD和串口1用来显示读写的内容
D1指示灯
K_UP/K_DOWN
USART1
TFTLCD模块
IS62WV12816
从电路图中可以看到IS62WV12816和STM32F1的连接线路: A0 ~ A16连接在FSMC_A0 ~ FSMC_A16上(连接顺序可以打乱,因为地址是固定的) I/O0 ~ I/O15连接在FSMC_D0 ~ FSMC_D15上(连接顺序不能打乱,否则读写数据将出错) UB和LB连接在FSMC_NBL1 和 FSMC_NBL0上 OE和WE分别连接在FSMC_NOE 和 FSMC_NWE上 CE连接在FSMC_NE3上

由于TFTLCD核SRAM共用FSMC总线,因此他们通过不同片选分时复用,互不影响
3. 软件设计
3.1 STM32CubeMX设置
RCC设置外接HSE,时钟设置为72M
PC0设置为GPIO推挽输出模式、上拉、高速、默认输出电平为高电平
PA0设置为GPIO输入模式、下拉模式;PE3设置为GPIO输入模式、上拉模式
USART1选择为异步通讯方式,波特率设置为115200Bits/s,传输数据长度为8Bit,无奇偶校验,1位停止位
激活FSMC,详细请参考TFTLCD显示章节的设置
输入工程名,选择工程路径(不要有中文),选择MDK-ARM V5;勾选Generated periphera initialization as a pair of ‘.c/.h’ files per IP ;点击GENERATE CODE,生成工程代码
由于TFTLCD使用的Bank1_sector4和SRAM使用的Bank1_sector3无法同时在CubeMX里设置分时复用,因此需要单独创建SRAM的FSMC初始化函数(可自行创建,也可另外创建一个CubeMX工程,按下图设置后将生成的相关FSMC初始化代码拷贝到当前工程源码中并稍作修改)

3.2 MDK-ARM编程
添加按键驱动文件key.c和key.h,参考按键输入例程
添加TFTLCD驱动文件tftlcd.c 和tftlcd.h,参考TFTLCD显示例程
添加IS62WV12816芯片驱动文件sram.c和sram.h
#define Bank1_SRAM3_ADDR ((uint32_t)(0x68000000)) //Bank1区域3的起始地址
SRAM_HandleTypeDef SRAM_Handler; //定义SRAM句柄
//SRAM的FSMC初始化函数
void FSMC_SRAM_Init(void){
GPIO_InitTypeDef GPIO_InitStruct;
FSMC_NORSRAM_TimingTypeDef FSMC_ReadWriteTim;
__HAL_RCC_FSMC_CLK_ENABLE();
__HAL_RCC_GPIOD_CLK_ENABLE();
__HAL_RCC_GPIOE_CLK_ENABLE();
__HAL_RCC_GPIOF_CLK_ENABLE();
__HAL_RCC_GPIOG_CLK_ENABLE();
GPIO_InitStruct.Pin = GPIO_PIN_0|GPIO_PIN_1|GPIO_PIN_2|GPIO_PIN_3
|GPIO_PIN_4|GPIO_PIN_5|GPIO_PIN_12|GPIO_PIN_13
|GPIO_PIN_14|GPIO_PIN_15;
GPIO_InitStruct.Mode = GPIO_MODE_AF_PP;
GPIO_InitStruct.Speed = GPIO_SPEED_FREQ_HIGH;
HAL_GPIO_Init(GPIOF, &GPIO_InitStruct);
GPIO_InitStruct.Pin = GPIO_PIN_0|GPIO_PIN_1|GPIO_PIN_2|GPIO_PIN_3
|GPIO_PIN_4|GPIO_PIN_5|GPIO_PIN_10;
GPIO_InitStruct.Mode = GPIO_MODE_AF_PP;
GPIO_InitStruct.Speed = GPIO_SPEED_FREQ_HIGH;
HAL_GPIO_Init(GPIOG, &GPIO_InitStruct);
GPIO_InitStruct.Pin = GPIO_PIN_0|GPIO_PIN_1|GPIO_PIN_7|GPIO_PIN_8|GPIO_PIN_9|GPIO_PIN_10
|GPIO_PIN_11|GPIO_PIN_12|GPIO_PIN_13|GPIO_PIN_14
|GPIO_PIN_15;
GPIO_InitStruct.Mode = GPIO_MODE_AF_PP;
GPIO_InitStruct.Speed = GPIO_SPEED_FREQ_HIGH;
HAL_GPIO_Init(GPIOE, &GPIO_InitStruct);
GPIO_InitStruct.Pin = GPIO_PIN_8|GPIO_PIN_9|GPIO_PIN_10|GPIO_PIN_11
|GPIO_PIN_14|GPIO_PIN_15|GPIO_PIN_0|GPIO_PIN_1
|GPIO_PIN_4|GPIO_PIN_5;
GPIO_InitStruct.Mode = GPIO_MODE_AF_PP;
GPIO_InitStruct.Speed = GPIO_SPEED_FREQ_HIGH;
HAL_GPIO_Init(GPIOD, &GPIO_InitStruct);
SRAM_Handler.Instance=FSMC_NORSRAM_DEVICE;
SRAM_Handler.Extended=FSMC_NORSRAM_EXTENDED_DEVICE;
SRAM_Handler.Init.NSBank=FSMC_NORSRAM_BANK3; //使用NE3
SRAM_Handler.Init.DataAddressMux=FSMC_DATA_ADDRESS_MUX_DISABLE; //地址/数据线不复用
SRAM_Handler.Init.MemoryType=FSMC_MEMORY_TYPE_SRAM; //SRAM
SRAM_Handler.Init.MemoryDataWidth=FSMC_NORSRAM_MEM_BUS_WIDTH_16; //16位数据宽度
SRAM_Handler.Init.BurstAccessMode=FSMC_BURST_ACCESS_MODE_DISABLE; //不使能突发访问
SRAM_Handler.Init.WaitSignalPolarity=FSMC_WAIT_SIGNAL_POLARITY_LOW; //等待信号的极性(突发模式)
SRAM_Handler.Init.WaitSignalActive=FSMC_WAIT_TIMING_BEFORE_WS;
SRAM_Handler.Init.WriteOperation=FSMC_WRITE_OPERATION_ENABLE; //写使能
SRAM_Handler.Init.WaitSignal=FSMC_WAIT_SIGNAL_DISABLE;
SRAM_Handler.Init.ExtendedMode=FSMC_EXTENDED_MODE_DISABLE; //读写使用相同的时序
SRAM_Handler.Init.AsynchronousWait=FSMC_ASYNCHRONOUS_WAIT_DISABLE;
SRAM_Handler.Init.WriteBurst=FSMC_WRITE_BURST_DISABLE; //禁止突发写
//FSMC读时序控制器
FSMC_ReadWriteTim.AddressSetupTime=0x00; //地址建立时间(ADDSET)为1个HCLK
FSMC_ReadWriteTim.AddressHoldTime=0x00; //地址保持时间(ADDHLD)模式A未用到
FSMC_ReadWriteTim.DataSetupTime=0x08; //数据保持时间(DATAST)为9个HCLK
FSMC_ReadWriteTim.BusTurnAroundDuration=0X00;
FSMC_ReadWriteTim.AccessMode=FSMC_ACCESS_MODE_A; //模式A
HAL_SRAM_Init(&SRAM_Handler,&FSMC_ReadWriteTim,&FSMC_ReadWriteTim);
}
//n向指定地址写数据
void FSMC_SRAM_WriteBuffer(uint8_t *pBuffer,uint32_t WriteAddr,uint32_t n){
for(;n!=0;n--){ // n表示要连续写入的字节个数
*(vu8*)(Bank1_SRAM3_ADDR + WriteAddr) = *pBuffer;
WriteAddr++; //要写入的地址
pBuffer++; //要写入的数据的指针
}
}
//从指定地址读数据
void FSMC_SRAM_ReadBuffer(uint8_t *pBuffer,uint32_t ReadAddr,uint32_t n){
for(;n!=0;n--){ // n表示要连续读出的字节个数
*pBuffer++=*(vu8*)(Bank1_SRAM3_ADDR+ReadAddr); //存放读出的数据
ReadAddr++; //要读出的起始地址
}
}
//
void ExSRAM_Cap_Test(uint16_t x,uint16_t y){
uint8_t writeData = 0xf0, readData;
uint16_t cap=0;
uint32_t addr;
addr = 1024; //从1KB位置开始计算
LCD_ShowString(x,y,239,y+16,16,"ExSRAM Cap: 0KB");
while(1){
FSMC_SRAM_WriteBuffer(&writeData, addr, 1);
FSMC_SRAM_ReadBuffer(&readData,addr,1);
if(readData == writeData){ //检查读出的数据是否与写入的数据一样
cap++; //如果相同表示写入/读出成功,容量加1(单位KB)
addr += 1024; //地址加1024
readData = 0;
if(addr > 256 * 1024) //IS62WV12816的容量为256KB
break;
}
else
break;
}
LCD_ShowxNum(x+11*8,y,cap,4,16,0); //LCD上显示内存容量
printf("SRAM Menmory Size:%dKBrn",cap);
}
在main.c文件下编写SRAM测试代码
int main(void){
/* USER CODE BEGIN 1 */
uint8_t key;
uint8_t text_buf[] = "This is SRAM testing...";
uint8_t textlen = sizeof(text_buf);
uint8_t read_buf[textlen];
/* USER CODE END 1 */
HAL_Init();
SystemClock_Config();
MX_GPIO_Init();
MX_FSMC_Init();
MX_USART1_UART_Init();
/* USER CODE BEGIN 2 */
TFTLCD_Init();
FSMC_SRAM_Init();
FRONT_COLOR=BROWN;
LCD_DrawRectangle(5,5,235,95);
FRONT_COLOR=BLACK;
LCD_ShowString(10,10,tftlcd_data.width,tftlcd_data.height,16,"ANDYXI STM32F1");
LCD_ShowString(10,30,tftlcd_data.width,tftlcd_data.height,16,"STM32CubeMx SRAM");
LCD_ShowString(10,50,tftlcd_data.width,tftlcd_data.height,16,"ExSRAM Test");
LCD_ShowString(10,70,tftlcd_data.width,tftlcd_data.height,16,"K_UP:Write K_DOWN:Read");
FRONT_COLOR=RED;
ExSRAM_Cap_Test(10,110);
FRONT_COLOR=MAGENTA;
LCD_ShowString(10,130,tftlcd_data.width,tftlcd_data.height,16,"Write:");
LCD_ShowString(10,150,tftlcd_data.width,tftlcd_data.height,16,"Read :");
/* USER CODE END 2 */
/* Infinite loop */
/* USER CODE BEGIN WHILE */
while(1){
key = KEY_Scan(0);
if(key == KEY_UP_PRES){ //KEY_UP按下写数据到SRAM
FSMC_SRAM_WriteBuffer(text_buf,0,textlen);
printf("SRAM_Write:%srn",text_buf);
史海拾趣
|
在我的电路板上(现在只焊了最小系统部分)对LPC2292进行数据总线操作时,用示波器测到脉冲的高电平只有600mV样子,加了10K上拉电阻之后,电平也只能到1.5V样子,同样的程序我下载到Magic ARM2200开发板上时,用示波器测到的脉冲的高电平能达到3.3V ...… 查看全部问答> |
|
本帖最后由 paulhyde 于 2014-9-15 09:23 编辑 国大学生电子设计竞赛给我们提供了一个培养创新、协作和钻研精神的平台,是大学生展现自己、积累经验的舞台。激情创造,精彩无限!参加过“索尼杯”电子设计竞赛的人,都从中体会到了奋斗的快乐、团 ...… 查看全部问答> |
|
“年轻人进入职场,都希望先拿高薪,再认真工作,心里想的是我工资待遇不够,凭什么努力工作。但实际上最后真正在职场取胜的,是那些不计较个人得失辛勤工作,持续不懈努力的人。”俞敏洪告诉刚入职场的年轻人,不要太计较一开始的薪 ...… 查看全部问答> |




