首页 > 器件类别 > 嵌入式处理器和控制器 > 微控制器和处理器
 PDF数据手册

5962-01-369-4270

描述:
Microcontroller, 8-Bit, 8051 CPU, 12MHz, CMOS, PDIP40
分类:
文件大小:
1MB,共39页
制造商:
概述
Microcontroller, 8-Bit, 8051 CPU, 12MHz, CMOS, PDIP40
器件参数
参数名称
属性值
是否Rohs认证
不符合
厂商名称
LAPIS Semiconductor Co Ltd
零件包装代码
DIP
包装说明
DIP, DIP40,.6
针数
40
Reach Compliance Code
unknown
位大小
8
CPU系列
8051
JESD-30 代码
R-PDIP-T40
端子数量
40
最高工作温度
85 °C
最低工作温度
-40 °C
封装主体材料
PLASTIC/EPOXY
封装代码
DIP
封装等效代码
DIP40,.6
封装形状
RECTANGULAR
封装形式
IN-LINE
电源
5 V
认证状态
Not Qualified
RAM(字节)
128
ROM(单词)
0
速度
12 MHz
最大压摆率
20 mA
标称供电电压
5 V
表面贴装
NO
技术
CMOS
温度等级
INDUSTRIAL
端子形式
THROUGH-HOLE
端子节距
2.54 mm
端子位置
DUAL
文档解析

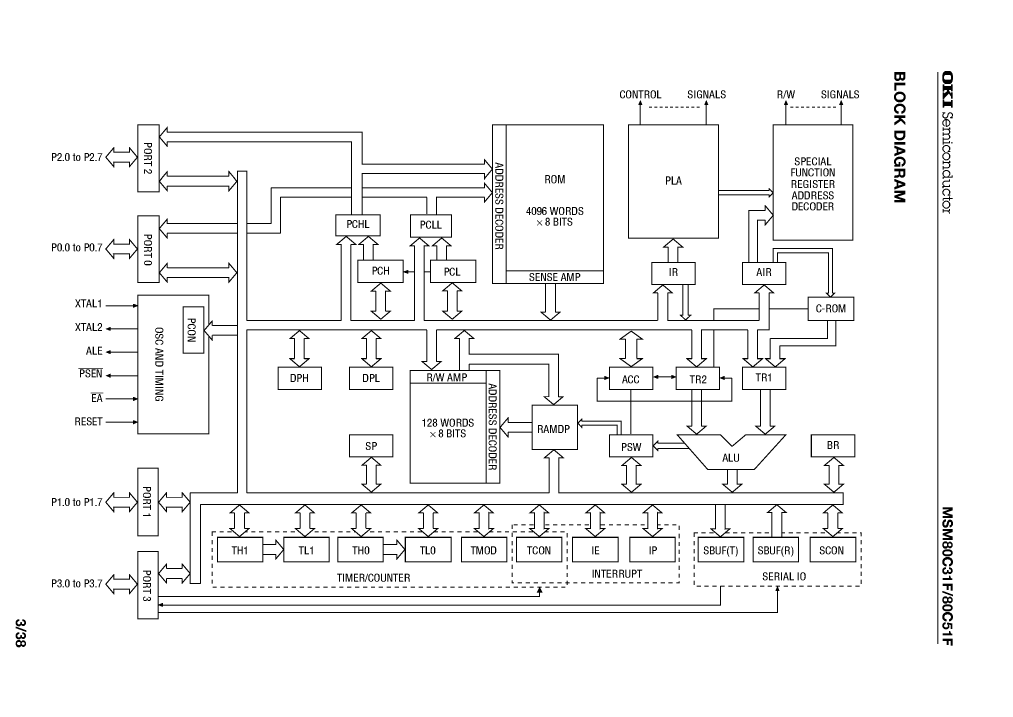
这份文档是关于OKI Semiconductor的MSM80C31F/MSM80C51F系列CMOS 8位微控制器的数据手册。以下是一些值得关注的技术信息:

  1. 微控制器特性

    • 低功耗,8位设备。
    • 使用OKI的硅栅互补金属氧化物半导体工艺技术。
    • MSM80C51F型号包含4K字节的掩模可编程ROM。
  2. 内存

    • 内部数据存储器(RAM):128字节。
    • 外部数据存储器(RAM)空间:64K字节。
    • 外部程序存储器空间:64K字节(适用于MSM80C51F)。
  3. I/O端口

    • 32条I/O线,包括8位×4个端口。
  4. 定时器/计数器

    • 两个16位定时器/计数器。
  5. 中断结构

    • 五个可设置优先级的中断源。
  6. 串行端口

    • 多功能全双工串行端口(UART)。
  7. 电源管理

    • 两种软件可选的省电模式:空闲模式(Idle)和掉电模式(Power Down)。
  8. 指令集

    • 2字节1机器周期指令。
    • 乘法/除法指令需要4到3个机器周期。
  9. 工作温度范围

    • 40°C至+85°C(@12MHz, Vcc=5V±20%)。
    • 20°C至+70°C(@16MHz, Vcc=5V±5%)。
  10. 封装选项

    • 40引脚塑料DIP(DIP40-P-600-2.54)。
    • 44引脚塑料QFP(QFP44-P-910-0.80-2K)。
    • 44引脚塑料QFJ(PLCC)(QFJ44-P-S650-1.27)。
  11. 电气特性

    • 包括低输入电压、高输入电压、高输出电压等详细电气参数。
  12. 绝对最大额定值

    • 供电电压、存储温度等。
  13. 应用电路和布局

    • 提供了微控制器的典型应用电路和布局示例。
  14. 指令集详细说明

    • 提供了微控制器指令集的详细编码和描述。
  15. AC特性

    • 包括外部程序存储器访问和外部数据存储器访问的时序特性。
  16. 封装尺寸

    • 提供了不同封装类型的尺寸信息。
  17. 版权和使用说明

    • 文档最后部分包含了版权信息和有关产品使用的注意事项。
文档预览
参数对比
与5962-01-369-4270相近的元器件有:MSM80C51F-1VS、MSM80C51FJS、MSM80C51FGS、MSM80C31FRS。描述及对比如下:
型号 5962-01-369-4270 MSM80C51F-1VS MSM80C51FJS MSM80C51FGS MSM80C31FRS
描述 Microcontroller, 8-Bit, 8051 CPU, 12MHz, CMOS, PDIP40 Microcontroller, 8-Bit, EPROM, 8051 CPU, 16MHz, CMOS, PDIP40 Microcontroller, 8-Bit, MROM, 8051 CPU, 12MHz, CMOS, PQCC44 Microcontroller, 8-Bit, MROM, 8051 CPU, 12MHz, CMOS, PQFP44 Microcontroller, 8-Bit, 8051 CPU, 12MHz, CMOS, PDIP40
是否Rohs认证 不符合 不符合 不符合 不符合 不符合
包装说明 DIP, DIP40,.6 DIP, DIP40,.6 QCCJ, LDCC44,.7SQ QFP, QFP44,.53X.57,32 DIP, DIP40,.6
Reach Compliance Code unknown unknown unknown unknown unknown
位大小 8 8 8 8 8
CPU系列 8051 8051 8051 8051 8051
JESD-30 代码 R-PDIP-T40 R-PDIP-T40 S-PQCC-J44 R-PQFP-G44 R-PDIP-T40
端子数量 40 40 44 44 40
最高工作温度 85 °C 85 °C 85 °C 85 °C 85 °C
最低工作温度 -40 °C -40 °C -40 °C -40 °C -40 °C
封装主体材料 PLASTIC/EPOXY PLASTIC/EPOXY PLASTIC/EPOXY PLASTIC/EPOXY PLASTIC/EPOXY
封装代码 DIP DIP QCCJ QFP DIP
封装等效代码 DIP40,.6 DIP40,.6 LDCC44,.7SQ QFP44,.53X.57,32 DIP40,.6
封装形状 RECTANGULAR RECTANGULAR SQUARE RECTANGULAR RECTANGULAR
封装形式 IN-LINE IN-LINE CHIP CARRIER FLATPACK IN-LINE
电源 5 V 5 V 5 V 5 V 5 V
认证状态 Not Qualified Not Qualified Not Qualified Not Qualified Not Qualified
RAM(字节) 128 128 128 128 128
ROM(单词) - 4096 4096 4096 -
速度 12 MHz 16 MHz 12 MHz 12 MHz 12 MHz
标称供电电压 5 V 5 V 5 V 5 V 5 V
表面贴装 NO NO YES YES NO
技术 CMOS CMOS CMOS CMOS CMOS
温度等级 INDUSTRIAL INDUSTRIAL INDUSTRIAL INDUSTRIAL INDUSTRIAL
端子形式 THROUGH-HOLE THROUGH-HOLE J BEND GULL WING THROUGH-HOLE
端子节距 2.54 mm 2.54 mm 1.27 mm 0.8 mm 2.54 mm
端子位置 DUAL DUAL QUAD QUAD DUAL
最大压摆率 20 mA - 20 mA - 20 mA
Is Samacsys - N N N -
JESD-609代码 - e0 e0 e0 e0
ROM可编程性 - EPROM MROM MROM -
端子面层 - Tin/Lead (Sn/Pb) Tin/Lead (Sn/Pb) Tin/Lead (Sn/Pb) Tin/Lead (Sn/Pb)
Base Number Matches - 1 1 1 -
这个专业很热门--电子信息工程专业介绍
这个专业很热门--电子信息工程专业介绍 ...
fighting 模拟电子
 USB2.0闪存盘控制芯片“优芯II号”的特点及应用电路
  USB2.0 闪存盘控 深圳市朗科科技有限公司于 2005 年 8 月发布了采用 0....
fighting 工业自动化与控制
MPS 隔离式稳压 DCDC 模块——痛点讨论|你理想中的电源模块是怎样的?活动开始啦~
MPS 隔离式稳压 DCDC 模块 MIE系列,小且不凡! 痛点讨论|你理想中的电源模块是怎样的?...
EEWORLD社区 电源技术
【GD32F310G-START】电压表
本帖最后由 lugl4313820 于 2022-5-9 15:59 编辑 为了验证ADC的...
lugl4313820 GD32 MCU
小熊派华为物联网操作系统LiteOS裸机驱动移植06-E53_ST1扩展板驱动及使用
1.E53_ST1扩展板及其驱动 关于E53标准 接口 ...
小熊派开源社区 编程基础
【匠芯创D133CBS】--2.创建任务点亮LED
本帖最后由 dirty 于 2024-8-17 09:28 编辑 本篇讲述 匠芯创D1...
dirty 国产芯片交流
热门器件
热门资源推荐
器件捷径:
E0 E1 E2 E3 E4 E5 E6 E7 E8 E9 EA EB EC ED EE EF EG EH EI EJ EK EL EM EN EO EP EQ ER ES ET EU EV EW EX EY EZ F0 F1 F2 F3 F4 F5 F6 F7 F8 F9 FA FB FC FD FE FF FG FH FI FJ FK FL FM FN FO FP FQ FR FS FT FU FV FW FX FY FZ G0 G1 G2 G3 G4 G5 G6 G7 G8 G9 GA GB GC GD GE GF GG GH GI GJ GK GL GM GN GO GP GQ GR GS GT GU GV GW GX GZ H0 H1 H2 H3 H4 H5 H6 H7 H8 HA HB HC HD HE HF HG HH HI HJ HK HL HM HN HO HP HQ HR HS HT HU HV HW HX HY HZ I1 I2 I3 I4 I5 I6 I7 IA IB IC ID IE IF IG IH II IK IL IM IN IO IP IQ IR IS IT IU IV IW IX J0 J1 J2 J6 J7 JA JB JC JD JE JF JG JH JJ JK JL JM JN JP JQ JR JS JT JV JW JX JZ K0 K1 K2 K3 K4 K5 K6 K7 K8 K9 KA KB KC KD KE KF KG KH KI KJ KK KL KM KN KO KP KQ KR KS KT KU KV KW KX KY KZ
索引文件:
1274  495  2658  2186  1037  26  10  54  45  21 
需要登录后才可以下载。
登录取消
下载 PDF 文件