历史上的今天
今天是:2025年01月02日(星期四)
2018年01月02日 | 电子密码锁设计资料
2018-01-02 来源:eefocus
1.实验任务
用4×4组成0-9数字键及确认键。
用8位数码管组成显示电路提示信息,当输入密码时,只显示“8.”,当密码位数输入完毕按下确认键时,对输入的密码与设定的密码进行比较,若密码正确,则门开,此处用LED发光二极管亮一秒钟做为提示,同时发出“叮咚”声;若密码不正确,禁止按键输入3秒,同时发出“嘀、嘀”报警声;若在3秒之内仍有按键按下,则禁止按键输入3秒被重新禁止。
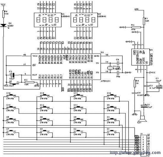
2.电路原理图
图4.33.1
3.系统板上硬件连线
(1).把“单片机系统”区域中的P0.0-P0.7用8芯排线连接到“动态数码显示”区域中的ABCDEFGH端子上。
(2).把“单片机系统“区域中的P2.0-P2.7用8芯排线连接到“动态数码显示”区域中的S1S2S3S4S5S6S7S8端子上。
(3).把“单片机系统”区域中的P3.0-P3.7用8芯排线连接到“4×4行列式键盘”区域中的R1R2R3R4C1C2C3C4端子上。
(4).把“单片机系统”区域中的P1.0用导线连接到“八路发光二极管模块”区域中的L2端子上。
(5).把“单片机系统”区域中的P1.7用导线连接到“音频放大模块”区域中的SPK IN端子上。
(6).把“音频放大模块”区域中的SPK OUT接到喇叭上。
4.程序设计内容
(1).4×4行列式键盘识别技术:有关这方面内容前面已经讨论过,这里不再重复。
(2).8位数码显示,初始化时,显示“P ”,接着输入最大6位数的密码,当密码输入完后,按下确认键,进行密码比较,然后给出相应的信息。在输入密码过程中,显示器只显示“8.”。当数字输入超过6个时,给出报警信息。在密码输入过程中,若输入错误,可以利用“DEL”键删除刚才输入的错误的数字。
(3).4×4行列式键盘的按键功能分布图如图4.33.2所示:
图4.33.2
5.C语言源程序
#include
unsigned char ps[]={1,2,3,4,5};
unsigned char code dispbit[]={0xfe,0xfd,0xfb,0xf7,
0xef,0xdf,0xbf,0x7f};
unsigned char code dispcode[]={0x3f,0x06,0x5b,0x4f,0x66,
0x6d,0x7d,0x07,0x7f,0x6f,
0x77,0x7c,0x39,0x5e,0x79,0x71,
0x00,0x40,0x73,0xff};
unsigned char dispbuf[8]={18,16,16,16,16,16,16,16};
unsigned char dispcount;
unsigned char flashcount;
unsigned char temp;
unsigned char key;
unsigned char keycount;
unsigned char pslen=5;
unsigned char getps[6];
bit keyoverflag;
bit errorflag;
bit rightflag;
unsigned int second3;
unsigned int aa,bb;
unsigned int CC;
bit okflag;
bit alarmflag;
bit hibitflag;
unsigned char oka,okb;
void main(void)
{
unsigned char i,j;
TMOD=0x01;
TH0=(65536-500)/256;
TL0=(65536-500)%6;
TR0=1;
ET0=1;
EA=1;
while(1)
{
P3=0xff;
P3_4=0;
temp=P3;
temp=temp & 0x0f;
if (temp!=0x0f)
{
for(i=10;i>0;i--)
for(j=248;j>0;j--);
temp=P3;
temp=temp & 0x0f;
if (temp!=0x0f)
{
temp=P3;
temp=temp & 0x0f;
switch(temp)
{
case 0x0e:
key=7;
break;
case 0x0d:
key=8;
break;
case 0x0b:
key=9;
break;
case 0x07:
key=10;
break;
}
temp=P3;
P1_1=~P1_1;
if((key>=0) && (key<10))
{
if(keycount<6)
{
getps[keycount]=key;
dispbuf[keycount+2]=19;
}
keycount++;
if(keycount==6)
{
keycount=6;
}
else if(keycount>6)
{
keycount=6;
keyoverflag=1;//key overflow
}
}
else if(key==12)//delete key
{
if(keycount>0)
{
keycount--;
getps[keycount]=0;
dispbuf[keycount+2]=16;
}
else
{
keyoverflag=1;
}
}
else if(key==15)//enter key
{
if(keycount!=pslen)
{
errorflag=1;
rightflag=0;
second3=0;
}
else
{
for(i=0;i
{
if(getps[i]!=ps[i])
{
i=keycount;
errorflag=1;
rightflag=0;
second3=0;
goto a;
}
}
errorflag=0;
rightflag=1;
a: i=keycount;
}
}
temp=temp & 0x0f;
while(temp!=0x0f)
{
temp=P3;
temp=temp & 0x0f;
}
keyoverflag=0;//?????????
}
}
P3=0xff;
P3_5=0;
temp=P3;
temp=temp & 0x0f;
if (temp!=0x0f)
{
for(i=10;i>0;i--)
for(j=248;j>0;j--);
temp=P3;
temp=temp & 0x0f;
if (temp!=0x0f)
{
temp=P3;
temp=temp & 0x0f;
switch(temp)
{
case 0x0e:
key=4;
break;
case 0x0d:
key=5;
break;
case 0x0b:
key=6;
break;
case 0x07:
key=11;
break;
}
temp=P3;
P1_1=~P1_1;
if((key>=0) && (key<10))
{
if(keycount<6)
{
getps[keycount]=key;
dispbuf[keycount+2]=19;
}
keycount++;
if(keycount==6)
{
keycount=6;
}
else if(keycount>6)
{
keycount=6;
keyoverflag=1;//key overflow
}
}
else if(key==12)//delete key
{
if(keycount>0)
{
keycount--;
getps[keycount]=0;
dispbuf[keycount+2]=16;
}
else
{
keyoverflag=1;
}
}
else if(key==15)//enter key
{
if(keycount!=pslen)
{
errorflag=1;
rightflag=0;
second3=0;
}
else
{
for(i=0;i
{
if(getps[i]!=ps[i])
{
i=keycount;
errorflag=1;
rightflag=0;
second3=0;
goto a4;
}
}
errorflag=0;
rightflag=1;
a4: i=keycount;
}
}
temp=temp & 0x0f;
while(temp!=0x0f)
{
temp=P3;
temp=temp & 0x0f;
}
keyoverflag=0;//?????????
}
}
P3=0xff;
P3_6=0;
temp=P3;
temp=temp & 0x0f;
if (temp!=0x0f)
{
for(i=10;i>0;i--)
for(j=248;j>0;j--);
temp=P3;
temp=temp & 0x0f;
if (temp!=0x0f)
{
temp=P3;
temp=temp & 0x0f;
switch(temp)
{
case 0x0e:
key=1;
break;
case 0x0d:
key=2;
break;
case 0x0b:
key=3;
break;
case 0x07:
key=12;
break;
}
temp=P3;
P1_1=~P1_1;
if((key>=0) && (key<10))
{
if(keycount<6)
{
getps[keycount]=key;
dispbuf[keycount+2]=19;
}
keycount++;
if(keycount==6)
{
keycount=6;
}
else if(keycount>6)
{
keycount=6;
keyoverflag=1;//key overflow
}
}
else if(key==12)//delete key
{
if(keycount>0)
{
keycount--;
getps[keycount]=0;
dispbuf[keycount+2]=16;
}
else
{
keyoverflag=1;
}
}
else if(key==15)//enter key
{
if(keycount!=pslen)
{
errorflag=1;
rightflag=0;
second3=0;
}
else
{
for(i=0;i
{
if(getps[i]!=ps[i])
{
i=keycount;
errorflag=1;
rightflag=0;
second3=0;
goto a3;
}
}
errorflag=0;
rightflag=1;
a3: i=keycount;
}
}
temp=temp & 0x0f;
while(temp!=0x0f)
{
temp=P3;
temp=temp & 0x0f;
}
keyoverflag=0;//?????????
}
}
P3=0xff;
P3_7=0;
temp=P3;
temp=temp & 0x0f;
if (temp!=0x0f)
{
for(i=10;i>0;i--)
for(j=248;j>0;j--);
temp=P3;
temp=temp & 0x0f;
if (temp!=0x0f)
{
temp=P3;
temp=temp & 0x0f;
switch(temp)
{
case 0x0e:
key=0;
break;
case 0x0d:
key=13;
break;
case 0x0b:
key=14;
break;
case 0x07:
key=15;
break;
}
temp=P3;
P1_1=~P1_1;
if((key>=0) && (key<10))
{
if(keycount<6)
{
getps[keycount]=key;
dispbuf[keycount+2]=19;
}
keycount++;
if(keycount==6)
{
keycount=6;
}
else if(keycount>6)
{
keycount=6;
keyoverflag=1;//key overflow
}
}
else if(key==12)//delete key
{
if(keycount>0)
{
keycount--;
getps[keycount]=0;
dispbuf[keycount+2]=16;
}
else
{
keyoverflag=1;
}
}
else if(key==15)//enter key
{
if(keycount!=pslen)
{
errorflag=1;
rightflag=0;
second3=0;
}
else
{
for(i=0;i
{
if(getps[i]!=ps[i])
{
i=keycount;
errorflag=1;
rightflag=0;
second3=0;
goto a2;
}
}
errorflag=0;
rightflag=1;
a2: i=keycount;
}
}
temp=temp & 0x0f;
while(temp!=0x0f)
{
temp=P3;
temp=temp & 0x0f;
}
keyoverflag=0;//?????????
}
}
}
}
void t0(void) interrupt 1 using 0
{
TH0=(65536-500)/256;
TL0=(65536-500)%6;
flashcount++;
if(flashcount==8)
{
flashcount=0;
P0=dispcode[dispbuf[dispcount]];
P2=dispbit[dispcount];
dispcount++;
if(dispcount==8)
{
dispcount=0;
}
}
if((errorflag==1) && (rightflag==0))
{
bb++;
if(bb==800)
{
bb=0;
alarmflag=~alarmflag;
}
if(alarmflag==1)//sound alarm signal
{
P1_7=~P1_7;
}
aa++;
if(aa==800)//light alarm signal
{
aa=0;
P1_0=~P1_0;
}
second3++;
if(second3==6400)
{
second3=0;
errorflag=0;
rightflag=0;
alarmflag=0;
bb=0;
aa=0;
}
}
else if((errorflag==0) && (rightflag==1))
{
P1_0=0;
cc++;
if(cc<1000)
{
okflag=1;
}
else if(cc<2000)
{
okflag=0;
}
else
{
errorflag=0;
rightflag=0;
P1_7=1;
cc=0;
oka=0;
okb=0;
okflag=0;
P1_0=1;
}
if(okflag==1)
{
oka++;
if(oka==2)
{
oka=0;
P1_7=~P1_7;
}
}
else
{
okb++;
if(okb==3)
{
okb=0;
P1_7=~P1_7;
}
}
}
if(keyoverflag==1)
{
P1_7=~P1_7;
}
}
史海拾趣
|
吴水林的学习笔记 怎样用单片机模拟PWM 版本:v2 在讲解PWM 之前,让我们来了解几个和PWM 相关的词汇。 1. 频率: 频率f 是周期T 的倒数,即f =1/T。而像中国使用的电是一种正弦交流电,其频 率是50Hz,也就是它一秒钟内做了50 次周期性变化 ...… 查看全部问答> |
|
为什么在装activesync的时侯 他老是出现“路径我的文档里包含无效字符” 为什么在装activesync的时侯 他老是出现“路径我的文档里包含无效字符\" 还有啊 在哪里下载Connect Emulator with ActiveSync … 查看全部问答> |
|
在编写串口通信程序时,我看到的 WriteFile( HANDLE hFile, //串口的句柄 LPCVOID lpBuffer, DWORD nNumberOfBytesToWrite, //要写入的数据的字节数 L ...… 查看全部问答> |
|
一款安防模拟矩阵BOM分析,提前声明不是给NS和TI,ADI做广告。选用ALTERA的EP1C3T144C8N, 模拟交叉矩阵芯片用AD8111,AD8113.周边的电源芯片就选用NS和TI的芯片。LM1117最通用了,还有LM2596。… 查看全部问答> |
|
由于想有坛友提过用LM811DIY步进电机驱动器,我觉得可行,所以下午看了一下步进电机,这个电机我感觉还是挺好的 57步进电机 价格50元(如果团购,价格会低一些) [ 本帖最后由 wanghongyang 于 2011-4-16 18:23 编辑 ]… 查看全部问答> |
|
买了一块DSP28335开发板,使用产商提供的源代码例子进行测试。该例子的功能是LED轮替闪烁: 部分源码: void main(void) { while(1) { LED1=~LED1; & ...… 查看全部问答> |




