历史上的今天
今天是:2025年01月11日(星期六)
2018年01月11日 | 如何避免浪涌对通讯总线的影响?
2018-01-11 来源:ZLG致远电子
各位工程师在工业通讯现场,最担心的是通讯网络因浪涌产生的瞬态过压和过流,导致总线通讯网络出现发送错误信号甚至系统瘫痪的现象,为避免这一类事故的发生,在前期设计中应如何进行防护呢?这里将为你揭晓。
一、浪涌简介
在工业通讯现场,雷电过电压、落雷引发出的诱导雷浪涌,还有电源系统(特别是带很重的感性负载)开关切换引起的浪涌,这些浪涌产生的瞬态过压和过流,从而导致数据总线通讯网络瘫痪甚至使元器件发出错误的信号,会给用户带来很大的损失。现在防雷、防浪涌和防过电压这些都是总线设计必须考虑的因素,今天小编就和大家聊一聊常用总线防浪涌保护的那些事儿。
通常所说的防浪涌,有两个类型:一个是共模,一个差模。雷电或大电流切换时产生的浪涌一般是共模的,差模形式的浪涌往往是由于数据电缆附近有高压线经过,数据线缆和高压线之间因绝缘不良而产生的,虽然差模比共模产生的电压和电流小得多,但它不像共模那样只维持很短的时间,而会在数据通信网络中较长时间内稳定存在。光耦或磁耦器件标称的耐压是共模,也就是前端到后端之间的耐压。如果超过这个耐压,前端后端都一起烧坏;元器件不会标称差模的耐压,差模耐压能力由电路的设计决定,差模电压超过电路承受范围,前端烧坏,后端不会烧坏。
二、常规浪涌防护方案——分立方案
防浪涌电路通常分为隔离法和规避法。隔离法就是采用光耦合器或磁耦合器,将输入和输出信号隔离分开,只要浪涌产生的电压幅值不超过器件标称的值,光耦或磁耦就不会损坏,即使浪涌电压长时间存在也不会对隔离的设备产生损害。这类隔离法只能抑制共模形式的浪涌,不能抑制差模形式的浪涌。(这里说的浪涌,主要是由于落雷而发生的诱导雷浪涌、电路系统内浪涌等,直击雷不属于讨论范围)。
规避法就是主设备的地连在一起形成单点接地,一旦有浪涌出现就可安全转移浪涌能量,此外有必要增加一些抑制浪涌的器件。能将浪涌所产生的有害电流在到达数据端口前泄放到地回路中去的器件,主要有Tvs管、压敏电阻、气体放电管,它们都有一个钳位电压,一旦超过该钳位电压,器件就会在连接点之间产生一个低阻抗,从而转移有害的电流。
如果将隔离法和规避法相结合,就可以更好地保护系统。规避器件一方面可抑制浪涌保护隔离器件,也可以抑制总线上产生的差模形式浪涌。隔离器件抑制共模形式浪涌,保护主设备。两者相辅相成,能够更好地保护总线设备。
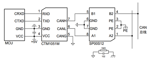
举个例子,CAN的接口防护一般是在收发器外加隔离保护器件,如光耦、磁耦等。为接口设计方便,我们可以使用一体化的收发器模块,和自主搭建电路比,使用方便,简化电路,环境适应性更强。这类加隔离模块防共模浪涌设计比较常见就不多做赘述了。这里重点谈一下增加差模形式浪涌防护的方法。常用规避保护的器件有GDT、TVS以及共模电感。如图1所示,GDT被放置于接口最前端,提供第一级的雷击浪涌防护。当雷击、浪涌产生时,GDT瞬间达到低阻状态,为瞬时大电流提供泄放通道,将CAN_H、CAN_L间电压钳制在二十几伏范围内。后端的TVS提供第二级浪涌防护,具体规格可根据需求选择。

图1增加防差模形式浪涌功能的CAN接口电路
三、高效浪涌防护方案——模块方案
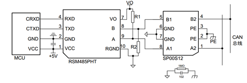
上图所示的接口电路虽然能够提供有效的防护,但是需要引入较多的电子器件,这也就意味着接口电路将占用更多的PCB空间,若器件参数选择不合适易造成EMC问题。有没有更好的办法呢?致远电子已经为小伙伴们设计了专业的信号浪涌抑制器SP00S12,这种小体积模块采用灌封材料,结合致远隔离模块,使电路轻松满足IEC61000-4-5 ±4KV 的浪涌等级要求,可用于各种信号传输系统,抑制雷击、浪涌、过压等有害信号,对设备信号端口进行保护,非常适合于CAN、 RS-485 等通信领域的浪涌防护。具体如下图。

图2 CAN总线模块防浪涌应用电路
同样道理,为 SP00S12 应用于 RSM485PHT 串口通信中, 将 SP00S12 的信号端口与 RSM485PHT 模块的差分信号端口 A、 B 连接,则可使 485 通信端口满足 IEC61000-4-5 ±4KV 的浪涌等级要求。

图3 485模块防浪涌应用电路
四、方案总结对比
总结一下,各个方法的特点基本上是这样的:

表1 方案特点比较
针对电子、电气设备浪涌保护设备,其实早就有据可依。IEC 61000-4-5就规定了设备对由开关和雷电瞬变过电压引起的单极性浪涌的抗扰度要求、实验方法和推荐的实验等级范围。标准规定了一个一致的实验方法,以评价设备和系统对规定对象的抗扰度。目的就是建立一个共同的基准,以评价电气和电子设备在遭受浪涌时的性能。
接下来做一下浪涌抗扰度测试,检验一下浪涌抑制器是否满足 IEC61000-4-5±4KV 防护要求,测试配置依据 IEC61000-4-5 中非屏蔽对称通信线进行测试,具体测试电路如图 1 所示。 测试过程中向浪涌抑制器施加不同等级浪涌电压,在其信号输入输出端测量电压波形。

图4 共模浪涌抗干扰度实验
以共模浪涌测试为例,在 SP00S12 浪涌抑制器的 A2、 B2 端施加如图 2(a) 所示的 4KV、 1.2/50μs 浪涌电压,在输出端 A1、 B1 测试浪涌电压如图 2(b)所示,浪涌电压已被被降低至 17.1V

图5 输入浪涌电压波形 3.94KV

图6 浪涌抑制器输出端波形 17.1V
史海拾趣
|
我从汉邦16路录像机输出的16路视频信号 通过75-5 能传送多远的距离? 我实际要传送到1公里左右的距离,1公里外只要看就行了 中间要加视频信号放大器吗?… 查看全部问答> |
|
#include unsigned char i,j; unsigned char code tab[]={0xbf,0x86,0xdb,0xcf,0xe6,0xed,0xfd, 0x87,0xff,0xef} ; void Init_Com( ...… 查看全部问答> |
|
lantronix程序对硬件进行设置时候出现问题,请高手帮忙解决! 单位购买了一套系统,使用非接触IC卡消费机实现对卡上消费数据的操作,串口处标识的为rs232 rs485。现在由于服务器故障,要重新安装调试服务器,但是我把当初对消费机设置的软件弄丢了,只能在网上找了lantronix的不同版本来做设置,总是不能通过。 ...… 查看全部问答> |
|
我在测试人家的USB仿真模型时碰到了大问题 我用自己写的数据发送模块仿真USB HOST的数据发送,将数据 发送给要测试的USB DEVICE的仿真模型,当我发送完第一个SETUP 包后 USB DEVICE是不是应该回一个ACK信号啊? 为什么我的USB DEVICE的仿真模型 ...… 查看全部问答> |
|
和很多痴迷电子的工程师一样,自己家中常常进行一些实验,螺丝刀到示波器,必须的开发及测试设备虽然简单却也一应俱全,平常用的电子器件和芯片也是大袋小兜的数不尽,如果用到外国的料,一般只好到外国网站找,好像Findchips,oemtrade,但都需要用信 ...… 查看全部问答> |




