历史上的今天
今天是:2025年01月14日(星期二)
2018年01月14日 | 单片机自动拨号原理与实践
2018-01-14 来源:eefocus
自动拨号器是一种智能化的报警监控装置,它以 单片机 为核心器件,利用无线寻呼和程控电话可随时将警情发送给指定的BP机。它配备不同的传感器后,不但可以对有毒气体泄漏、家中被盗等情况进行报警,而且还可对通信设备及电源故障的发生进行告警,可广泛应用于仓库、小型商店、无人值守通信台站的监测以及家庭防盗、煤气报警等。
工作原理 自动拨号器按功能的不同可分为可编码型和简易型两种。可编码型自动拨号器可人为设置、更改BP机号码,使用方便灵活;简易型自动拨号器的BP机号码已写入CPU的程序存储器中,具有成本低廉、稳定可靠的特点,缺点是不能人为更改BP机号码,需通过编程器写入,但成本较可编码型低。以下分别介绍这两种拨号器的工作原理。
IC1的P1.0~P1.5(①~⑥脚)主要用于PCD3311的数据接口。P3.0(⑩脚)控制PCD3311的数据选通。P3.0~P3.5(②、③、⑥~⑨脚)用于PCD3311并行数据的输入。P3.6用来控制继电器。P3.7控制光耦合双向可控硅MOC3041,以接通220V交流电源。P3.1、P3.3、P3.4、P3.5连接93C46。P2作为键盘的输入接口。P0.7为告警信号输入(自动判断P0.7的状态,如从高电平变为低电平即拨号)。图1中的虚线部分为告警检测电路,M为探头(如有害气体探头、温度探头等)。某工作原理是:当探头检测到外界媒质发生变化时,表面阻值下降,同相“+”端输入电压升高,比较器LM324输出高电平,经过“非”门变为低电平送到CPU的P0.7端,P3.6、P3.7则由低电平变为高电平,通过控制继电器和可控硅,从而接通电话外线和220V交流电源。与此同时 , CPU调用已写入93C46的BP机号码,并通过PCD3311向外线发出寻呼。RL为220V电源插座,可根据不同情况外接各种驱动装置或交流报警器。实际应用中,可根据需要自行设计前端的告警检测电路(如红外防盗报警电路)。图1中的K1是系统复位按钮,K2是正常/设置开关(闭合状态下键盘输入有效),K3为结束按钮。输入BP机号码时,先将K2拨到“设置”位,待输入完成后,应按一下K3,再将K2置于“正常”位。键盘上的“*”号为延时标志键,这与电话机上的“*”键不同。需说明的是,写入的传呼台号应为自动台,如电信局127自动台的写入格式为127×××××××(××为BP机号码)+延时标志。由于其它寻呼台的自动传呼格式可能不同于127台,通过灵活使用“*”键,可模仿其它自动台的传呼。为防止误拨号(因有些探头在初始加电时表面阻值下降会引起误判断),软件编写时,在程序初始状态加有30秒的延时。按图1连接无误后,可人为使P0.7为低电平,再仔细调节可调电阻R,使BP机能准确地收到拨号信号。需注意的是,如作为气体泄漏、防盗报警器使用时,应经过有关单位验证,以免产生意外。
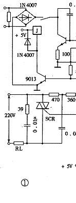
简易型自动拨号器 简易型自动拨号器电路如图3所示。与可编码型自动拨号器相比它的核心部件采用89C2051 单片机 (89C51的精简型号),寻呼台号及传呼号码已固定写入89C2051单片机程序存储器中。89C2051内带一个模拟比较器,具有15个I/O端口。P1口是8位双向I/O端口,可作普通I/O端口使用。P3口的P3.0~P3.5和P3.7是带有内部上拉电阻的7个双向I/O口。P3.6固定用于片内比较器的输出端而不可作为普通I/O端口使用。89C2051的P1.1、P1.0可作为各种探头的比较信号输入端,P1.0和P1.1还分别作为片内模拟比较器的同相输入(AIN0)和反相输入(AIN1)端口。P1.4(
PCD3311的数据选通。P3.0~P3.5(②、③、⑥~⑨脚)用于PCD3311并行数据的输入。P3.7用来控制继电器。P1.7控制MOC3041。P1.2可作为其它告警(如防盗开关、红外探头)信号的输入端。图3的虚线部分为告警检测电路,M为探头(如有害气体探头、温度探头等),其工作原理同图1,这里不再赘述。如不用89C2051的内部模拟比较器,而将P1.2作为告警信号的输入端时,最好外接一个电阻,使比较器的“+”端电压小于“-”端电压,以避免P3.6输出高电平而误告警。 系统扩展 图1和图3所示自动拨号器的电路经过扩展后,还可用于通信设备,特别是电源设备的故障报警。图4为应用于通信设备故障自动报警的电原理框图。
与图3相比,图4主要增加了一片ADC0809,用于外部模拟电压的采集。ADC0809为八位8路A/D转换芯片。由W78E51的P2.0、P2.1控制ADC0809的选通。模拟量的输入电压标称值为0~5V,而通信电源一般采用交流220V或直流-24V和-48V。交流220V可通过整流、稳压后得到标准的5V电压;直流-24V、-48V电压的采样可通过极性转换,将负电压转换为正电压后再分压得到; 单片机 的空余I/O口作为设备告警信号输入端,在程序中可灵活设置报警阈值。一旦电源电压过低或过高,W78E51便将ADC0809采样的电压值通过拨号器发送到值班人员的BP机,从而达到无人值守的目的。 |
上一篇:8*8点阵LED显示原理介绍
下一篇:51单片机控制硬盘的程序
史海拾趣
|
大家好,我用的是holtek的HT46R322单片机,现在做一个程序,按加减键实现数字从0~9999变化,数码管用的是共阳的8位数码管,用循环点亮的方法。 我用一个存储单元保存要显示的数值,比如我要显示123,然后可 ...… 查看全部问答> |
|
Pocket PC2003操作系统中,界面右上角的叉是什么函数控制的啊? 我要在作的程序实现这样的功能:当要退出程序时,点击右上角的叉叉,弹出一个提示对话框,选择是否要退出.但EVC右上角的叉不像VC一样是CMainFrame中的WM_CLOSE事件响应的,哪位高人前辈给我讲讲我该怎么做才能达到这样的效果呢??… 查看全部问答> |
|
中国有多少工作很多年的电子工程师;中国每年有多少电子新手需要开始全新的技术生涯;他们有什么困惑需要去解开;他们最关心的问题是什么?他们对未来的期待是什么? 中国缺少什么样的电子工程师?中国缺少满嘴胡须的电子工程师;中国缺少坐轮椅 ...… 查看全部问答> |













