历史上的今天
今天是:2025年01月22日(星期三)
2018年01月22日 | 高通量工业扫描电镜的优势
2018-01-22
作者: 费宗莲 何伟 李帅 张德保
高通量扫描电子束显微镜(High Throughput SEM)以崭新姿态迎接现代新兴产业的挑战,犹如打开一扇洞察微观世界的窗户,眼见为实,视野宽阔。
本文站在用户视角,针对常见的五个误区,溯本清源,逐一诠释高通量扫描电镜的性能优势,并简介其背后的支撑条件和适合的应用场景。
误区之一:电镜生成图像慢
回答:电镜可以捕捉高速的动态图像
全新设计的工业扫描电镜,闪光点是超高速扫描成像。 高通量即指超高速,可以实现每秒200张的高动态采集,其成像速率达到100MPixels/s,刷新了该项技术性能指标,使扫描电镜由原来只能观测静态图像的照相机变为可以捕捉动态变化的摄像机。
如何快速获取1 X1015比特量级电镜图像数据,是神经科学中解析生物脑结构图谱和功能的瓶颈。 神经科学家认定电镜是实现映射绘制整个鼠脑神经图谱梦想的工具。
人类大脑有860亿个神经元。 鼠脑有7500万个神经元。从1986年映射数百个神经元感觉费时又繁琐,到三十年后的今天,科学家发布的映射结果由于速度受限仍停留在百万级神经层面。国产高通量电镜问世有望改变局面,目前一天采集数据已近8TB。双通道成像速率为2X100MB/s。
实现高通量的原因是多方面的。 主要归功于电子束成像通道的优势,一是探测器收集返回信号电子的效率高达90%;二是探测器系统的增益电路独特设计,放大率高; 三是场发射源电子枪的束电流密度高,保证能在高分辨率观察条件下束电流大。总之,抵达样品的电流大,收集的电流也足够大,从而就保证了成像速率高。
误区之二:扫描电镜不适合观察生物样本
回答: 分辨率为纳米级
大部分材料需要对显微组织形貌形态进行观察和微区成分检测分析。 工业扫描电镜能满足材料科学对高放大倍数、高清晰度和高效率的综合要求。SEM的分辨率是纳米级,比一般台式电镜高一个量级。成像分辨率达到1.5nm@1kV,可以满足大多数生物细胞类样品的组织形态观察需求,大大扩展了传统生物学主要依赖光学显微镜的研究能力。
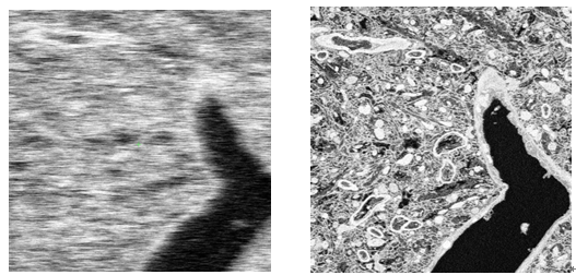
图一 两台不同电镜成像效果比较
在用最快速度拍摄同一样本的情况下, 左图为某国外知名品牌SEM,花了1800ms, 图像尚不够清晰。 右图为国产SEM花了267ms成像, 图像更为清晰。图一说明二者的差别。
为了获得较高的图像分辨率,工业SEM发射电子源采用高亮度的肖特基电子枪。亮度与激发后的电子能量成正比。枪尖狭窄,电流密度高, 束斑直径小。电子束打到样本上任一点, 探测器收集样本表面该点发出的二次电子(SE)和背散射电子(BSE),转换成电讯号,经视频放大后输入计算机,显示屏上就有一亮点与之对应,扫描成像。
误区之三:高分辨力成像时电镜观察范围小
回答: 扫描电镜具有宽视场
SEM适合利用样品表面材料的物质性进行微观成像。扫描视野大,对比度大,景深长,成像富有立体感,可直接观察样本凹凸不平表面的细微结构。
高速宽扫描视野是怎样做到的呢?传统的电镜中无论采用浸没物镜,或是采用摇摆物镜,还是不能解决大视场带来的球差和轴向色差的问题,不能解决纳米级束斑的问题,往往顾此失彼。
获得24k超高清数据采集能力(24000像素X24000像素),专利的复合聚焦偏转系统功不可没。工业电镜将偏转片组嵌放在物镜孔径空间内,由偏转器与物镜巧妙地组合成独特的浸润摇摆式物镜。它既保持了浸没物镜特性, 又具有摇摆物镜的优势,工作距离短,与大视场配合,而不需要进行动态校正。
物镜到样品的工作距离短,仅为4毫米,不仅实现了零场曲,更保证了高分辨率大扫描场观察时扫描场边缘的象差较小,可视范围得以扩大。

图二 电镜观测样本不同视场大小比较
图二中红线A区为普通偏转器设计,实际清晰图像的区域为图中红圈所示; 蓝线B区为浸没摇摆物镜设计,清晰图像区域为蓝圈所示,数倍于传统的视场。
在SEM中,放大倍数由调节扫描区域的大小来控制。 如果需要更高的放大率,只需要扫描稍小一块面积即可。 放大率由屏幕除以扫描面积而得。工业扫描电镜的放大倍数在200至60万倍之间连续可调。
荧光屏上的亮度是根据样品上被激发出来的信号强度来调制的,而由探测器接收的信号强度随样品表面状况不同而变化,那么由信号监测系统输出的样品表面状态的调制信号,在图像显示和记录系统中就转换成一幅与样品表面特征一致的放大了的扫描图像。
误区之四:电镜操作太复杂
回答:电镜操作就像玩iPad一样简单
开机自检,一键对中, 自动操作,定期维护。一套内置的人机工程软件程序包完全打消了使用者的顾虑。 光阑对中,是为了保证电子束沿中心光轴线穿行,镜筒内部件合轴。这是图像清晰的基础。高通量工业SEM将“自对中”功能作为对用户的首要承诺。
由于一套聚焦跟踪系统对XYZ轴实时跟踪微调,焦点始终对准样品。电镜在定期巡检的基础上,实现24X7连续运作, 对海量数据采集尤其有利。
误区之五:电镜发展已经很完备了
回答:可以完成特殊项目的定制化设计
国产电镜不仅可以标准化,还可以定制化设计,符合不同行业用户特定要求。具体用途包括半导体生产中的微区检测与工艺改进, MEMS装配中的视频级监控,材料基因组计划中的高通量材料检测手段,动态观察活细胞运动过程等。
以下列举几个常常会遇到的情况,试对解决方案作一解释。
(1)针对生物样品成像
针对生物样品导电性差,传统的高加速电压成像模式容易造成样品电荷积累,影响图像质量。因此,方案适合采用生物型低加速电压下的电子光学架构,减小电荷效应,实现高分辨率成像。
独特的减速电极设计,使电子在到达样品前才开始减速,从而提高了低电压下的分辨能力。生物医学对宽视野格外敏感。工业电镜实现了对鼠脑组织用BSE信号在低能量1kV下3倍TV速率的成像。结合背压加速技术,可获得优异的BSE成像衬度和高信噪比SNR。
(2)光电同步联合观测
多模态大尺度超分辨光电同步扫描电子显微镜是光电联用获得同一感兴趣区域的两种信息(超微结构信息和功能信息)的电子光学系统。
两套光学系统独立成像,共享一套运动平台,通过一套用户操作界面(GUI)控制两套系统,图像中心几何位置和角度偏差通过电偏转器施加平移和旋转量,实现高精度对中。
样品制备简单,使用灵活,且分辨率也可达1nm左右。
(3)建设三维重构平台
建设突触层次高通量神经微观重建技术平台,开展技术平台相关的电镜自动成像、序列图像配准、神经结构识别及三维重建等智能化分析技术研究。
为生物样品高通量3D重构应用设计的SEM, 电子光学结构具有以下特点;
• 高增益、高效率的BSE/SE收集
• 3倍视频级(25帧/秒)成像速度的1k高清图像
• 实现全样品无遗漏成像
• 全自动化操作,检测效率高,降低成本
• 无人值守,连续几个月无间断工作
• 可扩展多机并行采集,同步数据处理
• Google式地图集,远程索引查看方式
另外,用户可以通过互联网远程上网,共享仪器平台控制中心提供的服务。
结语
人们在热切参与云计算、大数据、无人机、人工智能热门话题的同时,往往对电镜这样的实体较少关注。 殊不知,电镜与大数据有着密不可分的关联。半个世纪以来人们印象中的电镜已发生了本质变化,跨越式提升令人耳目一新。百度上搜索的电镜信息有些似乎要稍作更新了。
固然,像电镜这样的经典产业并非一朝一夕就能取得规模效应,从阳春白雪到阿里巴巴还有一段路程,但它却是现代新兴产业,尤其是材料和医学发现新品实验验证不可或缺的工具。
史海拾趣
|
51单片机 Keil C 延时程序的简单研究by: InfiniteSpace Studio/isjfk, 1.21.2004任何人都可以在注明原作者和出处的前提下随意转载这篇文章,但不得用于商业目的。 应用单片机的时候,经常会遇到需要短时间延时的 ...… 查看全部问答> |
|
Freescale 2009 seminar之三Next-Generation Automotive Gateways Next-Generation Automotive Gateways Car Network Architecture Networking and Gateway Challenges Freescale Solutions for Gateways… 查看全部问答> |
|
习惯于keil 的环境,也刚学了点stm32,觉得stm32 的固件库用起很方便的,在LPCXpresso 上师兄些都讲得过多,也过细,我想“另类”一点,写一篇keil 的文章Lpc 没有提供有固件库,但看它的例子,想了一下,何不将例子中的文件做成固件库呢? ...… 查看全部问答> |
|
采集程序在运行了之后会出现一个错误,the specified group is in use,用探针看,除了循环的第一次error实现the operation could not compelte with limit time外,第二次以后的循环在config处error就开始输出这个错误,这是什么原因啊?而且,这 ...… 查看全部问答> |
|
430单片机的看门狗有两种工作模式:一是间隔定时器模式;一是看门狗模式。 间隔定时器模式比较简单,不麻烦大家了! 看门狗定时器工作于看门狗模式时,WDTIE对看门狗的工作及中断不起限制作用,可以不用理会。 当看门狗定时器定时时间到后,会置 ...… 查看全部问答> |




