历史上的今天
今天是:2025年01月30日(星期四)
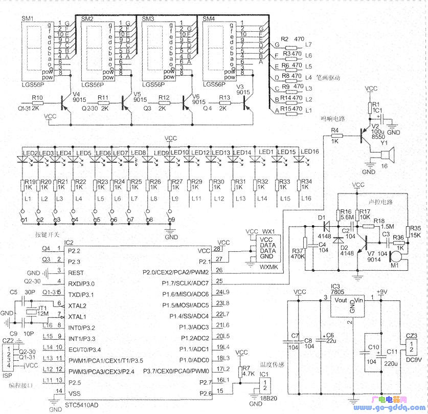
2018年01月30日 | 用STC12C5412AD单片机构成的集成实验板电路
2018-01-30 来源:eefocus
STC12C5412AD单片机,是一款增强型8051标准的51系列的单片机。速度比普通8051快12倍,可以在家庭中的计算机编程,无需仿真器。
STC12C5412AD有8通道的10位AD转换器,可以检测模拟信号,不用AD时可以当作数字输入输出口用。还有许多优于8051的性能。其指令与普通8051指令代码完全兼容,但执行速度大幅提升。
用其构成的示教学习板电路原理图如下图所示。
本电路的外围电路有:
(1)简单的发声电路:讯响器。
(2)麦克放大电路和半波整流电路。
(3)4个数码管动态显示电路。
(4)15个发光二极管,其中7个发光二极管与数码管的7个笔段驱动脚兼用。
(5)9个按键开关。与数码管以及发光二极管的脚位兼用。
(6)1个无线接收模块,接收的无线遥控指令送到单片机的一个端口中。
(7)1个温度传感器,单片机读取温度传感器的温度数据。
(8)1个编程接口。使用宏晶科技公司的简易编程器完成在线编程。
(9)直流稳压电路。本电路的单片机最小系统设计,一方面可以给学生一个简单设计电路的示范,另一方面给学生充分利用现有单片机的资源,开发新的应用软件。右图是本电路板的实物图。
9模块切换方法是:在未通电状态下,按下一个按键开关不放再接通电源,此时按键对应的功能被选择并记忆,今后重新上电没有重新设置新功能的情况下,原设置的功能保持不变。路板上的自左至右的9个按键对应的功能见下表。
| 工作方式 | 可执行的功能 |
| 1 | 1、9速度自动流水灯 |
| 2 | 2、9速度自动鸳鸯步 |
| 3 | 3、可设置时间的路口交通指挥灯 |
| 4 | 4、3首电子曲目交替的音乐电子喷泉 |
| 5 | 5、环境声音控制的声控电子喷泉 |
| 6、环境声音控制的声控电子滑块 | |
| 6 | 7、无线遥控对码学习 |
| 8、双稳态无线遥控方式的遥控操作 | |
| 9、单稳态无线遥控方式的遥控操作 | |
| 10、多选一{四选一)无线遥控方式的遥控操作 | |
| 7 | 11、暂态非锁无线遥控方式的遥控操作 |
| 12、无线遥控操作的数码闹铃时钟 | |
| 13、电子秒表 | |
| 8 | 14、高精度数字温度计 |
| 9 | 15、自动变速流水,自动变速鸳鸯步,音乐电子喷泉交替组合自动演示。 |

史海拾趣
|
为了延长 plc 控制系统的寿命,在系统设计和生产使用中要对该系统的设备消耗、元器件设备故障发生点有较明白的估计,也就是说,要知道整个系统哪些部件最容易出故障,以便采取措施。现以我厂特种水泥 / 号线的plc过程控制系统为例,对 pl ...… 查看全部问答> |
|
上图吧,实在是太晚了,也没啥可写的,大概简要说明一下就好。其他如果我在想起什么,会继续补充的。 这是Spartan-6的开发板,我掂了掂,挺沉的。。。AVNET做的,做工应该没得挑。 接口图,包括JTAG UART DVI 以太网接口及指示灯。 右边屏 ...… 查看全部问答> |
|
引 言 目前,国内研究和开发数控定位装置的单位都在研制各种经济型的工作台产品,一般定位精度为1 μm、5 μm、10 μm。工作台的结构布局、位移量的大小、测量速度等都越来越趋于灵活,自动化程度也越来越高,但是这些工作台大多数 ...… 查看全部问答> |
|
读完bootloader,一点疑惑: 1、发生异常时,中断向量表是有硬件根据异常强行跳转的,再由那个宏得到服务程序地址?非中断向量处理 是 中断向量处理 的一个补充?这个理解对不 2、在起始代码里reset是直接跳转的,单独设置了irp中断,其余都是未 ...… 查看全部问答> |
|
最近在学习中断驱动,有几点不明白,向大家请教: 1、在wince 中断里,逻辑中断号和事件关联,那么该事件是如何被触发的呢?需要人为干预吗? 2、某一类型的中断,比如I2C中断,isr_IIC对应一个逻辑中断,但触发该中断的原因可能有好几种吧?读、 ...… 查看全部问答> |
|
STM32的TIM2的TIM_OCMode_Timing方式疑惑 按固件库的说明,STM32的通用定时器TIM2有6种方式:TIM_OCMode_Timing;TIM_OCMode_Active;TIM_OCMode_Toggle;…………;我写了一个定时器定时100us程序。按下载的固件库程序里的实例,设置通用TIM2为TIM_OCMode_Timing方式,在定时比较中断 ...… 查看全部问答> |




