历史上的今天
今天是:2025年02月02日(星期日)
2018年02月02日 | ARM与GPRS技术的家居实时安防系统解析
2018-02-02 来源:eefocus
设计了一个以32位ARM微处理器STM32F103C8T6为控制核心,外加振动传感器和热释红外传感器的实时安防系统。该系统处于工作状态时,能实时监控到是否有人进入监控区域,且实现自动发送彩信报警。系统采用微型图像传感器OV7670获取图像信息,并对图像进行初步处理,再利用GPRS模块SIM900发送彩信到指定手机,同时将获取的图像数据保存到SD卡內。实验结果表明,系统工作稳定,实现了设计目标。
引言
最近几年随着我国城镇化的快速推进,人们的居住环境得到了很大的提升,家中的各类贵重物品也越来越多。由于城市的流动人口相对复杂,因此家居防盗已经成为人们非常关注的问题,对于家居安防方面的研究国内外都有不少方案。而这些方案基本都采用了运行嵌入式操作系统的高性能ARM9或者ARM11平台,外围搭配多种高端传感器,这类方案成本都较高。本文介绍一种基于低成本32位ARM平台为控制核心的家居实时安防系统,以更具实用性的设计和更低的成本,提供了一套实时安防解决方案,能很好地满足大部分家庭对家居安防的需求。
1 系统结构
从图1可以看出系统的模块化设计思想,充分利用成熟的技术和模组产品,有利于降低设计的难度和整体成本。系统采用低纹波高效能的5 V开关电源作为工作电源,电路内部经过多路电源管理单元的稳压处理后为系统各个模块供电,以保证系统良好的抗干扰性能。系统的控制核心为STM32F103C8T6,振动传感器的型号为SW-180,是中断信息输入单元,用户可以安装在适合的位置,负责检测振动信号。系统框架图如图1所示。

热释红外传感器的型号为HC-SR501,同样是单向输入单元,该传感器能准确发现100℃时5~7 m范围内的人体移动信号,实时将信号反馈到系统控制核心。图像传感器OV7670经过数据缓存FIFO后与控制核心STM32F103C8T6连接,可降低微处理器的速度要求,减轻系统的负担。
图像信息进入微处理器后将会进行初步处理和格式转换,得到的JPEG格式图像再通过GPRS模块SIM900以彩信的方式发送到指定的手机内。一旦有可疑人员进入房屋内,系统将被触发,并自动抓拍现场照片,发送彩信提醒用户,然后将照片保存到系统自带的SD卡内,以备查阅。
2 硬件设计
2.1 系统核心单元
系统核心处理器STM32F103C8T6采用高性能的ARM Cortex—M3 32位RISC内核,工作频率为72 MHz,内置高速存储器(64 KB的闪存和20 KB的SRAM),丰富的增强I/O端口和联接到两组APB总线的外设。其包含2个12位的ADC、3个通用16位定时器和1个PWM定时器,以及2个I2C总线接口和SPI接口、3个USART接口、一个USB接口和一个CAN总线接口。STM32F103C8T6的工作电压为2.0~3.6 V,采用LQFP48封装。系统内使用LDO将5 V电源转换为3.3V为其供电。

图2设计了时钟电路和复位电路,SD卡通过SPI接口与核心处理器通信,振动传感器和热释红外传感器则通过中断I/O口接入,图像传感器OV7670的SCCB接口连接核心处理器的I2C总线接口,GPRS模块SIM900则通过串口1进行通信。
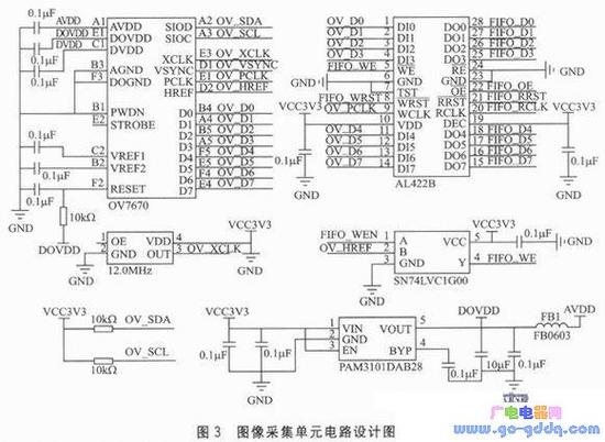
2.2 图像采集单元
OV7670是OmniVision公司生产的一颗30W像素COMS图像传感器,具有体积小、工作电压低的特点,提供单片VGA摄像头和影像处理器的所有功能。系统通过I2C总线控制,可以输出整帧、子采样、取窗口等方式的各种分辨率8位图像数据。该产品VGA图像最高达到30帧/s。用户可以控制图像质量、数据格式和传输方式。OmniVision图像传感器应用独有的传感器技术,通过减少或消除光学或电子缺陷如固定图案噪声、托尾、浮散等,提高图像质量,得到清晰稳定的彩色图像。

图3的电路中设计了12 MHz有源晶振,用于产生12 MHz时钟作为OV7670的XCLK输入信号。PAM3101DAB28用于向OV7670内部的模拟电路提供稳定的2.8 V工作电压,同时I/O工作电压也使用这组2.8V电源,这样OV7670内部自带的LDO即可正常工作,自动为OV7670的内核部分提供1.8 V电源。
系统设计了一个FIFO芯片AL422B,该FIFO芯片的容量为384 KB,足够存储2帧QVGA图像数据。由于采用了FIFO作为数据缓冲,系统的数据采集负担大大降低,设计者只需关心如何读取FIFO数据接口,不必再关心OV7670的数据是如何采集到的,又是如何传送到FIFO的,这样就可以减少甚至不用关心CMOS的控制以及时序关系,就能够实现图像的采集。
2.3 振动传感器单元
振动传感器SW-180是一种弹簧型无方向性振动感应器件,它可以任意角度触发。在静止时任何角度都为开路OFF状态,当受到外力碰撞或者大力晃动时,弹簧变形和中心电极接触导通使两个引脚瞬间导通为ON状态;当外力消失时,电路恢复为开路OFF状态。为了避免振动传感器受干扰误触发,利用电压比较器LM393对振动传感器的开关量信号进行预处理,过滤干扰信号,经过LM393后得到一个边沿陡峭的触发信号传送到核心处理器STM32F103C8T6的中断口。通过调节可调电阻即可改变振动传感器的触发灵敏度,振动传感器电路如图4所示。

2.4 GPRS模块单元
SIM900是SIMCOM公司推出的一款新型四频GSM/GPRS模块,支持MMS彩信功能,完全采用SMT封装形式,同时采用了功能强大的ARM926EJ-S芯片处理器。SIM900的供应电压范围为3.2~4.8 V,系统采用LDO器件MIC29302BU为其供电,LDO输入端设计了π型滤波电路,输出端加入了EMI器件,还有旁路电容,以保证电源的纹波足够低,如图5所示。

SIM900模块采用单电源供电,模块射频发射时会导致电压跌落,这时电流的峰值最高会达到2 A以上,因此电源供电能力尽可能达到2 A,建议VBAT引脚并接大电容,电容容量可以设置为100~300 μF,并且大电容应尽量靠近GPRS模块的VBAT引脚。
PCB布局时,VBAT上的旁路电容尽量要放在对应引脚附近,为了减少PCB走线阻抗,VBAT走线应尽量宽、走线尽量短、最好大面积铺地,以提供一个稳定的电源,保证SIM900正常工作。
当采用的是两层板设计时,因为PCB板层较厚,50Ω阻抗控制时,射频线与RF_IN焊盘之间走线采用渐变线,以减少射频线阻抗的突变。为了减少路径损耗,SIM900RF_IN Pad和天线馈点的间距尽可能短。
3 系统软件设计
3.1 系统主程序工作流程
从图1可以了解到系统各个部分的连接关系,所有系统外围模块都会接入核心处理器STM32F103C8T6的相关接口,各个模块的工作都受到核心处理器的控制。因此核心处理器在上电后必须首先进行一系列的初始化工作,以保证各个模块的稳定协调下作。STM32F103C8T6内部有一套复杂的时钟系统,系统上电后,核心处理器首先需要初始化其内部工作时钟,然后才能设置内部外设的工作模式,这些下作完成后才能通过各个接口初始化核心处理器外围的各类模块,例如OV7670和SIM900。
接下来主程序会进入一个无限循环内部,循环判断振动传感器和热释红外传感器的报警信号(该标志信号由中断函数产生)是否有效触发,一旦报警信号生效,核心控制器立刻通过OV7670抓拍图像数据(OV7670初始化时被设置为输出320×240的QVGA分辨率RGB565格式图像),然后进行图像处理。包括白平衡、图像格式转换等,得到JPEG格式图像,再将图像文件写入SD卡内保存。最后,利用SIM900接入GPRS网络,将图像以彩信方式发送到指定手机上,至此一次完整的防盗报警完成,完整工作流程如图6所示。

3.2 图像传感器OV7670工作流程
核心处理器STM32F103C8T6的I2C总线接口与OV7670的SCCB接口相连接。本系统中,在上电时核心处理器将OV7670配置为320×240分辨率的QVGA模式,输出数据格式为RGB565。OV7670的部分初始化设置源代码如下:

由于在OV7670与核心处理器之间增加了FIFO,该FIFO足够存储2帧QVGA图像数据,所以核心处理器只需按照FIFO的通信时序,从FIFO中读取图像数据即可。核心处理器通过FIFO读取一个像素图像数据的程序流程如图7所示。图像传感器抓取的原始图像质量符合设计要求,如图8所示。

结语
ARM和GPRS技术目前已经非常成熟,基于新型Cortex—M3架构的ARM处理器的性价比较高,本系统正是充分利用现有成熟的技术,经过优化搭配,设计了一套实用的家居安防系统。实验结果证明,系统的设计是科学可行的,振动和红外传感器灵敏度较高。
史海拾趣
|
考虑一个数字信号处理的实例,比如有限冲击响应滤波器(FIR)。用数学语言来说,FIR滤波器是做一系列的点积。取一个输入量和一个序数向量,在系数和输入样本的滑动窗口间作乘法,然后将所有的乘积加起来,形成一个输出样本。 类似的运算在数字 ...… 查看全部问答> |
|
PIC16F73单片机,需要晶振工作在HS模式,要在程序中设置吗?还是只要接上高速晶振就行了? PIC16F73单片机,需要晶振工作在HS模式,要在程序中设置吗?还是只要接上高速晶振就行了?… 查看全部问答> |
|
请问达人金手指SO-DIMM 200pin封装的尺寸: 焊盘的长度和宽度; 焊盘的间距; 金手指卡口的位置; 焊盘距离板子两边的距离; 哪位达人有这些相关的资料给我发一个,谢谢啦 feixiang0531@sina.com… 查看全部问答> |
|
SignFile.exe的问题,按照ce help或者付林林上的文章说的执行失败!为什么? 如何!也就是windows ce系统加密的事宜。不经过签名的程序或者dll不能在设备生运行!… 查看全部问答> |
|
9月10日.NET外企软件工程师班新班开课, 欢迎大家免费试听! 中美*爱*梯*科技, .NET外企软件工程师班将于2007年9月10日开课, 开课第一周免费试听, 欢迎大家踊跃报名参加! 公司网址: http://www.happyit.com.cn 报名电话: 82240069 中 ...… 查看全部问答> |
|
如图所示。 我是在调试lm3s811程序的时候, 程序复位一下 就出现这样的对话框了。多次出现,但是没有规律。 有谁有见过类似的情况,求解~~… 查看全部问答> |
|
会议通知 TI中国大学计划各合作实验室老师, 你们好! 德州仪器公司大学计划部拟定于2012年11月7日至11月11日在山东济南举办“2012年德州仪器中国教育者会议”,特此我们诚挚邀请您参加,本次活动初步安排如下: 时间:2012 年 11月7日 - 2012年 ...… 查看全部问答> |
|
[应用笔记]利用数字电位计AD5292、运算放大器OP184和MOSFET构建具有 提升输出电流... 利用数字电位计AD5292、运算放大器OP184和MOSFET构建具有 提升输出电流的可编程高压源 电路功能与优势 图1所示电路采用数字电位计AD5292和运算放大器 OP184,提供一种具有提升输出电流的低成本、可编程高 压源。BSS138 PMOS晶体管和Si2307C ...… 查看全部问答> |
|
本帖最后由 曾经in 于 2015-1-30 23:46 编辑 今天收到了lonerzf大大寄的板子430FR5969 先上图 开箱。。 包装和配件 说明书,,每个引脚功能都有标 正反面都有丝印,很方便 板子铜箔挺厚的,绿油质量不错、丝印也很牢固。 板上一超级电容估 ...… 查看全部问答> |




