历史上的今天
今天是:2025年02月04日(星期二)
2018年02月04日 | 基于STM32的加密录音笔设计分析
2018-02-04 来源:eefocus
内容摘要:在STM32平台上采用TEA微型加密算法实现了数字加密录音笔的设计,其中模拟音频信号通过低通滤波器和放大器处理后,进行A/D转换和ADPCM编码,STM32主控制器对编码数据进行加密以及存储操作。同时通过对加密录音笔进行测试和分析,表明系统录音过程稳定可靠、加密效果良好,且达到了设计要求。
随着电子产品对数字信号处理技术的需求广泛应用,语音信息的保密性也成为信息处理领域的一个重要研究方向。模拟音频信号的数字化过程包括采样、量化和编码等,数字信号具有抗干扰能力强、信号动态范围大(S/N>90 dB)以及可进行数据压缩的特点。数据加密是由加密密钥和加密算法将明文数据转化为没有固定意义的密文;数据解密即是由解密密钥和解密算法将密文恢复为明文。
系统使用基于ARM内核的STM32处理器执行加密算法和系统的协作控制。采用TEA加密算法对接收到的音频数据进行实时加密,加密后的语音数据存储到外部SD卡中,并可将语音文件通过USB接口传输到计算机进行解密处理。文中设计完成了数字录音模块和STM32外围配置的硬件电路;PCB布局布线;编写加密录音笔软件,实现了数字录音笔的数据加密与数据存储功能。
1 系统整体设计
系统硬件电路主要分为数字录音模块和STM32处理器模块两部分,如图1所示。数字录音模块负责模拟音频信号捕获和信号采样、量化以及编码处理;处理器模块实现数字数据的加密运算、数据存储以及系统的整体控制。

语音信号通过麦克风输入后进行数字录音,数字录音电路包括滤波器网络、增益放大和语音处理3部分。由于系统要求尽可能减小PCB板面积,所以本文选择能同时满足增益放大、A/D采样以及编码处理的录音芯片VS1003。STM32处理器模块负责加密算法的执行和系统的协作控制。VS1003将采集到的数据通过SPI接口实时传输到STM32进行加密处理,并将加密后的密文数据通过另一个SPI接口存储到外部容量为2 GB的SD卡中。
2 硬件电路设计
2.1 STM32处理器电路
2.1.1 主控芯片配置电路
主控芯片使用STM公司的STM32F103C6T6控制器,该系列32位闪存微控制器使用ARM公司具有突破性的Cortrex-M3内核,Cortex-M3内核基于哈佛架构,指令总线和数据总线相互独立,使STM32的性能得到明显提高,并在大幅提高了应用程序的执行速度。
STM32通过BOO了[1:0]引脚选择3种不同的启动模式,系统使用主闪存存储模式,即主闪存存储器被选为启动区域;系统时钟采用8 MHz内部时钟经内部倍频为48 MHz。STM32支持两种调试接口(SWJ):SW调试和JTAG调试,且SW调试和JTAG调试的部分引脚是复用的。本文采用SW(同步串行协议)调试:SWCLK为从主机到目标的时钟信号;SWDIO为双向数据信号;SWDIO为双向接口,需接100 kΩ的上拉电阻。STM32主控芯片的配置结构如图2所示。

2.1.2 SD卡存储电路
安全数码卡(Secure Digital Memory Card,SD)是基于半导体快闪记忆器的多功能存储卡,具有容量大、性能高、安全性强等优点。SD卡支持3种传输模式:SPI模式、1位SD模式以及4位SD模式,文中使用SPI传输模式与STM32主控制器进行通信,SD卡与STM32的连接如图3所示。

2.1.3 USB通信电路
STM32处理器内部自带一个USB从控制器,符合USB通信连接规范。USB传输所需的48 MHz时钟由内部系统时钟提供,USB接口电压由+5 V供电。其接口电路连接图如图4所示。

2.2 数字录音电路
数字录音单元通过对输入的模拟音频信号进行低通滤波、增益放大以及采样、量化和ADPCM编码处理,输出数字音频数据。VS1003是VLSI公司的一款支持MP3/WMA/MIDI音频编解码和ADPCM编码的芯片,内置一个高性能、低功耗的DSP处理器内核,具有5 kB的指令RAM,0.5 kB的数据RAM,串行控制/数据输入接口,1个UART口以及4个通用IO口;同时片内带有一个立体声DAC以及一个可变采样率的ADC。
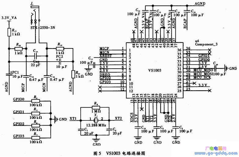
输入模拟音频信号经LINE_IN引脚输入到VS1003进行A/D采样,量化和ADPCM编码,并通过SPI通信协议与STM32主控制器进行数据与控制信号的传输。录音电路与STM32的连接电路如图5所示。

VS1003芯片由外部晶振提供12.288 MHz时钟作为主时钟,如图5所示。录音芯片由系统电源模块供电,所需2.5 V模拟电压、3.3 V数字电压以及3.3 V模拟电压,由AMS1117线性电源模块提供。XRESET信号提供录音芯片的硬件复位,当XRESET为低时,VS1003处于复位状态。系统通电或硬件复位后,主机通过对各硬件寄存器的设置来实现对录音芯片录音模式和具体参数的设定。
2.3 供电电路
系统由外部电源或锂电池供电,采用数字5 V进行供电,使用CN3052充电电路对锂电池充电。CN3052A是对单节锂离子或锂-聚合物可充电电池进行恒流/恒压充电的充电器电路,其只需较少的外围器件,且符合USB总线技术规范。充电模块电路如图6所示。

3 录音笔软件设计
录音系统的软件程序包括加密录音程序和上位机解密程序。加密录音过程为,首先对VS1003语音芯片进行初始化配置,设定录音参数,通过计数器计数值为文件名,创建WAV头文件,读取SPI接口采集的数字音频数据并进行数据加密处理,随后再保存为WAV文件。上位机解密软件通过计算机对加密录音文件进行解密处理。加密录音流程如图7(a)所示。

3.1 底层驱动程序
S7M32控制器通过SPI接口对VS1003录音芯片进行寄存器配置,然后进行数字音频数据的传输,经加密处理后将数据存储到SD卡中,上位机通过USB接口直接对存储器进行读写操作,以方便加密录音文件的拷贝。系统使用VS1003,采样率为8 kHz,采样位数为16 bit,其配置流程如图7(b)所示。STM32为USB开发工具集提供了完整且经过认证的固件包,从而可轻易实现对各类USB固件的开发。其中包括:用于普通设备管理任务的控制传输、批量传输、中断传输以及同步传输。USB接口配置流程如图7(c)所示。
3.2 TEA加密程序
为满足实时加密的要求,本文采用基于TEA的加密算法。TEA是一种小型的对称加解密算法,支持128位密钥,该加密算法的优点是速度快、效率高。为避免for循环和除法运算,采用升级版的TEA加密算法,通过对加密算法的更改,可一次加密512 Byte,符合Flash一页扇区的存储大小。TEA加密算法通过加密轮数来保证数据的可靠性,程序采用12轮加密,故具有较高的可靠性。
算法的主要思想是将输入的512 Byte明文数据进行分组,得到每组32 bit,共128组的数组V0,V1,…,V127,并对128位密钥进行分组得到4组32 bit的数组K0,K1,K2,K3,然后将每组数据Vj进行加MX运算,共进行128次,完成一轮加密。密钥常量设置为
unsigned char TEA_key[16]={0x01,0x02,0x03,0x04,0x05,0x06,0x07,0x08,0x09,0x0A,0x0B,0x0C,0x0D,0x0E,0x0F,0x10};
TEA加密算法流程如图8所示。

其中,Delta的初始值为0x9E3779B9,Delta值的不断变化使得每轮的加密均有所不同。TEA解密算法是加密的逆运算,对加密后的wav文件进行解密处理,本文使用C#编写解密界面。
4 实验仿真
打开电源开关,状态指示灯闪烁一次;使用录音中间“一键录音”按键,录音指示灯常亮;再次按键时录音指示灯熄灭,停止录音。本文使用音频处理软件Cool Edit Pro进行波形观察,加密的录音源文件和解密后的波形文件如图9所示。

通过音频信号的波形对比可看出,加密后的音频信号波形是完全随机的乱码,语音播放时呈噪音状态,解密后的音频文件声音还原性良好。
5 结束语
系统使用VS1003、STM32等器件实现一键录音加密录音笔的设计,USB从控制器与PC机进行通信,实现数据传输。数字录音技术是现代数字信号处理的重要组成部分,其融合了音频数据采集与传输、音频数据处理以及嵌入式等多种技术,具有广阔的应用前景。
史海拾趣
|
本帖最后由 paulhyde 于 2014-9-15 02:54 编辑 包括测试程序,原理图,是买的一块开发板上给的。 [ 本帖最后由 chbaaic 于 2008-10-30 11:52 编辑 ] … 查看全部问答> |
|
百利通公司总部设在硅谷,是Nasdaq上市公司,在晶体振荡器领域位居世界前十大。百利通公司在香港和美国都设有研发中心,拥有一批经验丰富的专业设计人员。随着产品线的扩充和区域市场的成熟,先后在台湾、香港、上海设立公司,凭借其遍布全球的销售 ...… 查看全部问答> |
|
采用生物识别技术的门禁系统在安防行业应用已经越来越多,包括银行、监狱、部队等单位已经采用生物识别的门禁系统来加强其管理的安全性和使用的方便性。由于生物识别技术已经开始达到大规模的应用水平,包括产品价格、品质和技术都已经相对成熟 ...… 查看全部问答> |
|
大家好: 请教大家一个问题: 在微软window mobile 的windows media player下的右软键菜单下添加一个菜单项,该怎么添加? 微软是否提供相应的接口? 有谁知道 ...… 查看全部问答> |
|
程序大概这样的,一个试图列表里显示了CF卡中所有的文件,鼠标焦点可以放在文件上,但现在想做一个选取功能,就是,当鼠标单击了一个文件就能直接或按另一个按钮读出他的名字,这样好去CF卡中查找这个文件并对这个文件操作。问题是,怎么读出文件的 ...… 查看全部问答> |
|
公司名称: Carrier Access 公司网址: http://www.carrieraccess.com 电子邮箱: lshi@carrieraccess.com,简历请注明信息出处 工作地点: 上海 外语要求: 英文良好 简历接收方式: 英文及中文 学历: 本科以上 职位描述: -Candidates will ha ...… 查看全部问答> |
|
void FloatToByte(float floatNum,unsigned char* byteArry){ char* pchar=(char*)&floatNum; for(int i=0;i<sizeof(float);i++) { &nb ...… 查看全部问答> |




