历史上的今天
今天是:2025年03月01日(星期六)
2018年03月01日 | 利用RS-232C实现PC机与单片机的通信
2018-03-01 来源:eefocus
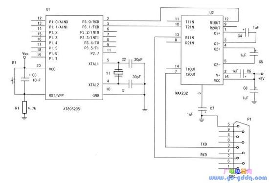
我们知道EIA-RS-232C是用正负电压来表示逻辑状态,单片机串行口采用正逻辑TTL电平,这样单片机和PC机的COM1或者COM2就不能直接连接。为了能够同计算机接口或终端的TTL器件连接,必须在EIA-RS一232C与TTL电路之间进行电平和逻辑关系的变换。实现这种变换的方法可用分立元件,也可用集成电路芯片。目前较为广泛地使用集成电路转换器件,如MCl488、SN75150芯片可完成TTL电平到EIA电平的转换,MCl489、SN75154可实现EIA电平到TTL电平的转换。而MAX232芯片可完成TTL←→EIA双向电平转换,MAX232系列芯片集成度高,+5V电源(内置了电压倍增电路及负电源电路),只需外接5个容量为0.1μF~1μF的小电容即可完成两路RS-232与TTL电平之间转换。MAX232引脚图如下图所示。

把它和单片机连接起来,以实现PC机与下位机的通信:单片机串口使用查询法接收和发送资料。PC机发出指定字符,单片机收到后返回给上位机原字符。
首先来完成电路连接,单片机AT89S2O51串行口经MAX232电平转换后,与PC机串行口相连,电路图如下图所示。

PC机使用串口调试助手V2.2.exe,实现PC机与单片机的通信。
打开串口调试助手V2.2.exe应用程序,进行设置:
波特率--4800
数据位--8
奇偶校验--无
停止位--1(因为采用没有联络信号的通信,下位机也需相同协议设置)在‘发送的字符/数据'区输入字符/数据,接手动发送,接收区收到相同的字符/数据,或者按自动发送,接收区将接受到发送的字符/数据(注:自动发送的时间可以在串口调试助手中改动)如下图所示。

单片机预先编制的程序清单如下:

史海拾趣
|
以前用过的nucleo-g491 用STM32 ST-LINK Utility连不上,STM32CubeProgrammer可以 本帖最后由 damiaa 于 2022-11-26 20:16 编辑 以前用过的nucleo-g491 用STM32 ST-LINK Utility连不上。 4.20 4.60版本都一样。 STM32CubeProgrammer可以 stm32cubeide仿真 没问题。 keil仿真没问 ...… 查看全部问答> |
|
疑问:理论上分析:当Vi电压大于1.4V时T1管导通,T2和T5管导通钳位T1管集电极的电压 怎么理解T1管的工作状态?是频繁开关? T1管集电极电位?集电极集电极电位一直稳定在1.4V? … 查看全部问答> |
|
全志异核多构 AI智能视觉V853开发板测评 - V853编译测试libomv库(代替opencv基础库) #V853编译测试libomv库 libovm为openmv开源项目中的图像算法的核心库,此库集成了大部分的基础图像算法接口和统一的图像结构体,整个库非常的迷你,编译生成的libimlib.a库只有1.8M的大小,可以代替基本的opencv的基础库,而且不依赖其他库所以编 ...… 查看全部问答> |
|
物联网是从应用出发,利用互联网、无线通信网络资源进行业务信息的传送,是互联网、移动通信网应用的延伸,是自动化控制、遥控遥测及信息应用技术的综合体现。 信息革命浪潮。物联网已经在全世界得到了很大的重视,随着“物联网十二五& ...… 查看全部问答> |
|
1. 使用的型号为LRM470-RL22。 2. 当前 进入Sleep后 功耗还有200uA . 不知道哪里有问题。 3. 可能是单片机的引脚要输入输出进行配置, 但是Sw_Ctrl1 和sw_ctrl2已经配置为 ...… 查看全部问答> |
|
目前我想通过lora模组跟网关连接,如果我的模组配置是这样的,AT+BAND=6;AT+FREQ=1,8,470300000;AT+FREQ=3,8,500300000;AT+OTAA=1;AT+RX2=0,500300000;AT+CLASS=2;AT+JOIN=6;AT+SAVE;,那请问网关需要怎么配置,就是global_conf.json文件中的代码。 ...… 查看全部问答> |
|
上篇文章:玩转RP2040之开箱测评与上电运行,介绍了RP2040的硬件和上电使用情况,本篇来进行软件开发环境的搭建。 RP2040支持Python或C语言开发,本篇使用Python来进行开发。 1 软件环境搭建 这款RP2040板子与树莓派的另 ...… 查看全部问答> |
|
最近在找POE方案,正好论坛活动,就挑选了MPS的POE发送端和受电端的DEMO板,收到货后马上开箱 连封箱胶带都是MPS 包装很认真啊,非常专业 EV8007H板,接上网线就可以测试MP8007芯片,板子做工不错每个元件用料都很讲究 & ...… 查看全部问答> |
|
e络盟 网站在购买体验上是真的很好,客服的响应速度很快,这次购买发货也是真的很快! 这次买了几颗STM32G0芯片,G0性能不错价格也是相对其它系列要低,相较而言属物美价廉! e络盟发货在包装上也是很用心的,纸质包装箱+气泡袋 保护得很好! ...… 查看全部问答> |




