历史上的今天
今天是:2025年03月01日(星期六)
2018年03月01日 | 基于RS485单片机多机串行通信的电子开关的设计
2018-03-01 来源:eefocus
引言
目前多机串行通信是通信控制领域的主流通信方式,数据通信、计算机网络、分布式工业控制系统及其测控领域中,经常采用串行通信来达到信息交换的目的。多机串行通信控制网络是物理层采用RS 485通信接口所组成的多机串行通信工控设备网络,RS 485既是物理层的协议标准,也是串行通信接口的电气标准。这种通信接口可以十分方便地将许多设备组成一个控制网络。RS 485通信方式有很多优点,首先它的通信距离比较远,通常可以做到数百米甚至千米以上,而且还可以实现多点通信方式,从而可以建立一个小范围内的局域网,因而更有实用价值。RS 485采用差模信号传输方式,与地电平关系不大,因而它抗干扰的能力比较好,即便在信号电压比较小的情况下也能获得稳定的传输。
1 总体方案及硬件设计
该电子开关系统的设计要求主机能够与从机之间进行地址确认并相互通信,从机能够准确检测到被测信号,主机能够接收从机传来的数据信号,并通过液晶显示器和发光二极管显示,同时采用RS 485总线主从机可以实现长距离通信。主从机采用的主要核心芯片均为单片机,考虑单片机性能及实际运行环境的需要,选用AT89S51单片机,串行通信网络结构如图1所示。

(1)主机使用主要器件:AT89S51 MAX4851602LCD LED RESISTORS CAP CRYSTAL;
(2)从机使用主要器件:AT89S51 MAX485 RESISTORS CAP CRYSTAL
主机主要功能:
(1)与从机之间进行地址确认。
(2)查询从机是否有信号(从机检测被测量时产生的相应的数据信号)发送到主机。
(3)通过液晶显示发送信号的从机地址,同时可以通过发光二极管显示信号的级别(这里两个发光二极管分别代表两个行程开关的亮灭)。
从机主要功能:
(1)与主机之间进行地址确认。
(2)检测被测量,并将被测信号数据发送给主机。
主机主要有两大功能模块:液晶显示模块用来显示从机地址编号,所使用的器件为1602LCD,RS 485串行通信模块用来实现与从机之间的远距离串行通信,使用MAX485芯片来实现。
从机的主要功能模块为RS 485串行通信模块用来完成与主机之间数据的发送和接收。
2 设计实现原理
主从机均采用的是AT89S51单片机,它是一个低功耗,高性能CMOS 8位单片机,片内含4 KB的可反复擦写1 000次的FLASH只读程序存储器。单片机的XTAL1:反向振荡放大器的输入及内部时钟工作电路的输入。XTAL2:来自反向振荡器的输出。本电子开关设计外接12MHz晶振。
主从机均使用单片机2个全双工串行通信口外接MAX485芯片来完成与从机之间的串行通信,由串行口控制寄存器SCON设置串行口的工作方式、监视串行口工作状态、发送与接收的状态控制等。P3.0/RXD为串行通信接收端,P3.1/TXD为串行通信发送端。
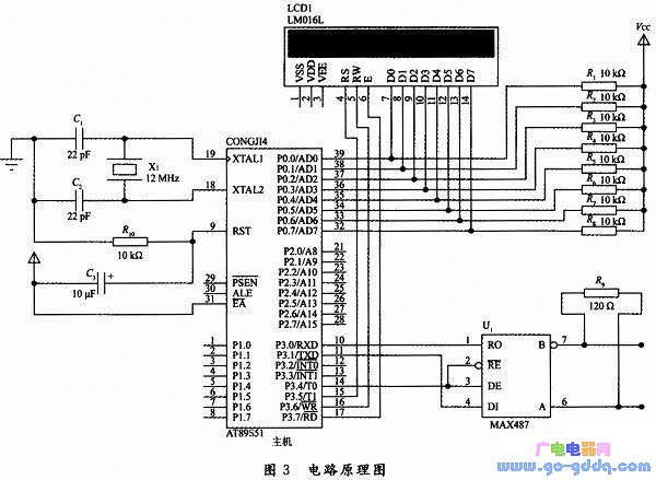
主机端口P0.0~P0.7作为液晶显示器的数据线,P0口上拉10 kΩ电阻与1602液晶的D0~D7数据端相连,P3.7与使能端E相连,P3.6与读/写信号线RW相连,P3.5与寄存器选择端RS相连。P1.0和P1.1引脚接两个发光二极管,用来显示从机发送信号的级别。
从机P1.0和P1.1引脚分别接到一级行程开关和二级行程开关,用来检测两个开关的状态,最终由从机P1.0和P1.1这两个引脚将行程开关的状态发送到主机,主机读取状态值并且显示。
主机通过轮询的方式,当主机查询n号从机时,与n号从机进行地址确认,并判断n号从机是否有信号产生,如果没有,主机将查询n-1号从机,如果有信号产生,主机接收到信号并存储该从机的主机编号,分别通过发光二极管和液晶显示出来,如果n-1号从机继续有信号产生,主机继续接收,直到接收完毕,主机将查询n-2号从机,如此往复。从机的个数可以在主机程序中对从机个数n值进行设定。
2.1 多机串行通信及通信协议
电子开关的设计核心主要通过单片机的多机串行通信来实现。
2.1.1 发送器和接收器
AT89S51串行口主要由发送器、接收器和串行控制寄存器组成。发送器主要由发送缓冲寄存器SBUF和发送控制器组成。接收器主要由接收缓冲寄存器SBUF,接收移位寄存器和接收控制器组成。
2.1.2 串行口控制寄存器
串行口控制寄存器SCON用于设置串行口的工作方式、监视串行口工作状态、发送与接收的状态控制等。它是一个既可字节寻址又可位寻址的特殊功能寄存器。控制寄存器SCON的格式如下:

电子开关中单片机串行口控制寄存器SCON各位设置如下:
主机SCON设置:1 0 0 1 1 0 0 0 =#98H
从机SCON设置:1 0 1 1 0 0 0 0 =#0B0H
2.1.3 工作方式的选择
本电子开关单片机串行通信工作方式选择为工作方式2,在方式2下,串行口工作在11位异步通信方式。一帧信息包含一个起始位“0”,八个数据位,一个可编程第九数据位和一个停止位“1”。其中可编程位是SCON中的TB8位,在八个数据位之后,可作奇偶校验位或地址/数据帧的标志位使用,由使用者确定。
波特率的选择:方式2的波特率是固定的。
若PCON中SMOD=0,速率=fosc/32
若PCON中SMOD=1,速率=fosc/64
该设计中:波特率为9 600 b/s。
2.1.4 实现原理及流程
多机通信主要靠主、从机之间正确地设置与判断多机通信控制位SM2和发送或接收的第9数据位(D8)。
电子开关多机串行通信的实现流程:
(1)主从机均初始化工作方式2,主机置SM2=0,允许中断,从机置SM2=1,REN=1。
(2)主机置REN=1,TB8=1,将地址信息发送给从机,并等待是否发送完毕,从机等待主机发送地址。
(3)从机接收到地址与本机地址核对,核对正确,置SM2=0,向主机发送应答地址并等待发送完毕,主机接收之后进行地址确认,并置TB8=0。
(4)从机地址发送完毕后,接着发送信号数据并等待发送完毕。
(5)主机接收到数据将从机编号发送到液晶显示,将信号数据发到发光二极管显示信号级别。
2.1.5 主从机之间地址确认
主从机在进行数据通信之前,首先进行地址确认,其目的就是让主机知道哪号从机向主机发送数据。主机首先发送n号从机地址编号#0FFH,所有从机接收到主机发送的地址后与各自的地址进行核对,地址不是#OFFH的从机将继续等待主机的呼叫,核对正确的从机向主机发送本机的应答地址,主机收到从机的应答地址后进一步做出判断,确认是否是n号从机的地址。地址确认正确之后,主机与n号从机进行数据通信,直到数据通信完毕,主机将呼叫下一号从机。
2.1.6 避免多从机与主机通信产生数据冲突
一个主机与多个从机进行串行通信的时候,如果当某一从机有数据时向主机发送,这时可能出现两个,三个或者更多从机同时产生数据,需要同时向主机发送,这样就会导致数据通信的冲突问题。该电子开关的设计采用主机轮询从机的方式,从而有效避免了主从机数据通信冲突的问题,主机先呼叫n号从机,地址确认之后,是n号的从机应答并与主机进行通信,其余从机处于等待状态,主机接收n号从机数据,并判断该从机是否继续有数据发送,此时其他从机若有数据只能处于排队等待中,不会对主机产生干扰,主机接收完毕后将n号从机地址减1,呼叫n-1号从机,如此反复轮询各个从机。主机轮询的过程是很快的,从机检测到被测信号的时候也能得到及时的处理。如图2所示。

2.2 多RS 485串行通信模块
RS 485采用平衡发送和差分接收方式来实现通信:在发送端TXD将串行口的TTL电平信号转换成差分信号A,B两路输出,经传输后在接收端将差分信号还原成TTL电平信号。两条传输线通常使用双绞线,又是差分传输,因此有极强的抗共模干扰的能力,接收灵敏度也相当高。如果以10 Kb/s速率传输数据时传输距离可达12 m,而用100 Kb/s速率传输数据时传输距离可达1.2 km。如果降低波特率,传输距离还可进一步提高。
实现RS 485串行通信只需给主机和每个从机接各接一片MAX485芯片,其接收器的输出端RO和驱动器的输入端DI,只需分别与单片机的RXD和TXD相连即可;和DE端分别为接收和发送的使能端,当为逻辑0时,器件处于接收状态;当DE为逻辑1时,器件处于发送状态,因为MAX485工作在半双工状态,所以只需用单片机的一个管脚控制这两个引脚即可;在主机电子开关中使用单片机的P3.4引脚控制MAX485的和DE两端,如图3所示。

A端和B端分别为接收和发送的差分信号端,当A引脚的电平高于B时,代表发送的数据为1;当A的电平低于B端时,代表发送的数据为0。在与单片机连接时接线非常简单。只需要一个信号控制MAX485的接收和发送即可。
可靠性措施如下:
复位时,主从机都应该处于接收状态。
控制端,DE的信号的有效脉宽应该大于发送或接收一帧信号的宽度。
同时将A和B端之间加匹配电阻,一般可选120 Ω的电阻,吸收总线上的反射信号,保证正常传输信号干净、无毛刺。匹配电阻的取值应与总线的特性阻抗相当。
接收和发送的使能端和DE的引脚控制在程序中的实现,主机部分程序如下:

2.3 液晶显示模块
液晶显示模块选用1602液晶,1602液晶显示器以其微功耗、体积小、显示内容丰富、超薄轻巧的诸多优点,在袖珍式仪表和低功耗应用系统中得到越来越广泛的应用。电子开关上使用1602液晶显示,是用来显示发送信号数据的从机编号,某一从机检测到信号时将会显示:
Fault Machine is:***(001号,002号,003号……)
1602主要引脚定义如下:
RS为寄存器选择,高电平时选择数据寄存器、低电平时选择指令寄存器。RW为读写信号线,高电平时进行读操作,低电平时进行写操作。当RS和RW共同为低电平时可以写入指令或者显示地址,当RS为低电平RW为高电平时可以读忙信号,RS为高电平RW为低电平时可以写入数据。E端为使能端,当E端由高电平跳变成低电平时,液晶模块执行命令。D0~D7为8位双向数据线。
主机接收到某一从机发来的一级或二级信号时,将此从机的编号发送至液晶显示出该从机的编号。主机首先对地址编号值进行百十个位分离,然后在液晶上逐位显示。
百十个位分离程序如下:
![]()

主机RS 485通信与液晶显示电路原理图如图3所示。
3 电子开关的功能及应用
该电子开关从功能上主要分为主机和从机电子开关两部分。
主机主要完成数据的接收和处理,以及将最终结果状态显示出来,从机电子关主要完成信号的检测,同时将数据发送给主机,整个系统的搭建由一个主机和一个或多个从机电子开关组成,从机电子开关的数量可以根据实际情况的需要而定。
因该电子开关要应用到传送带位置跑偏的检测中,从机电子开关要安装在一个档杆机构(如图4,图5所示)中,每个档杆机构中内部都有两个行程开关,根据所要求的信号级别,分别将它们设置为一级行程开关和二级行程开关,档杆通过凸轮机构与行程开关相连,从机电子开关的两个数据输入线接到两个行程开关上即可。


该电子开关主要针对大中型传送带传送过程中位置跑偏的检测而设计完成,同样也可以应用到其他相关的设备及场合的位移量及跑偏量的检测。在传送带两侧已确定位置放置从机电子开关,当传送带传送过程中某处有一定量的位置跑偏,会通过档杆触动一级行程开关,产生一级触发信号,并将信号传送到从机电子开关,从机电子开关检测到并将其发送到主机处理,主机负责显示产生故障的从机编号及故障级别,以供工作人员了解到传送带何处产生一级跑偏,并对传送带做出相应调整,同理传送带某处产生二级跑偏量的时候,将会由从机电子开关将二级信号发给主机显示。
传送带上的安装结构示意图如图5所示。
4 运行状态及结果
当1号从机所连接的行程开关档杆机构中1级行程开关被按下时,1号从机检测到一级故障信号,与主机进行地址确认之后,并向主机发送数据,此时主机上液晶显示器上显示:Fault Machine is:001(故障从机编号为001),同时发光二级管有一个显示灯熄灭(正常状态下两个发光二极管处于发光状态),同理若是2号从机检测到故障信号时,运行结果如图6所示。

5 结论
该电子开关采用了单片机多机串行通信原理而设计,由RS 485模块和1602液晶显示模块组建的小型电子开关系统,在工业控制中,多机串行通信的应用越来越广泛,可以在此电子开关设计的基础上开发功能更强的基于RS 485总线的多机串行通信的电子开关相关产品,以应用于工业控制,检测等及其他领域中。
史海拾趣
|
初学者, 想去 示波器,以及电源器 刚才淘宝上看到一处买示波器, 有几种价格,便宜的三四百, 不知道能不能用, 各价格有什么区别,懂的人看看 http://store.taobao.com/shop/xshop/wui_page-cat-35391858-36790672-ob7Eo8Tiyr6yqMb3ob8=.htm ...… 查看全部问答> |
|
苹果的每一次举动,似乎都成了暴力拆解的对象,其中的芯片,也自然成了大家关注的焦点。 随着苹果iPad平板电脑的发布,有关其内部集成的自产处理器Apple A4的信息也逐渐浮出了水面, BSN 网站报道称这款处理器是一款集成了ARM Cortex A9架构多 ...… 查看全部问答> |
|
关于欧姆龙PLC与变频器的通讯,我使用的是欧姆龙的C200HE系列,现在控制电机需要变频调速~打算选择安川的变频器,他们的通讯协议啊~方式是什么?… 查看全部问答> |
|
我们机房有一台惠普DL380 G6服务器:双E5530cpu,4根2gddr3内存,6块300g sas硬盘,双电源,此服务器的标配是单E5530cpu,3根2g内存, 在标配情况下服务器正常使用,但是用我们现有的配置机器就会无规律重启,寻找原因中,请高手帮忙… 查看全部问答> |
|
我要做个电池驱动,就去看了看common下的电池驱动。首先想知道下电池驱动是不是就上纯粹的和其他流驱动一样只是提供一些接口,还是有其他一些扯不清的关系,因为我看完后觉的有点糊涂。我不知道为什么要这样做,我把代码帖出来,希望大家帮忙说说, ...… 查看全部问答> |
|
pic串行输出信号有一段是跳动的是怎么回事,是连到lcd驱动芯片的,lcd显示的是一串稳定的数字,示波器看到的信号由一段是跳动的,什么原因?请高人解释,谢谢… 查看全部问答> |
|
现在除了太阳能是可以再生能源之外,LED照明也成为了可以迅速的有效降低二氧化碳的排放。有报道说,如果将LED照明代替传统的照明灯泡,可以在20年内为世界减少一半的二氧化碳排放量,还有研究说,LED照明可以省下很多的电费,而且减少很多能源的 ...… 查看全部问答> |
|
写了个看门狗程序,可是却不工作,不知何原因,大家指点一二。/******************************************************************************** Function Name : IWDG_Configuration* Description & ...… 查看全部问答> |




