历史上的今天
今天是:2025年03月11日(星期二)
2018年03月11日 | 汇编语言与C51语言实现跑马灯实验的比较
2018-03-11 来源:eefocus
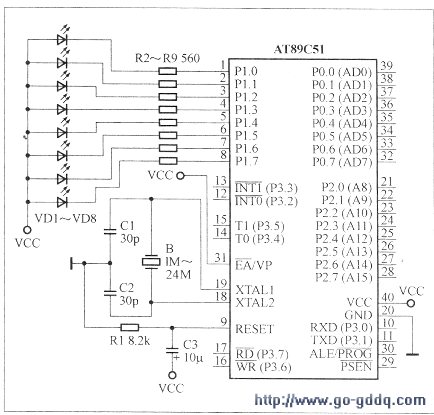
当前开发单片机应用系统程序主要应用汇编语言和C51语言,采用汇编语言编写可直接操纵系统的硬件资源,能编写出高效运行的程序代码,程序运行速度快。而采用C51语言编写可改善程序的可读性和可移植性,利于产品的更新换代,大大加快了单片机应用程序的开发速度。下面通过一个简单的实验--跑马灯实验来分析一下这两种语言的差别。用AT89C5l实现的跑马灯实验的原理图如xia 图所示。

跑马灯实验的原理图用汇编语言编写程序来实现,程序如下:
ORG 0 000H
LJP START//转入主程序
ORG 0040H
START:MOV SP,#60H//设置
堆栈指针
OV A,# 0 F EH / /送A
11111110
ROTATE = MOV P1,A//写 P1
SJMP ROTATE//循环
DELAY:MOV RO,们AH//延
时子程序( 1秒)
DELAY 1 : 40V R1 , 110 OH
DELAY2 , DOV R2 , # OB 3H
DJNZ R2 , $
DJNZ R1 , DELAY2
DJNZ RO , Dl; LAYI
RET//子程序返回
END
用C51语言编写程序实现跑马灯实验,程序如下:
# include
< r eg5 1 . h>
void main
(void)//主函
数
( unsigned
int n;
uns igned
char code
I e d p 1 8 1 =
( Oxf e , Oxfd ,
Oxf b , Oxf 7 ,
Oxef,Oxdf,Oxbf,Ox7f};//定义
数组
unsigned char LEDi ;
while(1)//无限循环
{ P1= ledp [leDIL;//数值送
P1 口
for (n= 0 ; n< 4 0 0 0 0 ; n++ ) ;
//延时
Ledi++;//力(x 1
i f ( ledi== 8 )
ledi= 0 ; }
)
通过这个实现同一功能的两个程序可以发现,采用汇编语言编写单片机应用系统程序必须对单片机的内部资源和存储器的结构了如指掌,而且必须记住单片机指令系统的固定格式,按实际地址处理端口数据。而采用C51语言编写单片机应用程序对单片机的指令系统不要求了解,不必考虑单片机的硬件特性与接口结构,采用自然语言,以近似人的思维过程方式使用,改善了程序的可读性,而且可以使程序结构化,易于移植,提高开发程序的效率。另外,由于51系列单片机资源非常有限,在使用C51时尽量使用无符号数和字节变量,尽量使用局部变量,编译器可自动将某些局部变量声明为寄存器变量。
用 C语言编写的程序在KeilμVision3仿真软件中经汇编后产生的汇编代码如下:
C : OXO 8 0 0 ESO 8 P10V A, OXO 8
C;OXO802 90084F MOV DPTR,
教 OxO84F
C: OX 0805 93 MO vC A,
@A+ DPTR
C : OXO 8 0 6 F59 0 DOv Pl
(Ox90 ( , A
C:OxO808 900000 MOV DPTR,
{ 10xO 0 0 0
C : OXO 8 OB AF 82 MOV R7 , DPL
(Ox82)
C : OXO 8 OD AE 83 MO v R6 , DPH
( Ox83 )
C : Ox O8OF E4 CLR A
C:OxO810 FC MOV R4,A
C = Ox O8l1 FD I4OV R5 , A
C : Ox0812 7B40 MOV R3
11 OX 4 0
C : OX 0814 7A9C MOV' R2 ,
井 Ox9C
C : OX 0816 F9 MO v R1 , A
C : OX 0817 F8 MOV RO , A
C ; Ox0818 D3 SETB C
C : Ox0819 12 082D LCALL (C :
082D)
C : OXO 81C 4003 JC C : 0821
C = Ox O81E A3 INC DPTR
C : Ox081 F 80EA SJMP C : 08 OB
C:OxO821 0508 工NC OXO8
C : Ox O 82 3 E5 0 8 MOV A , Ox0 8
C= Ox0825 B408D8 CJNE A,
1} Ox O 8 , main ( C : 0 8 0 0 )
C : OX 0828 E4 CLR A
C = Ox0 8 2 9 F5 0 8 MOV OXO 8 , A
C : Ox082 B 80D3 SJMP main
(C: 0800)
C = Ox O 82D EB MOV A , R3
C : OX 082E 9F SUBB A, R7
C : Ox082 F FSF 0 MOV B
(OXFO) , A
C : Ox0 83 1 EA MOV A, R2
C : Ox0832 9E SUBB A, R6
c: OX 0833 42F0 ORL B
( OXF 0 ) , A
C : Ox083 5 E9 MOV A, R1
C : Ox083 6 9D SUBB A, R5
C: Ox0837 42F0 ORL B
( OXFO ) , A
C : Ox0 83 9 EC DOV A , R4
C = Ox0 8 3A 64 8 0 XRL A , {} PO
( Ox80 )
C : OX 083C C8 XCH A, R0
C : Ox O 8 3 D 6 4 8 0 XRL A , { f PO
( Ox80 )
C : OX 0 83F 9 8 SUBB A, R0
C : Ox0840 45F0 ORL A, B
( OXFO )
C : OX 0842 22 RET
C : Ox0 8 4 3 7 87F MO v R0
井 OX7F
C : OX 0845 E4 CLR A
C : Ox0846 F6 MOV 6; RO , A
C = Ox0847 D8FD DJNZ RO , C
0846
C ; OX 0849 758108 MOV SP
( Ox8 1 ) , l10x0 8
C:OxO84C 020800 LJ址P main
(C: 0800)
C : OX 0 8 4F FE 10V R6 , A
C : OXO 8 5 0 FD OV R5 , A
C : OX 0851 FB MOV R3 , A
C : OX 0852 F7 MOV OR I , A
C : Ox O 8 53 EF MO v A , R7
C ; Ox0 85 4 DFBF DJNZ R7 , C :
0815
C : Ox O 8 5 6 7 F0 0 MOV R7 ,
甘σxOO
通过把C51程序经过 KeilμVi-sion3软件编译后生成的汇编程序与直接用汇编语言编写的程序比较,C51语言经编译后有54条指令,而直接用汇编语言编写只需要 17条指令。可以看出;直接用汇编语言编写的单片机的代码效率高。此外,我们还可以观察编译连接后产生的列表.MAP或.
M51文件,在该文件中详细列出了分配给变量和代码的地址和生成代码的大小等信息,我们可以了解代码是否优化,变量分配是否合理,堆栈是否溢出等。
无论是汇编语言还是C51语言编写的程序都不是单片机直接运行的程序,只有机器码程序单片机才能直接运行,对于汇编语言程序需要通过汇编程序汇编成机器码程序,对于 C51程序需要通过编译器程序编译成机器码程序。
可以在一个应用程序中,按模块用不同的编程语言编写源程序,最后通过编译器 /连接器生成一个可执行的完整程序,这种编程方式称为混合编程,在编写单片机应用程序时可采用 C51和汇编语言混合编程,一般是用汇编语言编写与硬件有关的程序,用 C51 编写主程序以及数据处理程序。
下一篇:点阵液晶显示模块演示程序
史海拾趣
|
1. 什么是数字摄像机? 答:数字摄像机也被称为百万高清IP摄像机,与模拟摄像机相比,它前端所采用的百万像素感光器将光信号转换并输出数字视频信号,然后由DSP处理器将数字视频压缩后通过网络输出。而模拟摄像机前端采用隔行扫描CMOS/ ...… 查看全部问答> |
|
应用情况是这样: 1. 每一个数据大概100Byte 需要在T秒(固定值)存储大概500条数据,只需要一次即可 2. 数据之间有一定的规律,但是大部分数据内部是不同的 我对C8051F单片机的理解: 1. 外扩内存是可以的,C8051F均有复用和非复用的EMIF接口, ...… 查看全部问答> |
|
vxworks下怎么开发ISP1760(作为USB主机端控制器)的USB驱动程序 isp1760通过io与CPU连接,vxworks下的USB host驱动是针对PCI设备的,请问怎么修改vxworks的USB host驱动,使其能使用ISP1760 谢谢!!… 查看全部问答> |
|
本人是在校的计算机研究生,研究方向:嵌入式系统。实验环境有:arm7和xscale 的开发板。 毕业打算去嵌入式方向的公司工作。 请教:现在做什么对以后去公司工作有用。现在哪方面比较有前途。 希望给出具体题目、以及做的内容(最好详细)。 导 ...… 查看全部问答> |




