历史上的今天
今天是:2025年03月19日(星期三)
2018年03月19日 | 采用单片机AT89C2051的小功率BJT管脚管型自动判别电路
2018-03-19 来源:eefocus
本设计采用单片机AT89C2051 作为中心控制单元,设计出了自动判别三极管管脚、类型的电路。该电路能迅速自动识别常见中小功率三极管的管型和管脚,并由相应的指示电路显示出判断结果。电路相对较简单,测试方便、快捷,测试结果准确,造价较低,功能扩展性强,升级方便。
引言
在电子技术中,三极管是使用极其普遍的一种元器件,三级管的参数与许多电参量的测量方案、测量结果都有十分密切的关系,因此,在电子设计中,三极管的管脚、类型的判断和测量非常重要。测量三极管管脚的方法有多种,其中实验室常用的是利用万用表和三极管各管脚的特点进行测量,但由于三极管各个引脚间的电压、电流关系复杂,且三极管本身体积较小,给测量带来很大不便,而目前市场上还没有对三极管管脚、类型自动判别的装置。因此,设计出一款能够自动判别三极管管脚、类型的电路显得尤为重要。
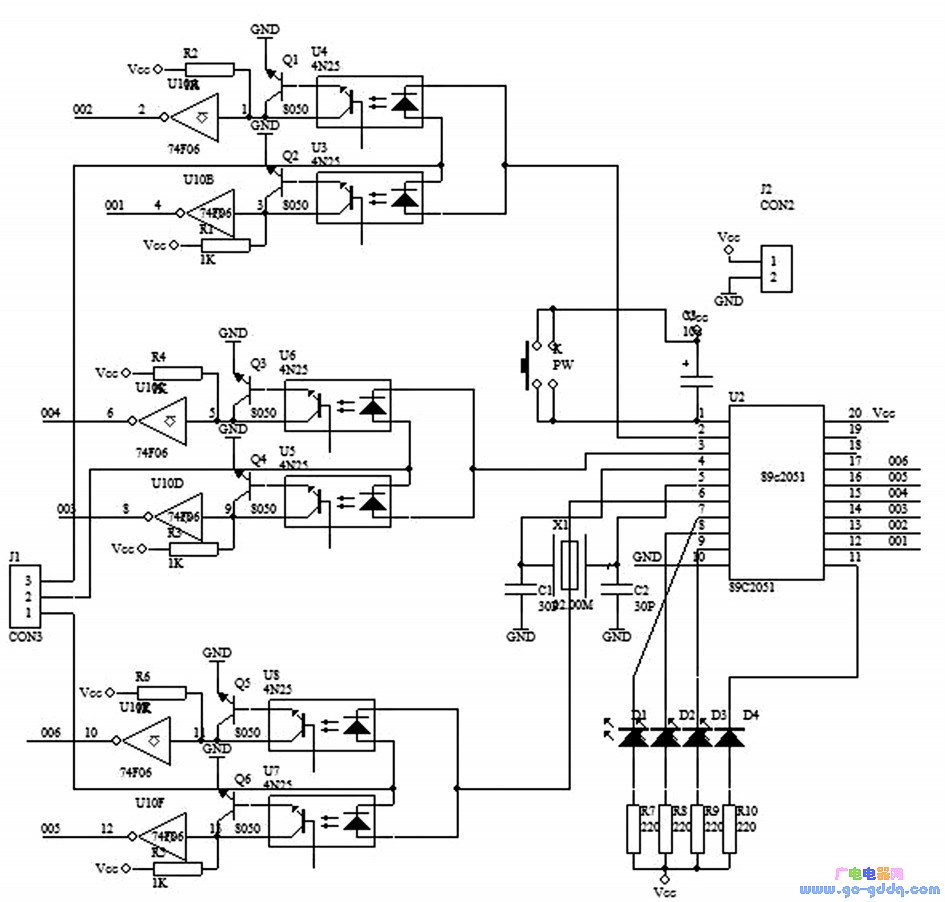
1 硬件电路组成原理
根据目前常用三极管的类型及管脚排列方式,设计的自动判别电路包含中心控制单元、转换电路、检测放大电路和显示电路四个部分,如图1 所示,其中用AT89C2051 作为中心控制单元。

2 硬件电路设计
图2 所示为三极管管脚类型自动判别硬件电路原理图, 该硬件电路主要包括单片机AT89C2051、反相器CD4069、光电耦合器4N25、74LS06、74LS07、若干电阻和电容等元器件。

图2 判别电路原理图
首先由单片机的P3.0~P3.2 口送出三位二进制码(高低不同的电平),分别送至三极管的1、2、3号引脚。对于不同的三极管,在单片机送出不同的编码时,其1、2、3 号引脚上的电流方向不同,有流入和流出两种情况,用两只光电耦合器反向并联来检测哪个方向上有电流通过,此时三位二进制码变成六位二进制码。将检测到的来自光电耦合器的电信号进行放大,由于此时输出的信号并非标准的高低电平,不能直接被单片机识别,相位也不符合要求,故加一级反相器CD4069 进行反相,然后将反相器输出的标准的六位二进制码送至单片机的P1.0~P1.5 口。单片机根据从P1 口读出的数据与单片机内部预先写入的数据进行比较,当满足相应的条件时从P3.3~P3.7 口输出检测结果,最后用发光二极管来显示对应的三极管类型。
3 软件设计
由于常用的中小功率三极管中NPN 的三极管管脚排列顺序有EBC、ECB、BCE 三种(有极少数例外,可忽略不计),而PNP 的只有EBC 一种排列顺序。所以,按照此规律进行软件的编写。总体编程思想是在各种不同管脚排列顺序的三极管三个管脚上加上不同电压,测试其电流情况并将其转化为二进制码。将这些二进制码写入单片机,外部输入的数据与单片机内部的二进制码进行比较,如果读入数据与内部事先写入的某个数据相等,则所测的三极管就为这个数据所对应的三极管的管型和管脚,然后用对应的发光二极管点亮指示出管型、管脚。
软件主程序流程图如图3 所示。

对应的程序为:
ORG 0000H
AJMP MAIN
ORG 0030H
MAIN: MOV A,#00H
EBC: MOV P3,#0F8H
MOV P3,#0F9H
ACALL DEL1
MOV P1,#0FFH
MOV A,P1
CJNE A,#0E9H,BEC
S1: MOV P3,#0F4H
AJMP S1
BEC: MOV A,#00H
MOV P3,#0F8H
MOV P3,#0F9H
ACALL DEL1
MOV P1,#0FFH
MOV A,P1
CJNE A,#0E1H,ECB
S2: MOV P3,#0ECH
AJMP S2
ECB: MOV A,#00H
MOV P3,#0F8H
MOV P3,#0FDH
ACALL DEL1
MOV P1,#0FFH
MOV A,P1
CJNE A,#0D9H,EBC1
S3: MOV P3,#0DDH
AJMP S3
EBC1: MOV A,#00H
MOV P3,#0F8H
MOV P3,#0FEH
ACALL DEL1
MOV P1,#0FFH
MOV A,P1
CJNE A,#0D6H,E
S4: MOV P3,#7BH
AJMP S4
E: MOV P3,#00H
ACALL DEL1
MOV P3,#0F8H
ACALL DEL1
AJMP E
DEL1: MOV R5,#01H
D1: MOV R6,#0FFH
D2: MOV R7,#0FFH
D3: DJNZ R7,D3
DJNZ R6,D2
DJNZ R5,D1
RET
END
图4 所示为制作的PCB 板图,实物制作成功后,取一只三极管,将管脚按1、2、3 顺序插入产品的测试孔中,保证接触良好,然后按下电源键,系统自动复位后运行,由LED 指示出所测三极管对应的管型和管脚。LED 灯的顺序与管脚管型是一一对应的,若左边第一只LED 灯亮则所测三极管为NPN型,管脚排列顺序为BEC;若左边第二只LED 灯亮则所测三极管为PNP 型,管脚排列顺序为EBC;若左边第三只LED 灯亮则所测三极管为NPN 型,管脚排列顺序为ECB;若左边第四只LED 灯亮则所测三极管为NPN 型,管脚排列顺序为EBC;若四只LED 灯同时闪烁则可能是被测三极管已坏或有引脚接触不良,单片机中未写该管型对应的程序。

图4 实物PCB 板图
在制作实物的过程中,可以从左至右依次在LED灯的一侧标明所对应的管脚和类型,也可以用不同颜色的LED 灯来显示不同的管脚和管型。
4 结论
根据硬件电路和软件设计进行电路的焊接和调试,设计所得的判别仪可以快速准确地判断小功率三极管的管脚和类型,并由相应的指示电路显示出判断结果,比用万用表测量要方便快捷很多。
本设计由于采用单片机作为中心控制单元,故可扩展性强。比如可在本作品的基础上增加测量三极管β 值的电路,可用数码管显示出β 值。另外,本设计现在只能测量常见中小功率的三极管,若加上驱动电路、限流电路,修改部分源程序也可测量大功率三极管。
史海拾趣
|
求救:如何将SST 89E564RD (40-c-p1 0438064-AC)变成仿真器 买了块廉价的芯片,想自己做仿真器 里面没有启动程序 想自己DIY一个仿真器 麻烦成功的大虾发一个可以用的 1电路图 2软件 3监控程序 4 其他对SST 89E564RD 用的上 [ 本帖最后由 wanzsxit ...… 查看全部问答> |
|
Platform build 菜单栏中的Platform的下的命令build SDK不能用!是灰色的,不知道是啥子原因! 我的PLATFORM BUILD 可以定制操作系统,已经弄了几天了,但还有个问题一直没有解决,请高手指点一下,先谢谢各位了!… 查看全部问答> |
|
再次请教S3C2440+WinCE5.0+4.2BSP下使用4GB的SDHC大容量SD卡驱动问题,大家指点 再次请教S3C2440+WinCE5.0+4.2BSP下使用4GB的SDHC大容量SD卡驱动问题,大家指点!!! 大家好,谢谢大家一直以来这么热心的回复的我帖子,帮助我,谢谢大家,祝大家工作顺利! 我的环境:S3C2440+WinCE5.0+4.2BSP,开发板是广嵌科技的GEC2440。 ...… 查看全部问答> |
|
在eMbedded Visual C++中使用VC++编写的.dll的问题 我最近做个项目,在手机上显示监控图像。在eMbedded Visual C++中使用VC下的Dll出错。 提示如下: error LNK2019: unresolved external symbol __imp__MP4_ClientStopCapture referenced in function \"protected: void __thiscall CKlsDlgDlg::On ...… 查看全部问答> |
|
datasheet上是说应该在下面一点共地,但是如果在附近引出来用0欧电阻接可能产生什么问题,还查到有说,用磁珠相连有选频的好处,这个“选频”怎么讲?是指可以把数字区指定频率的噪声滤掉吗?数字区的噪声频率是不是就是单片机的频率啊?谢谢指教 ...… 查看全部问答> |
|
这是继MSP430的MP3扩展板(DSP C5000)后的又一个华丽的扩展板。 说说功能吧!扩展板提供一路VGA输出,VGA的DA采用电阻分压的方式,分辨率为400×300,并且支持两个任天堂的游戏手柄, 打游戏嘛!手柄肯定不能少。主芯片是一片Spartan 3的FPGA ...… 查看全部问答> |
|
不用把隔离芯片去掉,只需要引出线来就行了,还有要拔掉launchpad上给2807供电的电源线的跳线。我连接了7根线,不知道3.3和gnd不连接行不行,没有试,大家可以试试,不要接错线哦。。。。。。。。。。… 查看全部问答> |




