历史上的今天
今天是:2025年03月19日(星期三)
2018年03月19日 | 基于单片机的多路模拟、数字、脉冲信号的光纤传输设计
2018-03-19 来源:eefocus
光纤通信带宽大、信噪比低、抗干扰能力强,在现代通信领域发挥着重要作用。文中选用C8051F410单片机作为微处理器,结合其他外围电路设计出一款光纤传输组件,并介绍了包括模块的整体架构、硬件电路搭建、软件开发设计和实验数据记录等内容。该组件具有体积小、精度高、操作简单的特点,实用价值明显。
光纤通信在现代通信领域的地位日趋重要,因其具有带宽大、信噪比低、抗干扰的特点在工程建设中应用广泛。某新品研制中需要一款能够同时传输多路模拟电压信号、脉冲控制信号及故障指示信号的传输组件,若采用传统的电缆传输方式将不可避免地存在体积大、重量沉及传输性能受外界电磁辐射干扰大的问题。基于以上情况,文中采用以光纤通信的方式设计了一款实用的传输组件,满足新品设计要求。
1 整体架构
光纤传输组件是指以光纤作为传输信道的功能器件,通常包括发射端、接收端、光纤跳线3部分。主要原理即是在采集端实现电光转换,在接收端实现光电转换,通过光纤实现两端通信的连接。由于其特殊的传输材质和模式,使得光纤传输组件可满足在某些特殊工作环境下的要求。组件主要由前端采集模块、后端接收模块和传输光纤3部分组成,整个组件架构如图1所示。两端模块均以C8051F410单片机为工作核心。对于电压待检信号,在发射端通过OP491GRU运放器隔离输入单片机内部A/D,将模拟信号转为数字信号,数据压缩打包经电光转换电路发送至接收端。在接收端经光电转换读取信息,单片机接收解压后,D/A转换实现检测电压的读出;对于接收端控制信号,则选用触发缓冲器SN74LVC2G17两路输入功能,将控制状态的高低两种信号转为3.3 V电信号传至单片机处理。通过电光转换传输至发送端,采集端单片机处理该数据,并对数字电位器发送控制信号,提供相应的电阻值;考虑到故障信号、脉冲信号的及时传输特点,文中在激光器、探测器电路搭建中直接架构相应的驱动器,以实现信息的传输。

整个组件可实现传输4路模拟电压信号、一路故障保护信号、两路脉冲信号和两路可调电阻信号。具体指标为:电压传输幅度:输入0.5~4.5 V,输出0.5~4.5 V;电压传输精度≤0.4%FS;故障保护信号传输延时≤200 ns;传输脉冲幅度15±0.5 V;传输脉冲宽度1~200μs;传输脉冲工作比为20%;可调电阻输出范围为0.2~4.5 kΩ。
2 硬件电路
2.1 运放隔离电路
输入电路用以实现电压信号与采样电路的电气连接。对模拟电压信号,首先用电阻分压,将各路电压分压到一致的电平上,再用运放进行缓冲,以实现阻抗匹配和增强驱动能力;运放用于缓冲输入信号并实现输入端与采样电路的隔离。同时具有较高的输入阻抗,对输入电路不会产生影响,且输出阻抗较低,故对采样电路也不会造成影响。本设计采用的运放是OP491GRU,其电压输入范围0~3 V,其4路规格正好满足指标要求,对每一路运放而言,输出电压为输入电压的1/2,输出电压范围(0.25~2.25 V),小于A/D基准电压2.5 V,输出电压信号可直接接入单片机相关I/O接口。

2.2 故障输入、输出电路
故障保护信号需快速传输至低压端,在高压端设置输入电路将输入信号转换为数字电平信号,进行光驱动,并转换为光信号。在低压端,用光电转换模块接收光信号,并转换为电信号,经驱动电路输出。在发射端选用SN74LVC2G06DCK驱动芯片提供每路大约32 mA的工作电流,且响应时间较快达到ns级,激光器HFBR1424二极管工作导通电流约为60 mA,驱动器的两路输出并联满足设计要求。

在接收端选用SN74AHC1G14施密特触发器芯片,其在5 V供电条件下,输出高电平可达4 V。输入信号高低电平迟滞可达(0.5~1.6 V),可以有效避免因外界特殊情况所引起的错误故障指示。
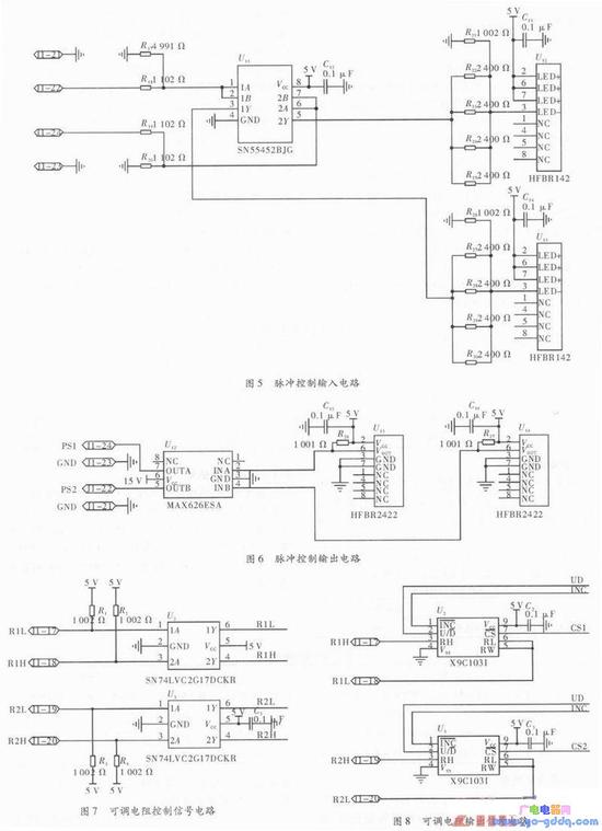
2.3 脉冲控制输入、输出电路
对于两路触发脉冲信号,在接收端设计电路采用SN55452BJG双路外围驱动芯片,高低为0~15 V的脉冲控制信号经输入端电阻分压后加入该芯片,内部实现与非运算后输出0~5 V的数字电平信号。SN55452BJG输出端为低电平时,芯片可提供约60 mA的驱动电流导通光模块二极管,来实现脉冲电信号与光信号的转换。
在发射端设计高速接收判决电路,利用MAX626ESA驱动芯片在其15 V供电的情况下可输出0~15 V的脉冲电压信号,实现了接收端脉冲信号到发射端的传输,传输延迟在技术要求范围以内。同时该芯片的带宽满足传输脉冲宽度1~200μs的要求。

2.4 可调电阻信号传输电路
对于两路可调电阻输出信号,在采集端设置接口电路,接收外部输入的控制信号,经施密特缓冲器SN74LVC2G17采集控制信号,并利用器件的两路传输固有功能设计区分两种电阻控制状态,传输至接收端单片机进行数据处理。该缓冲器同时具备抑制反向电流的作用,可防止因电源意外断电而导致的内部电路损坏。
在高压端,单片机接收控制信号,选择阻值最大为10 kΩ的可控数字电位器X9C103I,根据控制信号的内容,调节电位器输出阻值,因此实现可调电位输出。如图8所示。
3 软件设计
3.1 信号采集
采用以单片机为核心的数字化信号处理和光纤数字化传输的设计方法,数据处理和数据传输均以数字化方式进行。数字化信号处理方式具有精度高、性能好、抗干扰能力强的特点。文中选用SILICon公司的C8051F410单片机,其内部带有多路模拟开关,两个12 bit分辨率的模数转换器。ISL21009BFB825Z芯片提供外部2.5 V基准电压,定时采样四路输入模拟电压信号,并将其转换为量化的数据字节存储在不同的设定起始单元。该单片机对数据信号进行信号处理和打包传输,使多路信号合并为一路数据,且多路信号的传输只需通过一根光纤即可完成。
3.2 数据自检
本设计采用通用的CRC校验法,在内存地址中存放与组件发射端自检有关的信息,将自检的结果信息编码后放入内存。把包含有信号转换数据和自检信息的内存地址作为一组整体数据,对该组数据从首字节开始进行循环冗余校验编码,直至末字节。编码后的两字节附加信息放入存放信号数据内存的地址后面,作为校验数据。数据传输时含有校验数据的数据帧按时序要求发送,接收端接收数据后根据设定的算法解析出CRC码,并判断传输数据是否有误。一旦数据失真,则该数据作废,并发出重新发送信号给发射端。
4 实验数据
4.1 电压传输信号
技术要求:电压传输幅度为0.5~4.5 V,电压传输精度≤0.4%FS。
分别向高压端的4路电压信号输入端输入0.500 V、1.500 V、2.500 V、3.500 V、4.500 V的电压信号,用万用表测低压端对应的4路电压信号输出端的输出电压,数据如表1所示。

4.2 故障保护信号
技术要求:故障保护信号传输延时应≤200 ns,用信号发生器向高压端脉冲信号输入端输入频率为1 MHz,高电平为5 V,低电平为0 V的方波信号。用示波器测低压端对应的信号输出端输出的方波信号上升沿与高压端输入方波信号上升沿的延时,即为故障保护信号传输延时。其实验数据如表2所示。

4.3 脉冲控制信号
技术要求:传输脉冲宽度1~200μs,幅度15.0±0.5 V。用信号发生器分别向低压端的2路脉冲信号输入端分别输入宽度为1μs、100 μs、200μs,脉冲幅度为15 V的信号,用示波器测高压端对应的2路脉冲信号输出端输出信号的脉冲宽度和幅度;实验数据如表3所示。

4.4 可调电阻测量
技术要求:可调电阻输出范围为0.2~4.5 kΩ。向接收端17脚、18脚、19脚、20脚加入控制信号,测量发射端17脚和18脚之间,19脚和20脚之间的电阻。实验数据如表4所示。

4.5 数据分析
由以上数据可见,电压传输信号测量输入电压与输出电压最大相差4 mV,精度为0.08%Fs,满足<0.4%FS的技术要求。故障保护信号传输延时为100 ns,小于技术要求的200 ns。脉冲控制及可调电阻测量如表3和表4所示,均实现了设计功能,符合指标要求。
5 结束语
以C8051F410单片机为核心设计了一款可传输多路模拟、数字、脉冲信号的光纤传输组件,该组件设计新颖、体积小、抗干扰能力强。目前已成功应用在某新型整机设备中。
史海拾趣
|
补充资料悬赏女友一名。二手亦可,要求九成新以上,无附加产品。产地不限,山寨亦可.需性能稳定,运行可靠.维护简单,节省耗材.惯用麦当劳,啃得基等洋耗材者谢绝.出厂日期为1975年以后。各零部件齐全。预装中文操作系统,兼容英文或俄文操作系统更佳。 ...… 查看全部问答> |
|
血液分析方式有几种,采用的技术包括阻抗测量以及流式细胞计数。虽然这两种设计都有特殊的要求和困难,但它们都依赖精确、可靠和可重复的数据采集进行分析。想要了解设计过程中的注意事项和器件选择技巧吗?请看本文。 血液分析方式有几种,采用的 ...… 查看全部问答> |
|
在迅雷下的protel99se ,别人都能用,唯我的电脑不行, setup 后进了3格后就卡在那里不动了, 等了好长时间后出现服务器运行失败, 查了网上别人的经验也没弄好, 烦死了,都两天了 类似于http://wenwen.soso.com/z/q147578750.htm 那位大神救 ...… 查看全部问答> |
|
摘要:无线Mesh网络(WMN)是一种特殊的Ad hoc网络,具有分层的网络结构,其传输骨干网具有多跳、拓扑稳定、无供电约束、业务流量相对汇聚等特性。提高WMN频谱空间复用度是增加网络容量有效的方法,而其设计的关键是有效控制无线链路间的干扰范围。基 ...… 查看全部问答> |
|
LED的发光顏色和发光效率与製作LED的材料和製程有关,目前广泛使用的有红、绿、蓝三种。由於LED工作电压低(仅1.5-3V),能主动发光且有一定亮度,亮度又能用电压(或电流)调节,本身又耐冲击、抗振动、寿命长(10万小时)。製造LED的材料不同,可 ...… 查看全部问答> |
|
小弟学习stm32不久,最近遇到了不少的问题,虽然问题很简单,有些是1+1==?的问题,但是对于初学者的我来说,确实苦涩不堪~幸好有各方同仁的帮助,使我越战越勇,但是路漫漫其修远兮,靠我一人之力,有些问题不是很容易解决。 今又至一难题, ...… 查看全部问答> |
|
求助哪位高手可以教我如何看PLC的程序 我是个门外汉......希望高手们指点下有什么资料也可以发给我..............谢谢!!! wj2008hf@163.com QQ:215127089 … 查看全部问答> |




