历史上的今天
今天是:2024年12月10日(星期二)
2018年12月10日 | 【STM32】通用定时器的基本原理(实例:定时器中断)
2018-12-10 来源:eefocus
STM32F1xx官方资料:《STM32中文参考手册V10》-第14章通用定时器
STM32的定时器:STM32F103ZET6一共有8个定时器,其中分别为:
高级定时器(TIM1、TIM8);通用定时器(TIM2、TIM3、TIM4、TIM5);基本定时器(TIM6、TIM7)。
STM32的通用定时器
通用定时器功能特点描述
STM32的通用定时器是由一个可编程预分频器(PSC)驱动的16位自动重装载计数器(CNT)构成,可用于测量输入脉冲长度(输入捕获)或者产生输出波形(输出比较和PWM)等。
STM3 的通用TIMx(TIM2、TIM3、TIM4 和 TIM5)定时器功能特点包括:
位于低速的APB1总线上(注意:高级定时器是在高速的APB2总线上);
16位向上、向下、向上/向下(中心对齐)计数模式,自动装载计数器(TIMx_CNT);
16位可编程(可以实时修改)预分频器(TIMx_PSC),计数器时钟频率的分频系数 为 1~65535 之间的任意数值;
4 个独立通道(TIMx_CH1~4),这些通道可以用来作为:
输入捕获
输出比较
PWM生成(边缘或中间对齐模式)
单脉冲模式输出
可使用外部信号(TIMx_ETR)控制定时器和定时器互连(可以用 1 个定时器控制另外一个定时器)的同步电路。
如下事件发生时产生中断/DMA(6个独立的IRQ/DMA请求生成器):
更新:计数器向上溢出/向下溢出,计数器初始化(通过软件或者内部/外部触发)
触发事件(计数器启动、停止、初始化或者由内部/外部触发计数)
输入捕获
输出比较
支持针对定位的增量(正交)编码器和霍尔传感器电路
触发输入作为外部时钟或者按周期的电流管理
STM32 的通用定时器可以被用于:测量输入信号的脉冲长度(输入捕获)或者产生输出波形(输出比较和 PWM)等。
使用定时器预分频器和 RCC 时钟控制器预分频器,脉冲长度和波形周期可以在几个微秒到几个毫秒间调整。STM32 的每个通用定时器都是完全独立的,没有互相共享的任何资源。
计数器模式
通用定时器可以向上计数、向下计数、向上向下双向计数模式。
向上计数模式:计数器从0计数到自动加载值(TIMx_ARR),然后重新从0开始计数并且产生一个计数器溢出事件。
向下计数模式:计数器从自动装入的值(TIMx_ARR)开始向下计数到0,然后从自动装入的值重新开始,并产生一个计数器向下溢出事件。
中央对齐模式(向上/向下计数):计数器从0开始计数到自动装入的值-1,产生一个计数器溢出事件,然后向下计数到1并且产生一个计数器溢出事件;然后再从0开始重新计数。
简单地理解三种计数模式,可以通过下面的图形:

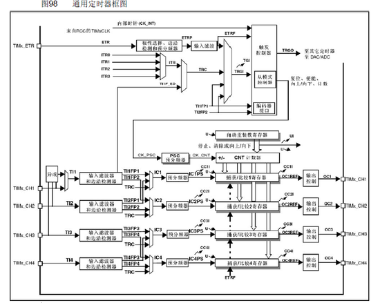
通用定时器工作流程

对于这个定时器框图,分成四部分来讲:最顶上的一部分(计数时钟的选择)、中间部分(时基单元)、左下部分(输入捕获)、右下部分(PWM输出)。这里主要介绍一下前两个,后两者的内容会在后面的文章中讲解到。
计数时钟的选择
计数器时钟可由下列时钟源提供:
内部时钟(TIMx_CLK)
外部时钟模式1:外部捕捉比较引脚(TIx)
外部时钟模式2:外部引脚输入(TIMx_ETR)
内部触发输入(ITRx):使用一个定时器作为另一个定时器的预分频器,如可以配置一个定时器Timer1而作为另一个定时器Timer2的预分频器。
内部时钟源

从图中可以看出:由AHB时钟经过APB1预分频系数转至APB1时钟,再通过某个规定转至TIMxCLK时钟(即内部时钟CK_INT、CK_PSC)。最终经过PSC预分频系数转至CK_CNT。
那么APB1时钟怎么转至TIMxCLK时钟呢?除非APB1的分频系数是1,否则通用定时器的时钟等于APB1时钟的2倍。
例如:默认调用SystemInit函数情况下:SYSCLK=72M、AHB时钟=72M、APB1时钟=36M,所以APB1的分频系数=AHB/APB1时钟=2。所以,通用定时器时钟CK_INT=2*36M=72M。最终经过PSC预分频系数转至CK_CNT。
时基单元
时基单元包含:计数器寄存器(TIMx_CNT)、预分频器寄存器(TIMx_PSC)、自动装载寄存器(TIMx_ARR)三部分。
对不同的预分频系数,计数器的时序图为:

计数模式
此时,再来结合时钟的时序图和时基单元,分析一下各个计数模式:
向上计数模式

向下计数模式

中央对齐模式

通用定时器相关配置寄存器
计数器当前值寄存器(TIMx_CNT)

作用:存放计数器的当前值。
预分频寄存器(TIMx_PSC)

作用:对CK_PSC进行预分频。此时需要注意:CK_CNT计算的时候,预分频系数要+1。
自动重装载寄存器(TIMx_ARR)

作用:包含将要被传送至实际的自动重装载寄存器的数值。
注意:该寄存器在物理上实际上对应着2个寄存器。一个是我们直接操作的,另一个是我们看不到的,这个看不到的寄存器叫做影子寄存器。实际上真正起作用的是影子寄存器。根据TIMx_CR1位的APRE位的设置,APRE=0时,预装载寄存器的内容就可以随时传送到影子寄存器,此时两者是互通的;APRE=1时,在每一次更新事件时,才将预装在寄存器的内容传送至影子寄存器。
控制寄存器(TIMx_CR1)

作用:对计数器的计数方式、使能位等进行设置。
这里有ARPE位:自动重装载预装载允许位。ARPE=0时,TIMx_ARR寄存器没有缓冲;ARPE=1时,TIMx_ARR寄存器被装入缓冲器。
DMA/中断使能寄存器(TIMx_DIER)

作用:对DMA/中断使能进行配置。
通用定时器超时时间
超出(溢出)时间计算:
Tout=(ARR+1)(PSC+1)/TIMxCLK
其中:Tout的单位为us,TIMxCLK的单位为MHz。
这里需要注意的是:PSC预分频系数需要加1,同时自动重加载值也需要加1。
为什么自动重加载值需要加1,因为从ARR到0之间的数字是ARR+1个;
为什么预分频系数需要加1,因为为了避免预分频系数不设置的时候取0的情况,使之从1开始。
这里需要和之前的预分频进行区分:由于通用定时器的预分频系数为1~65535之间的任意数值,为了从1开始,所以当预分频系数寄存器为0的时候,代表的预分频系数为1。而之前的那些预分频系数都是固定的几个值,比如1、4、8、16、32、64等等,而且可能0x000代表1,0x001代表4,0x010代表8等等。也就是说,一边是随意的定义(要从1开始),另一边是宏定义了某些值(只有特定的一些值)。
比如,想要设置超出时间为500ms,并配置中断,TIMxCLK按照系统默认初始化来(即72MHz),PSC取7199,由此可以计算出ARR为4999。
也就是说,在内部时钟TIMxCLK为72MHz,预分频系数为7199的时候,从4999递减至0的事件是500ms。
通用定时器相关配置库函数
1个初始化函数
void TIM_TimeBaseInit(TIM_TypeDef* TIMx, TIM_TimeBaseInitTypeDef* TIM_TimeBaseInitStruct);
作用:用于对预分频系数、计数方式、自动重装载计数值、时钟分频因子等参数的设置。
2个使能函数
void TIM_Cmd(TIM_TypeDef* TIMx, FunctionalState NewState);
void TIM_ITConfig(TIM_TypeDef* TIMx, uint16_t TIM_IT, FunctionalState NewState);
作用:前者使能定时器,后者使能定时器中断。
4个状态标志位获取函数
FlagStatus TIM_GetFlagStatus(TIM_TypeDef* TIMx, uint16_t TIM_FLAG);
void TIM_ClearFlag(TIM_TypeDef* TIMx, uint16_t TIM_FLAG);
ITStatus TIM_GetITStatus(TIM_TypeDef* TIMx, uint16_t TIM_IT);
void TIM_ClearITPendingBit(TIM_TypeDef* TIMx, uint16_t TIM_IT);
作用:前两者获取(或清除)状态标志位,后两者为获取(或清除)中断状态标志位。
定时器中断的一般步骤
实例要求:通过TIM3的中断来控制DS1的亮灭,DS1是直接连接在PE5上的。
使能定时器时钟。调用函数:RCC_APB1PeriphClockCmd();
初始化定时器,配置ARR、PSC。调用函数:TIM_TimeBaseInit();
开启定时器中断,配置NVIC。调用函数:void TIM_ITConfig();NVIC_Init();
使能定时器。调用函数:TIM_Cmd();
编写中断服务函数。调用函数:TIMx_IRQHandler()。
下面按照这个一般步骤来进行一个简单的定时器中断程序:
//通用定时器3中断初始化
//这里时钟选择为APB1的2倍,而APB1为36M
//arr:自动重装值。
//psc:时钟预分频数
//这里使用的是定时器3!
void TIM3_Int_Init(u16 arr,u16 psc)
{
TIM_TimeBaseInitTypeDef TIM_TimeBaseStructure;
NVIC_InitTypeDef NVIC_InitStructure;
RCC_APB1PeriphClockCmd(RCC_APB1Periph_TIM3, ENABLE); //时钟使能
//定时器TIM3初始化
TIM_TimeBaseStructure.TIM_Period = arr; //设置在下一个更新事件装入活动的自动重装载寄存器周期的值
TIM_TimeBaseStructure.TIM_Prescaler =psc; //设置用来作为TIMx时钟频率除数的预分频值
TIM_TimeBaseStructure.TIM_ClockDivision = TIM_CKD_DIV1; //设置时钟分割:TDTS = Tck_tim
TIM_TimeBaseStructure.TIM_CounterMode = TIM_CounterMode_Up; //TIM向上计数模式
TIM_TimeBaseInit(TIM3, &TIM_TimeBaseStructure); //根据指定的参数初始化TIMx的时间基数单位
TIM_ITConfig(TIM3,TIM_IT_Update,ENABLE ); //使能指定的TIM3中断,允许更新中断
//中断优先级NVIC设置
NVIC_InitStructure.NVIC_IRQChannel = TIM3_IRQn; //TIM3中断
NVIC_InitStructure.NVIC_IRQChannelPreemptionPriority = 0; //先占优先级0级
NVIC_InitStructure.NVIC_IRQChannelSubPriority = 3; //从优先级3级
NVIC_InitStructure.NVIC_IRQChannelCmd = ENABLE; //IRQ通道被使能
NVIC_Init(&NVIC_InitStructure); //初始化NVIC寄存器
TIM_Cmd(TIM3, ENABLE); //使能TIMx
}
//定时器3中断服务程序
void TIM3_IRQHandler(void) //TIM3中断
{
if (TIM_GetITStatus(TIM3, TIM_IT_Update) != RESET) //检查TIM3更新中断发生与否
{
TIM_ClearITPendingBit(TIM3, TIM_IT_Update ); //清除TIMx更新中断标志
LED1=!LED1;
}
}
int main(void)
{
delay_init(); //延时函数初始化
NVIC_PriorityGroupConfig(NVIC_PriorityGroup_2); //设置NVIC中断分组2:2位抢占优先级,2位响应优先级
LED_Init(); //LED端口初始化
TIM3_Int_Init(4999,7199);//10Khz的计数频率,计数到5000为500ms
while(1)
{
LED0=!LED0;
delay_ms(200);
}
}
定时器中断的程序和串口中断的程序非常类似,可以将两者结合起来进行比对着学习【STM32】串口相关配置寄存器、库函数(UART一般步骤) 。
同时强调一下,在中断处理函数内,需要判断中断来源和及时清除中断标志位。
史海拾趣
|
我是想这样写的,定时器定时2MS,中断标志一个变量之后,启动ADC转换,把转换到的数据发用串口发送出去。。 这样算的话,采样大约是:400HZ。 采用外部基准电压。。。AVCC=5V /***************************** 2010 05 30 ; 功能:ADC转换,然 ...… 查看全部问答> |
|
找不到合适的版块发这贴...就在这里向大家请教了,请不吝赐教 小弟想在QQ2440板上做一个语音采集与压缩程序,现在用一段测试代码在我的主机上可以正常录音放音,但重新编译后转到板上就不行了,测试代码如下: /** record.c **/ #include #inclu ...… 查看全部问答> |
|
查了很久资料,发觉都是把服务器安装在嵌入式设备身上的。。 但是有几点不懂: 1.PC机怎么访问嵌入式设备? 嵌入式设备只是单单插了网线的喔,没有串口连接PC机的。 如果说直接用浏览器打开相关的IP地址的话,那是不是就 ...… 查看全部问答> |




