历史上的今天
今天是:2024年12月20日(星期五)
2018年12月20日 | 技术干货:隔离型RS-485收发器设计问题汇总
2018-12-20
您是否正在搜寻有关RS-485的更多信息?我们特意根据TI E2E™社区的反馈,汇编了关于隔离型RS-485收发器设计攻关的最常见问题清单。希望这份清单能为您提供关于RS-485隔离信号与电源的有用见解。
1.何时必须隔离RS-485总线?
隔离可防止系统两个部分之间的直流电(DC)和异常的交流电(AC),但仍然支持两个部分之间的信号和电能传输。隔离通常能够阻止电气组件或人员遭受危险电压和电流浪涌的伤害;用于保护人员的隔离称为增强型隔离。隔离可防止节点之间进行长途通信时形成接地回路。隔离还允许远高于RS-485标准所推荐的节点间通信接地电位差变化率。
2.可以把多少个节点连接到一条RS-485总线上?
为预估可能的最大总线负载数量,RS-485定义了一个假设术语“单位负载(UL)”,它代表约为12kΩ的负载阻抗。美国电子工业协会(TIA/EIA) RS-485标准强制规定最多能够为一条RS-485总线添加32 UL负载。我们使用输入电压除以漏电流得到的最坏情况下的性能比来计算一个节点的UL,如等式1所示。
一旦算出了该节点的UL,就可以用等式2计算最大节点数量:
大部分TI隔离型RS-485收发器的单一UL为1/8,因此换算的结果是一条RS-485总线上最多可以有256个节点。
如需更多了解UL及一条RS-485总线可连接的节点数量,请参考“模拟应用期刊”文章——“RS-485单位负载与最大总线连接数量”。
3.隔离型RS-485的速度与长度相关性是什么?
在信号速率(速度)与电缆长度之间存在反向关系。它们之间的确切关系取决于电缆本身的电阻和电容。如果构建RS-485网络,选择电缆与收发器同等重要,如此方能确保在所需距离上的可靠通信。图1展示了信号速率与电缆长度的相关性。图中的圈3显示的是与信号速率无关的最大电缆长度;在曲线的这部分区域,电缆的直流电阻导致信号衰减,限制了最大通信距离。圈2展示了信号速率与电缆长度之间的反向关系,这是由传输线路损耗造成的,电缆越长损耗越大。圈1使您可以忽略传输线路损耗;驱动器的上升和下降时间,决定了对最大数据传输率的主要限制因素。RS-485标准建议最大信号速率为10Mbps;但是,按照当今的技术,信号速率已达50Mbps。

图 1:信号速率与电缆长度的关系
4.什么是故障保护偏置,如何设计它?
为履行RS-485标准,当差分输入(VID)超过200mV时,接收器输出必须生成逻辑高电平,而当VID低于-200mV时,则必须输出逻辑低电平。然而,在下列三种情况下会生成无效输出:
总线开路,例如电缆断裂或连接器断开。
总线短路,例如电缆绝缘破损,使绞线对短路。
总线闲置,如果总线上没有驱动器有效驱动,就会产生这种结果。
在以上任何情况中,对于端接的传输线路,RS-485接收器VID为零,无故障保护接收器输出则不确定。
故障保护偏置为闲置总线提供差分电压,从而能够维持接收器处于逻辑高电平态。如果您不考虑故障保护偏置,终端电阻可将总线电压降至0V,导致错误的输出或信号振荡。您可以通过结合运用电阻网络与RS-485接收器,设计故障保护偏置。TI隔离型RS-485收发器均已针对总线开路、短路或闲置的情况集成了故障保护偏置,故不再需要构建外部电路来设计故障保护偏置。
5.何时需要端接RS-485总线,它对系统而言有何优点和缺点?
在大部分RS-485应用中,为防止信号反射,终端电阻都与电缆的特性阻抗相匹配。终端电阻应安装在RS-485总线的两端。有些短途通信在没有终端电阻的情况下也能正常操作,但对于所有应用而言端接线路都是最佳方法。终端电阻的缺点是由电阻产生直流损耗,这会使系统产生更高的功耗。即便有此缺憾,终端电阻仍然是绝大多数应用的好选择。
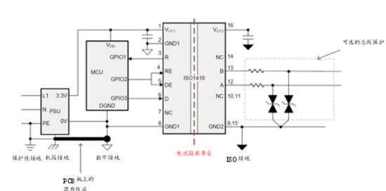
6.隔离型RS-485设备需要哪种瞬态保护?
隔离型RS-485设备采用何种瞬态保护取决于最终系统中可能的干扰类型,例如静电释放(ESD)、电快速瞬变脉冲群(EFT)或浪涌,以及所需的保护水平。TI隔离型RS-485收发器产品系列如果具有浮动绝缘接地导体,则集成收发器总线终端会具有某种程度的内部瞬态保护。除此之外,正确设计系统后,您可以利用隔离势垒形成针对这些瞬态变化的高阻抗。如果您不希望系统中出现差分瞬态现象,并测试了所有与最终设备接地相关的瞬态,然后将保护性接地装置(PE)连接到隔离型收发器的逻辑侧,将使所有高电压瞬态发生在隔离势垒处。把PE连接到逻辑侧,可以免除外部组件,如瞬态电压抑制(TVS)二极管或防脉冲电阻等。
图2展示了采用ISO1410的增强型瞬态保护技术。

图 2:半双工隔离型RS-485收发器,具有可选的总线保护组件
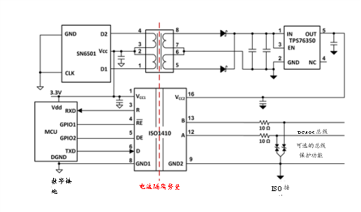
7.您如何为隔离型RS-485节点构造隔离型电源?
为隔离型RS-485节点构造隔离型电源有几种可选的方法;最佳解决方案须视具体的应用需要而定。
一个选择是使用TI SN6501这样的变压器驱动器,此种驱动器可用于具有次级侧变压器和整流低压差稳压器(LDO)的推挽式配置。SN6501的功率高达1.5W,可作为隔离型电源。此设备具有高度灵活性,几乎可用在所有应用中。这是因为变压器匝数比能使电源提供必要的隔离电压和输出电压。如果您需要为其他设备提供隔离电源,则可使用SN6505而不是SN6501,获得高达5W的输出功率。SN6505具有额外的保护特性,例如过载和短路、热关断、软启动和压摆率控制等,方便设计人员构筑健全的解决方案。

另一个针对空间受限应用的可选方法是ISOW78xx系列设备,该系列可在小型塑封集成电路(SOIC)-16封装中提供信号和电源隔离特性。ISOW7841可与非隔离型RS-485收发器结合运用,如带集成信号和电源参考设计的隔离型RS-485所示。这种结合运用占空间小;不需要变压器,也易于通过认证。请参阅ISOW7841线上产品文件夹中的所有文档,了解详情。

图 4:运用ISOW7841打造集成信号和电源的隔离型RS-485
史海拾趣
|
谁有AT24C1024的中文资料啊? AT24C1024和AT24C256只是容量不一样吗?能不能互换啊? 谁有的话给我一份吧,谢了,邮箱:dotor100@163.com。… 查看全部问答> |
|
刚买了TC35开发板,系统是win 7的,配套的测试程序不能用 那位朋友有TC35Test程序啊,适合win 7的 394397573@qq.com 谢谢… 查看全部问答> |
|
单位最近买了如题主板一块,配置:2G内存+4G SD卡。主频1.6Ghz。 我们先装了个XP精简版的,显然有点大材小用了,我感觉像这种配置的工控 主板是不是装个嵌入式系统比较好呢? &nb ...… 查看全部问答> |
|
我现在手中有五块2410板子 1)有三块nboot.bin运行后,EBOOT.NBO无法启动 2)一块nboot.bin,EBOOT.NBO运行后无法运行NK 2)一块nboot,EBOOT,NK运行正常 请各位高手指点迷津 … 查看全部问答> |
|
我是菜鸟。。。想入门单片机拆遍家里的东东,终于在老游戏机里找到了可以DIY一下的材料这个是8位机的卡带想来请教一下论坛里的高手1、照片里的三个芯片都有什么作用???2、有没有可能自己擦写烧录8位机的游戏进去???3、用这个入门合不合适?? ...… 查看全部问答> |
|
本帖最后由 dontium 于 2015-1-23 13:23 编辑 cmd 文件中的page0和page1同地址分页中page0,page1是一会事吗? 地址分页中有page0 page1 .. page127 … 查看全部问答> |





