历史上的今天
今天是:2025年01月30日(星期四)
2019年01月30日 | STM32 的 SWD调试模式
2019-01-30 来源:eefocus
SWD:Serial Wire Debug 串行线调试
我们比较常用的是Jlink下载器 ,这种下载器有一个缺点就是使用的Jtag 20PIN接口,太多的PIN会导致一些小型的PCB板很拥挤,也会增加布线的难度。 而使用SWD接口下载调试,只需要要使用4个PIN: GND, RST, SWDIO, SWDCLK ,而且下载速度可以达到10M/s,优势显而易见。
以下转自:http://www.openedv.com/posts/list/187.htm
对于JTAG和SWD的使用区别,觉得下面这篇文章讲的比较清晰了,所以转帖到这里,希望对新手有所帮助。
SWD与JTAG区别及使用情况[转载]

上图是SEGGER说明书中给出的Jlink引脚图,可以对照着看SWD引脚与JTAG引脚的关系。

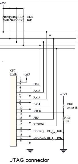
这是我手边开发板上的JTAG连接图,这个肯定是能用的。
这个是从网上找来的标准的JTAG连接图,供对照参考。
调试方式既可以用JTAG,也可以用SWD。
以下是一段转自:(杜邦线相连即可!
接下来告诉大家怎么使用SWD设置:
打开工程OPTION设置:

在设置中按照上图设置成 SWD 模式, 速度你可以按照你的实际需求来设置, 如果你的板子供电系统不是特别稳定, 纹波比较大或者仿真线比较长可以设置成 500K 或者 1M,如果环境很好当然可以选择 10M , 当然速度会飞起来。
记得不要忽略了左下方的那个USB还是 TCP 模式, 当然我们是 USB 模式, 因为有的时候默认是 TCP 模式, 这个时候我们忽略这个设置后会仿真常常连接不上的。
/////转载结束
下面是我自己的试验(用JTAG V8)
(1)按SW方式来调试,实际需要接1,7,9,15,20脚,某些资料上说的需要6个脚(第13脚SWO也需要连上)是不对的,SWO不需要连接。

按上所述连接5个引脚时出现的画面
1脚不接时出现的画面
(2)用两种方式的速度没有太大的区别。
再次测试:
(1)不接第15脚,即RESET脚,仅接4条引线,即Vref,SWDIO,SWCLK,GND。
(2)设置时Reset位选择:AutoDetect,可以正常下载,仿真。
(3)如果Reset位选选择:HW Reset ,则不能正常下载。
(4)速度远没有上面转载中说的那样快,擦除和写入ucosDemo工程约需40多s。以下是这个工程的代码量:
Program Size: Code=96830 RO-data=143650 RW-data=1016 ZI-data=16440
但是有个现象,即下载一次后退出,然后再次进入(没有重编译时),似乎没有擦除和下载的过程,时间飞快。也许这就是上面所说的时间快的原因?
////以下来自21icbbs// 核心板上玩 103ZE,都是些小程序 都是在RAM中调试的,而且只接三根线GND SWDIO SWCLK (VCC 直接接JTAG内部的),很爽利。不过今天要试IIS 要放一个大的数据进去,于是要烧到FLASH中去, 发现很快进度条走完, 然后显示失败,放狗一搜,说要接RESET,于是接上,果然下进去了...惨了,我PCB都画好了,都只有4线(VCC SWDIO SWCLK GND),以后怎么办呢?
答:可以不接,可以在MDK仿真器的设置里面不使用硬件复位,而是用system reset或者vect reset,前者适用的范围更广
/////转载结束
JTAG引脚可以被复用为IO口,但是这样一来,JTAG就不能够连上芯片了。解决的方法有两种:
(1)另写一段程序,不要将JTAG复用为I/O口,然后将这段程序用串口工具写入芯片中;
(2)将BOOT0/BOOT1设置成为内部RAM启动,那么上电后就不会执行FLASH中的程序,这样JTAG就能顺利“接管”JTAG引脚。
上一篇:STM32的下载及调试模式 接口
史海拾趣
|
今天兴致一来,同时打开了自己的N多浏览器, firefox、IE、chrome、Opera,结果,你能想想么? 死机了!:L 因而看到个文章,觉得不错,分享下: 这几天写cu的blog,也不知道是不是教育网速度慢还是咋的,只有IE打开编辑界面特别快,Firefox ...… 查看全部问答> |
|
想找一块带MPEG解码的ARM开发板,2440放MPEG4,320*240还行,太再放大些,就太慢了。 知道的请帮推荐一下,找了N家,都说没有。 不知道为什么都不卖这板子?… 查看全部问答> |
|
在tornado下编译源文件时,发现如此语句: IMPORT int Socket; IMPORT STATS_T stats; IMPORT char   ...… 查看全部问答> |
|
【诚聘】Digital IC Design Engineer 美资公司 LSI 上海研发中心高薪诚聘存储通讯领域人才,薪水待遇优厚,部分人员有出国培训机会。(部门内部推荐,成功机会更高)有意者请将中英文简历发送至:asic_tapeout@hotmail.comRequisition Number : 08-2961 Job Title : Dig ...… 查看全部问答> |
|
使用stm8s103f3,mpu采用3.3V供电,时钟SD2068采用5V供电,此时将两芯片SCL、SDA直连通信可以么?请各路大虾指点一二!mpu之iic为硬件iic,纯开漏的,iic总线上 加了10k上拉到5v… 查看全部问答> |




