历史上的今天
今天是:2025年02月19日(星期三)
2019年02月19日 | 51单片机按键检测和信号函数仿真
2019-02-19 来源:eefocus
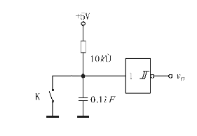
在单片机中会遇到识别按键的问题,常用的独立按键电路如下图:
由于机械式触点开关具有弹性,会发生抖动,所以要进行消抖。有两种消抖方式:硬件消抖和软件消抖。
硬件消抖电路:
软件消抖常采用延时消抖:按键被按下时,当检测到低电平时,延时一段时间,一般是5到10ms,然后再检测端口,若还是低电平,则表示检测到按键按下,按键弹起时同理可得。
独立按键的检测一般采用两种方法:中断检测和查询检测。
按键连接P3^2引脚,检测按键按下和弹起的次数。
1.查询检测:可以直接在主程序中循环检测,也可以通过定时器,每隔20ms检测一次。下面是直接在循环中检测的。
主函数:
#include
#include
#define uint unsigned int
sbit in0 = P3^2 ; //输入信号引脚
uint Press_flag = 1 ; //按键按下标志
uint count = 0 ; //按键次数
void delay_ms(uint ms)
{
uint i , j ;
for(i = 0 ; i < ms ; i++)
{
for(j = 0 ; j < 333 ; j++)
{
_nop_() ;
}
}
}
void key()
{
if(in0 == 0) //检测到0
{
delay_ms(10) ; // 延时消抖
if(in0 == 0) //再次检测到0
{
Press_flag = 0 ; //代表按键被按下
}
}
if(Press_flag == 0) //如果按键被按下,再检测按键弹起
{
if(in0 == 1)
{
delay_ms(10) ;
if(in0 == 1)
{
count ++ ; //表示按键按下并弹起的次数
Press_flag = 1 ; //复位按键按下标志
}
}
}
}
void main(void)
{
while(1)
{
key() ;
}
}
信号函数:
signal void test(unsigned int cc)
{
unsigned int i , j ;
for(i = 0 ; i < cc ; i++)
{
for(j = 0 ; j < 2 ; j++)
{
port3 &= ~(1<<2) ;
swatch(0.002) ;
port3 |= 1<<2 ;
swatch(0.002);
}
port3 &= ~(1<<2) ;
swatch(0.002) ;
swatch(0.01) ;
for(j = 0 ; j < 2 ; j++)
{
port3 |= 1<<2 ;
swatch(0.002) ;
port3 &= ~(1<<2) ;
swatch(0.002) ;
}
port3 |= 1<<2 ;
swatch(0.02) ;
swatch(0.1) ;
}
_break_ = 1 ;
}
信号函数波形图:
可以看到count的值为4
2.中断检测
主程序:
#include
#include
#define uint unsigned int
sbit in0 = P3^2 ;
uint count = 0 ;
uint press_flag = 1 ;
void delay_ms(uint ms)
{
uint i , j ;
for(i = 0 ; i < ms ; i++)
{
for(j = 0 ; j < 333 ; j++)
{
_nop_() ;
}
}
}
void Init_INT(void)
{
EA = 1 ; //开总中断
EX0 = 1 ; //开外部中断0
IT0 = 1 ; //下降沿触发中断
}
void Int0 (void) interrupt 0
{
EX0 = 0 ; //关闭外部中断0,防止频繁触发中断
delay_ms(10) ;
if(in0 == 0)
{
press_flag = 0 ;//按键按下标志
}
if(press_flag == 0 && in0 == 1)//检测按键弹起
{
delay_ms(10) ;
if(in0 == 1)
{
count++ ;
press_flag = 1 ;
}
}
EX0 = 1 ; //开启外部中断
}
void main(void)
{
Init_INT() ; // 中断初始化
while(1)
{
}
}
上一篇:单片机 C51 编程要点总结
下一篇:STC89C52单片机RAM模式
史海拾趣
|
听人说居然有0.5元以下的单片机,你见到最便宜的是多少钱的? 今天看到坛子里有人说有5毛钱的单片机,类似闪灯IC等, 没有听说过,大家见到最便宜的单片机都多少钱?有什么功能,干什么用的呢?… 查看全部问答> |
|
在模拟器下实现加载位图,请问: 1、此时函数SHLoadDIBitmap(TEXT(\"\\\\*.bmp\"))中的路径该如何设置呢,或者是说我试图加载的位图应该存放于什么路径呢; 2:位图本身的大小有没有什么限制啊? 谢谢各位啦… 查看全部问答> |
|
很多人在购买UPS的时候没有考虑到UPS电源的很多因素,这样将会损坏到我们的服务器和需要保护的设备。首先要根据您的负载(也就是功率大小)来选定您的UPS电源,比如说您的服务器是750瓦的那么您要选购买1500VA或者是2000VA的UPS电源,为什麽不能选 ...… 查看全部问答> |
|
本人现在面临一个DP组网问题,想求教。现有3个CPU315-2DP,6个EM277,一个5621卡。我希望能一个CPU315-2DP-1通过DP带一个EM277, 另一个CPU315-2DP-2通过DP带3个EM277, 还有一个CPU315-2DP-3通过DP带2个EM277, 希望CP5621能和每个CPU315-2DP通讯,各C ...… 查看全部问答> |
|
急,430F449的P1中断服务程序不能运行(附程序),请多指教 //下面是我的一段P1键盘中断测试程序,可是我好象进不了P1中断服务程序,请各位大侠多多指教 #include <msp430x44x.h> void inter (void); int num=0; void main(void) { WDTCTL=WDTPW+WDTHOLD; P1DIR&=~0X07; P1IES|=0X ...… 查看全部问答> |
|
SkyEye是一个开源软件(OpenSourceSoftware)项目,中文名字是\"天目\"。SkyEye的目标是在通用的Linux和Windows平台上实现一个纯软件集成开发环境,模拟常见的嵌入式计算机系统(这里假定\"仿真\"和\"模拟\"的意思基本相同);可在SkyEye上运行μCL ...… 查看全部问答> |
|
转载自 http://blog.csdn.net/jjbear_ustc/archive/2009/12/22/5057009.aspx在Linux内核中,各个子系统之间有很强的相互关系,某些子系统可能对其它子系统产生的事件感兴趣。为了让某个子系统在发生某个事件时通知感兴趣的子系统,Linux内核引 ...… 查看全部问答> |




