历史上的今天
今天是:2025年03月27日(星期四)
2019年03月27日 | CAN一致性测试最重要的几个测试项是什么?
2019-03-27
CAN一致性测试在于缩小CAN网络中节点差异,保证CAN网络的环境稳定,有效提高CAN网络的抗干扰能力。因此CAN节点的一致性测试就显得尤为重要。

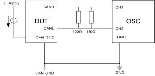
随着新能源、智能网联等概念发展,车身CAN总线环境变得复杂及紊乱,CAN节点质量不稳定给主机厂安全性带来极大威胁。所以,CAN一致性测试已成为保证CAN网络安全运行的重要手段,CAN一致性测试内容覆盖了物理层、链路层、应用层等测试需求,如表1 CAN一致性测试内容(节选)所示;其中包括了输入阈值、输出电压、采样点、位宽容忍度重点测试项目。

一、输入阈值测试
阈值测试分为隐形输入电压阈值和显性输入电压阈值。节点Vdiff大于0.9V时必须识别显性,小于0.5V时必须识别隐性,在0.5V~0.9V之间,属于不确定区域,Vdiff≤0.5V时,节点可以正常发送报文,否则说明节点工作处于异常状态;Vdiff>0.9V时,节点必须停止发送,如果不停止,说明节点依然识别成隐性电平,存在电平判断的误判;所以对设备进行输入阈值测试显得尤为重要。
测试目的在于检查 DUT 的 CAN_H 与 CAN_L 的显/隐性输入电压阈值是否遵守 ISO 11898-2 的定义。具体输入电压阈值标准如表2 ISO 11898-2 输入电压阈值标准所示。

测试原理
在表2 ISO 11898-2 输入电压阈值标准所示的总线负载和共模电压条件下,按照图1 隐性输入电压测试原理和 图2 显形输入电压测试原理的测试原理进行隐/显性输入电压阈值测试。


判断依据
DUT 在 Vdiff≤0.5V(用户可自定义设置该范围) 时,可以正常发送报文。至少在 Vdiff>0.9V (用户可输入)的情况下,DUT 应该停止发送帧。
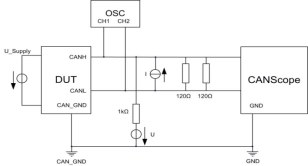
二、输出电压测试
CAN总线上面的信号幅值是接收节点能正确识别逻辑信号的保证;隐性状态下,若CAN_diff电压大于0.9V,则会使总线呈现持续显性状态,导致总线瘫痪;显性状态下,若CAN_diff电压低于1.5V,说明该节点驱动能力较弱,会导致显性电平判断错误,并且在强干扰环境容易出现电平翻转,导致总线故障;如图3 输出电压幅值引起错误所示。

所以,每个厂家在产品投入使用前都要测试CAN节点DUT(被测设备)的输出电压幅值。测试目的就是检查DUT的CAN_H与CAN_L的隐性/显性输出电压是否遵守ISO11898-2的定义如表3 ISO11898-2输出电压标准为测试标准ISO 11898-2输出电压标准。

测试原理
在表3 ISO11898-2输出电压标准所示的总线负载条件下,按照图4 输出电压测试原理的测试原理进行输出电压测试。

判断依据
如果测试结果符合表3 ISO11898-2输出电压标准中ISO 11898-2输出电压标准,则通过测试。
三、采样点测试
采样点是接收节点判断信号逻辑的位置,CAN通讯属于异步通讯,需要通过不断的重新同步才能保证收发节点的采样准确;若采样点太靠前,则因为线缆原因,容易发生采样错误;若采样点太靠后,则因为SJW原因,会引起接收节点同步跳转宽度的调整(调整自身时钟进行匹配),调整不好就容易出现错误;所以对CAN节点进行采样点的测试显得尤为重要。
采样点测试目的用于检查DUT发送的CAN报文信号的采样点是否遵守规范要求;

测试原理
启动CANstress接收报文干扰功能,如图5 CANstress接收报文干扰功能所示。从位时间的45%位置,每次干扰递增1%,直至100%;通过统计记录CANScope-Pro的错误报文,出现错误报文的干扰点则等于采样点。

判断依据
DUT发送的CAN报文信号的采样点应处于规范定义的范围内:75%≤SP≤83.4%。
四、位宽容忍度测试
容忍度表示波特率范围(位时间范围),调大容忍度可以利于接收其它节点的报文;采样点和容忍度是评价CAN节点适应性的重要因素。SJW(同步跳转宽度)决定了接收节点是否能有比较好的兼容性,如果接收节点SJW对波特率调整不好,就会导致位宽容忍度不足,出现错误;所以位宽容忍度测试也是保证信号稳定性的重要测试项目之一。
位宽容忍度测试用于检查DUT发送的CAN报文的位宽容忍度是否遵守 ISO 11898-2 的定义。
测试原理
使用位宽容忍度测试功能,如图6 位宽容忍度测试所示。以DUT波特率为标准,配置波特率偏差逐渐增加1%,向CAN网络发送报文;判断网络有无报文错误信息反馈,若有错误反馈,则结束测试,并判断结果是否在标准区间内。

判断依据
位宽容忍度范围应至少符合-4≤SJW≤4%(用户可设置该范围)。
五、CANDT一致性测试系统
ZLG立功科技-致远电子发布的CANDT一致性测试系统可自动化完成CAN节点物理层、链路层及应用层一致性测试,是当前CAN总线测试领域唯一能够进行完善的物理层自动化测试并导出报表的仪器设备。避免了人工测量统计的误差,同时配合自动化测试的方式,减少了测试时间的浪费,提高了测试的准确度,极大节约了人工成本。

用户可在软件页面勾选需要的测试项目,进行全自动化测试,如果只想测试输出电压,单独勾选电压测试项即可。测试完成后,用户可导出自动化测试报告,如表4 测试报告所示。根据测试报告,还可以跟踪测试条目的标准出处、测试步骤以及判断依据等,主机厂可以依据此报告评估CAN节点质量,作为主机厂准入依据,并保证整车CAN网络环境的稳定。

CANDT一致性测试系统基于CANScope底层分析能力,集成示波器、电源等必要设备,可覆盖主机厂CAN一致性测试标准,为主机厂及零部件企业建立CAN总线测试及保障体系。
史海拾趣
|
因为成本的限制,需要将CCD芯片的成本控制在100块钱之内。目前还没有找到合适的(需要在60fps以上)。 现在有一个笨笨的想法,不知道能否实现。 就是能否控制扫描的行数(比如直扫描镜头的中间几十行),这样能否达到提高帧数的目的? 或者各位 ...… 查看全部问答> |
|
市面上的蓝牙适配器BTH v2.0 + EDR 宣称最大数据率可达到3Mbps 在我们项目中使用了一块CSR芯片的某小公司的蓝牙模块,下位机与之相接的UART波特率选921600bps (约92KB/s)。但在实际的数据传输中,下位机最快只能是50微秒发送一个字节(20KB/s) ...… 查看全部问答> |
|
团购real6410开发板,我们的团购活动从年初开始一直在搞,但是由于货源和网友喜好的问题一直没有搞成功过,因为我是做嵌入式LINUX的,以前用过2440的平台,现在用三星的平台不多了,但是没事儿也喜欢玩玩板子,鉴于我前几次开的询问ARM开发板的帖 ...… 查看全部问答> |
|
关于 arm7的void _irq IRQ_Expection(void) 最近看了下arm7的代码,看到void _irq IRQ_Expection(void)这个中断的函数,我想问的是这个“_irq”是怎么回事???它之前有定义还是????… 查看全部问答> |
|
单片机有的是用1AA或2AA 电池供电的,这时为了保正单片机的工作电压在2.5~5.0之间,这时就要用到DC-DC升压电路了,升压电路一般要用到电感 和肖特基二极管 电阻 电容等外围元件,空间较小的情部一下就要想办法精简一下外围器件了,这时不需电感和肖 ...… 查看全部问答> |




