历史上的今天
今天是:2025年07月30日(星期三)
2019年07月30日 | 学习笔记∣stm32l0xx时钟系统详解与代码配置
2019-07-30 来源:eefocus
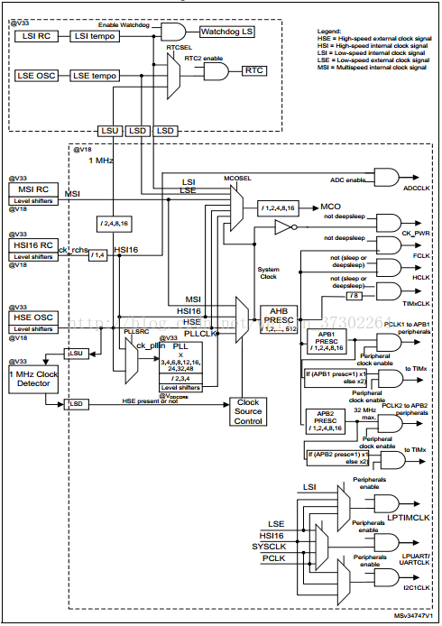
时钟是嵌入式系统的脉搏,对嵌入式系统至关重要。处理器内核在时钟驱动下完成状态变换等动作,外设部件在时钟的驱动下完成各种工作,比如串口数据的发送、A/D转换、定时器计数等等。stm32l0xx系列低功耗新增MSI内部多频率可选时钟源,代码配置方面基于HAL库,与f系列相比存在一定的区别,本文以datasheet中的时钟树图为基础对时钟系统进行学习总结。时钟树如下图1所示:

1、LSI RC,低速内部时钟(RC振荡器),是看门狗(WatchdogLS)的唯一时钟来源,可以作为实时时钟RTC和主时钟输出(MCO)的时钟源。
2、LSE OSC,外部低速时钟(晶振),输入输出引脚接OSC32_IN、OCS32_OUT可以作为实时时钟RTC和主时钟输出(MCO)的时钟源。精度高于内部低速时钟。
3、MSI RC,全称为Multispeedinternal RC oscillator,是stm32lxx低功耗系列独有的时钟,可提供12种频率的时钟源,范围可以从100KHZ到48MHZ之间变化。可以直接选择为系统时钟和AHB时钟,也可以作为MCO的时钟源。MSI为低功耗模式提供了更多的选择,但是精度不高。官方提供的例程中多以MSI作为时钟源。
4、HSI,内部高速时钟(RC振荡器),可以直接选择为系统时钟,可以作为PLL(锁相环倍频输出)时钟源,经倍频后选择作为系统的System Clock(系统时钟)和AHB时钟。HSI还可以作为ADCCLK时钟源。
5、HSE,外部高速时钟(晶振),输入输出引脚接OSC_IN、OCS_OUT,可以直接选择为系统时钟,可以作为PLL源,经倍频后选择作为系统的(系统时钟)和AHB时钟。还可以作为MCO和RTC时钟源。
6、System Clock,系统时钟,是供STM32 中绝大部分部件工作的时钟源,是其他所有外设的时钟的来源。System Clock通过 AHB 分频器分频后送给各模块使用。System Clock还是CK_PWR和MCO的时钟源。
7、HCLK,高速外设时钟,是AHB总线时钟源,SystemClock经AHB预分频得到。供内存和 DMA 等使用。
8、FCLK为自由振荡处理器时钟,用来保证在休眠是采样到中断和跟踪休眠事件,与HCLK时钟源相同。
9、PCLK1,System Clock经AHB预分频后,送给 APB1 分频器,得出PCLK1,是APB1时钟源,供 APB1 外设使用。APB1上面连接的是低速外设,包括电源接口、备份接口、CAN、USB、I2C1、I2C2、UART2、UART3 等等。另一路送给TIMx使用,若APB1分频系数为1,则不倍频,否则倍频系数为2。
9、PCLK2,System Clock经AHB预分频后,送给 APB2 分频器,得出PCLK2,是APB2时钟源,供 APB2外设使用,APB2 上面连接的是高速外设包括UART1、SPI1、Timer1、ADC1、ADC2、所有普通 IO 口(PA~PE)、第二功能 IO 口等。另一路送给TIMx使用,若APB2分频系数为1,则不倍频,否则倍频系数为2。
时钟初始化代码配置,选用了HSE外部时钟,未进行倍频和分频:
void SystemClock_Config(void)
{
RCC_OscInitTypeDef RCC_OscInitStruct;
RCC_ClkInitTypeDef RCC_ClkInitStruct;
/**Configure the main internal regulator output voltage
*/
__HAL_PWR_VOLTAGESCALING_CONFIG(PWR_REGULATOR_VOLTAGE_SCALE1);
/**Initializes the CPU, AHB and APB busses clocks
*/
RCC_OscInitStruct.OscillatorType = RCC_OSCILLATORTYPE_LSI|RCC_OSCILLATORTYPE_HSE;
RCC_OscInitStruct.HSEState = RCC_HSE_ON;
RCC_OscInitStruct.LSIState = RCC_LSI_ON;
RCC_OscInitStruct.PLL.PLLState = RCC_PLL_NONE;
if (HAL_RCC_OscConfig(&RCC_OscInitStruct) != HAL_OK)
{
Error_Handler();
}
/**Initializes the CPU, AHB and APB busses clocks
*/
RCC_ClkInitStruct.ClockType = RCC_CLOCKTYPE_HCLK|RCC_CLOCKTYPE_SYSCLK
|RCC_CLOCKTYPE_PCLK1|RCC_CLOCKTYPE_PCLK2;
RCC_ClkInitStruct.SYSCLKSource = RCC_SYSCLKSOURCE_HSE;
RCC_ClkInitStruct.AHBCLKDivider = RCC_SYSCLK_DIV1;
RCC_ClkInitStruct.APB1CLKDivider = RCC_HCLK_DIV1;
RCC_ClkInitStruct.APB2CLKDivider = RCC_HCLK_DIV1;
if (HAL_RCC_ClockConfig(&RCC_ClkInitStruct, FLASH_LATENCY_0) != HAL_OK)
{
Error_Handler();
}
/**Configure the Systick interrupt time
*/
HAL_SYSTICK_Config(HAL_RCC_GetHCLKFreq()/1000);
/**Configure the Systick
*/
HAL_SYSTICK_CLKSourceConfig(SYSTICK_CLKSOURCE_HCLK);
/* SysTick_IRQn interrupt configuration */
HAL_NVIC_SetPriority(SysTick_IRQn, 0, 0);
}
史海拾趣
|
本帖最后由 paulhyde 于 2014-9-15 09:41 编辑 在面试结束前,大多数的主考官都会丢问题给求职者,最常见的就是:你有没有什么问题或疑问,想要提出来的?无论求职者是否有提出问题,其实,这个问题背后的真正含意,通常是主考官用来测试你对这份 ...… 查看全部问答> |
|
选择比努力更重要 一个人一生当中最大的幸福在于选择对两件事,一是找对单位、找对老板、找对上司;第二件事就是找对妻子或丈夫。为什么这么说呢?当太阳升起时我们与上司共事,当日落西下,我们与自己的爱人相拥。你永远可以更主动地去影响你的上 ...… 查看全部问答> |
|
如题,因为8155只需要低八位地址,P2想留做他用,故想采用普通IO模拟地址总线、ALE、WR等端口方式实现。按照时序图写出程序,但实验失败,在此求助,先谢过啦。代码如下: #include #include sbit AL = P2^0; //ALE sbit W = P2^2 ...… 查看全部问答> |
|
直接用如下代码获取,返回值为TRUE,得不到数据: memset(&m_nicdata, 0, sizeof(m_nicdata)); m_nicdata.Size = sizeof(NIC_STATISTICS); m_nicdata.ptc ...… 查看全部问答> |
|
求购在WINCE6.0下,A4平台上运行的TCPMP源码,价钱面议 在下求购能在WINCE6.0下,A4平台上运行的TCPMP源码. 本人在深圳 南山,西丽. QQ 50580776 EMAIL: gmb_669@163.com… 查看全部问答> |
|
求教!!t6963c的程序,没有任何字符或者汉字显示出来。用c写的。 #ifndef _lcd_ #define _lcd_ #include #include #define LineChar 30 #define ColumnChar 16 #define comport 0x8001 #define dataport 0x8000 #define unchar unsigned char #define unint unsigned int sfr ...… 查看全部问答> |
|
stm32+enc28j60在ucos系统下实现UDP协议网络收发,上源码~ 说 明:本例程是基于STM32_V3.4固件函数库的uCOSII网络通讯实例,在MDK4.12中编译通过。 操作过程:1、打开APP文件夹的MDK工程文件,编译后下载到开发板; 2、打开“串口调试程序”,选 ...… 查看全部问答> |
|
强烈建议用vs 2010 或者更高的版本去模拟raw os. raw os 的所有的模块都能在vc 上去模拟和debug, 功能是无比强劲的,也是非常方便的。对于公司的后期开发也是非常方便,能迅速在PC上搞定,直接下载板子里去,迅速出产品。 广大的爱好者完全没必要去买开发板,只要有VC 就可以去学习嵌 ...… 查看全部问答> |




