历史上的今天
今天是:2024年09月26日(星期四)
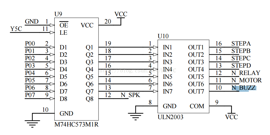
2019年09月26日 | CT107D蓝桥杯蜂鸣器和继电器(2)
2019-09-26 来源:eefocus
今天我给大家讲一下这块板子的蜂鸣器和继电器
1,——蜂鸣器
先找图,蜂鸣器叫做buzz

然后看到是N BUZZ口控制,继续找

找到这里我们可以知道蜂鸣器是用U9这个锁存器控制的Q7为0蜂鸣器工作,那么我们继续找U9的控制口Y5C
看到这个是不是很熟悉呢,没错和LED很想是吧,好我们继续找Y5
好了,没错又是这个138芯片,和LED的一样。
原理我这里就不再啰嗦了,我直接上代码了
P2=(P2&0x1f)|0xa0;
这个就是打开Y5口
P0=0x40
打开蜂鸣器
P0&=0xb0
关闭蜂鸣器
P2&=0x1f
关闭Y5口
2 ——继电器的使用
板子的名字叫K1
我们先从电路图上面找
继续找N_RELAY
没错和蜂鸣器一样,在一个锁存器上面
那么我们直接打开Y5口就ok了
因为他这个继电器只是控制一个LED灯,所以看灯的效果就知道了
void clo_jid()
{
P2=(P2&0x1f)|0xa0; //打开Y5
P0|=0x10; //关闭继电器
P2&=0x1f; //关闭Y5
}
void ope_jid()
{
P2=(P2&0x1f)|0xa0; //打开Y5
P0&=0xef; //打开继电器
P2&=0x1f; //关闭Y5
}
上一篇:CT107D蓝桥杯串口实例(3)
史海拾趣
|
随着3G技术的发展,要求处理器的速度越来越高,体积越来越小,DSP的发展正好能满足这一发展的要求。因为,传统的其它处理器都有不同的缺陷:MCU的速度较慢;CPU体积较大,功耗较高;嵌入CPU的成本较高。 DSP的发展,使得在许多速度要求较高,算法较 ...… 查看全部问答> |
|
车用电机控制器近年来的发展速度之快,使人难以想象,操作上越来越“傻瓜”化,而显示则越来越复杂化。比如,车速的控制已经发展到“巡航锁定”;驱动方面,有的同时具有电动性能和助力功能,如果转换到助力状态,借助链条张力测力器,或中轴扭力传 ...… 查看全部问答> |
|
自动往返小汽车 中断应用 在线下载器源程序 源程序 应用类 音乐 移位除 延时 显示子程序 通讯 数字频率计 数字多用表 实用子程序 软件工程 频率计 排序类 排序 滤波 抗干扰 交通灯 键盘与显示类 键盘扫描程序 汇编与C的衔接 ...… 查看全部问答> |
|
如题:小弟想在winCE里用socket通信给远程主机服务器FTP上传文件(现在是上传的bmp文件),现在连接远程FTP正常,上传的文件却大小都为零,打不开,为什么?是不是要设置为二进制传输模式呢???主要代码如下: in ...… 查看全部问答> |
|
如题!现成方案不是指smartphone 我是新手,刚接触wince,不是很熟 如果要做phone功能,需要做些什么工作,难度大不大? 有哪些现成方案可以选择或者参考的… 查看全部问答> |
|
本帖最后由 jameswangsynnex 于 2015-3-3 19:59 编辑 不少手机论坛上出现了许多奇特的手机故障求助帖,虽然求助者的手机型号和出现的问题各不相同,但却有两个共同点:首先,出现故障的手机全都是智能手机;其次,检修之后,均发现手机硬件毫无问 ...… 查看全部问答> |




