历史上的今天
今天是:2024年09月26日(星期四)
2019年09月26日 | CT107D蓝桥杯单片机编程LED(1)
2019-09-26 来源:eefocus
今天呢,是LED的使用
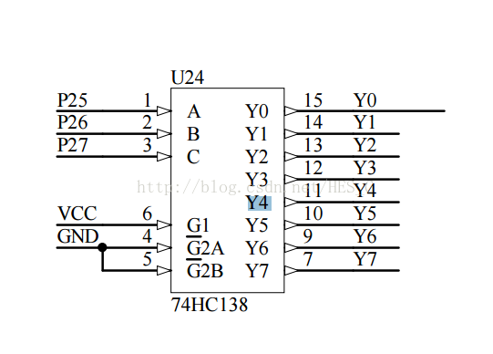
首先我们要学会看这一块原理图,找到LED的位置,收索led就可以了

我们可以看到这8个led是一个Y4C控制的P0所有口为8位数据口的锁存器,我们再找到Y4C

然后又找到Y4

最终我们找到一个138芯片,分别是P2^5 P2^6 P2^7控制Y0-Y7
这个芯片的原理很简单,就是用3个口是控制8个口的输出
不知道的同学肯定觉得很奇怪,那么好好看下面的解释你就懂了
输入是3个口 输出是8个口
0 0 0 0 0 0 0 0 0 0 0
0 0 1 0 0 0 0 0 0 0 1
0 1 0 0 0 0 0 0 0 1 0
1 0 0
1 1 0
0 1 1
1 0 1
1 1 1
后面就不写了,大概就是这个原理现在大家应该懂了吧。如果觉得自己琢磨麻烦也可以用我总结的语句。
P2=(P2&0x1f)|0x80;
这条语句就是打开Y4口知道上面原理的就可以算出了,P2口后5位不变,前3位变成100
然后我们往P0送数据就可以了,低电平亮
P0=0xff全关
P0=0xfd最后一个...以此类推
关掉Y4口就很简单了
P2&=0x1f; 等于把前3位清零就可以了。
LEd就到这里了,大家要好好练习才能玩的转哦。
下一篇:常用的IO口电平
史海拾趣
|
为什么宁愿加一个三极管倒相,也不愿把光耦和电阻的位置调换一下? [ 本帖最后由 dukedz 于 2009-12-13 21:55 编辑 ]… 查看全部问答> |
|
花费一个月时间 首创 ICD2.5 丢固件的彻底的解决方法!祝贺下,呵呵。 花费一个月时间 首创 ICD2.5 丢固件的彻底的解决方法!祝贺下,呵呵。 ICD2.5 是开发PIC系列单片机的有力工具,但是本身存在着致命的弱点就是容易丢失固件。经分析原因如下: 1 因为要适时适应不同的型号MCU仿真和烧写,那必须用电脑 ...… 查看全部问答> |
|
六 无创血压测量特性的检验和评估方法 1. 概述 无创血压测量功能是监护仪最基本的监测参数之一,也是反映监护仪性能特征的关键参数,目前大多数监护仪上所采用的无创血压方法都是基于振荡法的,虽然这个方法存在某些局限性,但 ...… 查看全部问答> |
|
我用的是480*800的屏,现在想让触摸屏的(0,0)点的位置变成(800,0)点,纵坐标不变,只是横坐标反过来,请教怎么修改驱动~~~~急盼~~~谢谢大家了 ~~贴上驱动代码 /*++ THIS CODE AND INFORMATION IS PROVIDED \"AS IS\" WITHOUT WARRANTY OF AN ...… 查看全部问答> |
|
国内知名通讯网络设备制造商(上海研究所)招聘研发工程师,请在寻找机会的朋友关注 招聘类别: 1、协议软件工程师 2、嵌入式软件工程师 岗位描述: 致力于3G网络设备研发,产品应用于WCDMA和CDMA2000以及2G网络。 岗位要求: 精通C/C++ 熟悉TCP/IP协议簇 有意从事底层软件研发的工作,TEAM WORK。 本科(两年工作经验), ...… 查看全部问答> |
|
按照大功率igbt驱动保护电路能够完成的功能来分类,可以将大功率igbt驱动保护电路分为以下三种类型:单一功能型、多功能型、全功能型。2.1 单一功能型 单一功能型的大功率igbt驱动保护电路一般是由光耦和功率缓冲器构成,如hcpl-3150 等,如图1 ...… 查看全部问答> |
|
_delay_cycles() 这个延时函数的作用是什么?? ()中的数字不同 会带来什么样的影响?? P1OUT ^= BIT0 这个 反转 P1.0 电平 的作用是什么? While() {。 ...… 查看全部问答> |




