历史上的今天
今天是:2024年11月06日(星期三)
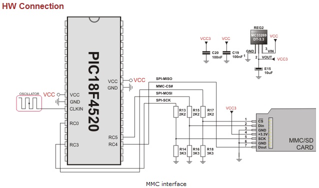
2019年11月06日 | PIC单片机 读/写 MMC/SD 卡的简单小程序
2019-11-06 来源:51hei
这里介绍一个简单的PIC单片机 读/写 MMC/SD 卡的小程序
// MMC module connections
sbit Mmc_Chip_Select at LATC0_bit; // for writing to output pin always use latch (PIC18 family)
sbit Mmc_Chip_Select_Direction at TRISC0_bit;
// eof MMC module connections
const LINE_LEN = 43;
char err_txt[20] = "FAT16 not found";
char file_contents[LINE_LEN] = "XX MMC/SD FAT16 library by Anton Rieckertn";
char filename[14] = "MIKRO00x.TXT"; // File names
unsigned short loop, loop2;
unsigned long i, size;
char Buffer[512];
// UART1 write text and new line (carriage return + line feed)
void UART1_Write_Line(char *uart_text) {
UART1_Write_Text(uart_text);
UART1_Write(13);
UART1_Write(10);
}
// Creates new file and writes some data to it
void M_Create_New_File() {
filename[7] = 'A';
Mmc_Fat_Set_File_Date(2010, 4, 19, 9, 0, 0); // Set file date & time info
Mmc_Fat_Assign(&filename, 0xA0); // Find existing file or create a new one
Mmc_Fat_Rewrite(); // To clear file and start with new data
for(loop = 1; loop <= 99; loop++) {
UART1_Write('.');
file_contents[0] = loop / 10 + 48;
file_contents[1] = loop % 10 + 48;
Mmc_Fat_Write(file_contents, LINE_LEN-1); // write data to the assigned file
}
}
// Creates many new files and writes data to them
void M_Create_Multiple_Files() {
for(loop2 = 'B'; loop2 <= 'Z'; loop2++) {
UART1_Write(loop2); // signal the progress
filename[7] = loop2; // set filename
Mmc_Fat_Set_File_Date(2010, 4, 19, 9, 0, 0); // Set file date & time info
Mmc_Fat_Assign(&filename, 0xA0); // find existing file or create a new one
Mmc_Fat_Rewrite(); // To clear file and start with new data
for(loop = 1; loop <= 44; loop++) {
file_contents[0] = loop / 10 + 48;
file_contents[1] = loop % 10 + 48;
Mmc_Fat_Write(file_contents, LINE_LEN-1); // write data to the assigned file
}
}
}
// Opens an existing file and rewrites it
void M_Open_File_Rewrite() {
filename[7] = 'C';
Mmc_Fat_Assign(&filename, 0);
Mmc_Fat_Rewrite();
for(loop = 1; loop <= 55; loop++) {
file_contents[0] = loop / 10 + 48;
file_contents[1] = loop % 10 + 48;
Mmc_Fat_Write(file_contents, LINE_LEN-1); // write data to the assigned file
}
}
// Opens an existing file and appends data to it
// (and alters the date/time stamp)
void M_Open_File_Append() {
filename[7] = 'B';
Mmc_Fat_Assign(&filename, 0);
Mmc_Fat_Set_File_Date(2010, 4, 19, 9, 20, 0);
Mmc_Fat_Append(); // Prepare file for append
Mmc_Fat_Write(" for mikroElektronika 2010n", 27); // Write data to assigned file
}
// Opens an existing file, reads data from it and puts it to UART
void M_Open_File_Read() {
char character;
filename[7] = 'B';
Mmc_Fat_Assign(&filename, 0);
Mmc_Fat_Reset(&size); // To read file, procedure returns size of file
for (i = 1; i <= size; i++) {
Mmc_Fat_Read(&character);
UART1_Write(character); // Write data to UART
}
}
// Deletes a file. If file doesn't exist, it will first be created
// and then deleted.
void M_Delete_File() {
filename[7] = 'F';
Mmc_Fat_Assign(filename, 0);
Mmc_Fat_Delete();
}
// Tests whether file exists, and if so sends its creation date
// and file size via UART
void M_Test_File_Exist() {
unsigned long fsize;
unsigned int year;
unsigned short month, day, hour, minute;
unsigned char outstr[12];
filename[7] = 'B'; //uncomment this line to search for file that DOES exists
// filename[7] = 'F'; //uncomment this line to search for file that DOES NOT exist
if (Mmc_Fat_Assign(filename, 0)) {
//--- file has been found - get its create date
Mmc_Fat_Get_File_Date(&year, &month, &day, &hour, &minute);
UART1_Write_Text(" created: ");
WordToStr(year, outstr);
UART1_Write_Text(outstr);
ByteToStr(month, outstr);
UART1_Write_Text(outstr);
WordToStr(day, outstr);
UART1_Write_Text(outstr);
WordToStr(hour, outstr);
UART1_Write_Text(outstr);
WordToStr(minute, outstr);
UART1_Write_Text(outstr);
//--- file has been found - get its modified date
Mmc_Fat_Get_File_Date_Modified(&year, &month, &day, &hour, &minute);
UART1_Write_Text(" modified: ");
WordToStr(year, outstr);
UART1_Write_Text(outstr);
ByteToStr(month, outstr);
UART1_Write_Text(outstr);
WordToStr(day, outstr);
UART1_Write_Text(outstr);
WordToStr(hour, outstr);
UART1_Write_Text(outstr);
WordToStr(minute, outstr);
UART1_Write_Text(outstr);
//--- get file size
fsize = Mmc_Fat_Get_File_Size();
LongToStr((signed long)fsize, outstr);
UART1_Write_Line(outstr);
}
else {
//--- file was not found - signal it
UART1_Write(0x55);
Delay_ms(1000);
UART1_Write(0x55);
}
}
// Tries to create a swap file, whose size will be at least 100
// sectors (see Help for details)
void M_Create_Swap_File() {
unsigned int i;
for(i=0; i<512; i++)
Buffer[i] = i;
size = Mmc_Fat_Get_Swap_File(5000, "mikroE.txt", 0x20); // see help on this function for details
if (size) {
LongToStr((signed long)size, err_txt);
UART1_Write_Line(err_txt);
for(i=0; i<5000; i++) {
Mmc_Write_Sector(size++, Buffer);
UART1_Write('.');
}
}
}
// Main. Uncomment the function(s) to test the desired operation(s)
void main() {
#define COMPLETE_EXAMPLE // comment this line to make simpler/smaller example
ADCON1 |= 0x0F; // Configure AN pins as digital
CMCON |= 7; // Turn off comparators
// Initialize UART1 module
UART1_Init(19200);
Delay_ms(10);
UART1_Write_Line("PIC-Started"); // PIC present report
// Initialize SPI1 module
SPI1_Init_Advanced(_SPI_MASTER_OSC_DIV64, _SPI_DATA_SAMPLE_MIDDLE, _SPI_CLK_IDLE_LOW, _SPI_LOW_2_HIGH);
// use fat16 quick format instead of init routine if a formatting is needed
if (Mmc_Fat_Init() == 0) {
// reinitialize spi at higher speed
SPI1_Init_Advanced(_SPI_MASTER_OSC_DIV4, _SPI_DATA_SAMPLE_MIDDLE, _SPI_CLK_IDLE_LOW, _SPI_LOW_2_HIGH);
//--- Test start
UART1_Write_Line("Test Start.");
//--- Test routines. Uncomment them one-by-one to test certain features
M_Create_New_File();
#ifdef COMPLETE_EXAMPLE
M_Create_Multiple_Files();
M_Open_File_Rewrite();
M_Open_File_Append();
M_Open_File_Read();
M_Delete_File();
M_Test_File_Exist();
M_Create_Swap_File();
#endif
UART1_Write_Line("Test End.");
}
else {
UART1_Write_Line(err_txt); // Note: Mmc_Fat_Init tries to initialize a card more than once.
// If card is not present, initialization may last longer (depending on clock speed)
}
}

下一篇:PIC12F508项目程序
史海拾趣
|
请大家帮帮忙,毕业设计,产生一个5KHz的三角波,阶梯波,两者同步 我想产生一个5KHz的三角波,阶梯波,两者同步,同步方式是这样的,三角波从负最大到正最大,阶梯波为一个阶梯,然后在瞬间上升到下个阶梯,三角波在这个阶梯里又从正最大到负最大,如此下去,我用模拟的方法各做了两块板产生两种波形,可是同步解决 ...… 查看全部问答> |
|
Linux内核在启动的时候,能接收某些命令行选项或启动时参数。当内核不能识别某些硬件进而不能设置硬件参数或者为了避免内核更改某些参数的值,可以通过这种方式手动将这些参数传递给内核。 如果不使用启动管理器,比如直接从BIOS或者把内核文件用 ...… 查看全部问答> |
|
WaitForMultipleObjects 等到了两倍时间 我使用WaitForMultipleObjects函数来等待一些信号,奇怪的是为什么我等待的时间变成了两倍我设置的时间?比如我设置的等待时间是30秒,那么我会在1分钟的时候才收到一个Timeout的超时返回?不知道为什么,郁闷一上午了,不知道有没有人碰到过??? ...… 查看全部问答> |
|
关于first-chance exception in **.exe access violation的问题 这个代码我已经放上去了,工程是用EVC创建的。ApiDll是那个动态库,MFCTest是基于对话框的应用程序 。… 查看全部问答> |
|
原来写了一个程序,可以通过原始的socket连接intenet网络上的流媒体服务器进行通信(建立连接,获取流媒体数据等等) 现在想移植到手机上,windows mobile,但好像CDMA网络有wap网关,不知道怎么通过CDMA网络的wap网关去连接流媒体服务器,然后进 ...… 查看全部问答> |
|
请问WINCE下支持wm format sdk 吗?? 如果不支持,在wince下怎样将从声卡取得的PCM数据转成WMA格式或者MP3格式呢?? 在wince下该怎样去调用系统提供的Windows Media Codecs呢?? 刚学习这方面的东西,请多多指教哈~~ 可以的话给个简单的wince下编解 ...… 查看全部问答> |
|
我在国外IC公司从事了5年的混合信号IC设计,因为家庭的原因想回国发展,收到国内一家深圳芯海科技的offer。不知道国内的情况如何,资深的混合信号设计师大概是什么待遇啊?芯海这家公司如何?有了解的兄弟分享下。呵呵,谢啦… 查看全部问答> |
|
在学习西门子的编程软件(Step7,WINCC)过程中,如果只用STEP7编程和WINCC做界面的话,会比较枯燥乏味,我们可以利用西门子提供的PLC模拟软件 S7-PLCSIM(能模拟S7 -300,S7 -400)来把界面和Step7连接起来,这样就能够实现STEP7程序的调试和WINCC的监控 ...… 查看全部问答> |




