历史上的今天
今天是:2024年11月07日(星期四)
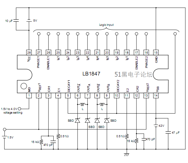
2019年11月07日 | 东芝LB1847 步进电机驱动芯片pdf资料与AVR单片机源程序
2019-11-07 来源:51hei
ATMEGA16A使用东芝LB1847芯片驱动步进电机
东芝LB1847引脚图:
LB1847典型应用电路图



ton : Output ON time
toff : Output OFF time
tm : FAST DECAY time in MIX DECAY mode
tn : Noise cancelling time
MIX DECAY logic setting
DECAY pin : L
MD pin : 1.5V to 4.0V voltage setting
CR voltage and MD pin voltage are compared to select dual-side chopping
or top-side chopping.
CR voltage > MD pin voltage: dual-side chopping
CR voltage < MD pin voltage: top-side choppi
avr单片机源程序如下:
char flagCNC1;
#define CNC1steps 32
unsigned long int CNC1point=25000;
unsigned char CNC1counter=0;
unsigned char step[CNC1steps] =
{
0b01110000,
0b01110010,
0b00110100,
0b01010110,
0b00011000,
0b01101010,
0b00101100,
0b01001110,
0b00001110,
0b11001110,
0b10101100,
0b11101010,
0b10011000,
0b11010110,
0b10110100,
0b11110010,
0b11110000,
0b11110011,
0b10110101,
0b11010111,
0b10011001,
0b11101011,
0b10101101,
0b11001111,
0b00001111,
0b01001111,
0b00101101,
0b01101011,
0b00011001,
0b01010111,
0b00110101,
0b01110011};
void STEP_UP (unsigned char s)
{
if (flagCNC1){
unsigned char q;
CNC1counter +=s;
q = CNC1counter & 0b00011111;
PORTB = step[q];
CNC1point+=s;
flagCNC1=0;
}
}
void STEP_DOWN (unsigned char s)
{
if (flagCNC1){
unsigned char q;
CNC1counter -=s;
q = CNC1counter & 0b00011111;
PORTB = step[q];
CNC1point-=s;
flagCNC1 = 0;
}
}
史海拾趣
|
1 引言 LIN 是低成本网络中的汽车通讯协议标准,LIN(Local Interconnect Network)是低成本的汽车网络,它是现有多种汽车网络在功能上的补充由于能够提高质量、降低成本,LIN 将是在汽车中使用汽 ...… 查看全部问答> |
|
昨日与友人闲谈,得知其急需一FDD接口的U盘.用于工控.遂发此贴,求助于诸位.提及FDD(即软驱),众皆笑曰:\"淘汰久矣!\"然,君不见其依然服役于众多工控场合?随之FPGA/RAM等先进技术之普及.待处理数据之大,昔日之1.44何以满足?市有产品曰:仿真软驱,价格奇 ...… 查看全部问答> |
|
应届生请教,WINCE嵌入式应用编程发展前景,请大家谈谈个人对现在工作的满意度? 想请教下wince、windows mobile编程方面的工作前景怎样呢》?高薪的可能性? 上次跟一个同学谈过,说这方面可能比较难拿到高薪 不知道大家的情况怎样呢?或者谈谈个人对现在工作的满意度? 下面介绍下我自己的基本情况 我是应届研究生,熟 ...… 查看全部问答> |
|
偶然在网上看到了AMD的一个“我为三核狂”活动,整个活动的主旨都是围绕“三核”的概念来的,网友的热情和创意也是让人叹为观止,大家下面这些有趣的作品吧。简直是神了!大家也来欣赏一下哦 &n ...… 查看全部问答> |
|
每种STM32的产品都由16个字母或数字构成的编号标示,用户向ST订货时必须使用这个编号指定需要的产品。这16个字符分为8个部分,下面通过一个例子说明它们的意义: STM32 F 103 C 6 T 7 xxx 1 2& ...… 查看全部问答> |
|
【Energia开发环境】MSP430 LAUNCHPAD学习笔记2--Lab2 KEY control LED1 【Energia开发环境】MSP430 LAUNCHPAD学习笔记2--Lab2 KEY control LED1材料:MSP430 LAUNCHPAD x 1LED1(P1.0)KEY(P1.3) 实验目的:让MSP430 LAUNCHPAD的P1.0 Y有按键S2控制亮灭原理图如下: 原理分析:为保持按键在没有按下时,P1.3引脚保持高电 ...… 查看全部问答> |




