历史上的今天
今天是:2024年11月19日(星期二)
2019年11月19日 | 51单片机蓝牙空气质量PM2.5检测设计
2019-11-19 来源:51hei
享一个很好的蓝牙+PM2.5空气质量+DHT11温湿度上下限报警的设计,主控芯片是51单片机.
实物图:
仿真原理图如下
元件列表:
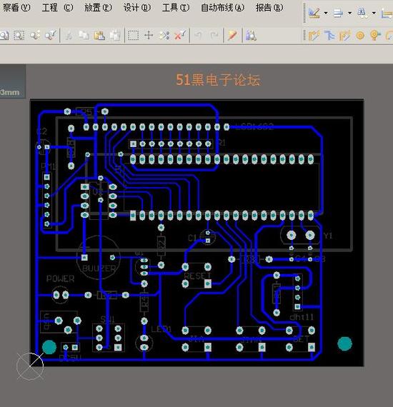
Altium Designer画的空气质量+dht11检测系统原理图和PCB图如下:(51hei附件中可下载工程文件)


单片机源程序如下:
#include"LCD1602.h" //添加LCD1602头文件
#include"dht11.h" //添加DHT11头文件
#include"adc0832.h"
#include sbit BUZZER = P1^3; //蜂鸣器驱动端口==P1^3 sbit Reduc = P3^2; //按键键输入端口==P1^7 sbit Add = P3^3; //按键加输入端口==P3^1 sbit Mode = P3^4; //按键加输入端口==P3^1 sbit LED1=P2^0; sbit LED2=P2^1; uchar Rx_buf[4],Rxnum=0; uchar T1L=15,T1H=35,R1L=30,R1H=80; void InitUART(void) //这是串口的基本配置,配置他的波特率是9600.这些参数都是标准的。 { TMOD = 0x20; SCON = 0x50; TH1 = 0xFD; TL1 = TH1; PCON = 0x00; EA = 1; ES = 1; TR1 = 1; } /* * UART 发送一字节 */ void UART_send_byte(char dat) { SBUF = dat; while (TI == 0); TI = 0; } /* * UART 发送字符串 */ void UART_send_string(unsigned char *buf) { while (*buf != '




