历史上的今天
今天是:2024年12月11日(星期三)
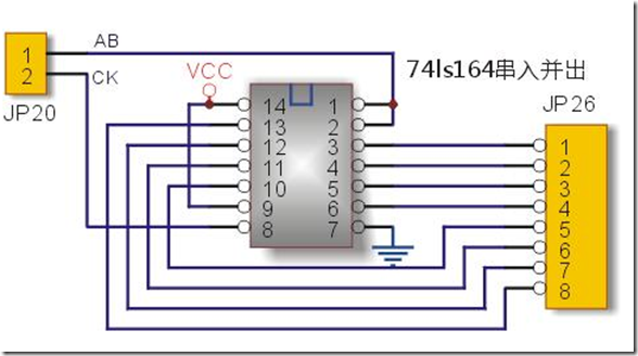
2019年12月11日 | 74LS164 for stm32 源码
2019-12-11 来源:eefocus
在单片机系统中, 如果并行口的IO资源不够,而串行口又没有其他的作用, 那么我们可以用74LS164来扩展并行IO口,节约单片机资源。
74LS164是一个串行输入并行输出的移位寄存器。并带有清除端。
其中: Q0—Q7 并行输出端 。 A,B串行输入端。 MR 清除端, 为0时,输出清零。 CP 时钟输入端。
74LS164引脚定义:

74LS164逻辑表:

相关原理:

74LS164.c
---------------------------------------------------------------------------------------------------------------------------------------------
#include "stm32f10x.h"
#include "stm32f10x_rcc.h"
#include "stm32f10x_gpio.h"
#include "74LS164.h"
/* 延时模块82615468 sp-320-12
* */
static void delay(u32 t)
{
u32 i;
while(t--)
for (i = 0; i < 1; i++);
}
void Ls164Init(void)
{
GPIO_InitTypeDef GPIO_InitStructure;
RCC_APB2PeriphClockCmd(LS164_CLK_GPIO_CLK | LS164_DATA_GPIO_CLK, ENABLE);
GPIO_InitStructure.GPIO_Pin = LS164_CLK_PIN;
GPIO_InitStructure.GPIO_Speed = GPIO_Speed_2MHz;
GPIO_InitStructure.GPIO_Mode = GPIO_Mode_Out_PP;
GPIO_Init(LS164_CLK_GPIO, &GPIO_InitStructure);
GPIO_InitStructure.GPIO_Pin = LS164_DATA_PIN;
GPIO_InitStructure.GPIO_Speed = GPIO_Speed_2MHz;
GPIO_InitStructure.GPIO_Mode = GPIO_Mode_Out_PP;
GPIO_Init(LS164_DATA_GPIO, &GPIO_InitStructure);
LS164_CLK_H();
LS164_DATA_H();
}
void Ls164Send(u8 data)
{
u8 k;
for(k = 8; k > 0; k--)
{
LS164_CLK_L();
delay(1);
if(data & 0x01)
LS164_DATA_H();
else
LS164_DATA_L();
LS164_CLK_H();
delay(1);
data >>= 1;
}
}
/* _____________________________________________________________
164SendTime1 Line0 0bit | |
Line1 1bit | |
Line2 2bit | |
Line3 3bit | |
Line4 4bit | |
Line5 5bit | |
Line6 6bit | |
Line7 7bit | |
164SendTime0 Line8 0bit | |
Line9 1bit | |
Line10 2bit | |
Line11 3bit | |
Line12 4bit | |
Line13 5bit | |
Line14 6bit | |
Line15 7bit |_____________________________________________________________|
*/
void LedLineOut(u8 LineN)
{
u16 LineData;
LineN %= 16; //行取值范围
LineData = ~(0x0001 << LineN); //取反低电平有效
Ls164Send(LineData & 0xff); //第1片164(Line0~7)
Ls164Send(LineData >> 8); //第0片164(Line8~15)
}
//end of file
74LS164.h
---------------------------------------------------------------------------------------------------------------------------------------------------------------
#ifndef __74LS164_H__
#define __74LS164_H__
#define LS164_CLK_PIN GPIO_Pin_4
#define LS164_CLK_GPIO GPIOA
#define LS164_CLK_GPIO_CLK RCC_APB2Periph_GPIOA
#define LS164_CLK_H() GPIOA->BSRR = LS164_CLK_PIN
#define LS164_CLK_L() GPIOA->BRR = LS164_CLK_PIN
#define LS164_DATA_PIN GPIO_Pin_5
#define LS164_DATA_GPIO GPIOA
#define LS164_DATA_GPIO_CLK RCC_APB2Periph_GPIOA
#define LS164_DATA_H() GPIOA->BSRR = LS164_DATA_PIN
#define LS164_DATA_L() GPIOA->BRR = LS164_DATA_PIN
void Ls164Send(u8 data);
void Ls164Init(void);
void LedLineOut(u8 LineN);
#endif
史海拾趣
|
我现在正在调试的系统中用到了RTL8212,是一块千兆双口物理层收发器。现在他能够正常接收数据,但是却不能发送数据,发出的数据在接收方说是错误的数据包。我是用一块FPGA来控制的,现在不知道问题出在哪里,不知道是我的FPGA时序不对还是RTL8212的 ...… 查看全部问答> |
|
目 录 第1章 UNIX操作系统概述 6 1.1 UNIX操作系统简介 6 1.2 UNIX系统组成 6 1.3 与UNIX有关的几个名词 7 第2章 UNIX常用操作 9 2.1 启动终端 9 2.2 登录 9 2.3 UNIX命令 9 2.4 注销(退出UNIX系统) 13 第3章 UNIX文件系统 ...… 查看全部问答> |
|
arm+linux平台 通过 串口发送 数据 write完以后 必须sleep()发送才能成功 否则,发送的就在中间某位产生错误码,数据长的时候,总是在中间顿一下,然后发后半部分,前半部分的最后一个字节就错掉了 这是怎么回事? 太怪了 高手帮忙分析吧 … 查看全部问答> |
|
我用stc12c5608AD自带的AD做一个AD转换的程序 具体的代码如下 void ad_cov() { P1M0=P1M0||0x20; P1M1=P1M1||0x20; //选择P1.5为开漏。(做A/D使用时选择的模式) ADC_CONTR=0xc5; //540个时钟周期转换一次;ADC_FLAG=0;ADC_START=0(设置为1 ...… 查看全部问答> |
|
自己仿着S3C2410a的开发板,根据需要自己做了一个底板(插在上面的核心板没做),画了PCB,只用了电源,串口和液晶屏(其它的没画),做好板之后又焊上器件,当把原来的核心板(系统在flash里)插在我做的板子上时,液晶可以正常开启,但是触摸时只 ...… 查看全部问答> |




