历史上的今天
今天是:2024年12月12日(星期四)
2019年12月12日 | 51单片机定时器做的可调数字时钟设计
2019-12-12 来源:51hei

一、选题意义
从古至今,人类以各式各样的方法来记录时间,上至水滴计时、日冕观测,下至摆钟,机械表。人类无时无刻都在关注着时间,以调节自身日常生活的安排与进展。
1957年,Ventura发明了世界上第一个电子表,从而奠定了电子时钟的基础,电子时钟开始迅速发展起来。现代的电子时钟是基于单片机的一种计时工具,采用延时程序产生一定的时间中断,用于一秒的定义,通过计数方式进行满六十秒分钟进一,满六十分小时进一,满二十四小时小时清零。从而达到计时的功能,是人民日常生活补课缺少的工具。现在高精度的计时工具大多数都使用了石英晶体振荡器,由于电子钟、石英钟、石英表都采用了石英技术,因此走时精度高,稳定性好,使用方便,不需要经常调试,数字式电子钟用集成电路计时时,译码代替机械式传动,用LED显示器代替指针显示进而显示时间,减小了计时误差,这种表具有时、分、秒显示时间的功能,还可以进行时和分的校对,片选的灵活性好。
二、实现方案选择
本文基于51单片机设计的可调数字时钟,具有传统意义上的钟表的特点,可以显示当前时间,并且还是以时-分-秒的形式来显示当前时间。再者通过相应按键来实现分别对时、分、秒的调节。运用单片微机原理与接口技术和C语言程序设计以及数字电子技术,通过两块四位七段数码管和键盘来显示并调节时间。需要使用的电路分别是以下模块:单片机最小系统、2块四位七段数码管以及键盘电路三部分组成。使用单 片机作为控制核心可以简化硬件电路采用软件编程控制单片机实现硬件电路的功能降低能耗降低成本。软件采用C语言编程方便灵活大大加快了软件开发速度缩短了开发周期并且便于移植。为提高开发效率和硬件稳定性采用了功能强大的硬件 仿真软件Proteus依托该软件提供的仿真环境搭配Keil作为软件开发调试环境进行仿 真调试成功。
三、设计原理
AT895S52单片机的内部16位定时器/计数器是一个可编程定时/计数器,它既可以工作在13位定时方式,也可以工作在16位定时方式或8位定时方式,只要通过设置特殊功能寄存器TMOD即可完成。定时/计数器核实工作也可以通过TCON特殊功能寄存器来设置的。在此设计中,选择16位定时工作方式。对于T0来说,系统时钟位12MHz,最大定时也只有65536us,无法达到所需的1s的定时,因此必须通过软件来处理这个问题,假设取T0的最大定时为50ms,即要定时1s需要经过20次的50ms的定时。T0定时器/计数器的TH0、TL0的初值设定可以通过以下公式计算:
TH0=(2^16-50000)/256
TL0=(2^16-50000)%256
为了将时间在LED数码管上显示,可采用静态显示法和动态显示法,由于静态显示法需要译码器,数据锁存器等较多硬件,可采用动态显示法实现LED显示,通过对每位数码管的依次扫描,使对应数码管亮,同时向该数码管送对应的字码,使其显示数字。由于数码管扫描周期很短,由于人眼的视觉暂留效应,使数码管看起来总是亮的,从而实现了各种显示。
针对要实现的功能,采用AT89S52单片机进行设计,AT89S52 单片机是一款低功耗,高性能CMOS8位单片机,片内含4KB在线可编程(ISP)的可反复擦写1000次的Flash只读程序存储器,器件采用高密度、非易失性存储技术制造,兼容标准MCS- 51指令系统及80C51引脚结构。这样,既能做到经济合理又能实现预期的功能。
在程序方面,采用分块设计的方法,这样既减小了编程难度、使程序易于理解,又能便于添加各项功能。程序可分为闹钟的声音程序、时间显示程序、日期显示程序,秒表显示程序,时间调整程序、闹钟调整程序、定时调整程序,延时程序等。运用这种方法,关键在于各模块的兼容和配合,若各模块不匹配会出现意想不到的错误。
首先,在编程之前必须了解硬件结构尤其是各引脚的用法,以及内部寄存器、存储单元的用法,否则,编程无从下手,电路也无法设计。这是前期准备工作。第二部分是硬件部分:依据想要的功能分块设计设计,比如输入需要开关电路,输出需要显示驱动电路和数码管电路等。第三部分是软件部分:先学习理解汇编语言的编程方法再根据设计的硬件电路进行分块的编程调试,最终完成程序设计。第四部分是软件画图部分:设计好电路后进行画图,包括电路图和仿真图的绘制。第五部分是软件仿真部分:软硬件设计好后将软件载入芯片中进行仿真,仿真无法完成时检查软件程序和硬件电路并进行修改直到仿真成功。第六部分是硬件实现部分:连接电路并导入程序检查电路,若与设计的完全一样一般能实现想要的功能。最后进行功能扩展,在已经正确的设计基础上,添加额外的功能.
四,时钟的实现
A.电路设计
1. 整体设计
此次设计主要是应用单片机来设计电子时钟,硬件部分主要分以下电路模块:显示电路用2个四位共阴数码管分别显示时、分、秒,通过动态扫描进行显示,从而避免了译码器的使用,同时节约了I/0端口,使电路更加简单。单片机采用AT89S52系列,这种单片机应用简单,适合电子钟设计。
电路的总体设计框架如下:

2. 分块设计
模块电路主要分为:单片机最小系统、2块四位七段数码管以及键盘电路三部分组成
2.1 单片机最小系统部分
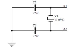
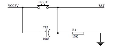
对51系列单片机来说,最小系统一般应该包括:单片机、晶振电路、复位电路.分四个部分:
1.晶振,至于大小由所用单片机时钟周期要求而决定(用于计时,与两个电容并联使用,电容大小由所用晶振决定,一般用22pF)
2.复位电路(用于复位)
3.电源(用于供电,一般用电脑的USB口供电)
4.烧制程序的口(可用串口配合MAX232配合使用,也可以做个并口输入,这个要根据所使用单片机的种类决定,比如ATC可用并口,STC一般只用串口输入等等)
以下为输入部分样例:

其中晶振与复位电路
本实验单片机时钟用内部时钟,模块如下:

复位电路为手动复位构成,模块如下:

2.2 四位七段数码管
本电路的输出信号为7段数码管的位选和段选信号(其中位选信号由P2口输出,段选信号由P0口输出),时间提醒指示灯(LED灯,由P3.2口输出)
本实验的数码管是共阴的,为了防止段选信号不能驱动数码管,故在P0口连接上拉电阻后,再送段选信号,以提高驱动,位选信号直接从P2口接入,如下图:

时间提醒灯由P3.2端输出,模块如下:

2.3 键盘电路
键盘电路采用4个四脚轻触开关来搭建键盘电路,分别用来对时、分、秒、复位时间的控制与调节,以下是有关于四脚轻触开关的一些参数以及键盘电路的原理图
四脚轻触开关参数:

键盘电路的原理图

分别由P1.0,P1.1,P1.2,P1.3读取四个四脚开关的值,并由单片机做出相应的响应
由于四脚轻触开关按动时抖动现象,由此可以通过编写延时程序来实现“消抖”。延时程序可参考如下程序段:

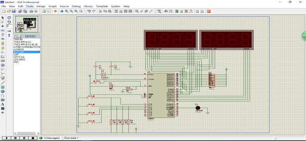
各模块拼接组合,电路总体设计图如下:

B 程序设计
B.1 程序总体设计
本实验用汇编程序完成.
程序总的流程图如下:

B.2 程序主要模块
B.2.1 延时模块
数码管显示动态扫描时,用到延时程序,这里使用延迟1ms的程序,此程序需反复调,除数码管动态扫描外.
B.2.2中断服务程序
本实验中,T0中断为时钟定时所用,T1中断用于音乐播放。T0的定时长度为0.01s,工作于方式0,计数1次,时长1us,故计数器计数10000次,进入中断,计数初值为65536-10000=55536=#0D8F0,装满定时器需要0.01s的时间,从而100次中断为一秒,一秒之后,判断是否到60秒,若不到则秒加一,然后返回,若到,则秒赋值为0,分加一,依次类推。
B.2.3 显示子程序
8个数码管轮流进行显示,分别显示50ms,依赖人的视觉 暂留效应,给人以数码管持续高亮的错觉。
B.2.4扫描键盘程序
通过读取P1口的P1.0,P1.2,P1.3的0或1值来判断哪个按键被按下,同时添加“消抖”程序来防止单片机误判。
B.2.5主程序
主程序只要是对定时/计数器装载初值,初始化定时/计数器以及启动定时/计数器,同时调用以上子程序来完成要求和设计时间提醒灯程序来实现LED的亮灭。
五、程序调试及仿真
1、程序软件编译器使用uVision4。这里使用Proteus7进行电路仿真。该软件具有模拟电路仿真、数字电路仿真、单片机及其外围电路组成的系统仿真、RS232动态仿真、I2C调试器、SPI调试器、键盘和LED点阵系统仿真的功能,同时有各种虚拟仪器,如示波器、逻辑分析仪、信号发生器等。
2、先在Proteus上绘制硬件电路,电路设计完成后就可以进行仿真。先双击单片机,把用keiluVision4编译生成的HEX文件指定为下载文件,点击PLAY键即可进行仿真。当出现ANALYSER ERRORS时,表示电路有错误,列表中说明了具体的错误,必须要先排错才可以进行仿真。
软件调试及Proteus仿真完成后就进行硬件的安装。本设计按照原先设计好的电路图进行总体上的布置,采用人工搭电路的方法进行硬件的安装。

3、安装时要考虑受热、稳固等多方面的影响使用电烙铁时要控制好焊接的时间,电烙铁停留的时间太短,焊锡不易完全熔化,形成“虚焊”,而焊接时间太长又容易损坏元器件,每一两秒内要焊好一个焊点,若没完成,宁愿等一会儿再焊一次。其次芯片的摆置要方便连线,焊接时要先把芯片拔出,等线接好了再插上去。在焊接时要考虑电路的抗干扰能力同时要充分考虑电源对单片机的影响。每焊接完一个模块,要用万能表根据电路图检查有没有接错、短路等现象,确认正确后再继续下一个模块。为了防止在焊接过程中由于过热对AT89S52单片机芯片以及其他芯片造成损坏,建议先将相应的芯片底座焊接在电路板上,然后在焊接完毕后在插进芯片。在焊接的过程中,在安全可靠可正常工作的情况下,力保电路板接线简洁。防止被电烙铁烫伤。
六、设计中遇到的问题
1、 第一次上电时,数码管没显示,用万用表测得单片机VCC接口无电压。
解决方法:将万用表打到直流电压档来测量USB电源口发现将USB口的正负极性弄反了。最后重新接线。
2、单片机正常工作时,时间提醒灯没有按照设定的时间区间来亮灭。
解决方法:由于采用C语言来编写程序时,使用了if()指令来控制LED亮灭,并且在使用多条件时不注意if()格式,导致了实际运行结果不符合期望结果。所以改写程序后,运行正常,符合要求。
七、设计中可以改进的地方
1、可以增设年份、月份以及星期的显示
2、可以增设调节电路来实现可以任意时间提醒
八、心得体会
本文先从整体论述了设计电子钟的大致思路,然后再采用划分模块的方法,将硬件电路划分为开关电路,显示驱动电路,以及数码管电路等,而软件部分,则依据要实现的功能,划分为:秒表显示程序,时间调整程序。最后将各模块集成为一个整体,合成一个多功能的电子钟。在程序编写的过程中,通过查阅不少的书籍以及参考一下网上一些可用的程序,我更加加深了对单片机定时/计数器的工作原理以及使用方法。同时,通过对实际的单片机最小系统的搭建与焊接,我更加掌握了单片机最小系统的硬件要求和焊接技术。
再者,通过可调数字时钟设计我使用学会了如何使用单片机做出自己想要做的产品同时也提高了我使用单片机方面的能力和经验。同时使我能够更加熟练的使用proteus 电路仿真软件和keill程序编写软件。
参考文献
【1】宋跃,《单片微机原理与接口技术》,电子工业出版社
【2】周润景,刘晓霞,《单片机实用系统设计与仿真经典实例》,电子工业出版社
附录
附录1:整体电路仿真图

附录2:电路实物图


单片机源程序如下:
#include #define uchar unsigned char #define uint unsigned int sbit s_set=P1^0; sbit m_set=P1^1; sbit h_set=P1^2; sbit reset=P1^3; sbit led=P3^2; unsigned char second,minute,hour,tcnt,restar=0; uchar code scan[8]={0xfe,0xfd,0xfb,0xf7,0xef,0xdf,0xbf,0x7f}; uchar code table[13]={0x3f,0x06,0x5b,0x4f,0x66,0x6d,0x7d,0x07,0x7f,0x6f,0x40,0x39,0x00}; uchar dispbuf[8]; void delay(unsigned int us) { while(us--); } void scandisp() { unsigned char i,value; for(i=0;i<8;i++) { P2=0xff; value=table[dispbuf[i]]; P0=value; P2=scan[i]; delay(50); } } void Timer0(void)interrupt 1 using 1 { TH0=(65536-50000)/256; TL0=(65536-50000)%256; tcnt++; if(tcnt==20) { second++; tcnt=0; if(second==60) { minute++; second=0; if(minute==60) { hour++; minute=0; if(hour==24) { hour=0; minute=0; second=0; tcnt=0; } } } } } void display() { scandisp(); dispbuf[6]=second/10; dispbuf[7]=second%10; dispbuf[5]=10; dispbuf[3]=minute/10; dispbuf[4]=minute%10; dispbuf[2]=10; dispbuf[0]=hour/10; dispbuf[1]=hour%10; } void key_test() { display(); P1=0xff; restar=0; if(s_set==0) { delay(100); if(s_set==0) { second++; if(second==60) { second=0; } while(s_set==0) display(); } } if(m_set==0) { delay(100); if(m_set==0) { minute++; if(minute==60) { minute=0; } while(m_set==0) display(); } } if(h_set==0) { delay(100); if(h_set==0) { hour++; if(hour==24) { hour=0; } while(h_set==0) display(); } } if(reset==0) { delay(100); if(reset==0) { restar=1; } } } void main() { while(1) { P3=0x00; hour=0; minute=0; second=0; tcnt=0; TMOD=0x01; TH0=(65536-50000)/256; TL0=(65536-50000)%256; ……………………
史海拾趣
|
九﹑电路板设计的考量 在前章节有提到噪声辐射的主要来源有三个﹐一个是共模电压﹐一个是电流回路﹐另一个则是天线的长度﹐因此我们在电路板设计和Layout时﹐如何处理这些问题呢﹖也就是如何把这三个观念﹐充分运用在实际 ...… 查看全部问答> |
|
h.w.所负责的手机可以直接摔到地上,但是chris所负责的投影机单价昂贵,必须活用落下测试的方法,避免在测试过程中损坏整台机器可能付出的高额成本,投影机造价高,在进行落下测试前,结构工程师会先进行评估,将昂贵、不影响测试准确性的零组件先 ...… 查看全部问答> |
|
3D集成电路将如何同时实现?作者:Philip Garrou Microelectronic Consultants of North Carolina Research Triangle Park, N.C. 2009-03-03 点击:1660 三维集成电路的第一代商业应用,CMOS图像传感器和叠层存储器, ...… 查看全部问答> |
|
通过摄像头采集bmp数据,然后在屏幕上显示出来,发现如果是640*480尺寸,画面会有延迟,320*240则很流畅,用的方法是BitBlt,有没有其它好的方法快速显示640*480呢?… 查看全部问答> |
|
我在驱动里面hook了NTSTATUS NtTerminateProcess( IN HANDLE ProcessHandle OPTIONAL, IN NTSTATUS ExitStatus)这个函数 我用下面代码能够打印出来进程名, char output[15]; ResultStatus = ObReferenceObjectBy ...… 查看全部问答> |
|
我刚刚开始学习dsp:发现有人用仿真器,有人用dsk。他们的最大的区别是什么? 尽管 仿真器在应用一栏写着:DSP系统的开发;DSP系统的实时仿真;dsk写着:软硬件开发的初级手段 教学实验,性能评估。但我想听听各位前辈高手的教诲!!小弟先谢谢了 ...… 查看全部问答> |
|
为更丰富本次DIY数控电源的活动,又恰逢站方推出430铁电实验板的团购,为让更多的网友能够参与到本次活动中,现征集DIY数控实验电源的显示面板设计,本面板独立于电源本身,只是一个显示操控装置,与电源板通过串口互联,用协议和指令控制电源板的 ...… 查看全部问答> |




