历史上的今天
今天是:2024年12月26日(星期四)
2019年12月26日 | STM32学习笔记:【001】时钟树与RCC
2019-12-26 来源:eefocus
导言
如果学过单片机的同学应该不会陌生,学习51单片机时最经常听到的就是“最小系统”。
最小系统里面少不了晶振,否则单片机无法工作。
单片机需要晶振(时钟源)来工作,那么对于STM32芯片同样如此。
此外,同一个电路,时钟越快功耗越大,抗电磁干扰能力也随之变弱。
所以对于较为复杂的MCU一般都是采取多时钟源的方法来解决这些问题。
STM32的时钟树与时钟源
时钟源
在STM32F4中,有5个最重要的时钟源,按来源分为内外部两种;按速率也可以分为高低速两种。
| 时钟源 | 含义 | 时钟速率 | 用途 |
| HSI | 高速内部时钟 | 16MHz | 可以直接作为系统时钟或者PLL输入 |
| HSE | 高速外部时钟 | 4~26MHz | 可以直接作为系统时钟 |
| LSI | 低速内部时钟 | 32KHz | 供给独立看门口和自动唤醒单元使用 |
| LSE | 低速内部时钟 | 32.768KHz | 主要是RTC(实时时钟)的时钟源 |
| PLL | 锁相环 (内部倍频器) | 可以是 HSI的二分频 HSE的一分频 或HSE的二分频 | 锁相环倍频输出,分为主PLL和专用PLL: 1)主PLL由HSE或HSI提供时钟信号,并且具有两个不同的输出时钟: ①PLLP:生成高速的系统时钟,最高180MHz;(STM32F429) ②PLLQ:生成USB OTG FS的时钟(48MHz)、随机数发生器和SDIO的时钟。 2)专用时钟PLL(PLLI2S),用于生成精确时钟,在I2S接口实现高品质音频输出。 |
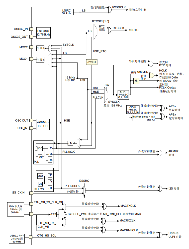
时钟树
由于STM32复杂的时钟体系,有人形象地称下图为时钟树。
当初学习到这个地方的时候,本人也觉得混乱。
但其实只要抓准5个时钟源,“顺藤摸瓜”就可以捋清关系了。

下图是笔者根据自己开发板的情况画的简单线路图。

了解完以上的关系就不难理解为什么任何片内外设在使用之前,必须使能相应的时钟。
附时钟频率的计算:
SYSCLK = Fvco/pllp = Fs*(plln/(pllm*pllp));
Fvco:VCO频率
SYSCLK:系统时钟频率
Fusb:USB,SDIO,RNG等的时钟频率
Fs:PLL输入时钟频率,可以是HSI,HSE等.
plln:主PLL倍频系数(PLL倍频),取值范围:64~432.
pllm:主PLL和音频PLL分频系数(PLL之前的分频),取值范围:2~63.
pllp:系统时钟的主PLL分频系数(PLL之后的分频),取值范围:2,4,6,8
pllq:USB/SDIO/随机数产生器等的主PLL分频系数(PLL之后的分频),取值范围:2~15.
史海拾趣
|
本帖最后由 paulhyde 于 2014-9-15 09:08 编辑 眼看大赛越开越进,不知准备参加控制类的兄弟们是如何准备的?大赛今年有啥呢?期待吧!!!, … 查看全部问答> |
|
本帖最后由 paulhyde 于 2014-9-15 09:46 编辑 非常高兴能有这个机会与大家一起交流一些经验,谈一些我在电子设计竞赛方面的感受,希望我们能够共同进步。 在这里我要先给大家讲一段我的亲身经历。.......我下定了要学好电子技术的决心,并 ...… 查看全部问答> |
|
如题,在eeworld上下了一tec-2模拟机老显示Dead cycle!!! A0800 MOV R2,0A MOV R0,30 CALL 009B INC R0 EDC R2 JR NZ,0804 RET G0800 dead cycle… 查看全部问答> |
|
功能是读取edit控件中显示的内容,将内容存储到txt文件中 现在文件可以创建,也可以写入,就是打开txt文件显示乱码。 请教明白人 谢谢 void CDATASTOREDlg::OnSave() { UpdateData(TRUE); SYSTEMTIME Time;  ...… 查看全部问答> |
|
我用555电路做1KHZ信号源,测试正确,CD4522做可调1000分频,测试也正确,可一与4046连接,输出就不对了,调拨盘调也没反应。电路是这样的。仿真也在附件里,希望懂的人能帮我调调,非常感谢。… 查看全部问答> |
|
DSP320F2812可以下载程序,但是CCS里点运行DSP不执行程序 今天焊完板子,电源都没问题,也能够通过CSS下载程序,但是点“运行”之后,DSP不能执行程序。我用的直流源供电,如果DSP能够跑程序的话,应该会有0.2A左右的电流,但是电源上显示的还是只有0.06A。程序在开发板上跑没有问题,所以程序应该没有问题 ...… 查看全部问答> |




