历史上的今天
今天是:2024年12月26日(星期四)
2019年12月26日 | STM32—RCC时钟
2019-12-26 来源:eefocus
前言:
最近在调试STM32L152芯片,本文总结下STM32L152的RCC时钟配置方法。
硬件平台:STM32L152
软件平台:keil v5+cubeMX
函数库:HAL库
内容:
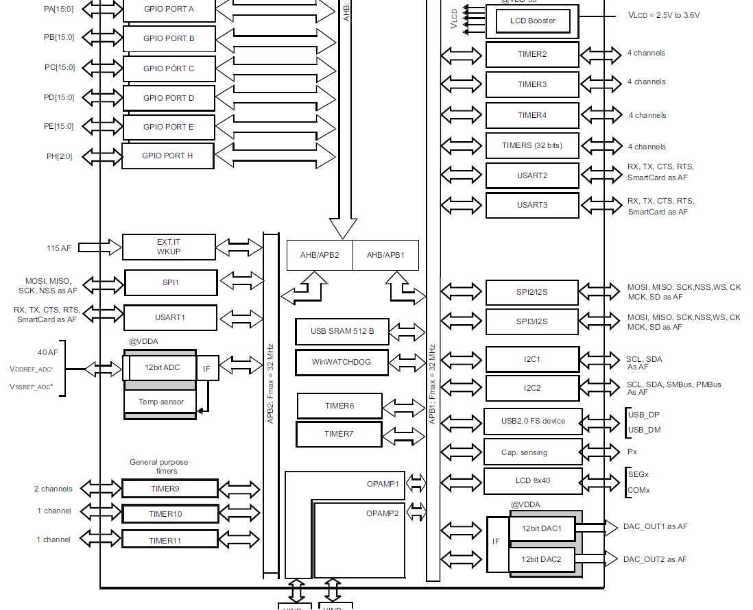
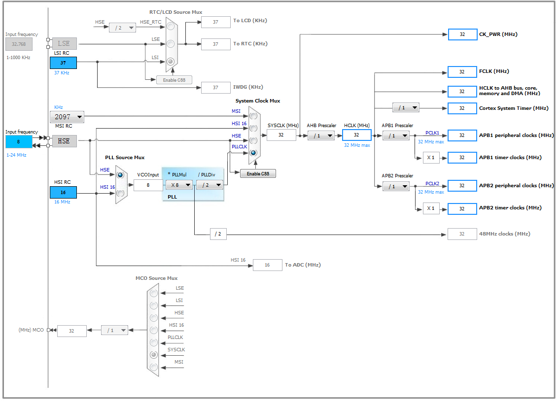
RCC:Reset and Clock Control,复位与时钟控制系统。系统复位有三种:系统复位、电源复位、RTC domain复位。复位内容本文暂不详解,本文重点详解Clock Control部分。下面看下STM32L152芯片的时钟框图和cubeMX软件中的时钟框图。



如上图所示,在STM32中,有五个时钟源,为HSI、HSE、LSI、LSE、PLL。
①HSI:High Speed Internal,高速内部时钟,RC振荡器;
②HSE:High Speed External,高速外部时钟,可接石英/陶瓷谐振器,或者接外部时钟源;
③LSI:Low Speed Internal,低速内部时钟,RC振荡器,频率为37kHz;
④LSE:Low Speed External,低速外部时钟,接频率为32.768kHz的石英晶体;
⑤PLL:Phase Locked Loop,锁相环倍频分频输出。
另外,STM32还具有双时钟机制,即时钟安全系统CSS(Clock Security System)。在外部晶振不工作时,转而使用内部RC振荡器作为自己时钟心跳保证系统正常运行。当外部晶振恢复正常后,重新使用外部晶振。
上图中也提到3种时钟,FCLK、HCLK和PCLK。简单介绍下三种时钟。
(1)FCLK:Free Running Clock,为CPU提供时钟信号,平时说的CPU主频,就是这个时钟信号,1/Fclk即为CPU时钟周期;
(2)HCLK:为AHB bus peripherals提供时钟信号,AHB:advanced high-performance bus;HCLK是高速外设时钟,一般给内存、flash提供时钟。
(3)PCLK:为APB bus peripherals供给时钟信号,APB:advanced peripherals bus;PCLK是低速外设时钟,一般给CAN、USB、I2C、USART、SPI、Timer、ADC和DAC提供时钟信号。下面结合Cubemx生成的系统时钟原程序进行分析。
void SystemClock_Config(void)
{
RCC_OscInitTypeDef RCC_OscInitStruct;
RCC_ClkInitTypeDef RCC_ClkInitStruct;
RCC_PeriphCLKInitTypeDef PeriphClkInit;
/**Configure the main internal regulator output voltage
*/
__HAL_PWR_VOLTAGESCALING_CONFIG(PWR_REGULATOR_VOLTAGE_SCALE1);//设置调压器输出电压级别1,用来设置调压器输出电压级别,器件未以最大频率工作,达到性能和功耗平衡
/**Initializes the CPU, AHB and APB busses clocks
*/
RCC_OscInitStruct.OscillatorType = RCC_OSCILLATORTYPE_HSI|RCC_OSCILLATORTYPE_LSI
|RCC_OSCILLATORTYPE_HSE;
RCC_OscInitStruct.HSEState = RCC_HSE_ON;
RCC_OscInitStruct.HSIState = RCC_HSI_ON;
RCC_OscInitStruct.HSICalibrationValue = 16;//HSI时钟16M
RCC_OscInitStruct.LSIState = RCC_LSI_ON;
RCC_OscInitStruct.PLL.PLLState = RCC_PLL_ON;
RCC_OscInitStruct.PLL.PLLSource = RCC_PLLSOURCE_HSE;//PLL时钟源为HSE
RCC_OscInitStruct.PLL.PLLMUL = RCC_PLL_MUL8;//8倍频
RCC_OscInitStruct.PLL.PLLDIV = RCC_PLL_DIV2;//2分频
if (HAL_RCC_OscConfig(&RCC_OscInitStruct) != HAL_OK)//初始化
{
_Error_Handler(__FILE__, __LINE__);
}
/**Initializes the CPU, AHB and APB busses clocks
*/
RCC_ClkInitStruct.ClockType = RCC_CLOCKTYPE_HCLK|RCC_CLOCKTYPE_SYSCLK
|RCC_CLOCKTYPE_PCLK1|RCC_CLOCKTYPE_PCLK2;
RCC_ClkInitStruct.SYSCLKSource = RCC_SYSCLKSOURCE_PLLCLK;
RCC_ClkInitStruct.AHBCLKDivider = RCC_SYSCLK_DIV1;//AHB 1分频
RCC_ClkInitStruct.APB1CLKDivider = RCC_HCLK_DIV1;//APB1 1分频
RCC_ClkInitStruct.APB2CLKDivider = RCC_HCLK_DIV1;//APB2 1分频
if (HAL_RCC_ClockConfig(&RCC_ClkInitStruct, FLASH_LATENCY_1) != HAL_OK)//初始化
{
_Error_Handler(__FILE__, __LINE__);
}
PeriphClkInit.PeriphClockSelection = RCC_PERIPHCLK_RTC;
PeriphClkInit.RTCClockSelection = RCC_RTCCLKSOURCE_LSI;//RTC时钟选择LSI
if (HAL_RCCEx_PeriphCLKConfig(&PeriphClkInit) != HAL_OK)
{
_Error_Handler(__FILE__, __LINE__);
}
/**Configure the Systick interrupt time
*/
HAL_SYSTICK_Config(HAL_RCC_GetHCLKFreq()/1000);//滴答定时器配置
/**Configure the Systick
*/
HAL_SYSTICK_CLKSourceConfig(SYSTICK_CLKSOURCE_HCLK);//滴答定时器选择HCLK 不分频
/* SysTick_IRQn interrupt configuration */
HAL_NVIC_SetPriority(SysTick_IRQn, 0, 0);//滴答定时器中断优先级
}
上一篇:STM8的定时唤醒单元的使用
下一篇:stm8s时钟配置
史海拾趣
|
一、故障现象。踩下加速踏板后发动机转速不能马上升高,有迟滞现象,加速反应迟缓或在加速过程中发现有轻微的波动。 二、故障原因 (1)点火提前角不正确。 (2)燃油压力过低。 (3)进气系统中有漏气。 (4)节气门位置 ...… 查看全部问答> |
|
本帖最后由 paulhyde 于 2014-9-15 09:03 编辑 如题。。 新手啊~~许多都不会做,希望论坛到时能相助。。 只要能在比赛期间,做出作品,我已经是万分感激了。。 --------------------------------------------soso----------------------------- ...… 查看全部问答> |
|
各位大虾:你们好!上次的帖子问题没说好,重新发一下!! 再下最近在做一个基于单片机的语音播报时钟,但是在语音器件分段地址的获取遇到了问题!主要功能是通过按键播报当前系统时间,我选用的语音芯片是ISD2560,用的AT89S51单片机, ...… 查看全部问答> |
|
大家好,我创建了一个最简单的hello world webservice,将其添加作为web引用到一个wince应用程序中,调试运行时报参数超出范围异常(argumentoutofrangeexception),报异常语句是: object[] results = this.Invoke(\"HelloWorld\", ne ...… 查看全部问答> |
|
PlaySound(L\"1.wav\",NULL, SND_ASYNC|SND_NODEFAULT ); 看我这句话 有什么错误呢 把1.wav放在了 和exe文件同目录下,但是 为什么 没有播放呢?… 查看全部问答> |
|
招聘信息 企业急需单片机、嵌入式销售、开发、系统工程师以及项目经理 招聘信息 企业急需单片机、嵌入式销售、开发、系统工程师以及项目经理(就职地点北京、青岛、杭州、上海、深圳) 1. 嵌入式企业急需市场销售、软件研发、黑、白盒测试、项目经理等职位,详细资料请登录中华嵌入式人才库 ...… 查看全部问答> |
|
访问DROMSTART之前的地址为什么会FAULT? 地址是有效的空间,并不是无效的,是我编写的ISP程序的起始地址。 typedef void (*pFunction)(void); void down_module(void) { u32 JumpAddress; pFunction Jump_To_I ...… 查看全部问答> |




