历史上的今天
今天是:2024年12月31日(星期二)
2019年12月31日 | 采用单个IC从30 V至400 V输入产生隔离或非隔离±12 V输出
2019-12-31 来源:EEWORLD
电动汽车、大型储能电池组、家庭自动化、工业和电信电源都需要将高电压转换为±12 V,以满足为放大器、传感器、数据转换器和工业过程控制器供电的双极性电源轨需求。所有这些系统中的挑战之一是构建一个紧凑、高效的双极性稳压器,它的工作温度范围为-40°C至+ 125°C,这在汽车和其他高环境温度应用中尤为重要。
线性稳压器已广为人知,并且通常位列双极性电源备选方案的首位,但它不适用于上述高输入电压、低输出电压的应用,这主要是由线性稳压器在高降压比下的散热所导致。此外,双极性解决方案至少需要两个集成电路(IC):一个正输出线性稳压器和一个负输出转换器。更好的解决方案是使用单个开关稳压器,该开关稳压器从较高的输入产生两个输出,并具有良好的效率和调节性能,同时还能适用于狭小空间并降低成本。
本文介绍了两种精简电路,它们均使用单个高电压LT8315转换器,可由30V至400V的宽输入电压范围产生±12V输出。一个电路是隔离型反激式拓扑,另一个则是非隔离型降压拓扑。LT8315本身是一款高电压单芯片转换器,内置集成630 V/300 mA MOSFET、控制电路和高电压启动电路,采用耐热增强型20引脚TSSOP封装。
无需光耦合器的隔离型双极性反激式稳压器
反激式转换器广泛用于多输出应用,以提供电气隔离、改善安全性并增强抗扰性。输出可以为正,亦可为负,具体取决于输出的哪一端接地。传统上,采用光耦合器将信息从副边基准电压源电路传输至原边,以此来实现输出电压调节。问题在于,由于传播延迟、老化和增益变化等原因,光耦合器会大大增加复杂性并降低可靠性。通常,连接至IC反馈引脚的输出在调节回路中占主导地位,而其他输出则通过变压器绕组进行松散控制,导致这些输出的调节性能不良。
LT8315无需使用光耦合器,它从电源变压器的第三绕组采样反激回来的隔离输出电压。此外,它在副边电流几乎为零时亦可检测到输出电压,以实现出色的负载调整。在双输出设计中,这种特殊的检测方案允许严密调节每个输出(两个输出都能主导调节)。因此,典型的±5%负载调节非常易于实现。
图1所示的LT8315解决方案在准谐振边界传导模式下工作。原边MOSFET具有很低的导通损耗,这是因为当开关节点振铃达到其谷值时,MOSFET才导通。副边没有二极管反向恢复损耗。3 kV增强绝缘变压器是整个隔离栅上唯一的组件,它可提升系统可靠性并满足严格的高压电源隔离要求。图2显示了不同输入电压下的满载效率曲线。当输入为70 V且两个负载电流均为50 mA时,该反激式转换器可实现85.3%的峰值效率。
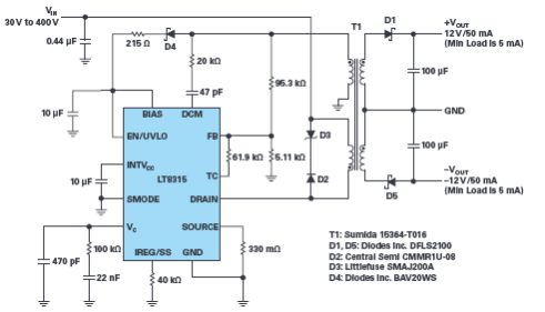
图1显示了一款具有30 V至400 V宽输入范围的反激式转换器的完整原理图。它的输出为±12 V,并可在负载电流为5 mA至50 mA时保持非常准确的控制。该反激式转换器的峰值效率为85.3%,如图2所示。

图1.一款用于30 V至400 V宽输入范围的完整±12 V/50 mA隔离型反激式转换器。

图2.图1所示反激式转换器的满载效率与输入电压的关系。

图3.使用单个LT8315 IC的非隔离型双电感降压转换器的原理图:从30 V至400 V输入转换至±12 V输出(每路30 mA)。
采用单个IC从30 V至400 V输入产生隔离或非隔离±12 V输出
采用双电感的非隔离型双极性降压稳压器
LT8315具备高电压输入能力,只需借助现成的电感,即可以应用于非隔离型解决方案。图3显示了一款采用双电感的降压稳压器,仅需几个组件。该转换器可接受的输入电压范围很宽(-30 V至400 V),并能产生±12 V/30 mA的输出。当输入为30 V时,该电路的两个输出均可实现满载条件下高达87%的效率。
在这种拓扑中,LT8315的GND焊盘特意未接地,而是连接作为驱动两个输出的公共开关节点。在PCB布局时,应将LT8315的GND焊盘尺寸限制在裸露焊盘面积内,以减少对其他组件的电磁干扰,因为GND走线是该拓扑中噪声相对较高的开关节点。二极管D2与FB引脚上的两个1%电阻形成反馈路径,以调节正输出电压。每当MOSFET导通时,为防止FB引脚放电,D2必不可少。电阻分压器无需考虑D2的正向压降,因为D2和D3的正向电压相等并且可以互相抵消;因此,反馈网络会跟踪并严密调节正输出电压。
负轨包括低电压耦合电容CFLY、第二电感L2、环流二极管D4和负输出电容CO2。根据CO1-L1-CFLY-L2电路回路的电感伏秒平衡,L1和L2两端的平均电压为零,因此耦合电容CFLY的电压等于正输出电压。CFLY在MOSFET导通期间为L2充电,而D4在MOSFET关断期间为L2提供放电路径。负输出电压基于CFLY电压(保持恒定并等于正输出电压)间接调节。如图4的调节曲线所示,当正输出电压负载为满载30 mA时,对于不同的输入电压,负输出电压在3 mA至30 mA的负载范围内保持±5%的调节率。

图4.图3所示双电感降压转换器在各种输入电压下的负12V负载调整曲线。
结论
本文介绍了两种适用于30 V至400 V宽输入范围的双极性转换器解决方案:一种是隔离型,另一种是非隔离型。LT8315同时适用于这两种方案,因为它内置高压集成MOSFET和高压启动电路,无需光耦合器反馈回路。该器件的其他特性还包括低纹波突发模式(Burst Mode®)工作、软启动、可编程电流限制、欠压锁定、温度补偿和低静态电流。LT8315的高集成度简化了多种应用领域的高压输入和双极性输出电路的设计。
史海拾趣
|
请问ROM/bin文件的格式是什么如何执行处理的? 例如在【显示设置】中的 1234512345,在手机/MP4的ROM中发现是DF5FBBB9BA的,请问做了那些处理?变换的方式是什么? 二进制的: 1234512345 0001 0010 0011 0100 0101 0001 0010 0011 0100 01 ...… 查看全部问答> |
|
下面的几个科目那个好????????????????????????? 1。软件技术 :[Java初级编程、Java面向对象程序设计、Java应用系统开发、Java企业级开发、Java设计模式、软件工程、网络与操作系统、数据结构、SQL Server原理与应用等 ...… 查看全部问答> |
|
本人相当的菜鸟,也不知道我形容的清楚不清楚. 就是说想象机顶盒那样的直接按电源开关进行关机操作,是不是需要预先将windows xp嵌入到主板上呢??… 查看全部问答> |
|
急招开关电源工程师(地点:浙江嘉兴)!!! 工作职责:主要负责保护板、控制器、充电器等开发工作 任职要求: 1、1年以上100W以上电源设计及调试相关工作经验; 2、扎实的模拟电路、数字电路基础,熟悉pcb工艺,能够独立进行电路与PCB设计; ...… 查看全部问答> |




