历史上的今天
今天是:2025年01月08日(星期三)
2020年01月08日 | IBCM—新一代车身控制解决方案
2020-01-08 来源:EEWORLD
摘要:随着汽车的智能化程度越来越高,传统的BCM提供的车身控制功能已经满足不了驾驶员的需求。BCM的功能需求在不断的增加,所以在未来对于BCM的集成度要求越来越高,基于此ZLG推出了高度集成的IBCM解决方案。
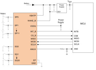
一、传统BCM方案
传统的BCM主要是通过采集门锁开关信号、车窗升降信号、雨刮信号、灯光控制信号等,通过驱动继电器或者IC直接驱动各类电机和车灯,大致功能框图如下:

图1 传统BCM
二、ZLG IBCM方案
传统的BCM所提供的通信接口数量有限,集成的功能比较单一,随着汽车的智能化程度越来越高,驾驶员对于汽车性能的追求不再局限于驾驶功能,而是追求更安全,更智能,更好的驾驶体验。因此近几年来汽车的性能不断地提高,BCM作为车身控制的重要单元集成度需求也不断的增加,并且BCM+PEPS(汽车无钥匙系统)已成为大趋势。
汽车性能不断地提高,车身域的控制器也随即增加,BCM上对LIN、CAN、以太网的需求也明显增多,基于此,ZLG推出的高度集成的IBCM解决方案,在传统BCM的基础上,集成更多的通信接口和PEPS无钥匙系统,ZLG IBCM解决方案框图如下:

图2 ZLG IBCM方案框图

图3 ZLG IBCM 车身控制板

图4高频接收模块
方案优势:
方案高度集成,稳定,节约空间和成本;
器件符合功能安全设计要求;
多种通信协议方式;
多路CAN/LIN节点;
符合BCM设计要求;
单天线跳频接收,防互扰,优化成本。
方案应用:
无钥匙进入、一键启动;
车身控制
相关型号推荐:
1) 主控:NXP的S32K系列MCU,资源丰富,性价比高。封装从QFN32到LQFP176,flash从128KB到2MB,且符合功能安全ASIL-B,方案采用S32K148作为IBCM的主控芯片,足以胜任不同需求的IBCM应用。
2) 多路CAN/LIN节点:IBCM方案中集成多路CAN和LIN的收发器,一共有3路CAN通道,TJA1044提供1路CAN,TJA1048提供2路支持CAN FD;两块SJA1124提供8路LIN通道,能够支撑更多的功能单元应用。
3) 汽车以太网:TJA1101是一款符合100BASE-T1标准NXP设计的第二代以太网PHY收发器,针对汽车用例进行了优化。该器件通过单根非屏蔽双绞线电缆提供100Mbps的发送和接收能力,支持至少15米的电缆长度。
4) 蓝牙模块:采用ZLG自主研发的蓝牙模块ZLG52810P0实现数据透传。
5) 无钥匙系统:IBCM方案中,集成了PEPS无钥匙系统,采用NXP的NCK2913、NJJ29C0,作为高低频基站与钥匙端通信,组建无钥匙系统。系统包含IMMO(发动机防盗系统)认证,凭借射频(315MHz、434MHz)的远距离通信,实现REK(遥控门)认证,同时在此基础上实现PKE(无钥匙系统)认证,以上三种认证通信组成PEPS无钥匙系统,功能框图如下:

图5 PEPS功能框图
6) 高低边驱动:NXP的MC40XS6500(高边)、ELMOS的E520.02(低边),其中高边输出有6个通道,低边输出有12个通道,每路输出都具有保护功能,可以直接驱动继电器,小功率电机或灯泡,应用框图如下所示:

图6 高边驱动应用框图

图7 低边驱动应用框图
7) 开关采集:采用NXP的MC33CD1030AE,可以检测33个开关触点的闭合和断开动作,通过SPI将开关状态传递给MCU。产品支持过压、欠压、过温、短路等保护,每个采集通道还可以支持多种湿电流配置,大大提升了产品可靠性,产品应用框图如下:

图8 开关采集应用框图
史海拾趣
|
本帖最后由 paulhyde 于 2014-9-15 09:29 编辑 在5月22日新闻发布会上,王越院士表示“今年我们开始强调两个方面的应用。第一个就是做出来的产品的性能价格比应该是比较好的。不能为完成一个比较简单的任务,用一个非常复杂,非常昂贵的小系统合和 ...… 查看全部问答> |
|
下面是原程序: #include #include #include #include #include #include #include #define UART_ULCON1 (*(volatile unsigned *)0x50004000) //UART 1 Line control #define UART_UCON1 &nb ...… 查看全部问答> |
|
平台:s3c2440 + wince5.0 在串口驱动文件pdds3c2440_ser.cpp中 void CPdd2440Uart::XmitInterruptHandler(PUCHAR pTxBuffer, ULONG *pBuffLen) { ...... for (DWORD dwByteWrite=0; dwByteWriteWrite ...… 查看全部问答> |
|
我的理解是,电源输出电压恒定为12V,输出电流视负载大小而定,从0到2A,不知道有没有问题? 如果是这样理解,那么能带的最大负载是12V/2A=6Ω,小于6Ω的负载是否会产生过流保护?如果没有过流保护电路,是否烧电源? 开关电源的过压保 ...… 查看全部问答> |
|
//驱动中write函数 对物理地址WR_ADDR写 0x1234abcd ssize_t regs_op_write( struct file *filp, char *buf, size_t count, loff_t *f_pos) { char *tmp; ...… 查看全部问答> |




