历史上的今天
今天是:2025年01月08日(星期三)
2020年01月08日 | 技术文章—低边驱动在汽车前照灯随动转向系统中的应用
2020-01-08 来源:EEWORLD
摘要:汽车前照灯随动转向系统(AFS)结合汽车转向等信息实时控制车灯方向,减少盲区。该系统中步进电机的驱动芯片必不可少,本文将简单介绍AFS系统的实现,推荐两款能同时驱动两个步进电机的低边驱动芯片NCV7240和NCV7754。

一、会动的前照灯
随着技术的发展以及人们对驾驶安全的追求,汽车前照灯随动转向系统(AFS)也越来多地用在各个品牌的车身上。在以往,大部分汽车的前照灯的照射角度是固定的,当汽车在弯道上行驶时,由于光束不能偏转,会因为行驶角度问题出现一定的“盲区”,这在一定程度上会影响驾驶的安全。在光线固定的情况下,这个盲区是不可避免的,如果给汽车的前照灯加装上电机,让车灯能根据汽车转弯的方向跟着转向那就能解决这一问题,让行车更加安全。跟随汽车转向而转动的前照灯就是这里要说的汽车前照灯随动转向系统(AFS)。

图 1 无AFS和有AFS对比
当汽车转弯时AFS系统根据汽车转向盘的的转角以及瞬时车速作为控制器输入参数, 根据设计的控制计算得到与车速和转向相适应的车灯转角调整车灯光束的水平方向,确保车辆在转弯时无延迟地对准即将进入行驶人视野的路面。车身会因为前后负载不同和加速减速等原因,改变纵倾的角度。所以还需要根据车身的前后桥传感器信号来调节前照灯垂直方向,以适应不同道路坡度的照明需求。
AFS执行器构成
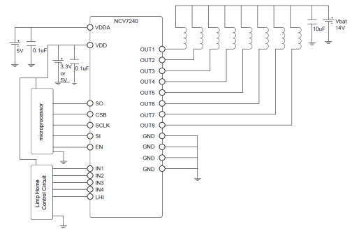
一个完整的AFS系统包括主控制器,照明灯和控制照明灯调整角度的执行器,执行器主要就是驱动两个步进电机在水平方向和垂直方向控制照明灯的角度。其中驱动芯片可以使用步进电机专用的芯片,也可以使用多通道的低边驱动器,比如ON公司推出的汽车级八通道低边驱动器就很适合用于该系统。每个步进电机使用四个低边通道,这样每个八通道低边驱动器就可以驱动两个步进电机。每个执行器只需要一个MCU,一个低边驱动芯片即可对一个前照明灯进行水平和垂直方向上的控制。

图 2 AFS执行器框图
低边驱动芯片介绍





