历史上的今天
今天是:2025年01月09日(星期四)
2020年01月09日 | MSP430电平转换
2020-01-09 来源:eefocus
说道到这个电平转换,写程序的时候居然还要示波器来观察现象,表示我们交的是211的学费,上的却不是211大学,创新实验室的仪器设备真的是少的可怜啊,我级不吐槽了说说这个电平转换的一些知识还有看法吧。。

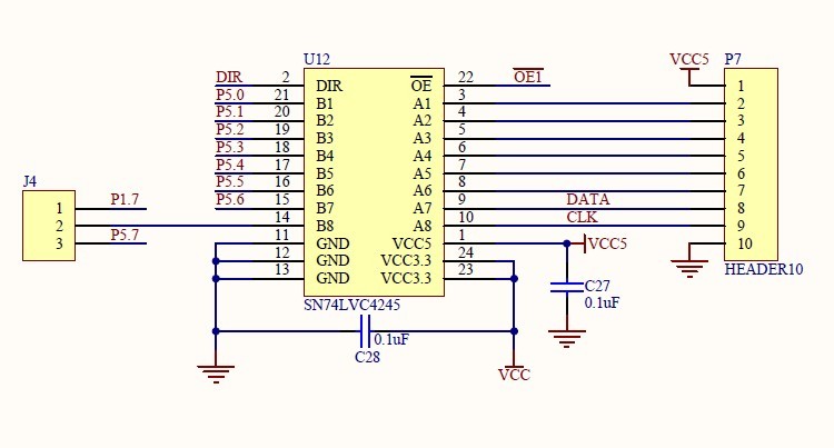
看到原理图首先得说说接线帽的问题,这个很重要,接线帽 的使用会连接到不同的引脚上,大家看原理图的时候就会知道啦,只是要小心要细心。
虽没有示波器,但是用软件的方式把led灯当作指示灯,根据指示灯的闪动也是可以的,通过74LVC4245在连接器P2的引脚上产生一定占空比的方波。
P3DIR |= BIT4; //设置P3.4为输出
P3OUT ^= BIT4; //P3.4连接的LED闪烁
用这几条语句就OK了,再就是要结合中断的使用,

这个就是电平之间相互转换的方式了,看输出使能端是高电平还是低电平,那么OPERATION的转换也是相反的,觉得也没什么好说的啦。。。
上一篇:msp430f149的低功耗模式
下一篇:MSP430矩阵及独立键盘
史海拾趣
|
北航单片机视频教程多媒体教程 下面是用户共享的文件列表,安装eMule后,您可以点击这些文件名进行下载 [北航单片机视频教程].1K2K.rm 161.9MB [北航单片机视频教程].3K4K.rm 161.9MB [北航单片机视频教程].5K6K.rm 162.5M ...… 查看全部问答> |
|
我用的是LM3S8962芯片,端口位组合输出一个字节的数据实在是太慢了,有没有可能端口直接字节输入和输出,如何操作呢? 我看过有些这个芯片的开发板驱动图形液晶屏,我觉得应该也是至少字节操作吧。… 查看全部问答> |
|
首先说明一下,我没做过手机相关的任何软件开发,也不太清楚里面的技术问题,只是突然想了解一下。 第一个就是,手机接收的电话信号和短信信号是怎么区分的?比如同一个朋友打电话给我和发短信给我,我的手机是怎么来进行区分的?这个是不是不同牌 ...… 查看全部问答> |
|
我在看“Windows CE程序设计(第一版)”书上的很多内容很是不了解。 有如下问题,请大家勿必解答,本人感激不尽!! 第一个问题: ===================================== 书上说:WinCE创造一个独立的被所有程序共享的4GB虚拟地址空间。 ...… 查看全部问答> |
|
手上有块液晶驱动板,由于液晶板的关系,使得驱动板的电压为3.3V。现在我手上只有STC89C52单片机和一些电阻电容之类的元件,想要驱动液晶屏,就手上的这些东西能够做吗? 考虑:单片机IO口输出电压为5V,但是驱动板上液晶控制芯片的电源电压为3.3V ...… 查看全部问答> |
|
我是在今年广州STM研讨会了解STM的,刚好手头有一项目想用STM32。了解后感觉STM32还可以,只是技术支持吃不透,本人第一次使用32位类ARM芯片,可能有时问下相对弱智问题。只是不了解STM技术支持是代理商支持的,还是本身STM有技术支持呢?象TI ...… 查看全部问答> |
|
小弟菜鸟一个,,请求高人指点,我现在想用串口加载vxworks映像,在配置target server时,Target Name/IP这一项填写什么?也就是目标机的名字或者IP地址是怎么定下的?目标机一直都连接不成功。。。。小弟,感激不尽… 查看全部问答> |
|
各位帮帮忙,我设计的目的是一个驱动1MHz的超声换能器,其阻抗大约为100欧,要求输出功率可调0w-20w之间我试图采用PWM调制功率目前的电路图如下,附件1中,三极管后接出一个1MHz的信号,为了提高输出功率,采用4片IR21844并联,通过调节R7的阻值实 ...… 查看全部问答> |




