历史上的今天
今天是:2025年01月19日(星期日)
2020年01月19日 | PIC单片机C语言程序设计实例之C语言if语句与LED数码管显示
2020-01-19 来源:elecfans
if 语句也称为条件语句,是C 语言中转移语句之一。在设计C 语言程序时,常常要根据某些条件以决定程序运行的流向,这时就需要if 语句来实现。任何if语句(包括else 部分),都可当作一条C 语句使用。
格式:if(表达式) 语句1
else 语句2
其中else 为选择项;即可有、可无的。所以条件语句,可分为两种;if 语句和if— else 语句。
式中的表达式为关系表达式或逻辑表达式以及由条件运算符(有关运算符将在后文介绍)构成的一种表达式。
功能:先计算if 中的条件表达式,其值为真(满足条件时),执行语句1 ;其值为假(不满足条件时),若有else,就执行语句2。
If 语句常用有几种形式:
⑴ if(条件表达式) 语句
该形式无选择项else。
例1 :if(a>b) c=b ;
∥满足条件a>b,将b 赋值给c
例2 :i f ( t t r = = 9 9 9 9 )ttr=0 ;
∥ 满足运算条件ttr==9999 ;将0 赋值给ttr
⑵ if(条件表达式) 语句1
else 语句2
例1 :if(a>b) c=b ;
∥满足a>b,将b 赋值给c
else c=a ;
∥ 不满足a>b 时, 将a 赋值给c
例2:若比较两个整量a、b,要求其大者送x,即可用if 语句实现;

⑶表达式赋值(简化式)的条件语句。读者在阅读一些书籍上的单片机C 语言程序时,会遇到条件语句的一种简化形式,其格式如下:
表达式1 ?表达式2 ;表达式3
如以上if 语句的形式⑵中的例2,即可简化为条件表达式的赋值语句;

If 语句尚有一些其他格式,这里暂略去。
3.LED数码管显示的硬件电路
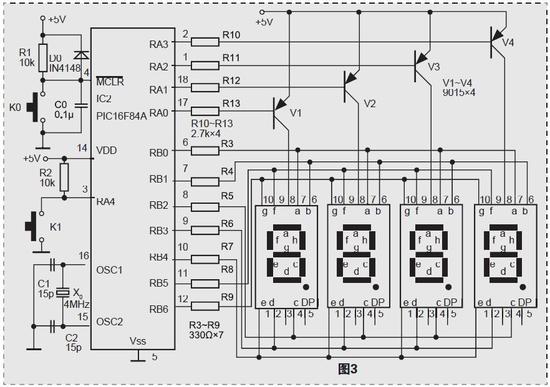
在电子技术中,数码管显示(0~9)是最常见的显示技术。数码管显示时,可用LCD(液晶),也可用LED 数码管显示0~9 的数。这里首先介绍用PIC16F84A控制的数码管LED 的显示电路,如图3 所示。图3 是四位数码管的,也可以扩展更多的位或减少到一位数的显示。

PIC16F84A 的引脚④ 是低电平复位端,外接复位按钮K0和R1、二极管D0 以及电容C0组成的复位电路。引脚、脚外接晶振(4M)和电容C1、C2组成的单片机时钟电路。RA4 位(脚③)外接微动开关按键,其用途按图3 电路具体功能而定,如该电路用于计数,K1 可作起动计数作用;如该电路用作时钟,K1 可作时钟人工预置起始时刻用。
PIC16F84A 的PORTB 口,其中的RBO~BB6 位通过限流电阻R3~R9 与LED 数码管笔段码a、b、c、d、e、f、g 分别对应相连。PORTA 口的RA3、RA2、RA1 和RA0 通过电阻R10~R13与三极管(PNP 型)V4~V1 的基极相连。三极管的集电极分别与对应的数码管的供电端(⑧、③脚)相连。三极管的发射极都接到电源+5V 上。该三极管V4~V1 用于数码管LED 动态扫描时的电源开通信号。数码管上的符号DP 为数显时的小数点位,用户可按需要在其某位数码管的DP 上外接一只470Ω 电阻和LED(与电阻串联),用于四位数码管特征显示标记,如数码管计数时的百位段;记时的时位段等。
图3 电路的数码管LED,笔者选用共阳型数码管,其实物的引脚和内部电路如图4 所示。为了读者使用方便, 所以图3中的数码管LED 的电路是以实物结构绘制的。所述的图3 电路即将在后文的数码管LED 计数和时钟(包括可预置的时钟)派上用场。

4.LED数码管计数显示的软件流程
这里首先介绍利用四位LED 数码管计数(0~9999)的显示技术,因为计数是单片机中A/D 转换,时钟电路的基础。根据图3 提供的硬件电路,用C语言编写的4 位加计数器的程序流程,如图5 所示。从该流程图看出:C 语言程序是以函数功能要求编写的,所用的函数都应给予定义或声明,然后由主函数main 调用,以完成电路计数(0~9999)的功能。

5.LED数码管计数的C程序
根据图3 的硬件电路,用C 语言编写的0-9999 加计数器的源程序,命名为pic0.4.c,其程序清单如下:







说明:在上述的C 程序display(显示)函数中,其说明语句的无符号整形变量d,是一个重要的变量,由d 值决定了计数器每位显示值递增的时间。改变d 值,使d 值变大,每位递增的持续时间就长,这个特性,就是单片机计时(时钟)C 程序的基础。字段(SEG7)给每位赋值后的延时,只决定显示值亮、灭的时间,这个时间是供人眼观察数码管显示值的视觉效应(连续感)。
读者在阅读上述C 程序时,请参看注释的说明,以便理解编写LED 数码管计数(0~9999)程序的方法。在理解了上述程序之后,尽可能背诵上述程序,以便为后文中介绍的时钟程序、A/D 转换程序打下基础。
下一篇:PIC单片机是什么?有什么优势?
史海拾趣
|
本帖最后由 paulhyde 于 2014-9-15 09:38 编辑 采用了自己搭电路,27MHZ,信号能发出来,但是就是调不好谐振。电感测不出来啊。哎,太难。 高手有没有思路。 … 查看全部问答> |
|
请问WINCE定制的终端系统如何识别U盘,要加入哪些组件才能识别U盘? 我做了下面五步的工作: 1、添加Catalog->Core OS->Windows CE devices->Core OS Services->USB Host Support->USB Storage Class Driver 2、添加Catalog->Core OS->Windows CE devices->Core OS Services->File Systems and Data ...… 查看全部问答> |
|
请大家推荐个带串口的pda。 在仪表的Modbus通讯中,上位机可以是PLC、PC、PDA或智能手机。 最近需要找个pda作为仪表的上位机通讯。 要求是 1.带串口(作为上位机的通讯用) 2.可以安装程序。(通讯程序,这个需要编写。) 其他的就没有什么要 ...… 查看全部问答> |
|
编译器用的是MCC18-3.0 ,但是编译器不认识PIC18F45K20,只认识PIC18F4520。而且MCC18不认识所有带K的型号的PIC。 如果器件选择45K20,编译的时候报错,说不认识45K20这个处理器 如果器件选择4520,程序烧不进扳子。 各位碰到带K的型号是怎么办 ...… 查看全部问答> |
|
我在asp中调用com, 会发生内存泄漏。 测试方法,是让打开含有com的页面,然后什么都不做,10分钟后再次操作的时候, 发现内存会有大约50K左右的增加。 所使用的com是测试用的,最最简单的哪一种(只有一个借口,还是空函数)。 所使用的asp代码 ...… 查看全部问答> |
|
请教各位高手 我现在已经初步学习了VHDL和CPLD/FPGA的设计软件了,可是还是没能弄清楚它是怎么对控制目标实现控制的,又是如何实现的呢?举例说,单片机是可以用KEIL编辑及编译C或是汇编控制程序正确后烧写到单片机芯片里去,通过单片机连接功能电 ...… 查看全部问答> |




