历史上的今天
今天是:2025年01月20日(星期一)
2020年01月20日 | 外加电压检测复位电路设计方案
2020-01-20 来源:elecfans
1.6.5 PIC单片机的外接电压检测复位电路举例
1.设计思路
有许多型号单片机的内部均不具备掉电复位功能,即使对于内部包含该功能的PIC单片机,其复位门槛电压值是固定不可更改的,有时不能满足用户的需求,因此,外加电压检测复位电路也是较常见的设计方案。
对于片内带有掉电复位功能BOR的PIC单片机,在使用外接电压检测复位电路时,就必须将内部BUR功能禁止,方法是将系统配置字的BUDEN位设置为0。
对于内部不带BOR功能的PIC单片机,其电源控制寄存器PCUN没有BOR标志位,无法准确识别由外接电压检测复位电路引起的单片机复位,因此在程序执行过程中在MCLR引脚施加了人工复位信号引起的复位。
与外接电压检测复位电路相关的单片机片内等效电路如图1所示,从该图可以看出,外接电压检测复位电路时,单片机内部的两个定时器不参与工作。

图1 与外接电压检测复位电路相关的单片机片内等效电路
2.电路设计
(1)外接分立元件电压检测复位电路。
下面给出了两种不利用分离元器件搭建的电压检测复位电路。电路工作原理是,当VDD下降到某一门槛值时,三极管截止,从而使MCLR端电平变低,迫使单片机复位。图2中该门槛值为VDD<Vz十0.7V,其中Vz是稳压管的稳定电压的值,而图3中该门槛值为VDD<0.7V(R1+R2)/R1。

图2 外加电压检测复位电路(VDD<Vz十0.7V)

图3 外加电压检测复位电路(VDD<0.7V(R1+R2)/R1)
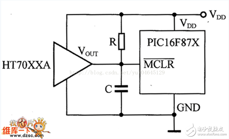
(2)外接专用芯片电压检测复位电路。
图4所示为一种利用专用芯片HT70XX搭建的电压检测复位电路。台湾HOLTEK公司研制的HT70XX系列集成电路是一组采用CMOS工艺制造的电源欠压检测器,其包装形式有三脚直插式封装和贴片式封装两种。

图4 由HT70XX构建的外加电压检测复位电路
该系列芯片中包含多个型号,每种型号的芯片都用于检测一个固定的电压,整个系列中各芯片的电压检测值在1.5~7.0V范围内。由于采用了CM0S工艺,可以确保芯片具有较低的电源消耗。
(3)外接带延时的专用芯片电压检测复位电路。
IM-V809是美国IMP公司新研制的一组CM0S监控电路,能够为低功耗微控制器MCU微处理器MPU或数字系统监视3~5V的电源电压。在电源上电、掉电和跌落期间产生不低于140ms的复位脉冲,将该功能集成到一片3脚封装的小芯片内。
与采用分立元件或通用芯片构成的电路相比,系统电路的复杂性大大降低了,元器件的数量大大减小了,显著提高了系统的可靠性和精确度,应用电路如图5所示。

图5 由IMP809构建的外加电压检测复位电路
该系列产品能提供高、低两种复位信号电平,还能提供6钟复位门限电压4.63V、4.38V、4.00V、3.08V、2.39V和2.63V。
对于IMP809,在电源上电、掉电或跌落期间,只要VCC大于1.1V,就能保证RESET输出电压不高于0.4V的低电平,确保复位信号有效,在Vcc上升期间RESET维持低电平,直到电源电压升至复位门限以上。在超过此门限后,内部定时器大约再维持240ms后释放RESET,使其返回高电平。只要电源电压降低到复位门限以下(即电源跌落),RESET引脚会立刻变低。
(4)外接带人工复位的专用芯片电压检测复位电路。
IMP811是美国IMP公司新研制的一组CM0S监控电路,能够为低功耗微控制器MCU微处理器MPU或数字系统监视3~5V的电源电压,并能提供消除抖动的人工复位输入。
将这些常用的功能集成到一片4脚封装的小芯片内,与采用分立元件或单一功能芯片组合的电路相比,大大减小了系统电路的复杂性和元器件的数量,显著提高了系统的可靠性和精确度,应用电路如图6所示。

图6 由IMP811构建的外加电压检测复位电路
· 电源引起的复位。
复位信号用于启动或者重新启动MPU/MCU,令其进入或者返回到预知的循环程序并顺序执行。一旦MPU/MCU处于未知状态,例如程序“跑飞”或进入死循环,就需要强行将系统复位。IMP811就用于监视系统的电源电压,并在偏离正常范围,即低于复位门限时,发出一个复位信号。
对于IMP811,在电源上电、掉电或跌落期间,只要VCC还大于1.1V,就能保证RESET输出电压不高于0.4V的低电平,确保复位信号有效。
在Vcc上升期间RESET维持低电平直到电源电压升至复位门限以上。在超过此门限后,内部定时器大约再维持140ms后释放RESET,使其返回高电平。无论何时只要电源电压降低到复位门限以下,RESET引脚会立刻变低。
· 人工复位输入。
许多基于MPU/MCU的产品中需要人工复位功能,允许操作员、测量员或外接逻辑电路将系统初始化。为此,IMP811设计了一个低电平有效的手动复位输入端MR,平时该引脚可被片内200kΩ的上拉电阻拉到高电平。
启用人工复位功能时,该引脚可以被外接CMOS/TTL逻辑电路或一端接地的按钮开关拉成低电平。不需要采用外部去抖动电路,因为最小为180ms的复位时间足以消除机械开关的抖动。此外,为了提高可靠性,避免噪声引起的误动作,可在该引脚与地之间跨接—只0.1ΩF的电容。
史海拾趣
|
中国IC产业销售收入规模及增长趋势 2006-7-11 2006年第一季度,我国集成电路产业全行业共实现销售收入总额214.88亿元,同比增长54.8%。 … 查看全部问答> |
|
摘要: Linux在嵌入式领域中应用越来越广泛,已成为最有潜力的嵌入式操作系统。操作系统的移植是进行嵌入式应用开发的前提和基础。ARM Linux是一种针对ARM体系结构的Linux操作系统。本文以新一代高端嵌入式处理器PXA255为例,进行ARM Linux的移植, ...… 查看全部问答> |
|
车图 跑道 现在 要控制车子速度 通过一个舵机控制车头转动方向 转动的方向由前面的红外传感器检测到跑道的识别码得到 但是检测的识别码只可能尽量的和实际吻合但仍会有几度的误差 有时甚至会更多 程序会不停的扫描道路得到识 ...… 查看全部问答> |
|
我用的是QQ2440板子,液晶屏是FriendlyARM 8.4\'\'LCD,我将光盘自带的wince4.2的nk.bin下载后,液晶屏正常显示,但是换成wince5.0的nk.bin液晶屏却是黑屏,刚开机时能隐约看到5.0的界面,但慢慢就变黑了,哪位知道原因。对液晶屏的供电是3.3V和5V ...… 查看全部问答> |
|
你好?WIN2000下,以太网网络,双网卡热备份,也就是一个网卡坏了,另一个冗余网卡热切换,两个网卡同一个IP地址,实现方案是什么?使用哪些工具,技术?代码是什么?请问做双网卡热备份,是不是在ndis的例子PASSTHRU的代码基础上,修改即可?怎么修改?希望不 ...… 查看全部问答> |
|
我在做一块usb声卡,这是一个USB Composite Device,Firmware写完了,现在想做pc host的app,要对HID的endpoint4写数据,打开设备的时候能得到设备路径,但是无法读写,部分代码如下。 //Open the USB device char c ...… 查看全部问答> |
|
类CPdd16550中m_dwWaterMark是用来干什么的? 类CPdd16550中m_dwWaterMark是用来干什么的? 是波特率的mark呢还是安全相关的mark? 有劳各位!… 查看全部问答> |




