历史上的今天
今天是:2025年01月31日(星期五)
2020年01月31日 | 基于AVR单片机的PT2262软件解码程序分享
2020-01-31 来源:elecfans
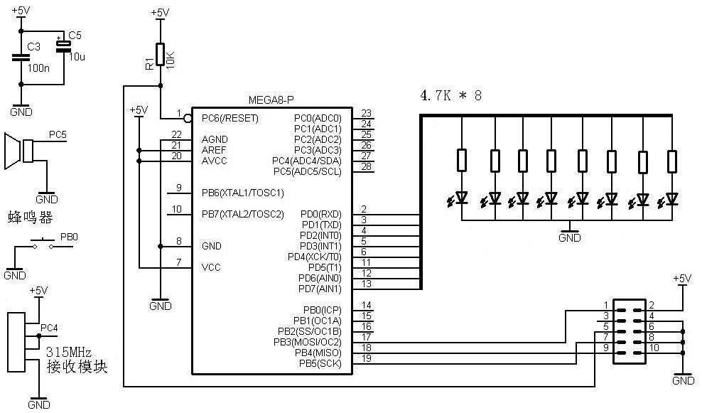
很多PT2262软件解码程序,都是用定时器测量脉冲宽度。占用系统太多资源。我自己编写的程序不用定时器,不用中断,代码最少。但耗CPU,发射端为PT2262 3.3M 的电阻 接收端为 M8 内部1M RC振荡。解码成功后输出D口显示。编译软件为 ICCAVR。
以下是avr单片机源码:
#include #include void delay_ms(void) //毫秒延时 { unsigned int i; for (i=0;i<140;i++) { } } void delay_nms(unsigned int n) //延时周期 { unsigned int i; for (i=0;i delay_ms(); } } void spaz(void) //响蜂鸣器 { PORTC|=(1<<5); delay_nms(50); PORTC&=~(1<<5); } unsigned long decode(void) //无线解码 { unsigned long DATA; //记录数据 unsigned char count,i; //暂时计数 /*一共接收三字节*/ DATA=0; // for (count=0;count<24;count++) //开始收集 { /*测量高电平宽度*/ i=0; //宽度计数 while (PINC&(1<<4)) //高位计数 { asm("nop"); // i++; //计数增加 IF (i>192) goto end; //限时解码 } /*分辨出电平高低*/ DATA*=2; //数据左移 if (i<64) //分辨高低 { if (!((56>i)&(i>24))) goto end; //电平合法 DATA+=0; //记低电平 } else { if (!((168>i)&(i>72))) goto end; //电平合法 DATA+=1; //记高电平 } /*测量低电平宽度*/ while (!(PINC&(1<<4))) //低位计数 { asm("nop"); // i++; //计数增加 if (i>224) goto end; //限时解码 } /*低电平是否过窄*/ if (i<96) goto end; //对比宽度 } /*解码成功返结果*/ return DATA; //成功返回 /*有误码结束解码*/ end: return 0; //误码结束 } void main(void) { unsigned long DATA; // unsigned char D[3]; // signed char i; // DDRB =0B00000000; //定义输入 PORTB=0B11111111; //上拉使能 DDRC =0B11101111; //输入通道 PORTC=0B11011111; //上拉选择 DDRD =0B11111111; //定义输出 PORTD=0B00000000; //输出显示 while (1) { DATA =decode(); //解码程序 if (DATA>0) // { spaz(); //解码成功 for (i=2;i>=0;i--) //数据转换 { D=DATA; // DATA>>=8; // } i=0; //转换完毕 while (1) //输出显示 { if (!(PINB&(1<<0))) //按键检查 { delay_nms(20); //防误处理 if (!(PINB&(1<<0))) // { i++; //显示值加 spaz(); } while (!(PINB&(1<<0))) //按键弹起 { delay_nms(20); //防误处理 } } if (i>2) break; // PORTD=D; //输出显示 } } } 如果编译错误最后加一个 }
下一篇:avr单片机使用注意点汇总
史海拾趣
|
信息产业部邮电工业产品质量监督检验中心移动通信手持机电池的市场空间巨大,但假冒伪劣电池泛滥成灾,用废旧电池芯生产的劣质电池在外观结构上不易被识破,这种电池不但容量不足、寿命短,而且对手持机的损害非常大,安全隐患严重。劣质充电器的线 ...… 查看全部问答> |
|
RT,平台是2440+wince5.0,现在想在eboot中通过以太网下载映像,在网上找了DM9000中的代码,把iobase修改了下,读取ID正确,然后经过下面配置后: /* set the internal PHY power-on, GPIOs normal */ & ...… 查看全部问答> |
|
mobile c++关于关机事件 mobile c++ 程序正在运行,长按power键让mobile手机关机,关机事件能响应到程序中吗?我的程序是用其所callback回调函数机制...… 查看全部问答> |
|
请问有tms320c6747(evmomapl137)的emifa nandflash驱动吗?紧急啊,关系到我的转正工资问题,要我这周搞定。还有三天了。把emifa的手册看了遍,没看出什么名堂,不知道怎么写。 手册里关于nandflash的寄存器只有那几个,没找到可以读写数据的寄存 ...… 查看全部问答> |




