历史上的今天
今天是:2025年02月08日(星期六)
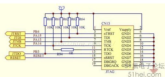
2020年02月08日 | 单片机外部接上下拉电阻的好处是什么
2020-02-08 来源:elecfans
1.不要太相信STM32内部的IO上下拉,必要的话,在外部接上下拉电阻。
2.当把JTAG的IO口当成普通IO口来使用时,要先禁止JTAG。

即:要使用到PB3、PB4、PA13、PA14、PA15时,要先禁止JTAG。
在库函数中,调用一下函数:
GPIO_PinRemapConfig(GPIO_Remap_SWJ_JTAGDisable,ENABLE);//关闭jtag,保留swd
在寄存器编程中,用:
//JTAG模式设置,用于设置JTAG的模式
//mode:jtag,swd模式设置;00,全使能;01,使能SWD;10,全关闭;
//#define JTAG_SWD_DISABLE 0X02
//#define SWD_ENABLE 0X01
//#define JTAG_SWD_ENABLE 0X00
void JTAG_Set(u8 mode)
{
u32 temp;
temp=mode;
temp《《=25;
RCC-》APB2ENR“=1《《0; //开启辅助时钟
AFIO-》MAPR&=0XF8FFFFFF; //清除MAPR的[26:24]
AFIO-》MAPR|=temp; //设置JTAG模式
}
史海拾趣
|
我用的是Wince5.0+EVC开发,怎么实现用程序设置网络呢? 我用的是Wince5.0+EVC开发,怎么实现用程序设置无线网络呢? 如设置Wep加密,设置IP地址,DHCP等,请大家给个思路啊… 查看全部问答> |
|
项目到了后期,我开始一点点整理程序,把一些最初草率直接在调用处写的短函数封装成子函数。就在这些我觉得无关紧要的改动以后,前几天我发出一个最新的测试版本,居然反馈回来一个非常奇怪的现象,在那边,主从机无法通讯!可是我办公室这边却好好 ...… 查看全部问答> |
|
很详细的c函数介绍文档,我一直把他当做工具书来用,分享给大家! 如果哪位大侠把这个网页式的工具做成chm格式的电子书就完美了,哈哈 截图,先睹为快 [ 本帖最后由 HOHO 于 2012-8-8 16:42 编辑 ]… 查看全部问答> |
|
用IAR 8.3编译TI BLE Stack遇到Segment ISTACK Too Long的解决方案 IAR 8.3以后的版本编译TI BLE Stack会报类似如下的错误Error[e16]: Segment ISTACK (size: 0xc0 align: 0) is too long for segment definition. At least 0xe more bytes needed. The problem occurred while processing the segment ...… 查看全部问答> |
|
本帖最后由 gsy 于 2014-8-7 09:28 编辑 在百度上找了一个一键开关机: 如图: 图片暂时穿不上去,大神可以打开百度文库看一下原设计: http://wenku.baidu.com/link?url=hejs6NaNltr5IFum5PADzn_bMsg8W2qyvWC8OhzBhF2NgP45GHiHf_Iae26pLmom7M ...… 查看全部问答> |




