历史上的今天
今天是:2025年02月08日(星期六)
2020年02月08日 | 漏电保护器智能化测试仪的设计
2020-02-08 来源:elecfans
目前,漏电保护器作为一种新型的低压保护电器无论在城市还是在乡村安装使用非常普遍,它工作的可靠性直接影响人身安全。在美国是政府强制规定推行的用电安全保护装置,并且每两年必须更换。我国对漏电保护器的使用虽然没有强制规定更换的年限,但从用电安全的角度考虑,定期对漏电保护器工作性能检测是必须要做的。本文介绍了漏电保护器动作特性自动测试仪,可测量和记录漏电保护器的触头分断时间、漏电动作电流和不动作电流,提供了改善漏电保护器工作性能的重要技术指标,检测自动化水平高,能检测在线与非在线运行的漏电保护器。
1 硬件设计方案
反映漏电动作性能的主要3个参数是:额定漏电动作电流(I△n)、漏电动作时间和额定漏电不动作电流(I△n0)。
I△n表征漏电动作的灵敏度,是漏电保护器的漏电动作电流值。漏电动作时间是指对漏电保护器施加漏电动作电流到切断电路为止所需的时间。I△n0是防止漏电保护器误动作,国家标准规定的不动作的漏电电流值,通常取0.5I△n。
测试漏电动作电流的方法是:从小于0.2I△n开始施加测试电流,在30s内线性地增加至I△n, 若漏电保护器断开瞬间的电流值为I△,当满足I△n0n0《I△《I△n时,漏电保护器的漏电动作电流值为合格。因此,测试的漏电电流值均匀增长将直接影响测量的准确度。使用传统的手动和电机驱动调压器的方法很难使测试漏电的电流值均匀增加,难以控制测量的随机误差。采用单片机实时控制漏电的电流值,使漏电电流均匀增长,能有效提高测量的准确度。图1所示为漏电保护器动作特性测试仪的结构框图。

图1 测试仪构成框图
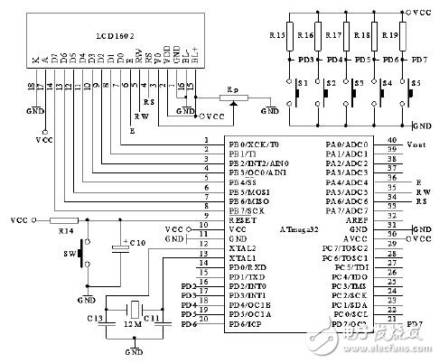
测试仪以单片机ATmega32为核心,扩展可编程的漏电电流源、漏电电流的检测电路、触头状态的监测电路、键盘和显示等外围设备。ATmega32是基于增强型AVR RISC结构的8位微控制器,指令集先进,指令执行时间采用单时钟周期,速度是普通8051单片机的8~12倍。工作频率达16MHz,片内32K字节Flash程序存储器、1个硬件16位定时器和2个8位定时器、4路PWM输出、8路A/D转换、1个全双工异步串行口、32个通用I/O口。具有低功耗、高速、超强抗干扰等优点,在同类产品中具有较高的性价比。
1.1 可编程漏电电流源
保证测量准确性的关键是可编程漏电电流源能产生均匀变化的漏电电流,该漏电电流源由50Hz的正弦波发生器、交流量数摸转换电路构成。
1.1.1 50Hz正弦波发生器
50Hz的RC正弦波振荡电路由运算放大器组成。稳定振荡信号的幅度是采用非线性负反馈,同时,采用低温度系数的电阻与电容元件构成RC正弦波振荡电路的选频电路,保证振荡频率的稳定,为了提高带负载的能力,正弦波输出信号经过电压跟随器输出。
1.1.2 交流量数模转换电路

图2 交流量数模转换电路
交流量数模转换电路是可编程漏电电流源的核心部分,正弦交流量振幅的大小是通过改变数字量来控制,具有良好的线性度。用DAC08 08构成数模转换电路,该器件是二进制快速乘法式8位D/A芯片。交流量数模转换电路如图2所示。为了保证实现数字到正弦交流模拟信号的转变,图中VD是预置直流偏压,大小等于50Hz正弦波发生器输出信号漏电保护器智能化测试仪的设计的幅值。
根据图示电路,可得到如下关系:
从式(5)可见,当电阻R1、R4、R5、R、Rf为定值时,输出电流的大小与RL无关,仅由数字量控制。当A1、A2、…A8全为“1”时,调整电路参数,使IL=0.5A, 当A1、A2…A8全为“0”时,使IL=0A.0~0.5A的电流变化范围完全满足我国目前生产的漏电保护器的测试要求。为了提高测量速度,在保证模拟漏电电流准确度的条件下,将输出电流分为50mA、100mA、200mA和500mA四档,各档的选择由ATmega32切换电阻R1的大小来实现。在不同的挡位,电流增加的数值大小是不一样的。当选50mA档位时,电流是按照0.196mA(50mA/255)递增;当选择500mA档位时,电流是按照1.96mA(500mA/255)递增,因此,可完全满足为漏电保护器提供线性增加的漏电电流的要求。
1.2 触头状态监测电路
触头状态监测电路如图3所示。漏电保护器动、静触头闭合时,L1与L2的交流电通过整流、滤波和稳压,使光电耦合器G3 导通,反相器A的2脚输出为高电位。当漏电保护器动、静触头分断时,光电耦合器G3截止,反相器A输出2脚为低电位,作为漏电检测结束的时刻。在漏电保护器动、静触头闭合时,光电耦合器G3的电流通过漏电保护器的一相动、静触头,电流大小为1~2mA,由于是直流,不会在漏电保护器中的零序电流互感器的二次侧产生感应电流,对漏电保护器的漏电动作电流没有影响。

图3 触头状态监测电路
1.3 控制电路
控制电路如图4所示。漏电保护器的漏电电流产生的开始信号通过程序控制,动、静触头断开信号送入 ATmega32的外部中断输入端PD2,采用中断的方式对漏电保护器动、静触头的分断时间进行检测。按键S1作为测试功能选择,用来选择测量漏电电流或漏电动作时间。按键S2用来选择模拟漏电电流50mA、100mA、200mA和500mA中的某一档。按键S3和S4是在测量漏电动作时间时,用来设定模拟漏电的电流值,S3控制模拟漏电的电流值增加,S4控制模拟漏电的电流值减少。S5是测试开始/停止控制按键。当测量漏电电流时,设定好参数按下 S5,ATmega32根据S2选择的档位输出数据,使模拟漏电电流从0增加到最大值,若模拟漏电电流达到某一电流值时漏电保护器动作,则该电流值就是实际漏电动作电流值。当测试漏电动作时间时,设定好漏电电流参数后按下S5,ATmega32根据设定的电流值直接产生设定的模拟漏电电流,实现测量漏电动作时间。

图4 A/D转换及控制电路
2 软件设计方案
基于嵌入式C语言设计ATmega32软件的部分,程序结构采用模块化。具体包括主程序、仪器初始化子程序、功能控制子程序、可编程漏电电流源子程序、检测漏电动作时间子程序和显示子程序等。
主程序是检测漏电保护器动作特性参数的主控程序,当测试仪工作时,主程序循环运行,并根据功能要求调用相关子程序,子程序执行后返回主程序。仪器初始化子程序实现仪器的初始化,内容包括仪器参数、单片机引脚配置、定时器、模数转换、中断初始化等。控制功能子程序实现按键功能的扫描,控制仪器与人之间的交流。可编程漏电电流源子程序用来产生测试用的漏电电流,检测漏电保护器断开瞬间漏电的电流值(I△)。检测漏电动作时间子程序实现对漏电保护器漏电动作时间的检测。显示子程序实现漏电电流和漏电动作时间的显示。
3 结论
本测试仪操作简单,解决了手动测试方法存在的测量不准确的问题,达到了自动测量的目的,可检测在线与非在线运行的漏电保护器,提高了检测漏电保护器性能的水平,为进行漏电保护器工作性能的研究、品质检验及生产调试提供了技术手段。仪器设计充分利用了 ATmega 32内置的各种功能,使硬件电路结构简单,有效提高了仪器的性价比,已在多家企业和科研单位使用,使用结果表明,仪器工作可靠,达到预期的技术指标。
史海拾趣
|
现在手机中的射频信号通道越来越拥挤。蜂窝电话已经从双频向三频甚至四频快速发展。这些复杂手机还需要处理来自外围无线设备的各种信号,如蓝牙、Wi-Fi和GPS。而随着WiMAX和LTE(4G)的加入,这种复杂度将越来越高。在移动电话中,天线开关控制着天线 ...… 查看全部问答> |
|
我用这个方法,但是好像获取的大小有问题,不知道这个方法是不是正确的方法,还没有更好的办法? DDCAPS ddcaps; ddcaps.dwSize = sizeof DDCAPS; lpdd ...… 查看全部问答> |
|
大型ARM+linux+android嵌入式技术专题公益讲座 华清远见武汉华嵌中心将于2010年4月24日下午1:00-5:00在武汉大学联手ARM中国公司,开展“基于ARM平台的嵌入式系统设计专题讲座”。 详情请点击: http://www.embedhq.org/html/mianfei/2010/0408/382.html… 查看全部问答> |
|
LPCWSTR strDrvName=L\"\"; strDrvName=TEXT(\"NDS0:\"); HANDLE hHandle; hHandle ...… 查看全部问答> |
|
请问有人做过误码仪吗?最近在做一个误码仪,有个问题卡在那边,问题是要我产生误码,之后就是让我检测误码,码型为NRZ,RZ,AMI,HDB3码,关于NRZ,RZ码我就不知道了,这种码还能判断误码?… 查看全部问答> |
|
128M扩到512M,我用的是uboot+NK.nb0,uboot已经改好ram初始化部分,没有开mmu,在uboot下测试512内存读写正常,wince改了config.bib中ram大小,oemtable也改了内存映射,但是现在内核跑到oeminit跑完就死了,不好调试。试着用oemgetextensiondram( ...… 查看全部问答> |
|
渥瑞达“3G移动开发”免费试听课于北京交通大学举行,欢迎大家光临! 渥瑞达“3G移动开发”免费试听课于北京交通大学举行,欢迎大家光临! 渥瑞达“3G移动开发”免费试听课于北京交通大学举行,欢迎大家光临! 详情请参见 www.neworigin.net 同时欢迎大家与我们的609期学员交流!这期学员已与2月11日毕业 ...… 查看全部问答> |
|
【连载】【ALIENTEK MiniSTM32 开发板】STM32不完全手册-内部温度传感器实验(14) 开发板购买地址:http://shop62103354.taobao.com [ 本帖最后由 正点原子 于 2010-9-7 09:45 编辑 ]… 查看全部问答> |
|
今天在看书时发现一点疑惑,问题大致是这样的: 一个电路网络,要对其中一个2输入与门的输出(定义为tmp吧,其实此处并不存在端口或变量)进行一些赋值操作,。在Verilog编程中按说是应该把其定义为wire型变量,可是今天看的一个例子却定义成了reg ...… 查看全部问答> |




