历史上的今天
今天是:2025年02月17日(星期一)
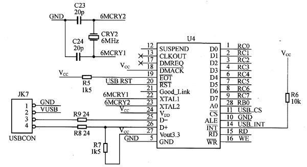
2020年02月17日 | PDIUSBD12与PlCl6F877单片机的接口原理电路图
2020-02-17 来源:eefocus
简介:本文主要给出 PDIUSBD12与PlCl6F877单片机的接口原理电路图
PDIUSBD12与PlCl6F877单片机的接口原理电路图如下所示:
上一篇:PIC单片机的原理介绍
史海拾趣
|
据中国半导体协会,截至2005年,中国车用芯片供应能力是零。中国汽车产量已接近600万辆,成为世界第三汽车大国,发展速度居世界第一。IC Insight的数据显示,全球平均每辆汽车中的电子器件价值从1990年的672美元提升至2004年的2132美元。预计2010年 ...… 查看全部问答> |
|
下面我就介绍一下本人一年来对主板理解程度.说得不好请大家多多指点: 首先在做图之前应对一些重要信号进行Space设置和一些线宽设置,如果客没有Layoutguaid,这就要求我们自已要有这方面的经验,,一般情况下我们要注意 ...… 查看全部问答> |
|
Google将推Google Chrome网络浏览器 https://bbs.eeworld.com.cn/thread-65318-1-1.html Chrome 向微软IE发起挑战 https://bbs.eeworld.com.cn/thread-65320-1-1.html Chrome渲染引擎同Safari 正开发Linux和MAC版 https://bbs.eeworld.com.cn/ ...… 查看全部问答> |
|
直接在灯头上使用AC电源的照明灯具十分需要应用电路简洁、使用成本低的AC/DC恒流源驱动IC。目前使用的驱动IC大多是从开关电源转用过来的反激式恒流驱动方案,采用隔离降压原理。分成初级侧反馈控制和次级侧反馈控制二类应用,次级侧反馈控制系统精 ...… 查看全部问答> |
|
这个也不知道发在哪个小论坛,姑且就在这儿吧,请问有遇到过这个问题的吗? 请问: 对S3C2410开发板进行引导程序烧录时, 出现 welcome to minicom 2.00.0 OPTIONS........ PRESS CTRL-A Z for help on special keys 不管烧录的是VIVI , ...… 查看全部问答> |
|
我想在LRESULT CMyDlg ::OnEraseBkgnd ( HDC hdc ) 中显示几张图片如果用 dcMem.SelectBitmap ( bmpBackground); buffer.BitBlt(0,0,rc.Width(),rc.Height(),dcMem,0,0,SRCCOPY ); 一张一张显示会出现图片闪烁,所以我想先画在一个缓存CDC中, ...… 查看全部问答> |
|
我有块智原的arm9开发板,启动信息如下: Uncompressing Linux............................................................ done, booting the kernel. Linux version 2.4.19-rmk4 (root@Sun) (gcc version 2.95.3 20010315 (release)) #13&nb ...… 查看全部问答> |




